BOSCH Sechskantmutter DIN 934 -M4-m-8 | Ersatzteile für PKS 40 | 2915011005

Artikelnummer: EB-0603237941-2915011005

Position: 45

Marke: BOSCH


Bitte Kompatibilität prüfen!

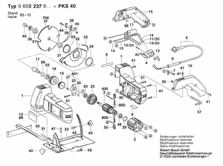
Bitte prüfen Sie unbedingt die 10-stellige Typennummer Ihrer Maschine / Ihres Gerätes. Das Ersatzteil ist nur kompatibel, wenn Sie die Typennummer Ihrer Maschine in der unten stehenden Produktbeschreibung finden.

Bitte prüfen Sie ebenfalls detailliert die Explosionszeichnung mit Ihrem Artikelwunsch und der jeweiligen Pos-Nummer.

Alle Elemente, welche vom schwarzen Strich der Pos-Nummer ausgehend berührt / erfasst werden, gehören zu dieser Pos-Nummer und somit zu diesem Artikel. Jede Pos-Nummer ist ein eigenständiger Artikel, welchen Sie in der Auflistung finden.

Sie erhalten stets die aktuellste, neueste Produktversion zu der gewählten Pos-Nummer seitens des Herstellers. Es kann daher je nach Gerätealter vorkommen, dass Sie ggf. weitere, zugehörige Elemente, welche an diese Pos-Nummer grenzen, ebenfalls mittauschen müssen.

Nähere Informationen finden Sie unter dem Link
Hinweise zu Ihrer BOSCH Ersatzteilsuche

Preisübersicht

Einzelpreis: 3,63 €* (Brutto: 4,32 €)
Gesamtpreis: 3,63 €* 
Position:

Lieferzeit: 5 Werktage


Beschreibung

  • Sechskantmutter DIN 934 -M4-m-8
  • Original Bosch Zubehör / BOSCH Ersatzteil (2915011005)
  • im Gerät verbaut: 1
Dieses BOSCH Ersatzteil ist mit folgendem Gerät und Modell kompatibel:
  • BOSCH Gerätename: PKS 40
  • BOSCH Explosionszeichnung: Position 45
  • BOSCH Typennummer: 0603237941
  • BOSCH Typennummer alternative Schreibweisen: 0 603 237 941, 0603 237 941, 0.603.237.941, 0-603-237-941
    Bitte prüfen Sie diese Typennummer auf Ihrem Gerät um die Kompatibilität des BOSCH Ersatzteils zu gewährleisten.
Weitere BOSCH Ersatzteile des Gerätes PKS 40 (Handkreissäge) mit der Typennummer 0603237941 finden Sie in der nachfolgenden Darstellung und im Dropdown zu Ihrer Auswahl:

Pos.
1
BOSCH Motorgehäuse BLAU | Ersatzteile für PKS 40 | 1605108125
Hersteller: BOSCH
Artikelnummer: EB-0603237941-1605108125
nur Informationsartikel
Nie mehr lieferbar
keine Alternativen
Pos.
1
BOSCH Motorgehäuse GRUEN | Ersatzteile für PKS 40 | 1605108108
Hersteller: BOSCH
Artikelnummer: EB-0603237941-1605108108
nur Informationsartikel
Nie mehr lieferbar
keine Alternativen
Pos.
11/20
BOSCH Flachstecker | Ersatzteile für PKS 40 | 2601355007
Hersteller: BOSCH
Artikelnummer: EB-0603237941-2601355007
nur Informationsartikel
Nie mehr lieferbar
keine Alternativen
Pos.
2
BOSCH Polschuh 100V | Ersatzteile für PKS 40 | 1604220195
Hersteller: BOSCH
Artikelnummer: EB-0603237941-1604220195
nur Informationsartikel
Nie mehr lieferbar
keine Alternativen
Pos.
3
BOSCH Anker 220V | Ersatzteile für PKS 40 | 1604010183
Hersteller: BOSCH
Artikelnummer: EB-0603237941-1604010183
Netto: 42,86 € zzgl. MwSt.
zzgl. 6,90 € Versand (brutto)
einmalig pro Bestellung

Lieferzeit: 5 Werktage

Pos.
4
BOSCH Ein/Aus-Schalter | Ersatzteile für PKS 40 | 2607200159
Hersteller: BOSCH
Artikelnummer: EB-0603237941-2607200159
nur Informationsartikel
Nie mehr lieferbar
keine Alternativen
Pos.
7
BOSCH Leitungshalter | Ersatzteile für PKS 40 | 2601035001
Hersteller: BOSCH
Artikelnummer: EB-0603237941-2601035001
Netto: 3,94 € zzgl. MwSt.
zzgl. 6,90 € Versand (brutto)
einmalig pro Bestellung

Lieferzeit: 5 Werktage

Pos.
8
BOSCH Typschild | Ersatzteile für PKS 40 | 160111A3H3
Hersteller: BOSCH
Artikelnummer: EB-0603237941-160111A3H3
Netto: 4,53 € zzgl. MwSt.
zzgl. 6,90 € Versand (brutto)
einmalig pro Bestellung

Lieferzeit: 5 Werktage

Pos.
9
BOSCH Firmenschild SCHATTENSEITE | Ersatzteile für PKS 40 | 1601110481
Hersteller: BOSCH
Artikelnummer: EB-0603237941-1601110481
Netto: 4,32 € zzgl. MwSt.
zzgl. 6,90 € Versand (brutto)
einmalig pro Bestellung

Lieferzeit: 5 Werktage

Pos.
11
BOSCH Entstörfilter | Ersatzteile für PKS 40 | 1607328028
Hersteller: BOSCH
Artikelnummer: EB-0603237941-1607328028
Netto: 6,15 € zzgl. MwSt.
zzgl. 6,90 € Versand (brutto)
einmalig pro Bestellung

Lieferzeit: 5 Werktage

Pos.
12
BOSCH Klebeschild | Ersatzteile für PKS 40 | 1601110096
Hersteller: BOSCH
Artikelnummer: EB-0603237941-1601110096
nur Informationsartikel
Nie mehr lieferbar
keine Alternativen
Pos.
13
BOSCH Dichtring | Ersatzteile für PKS 40 | 1600206023
Hersteller: BOSCH
Artikelnummer: EB-0603237941-1600206023
nur Informationsartikel
Nie mehr lieferbar
keine Alternativen
Pos.
14
BOSCH Elektr Leitung L=233 MM WEISS | Ersatzteile für PKS 40 | 1614431010
Hersteller: BOSCH
Artikelnummer: EB-0603237941-1614431010
nur Informationsartikel
Nie mehr lieferbar
keine Alternativen
Pos.
15
BOSCH Verbindungsleitung L=373 MM WEISS | Ersatzteile für PKS 40 | 1604448000
Hersteller: BOSCH
Artikelnummer: EB-0603237941-1604448000
Netto: 4,32 € zzgl. MwSt.
zzgl. 6,90 € Versand (brutto)
einmalig pro Bestellung

Lieferzeit: 5 Werktage

Pos.
16
BOSCH Handgriff BLAU | Ersatzteile für PKS 40 | 1605132095
Hersteller: BOSCH
Artikelnummer: EB-0603237941-1605132095
nur Informationsartikel
Nie mehr lieferbar
keine Alternativen
Pos.
16
BOSCH Handgriff GRUEN | Ersatzteile für PKS 40 | 1605132090
Hersteller: BOSCH
Artikelnummer: EB-0603237941-1605132090
nur Informationsartikel
Nie mehr lieferbar
keine Alternativen
Pos.
17
BOSCH Antriebswelle M8, Ø16 MM | Ersatzteile für PKS 40 | 1603124103
Hersteller: BOSCH
Artikelnummer: EB-0603237941-1603124103
nur Informationsartikel
Nie mehr lieferbar
keine Alternativen
Pos.
18
BOSCH Lagerflansch | Ersatzteile für PKS 40 | 1605820222
Hersteller: BOSCH
Artikelnummer: EB-0603237941-1605820222
nur Informationsartikel
Nie mehr lieferbar
keine Alternativen
Pos.
19
BOSCH Stirnrad Z=25 | Ersatzteile für PKS 40 | 1606320075
Hersteller: BOSCH
Artikelnummer: EB-0603237941-1606320075
nur Informationsartikel
Nie mehr lieferbar
keine Alternativen
Pos.
20
BOSCH Lagerbrücke | Ersatzteile für PKS 40 | 1605807011
Hersteller: BOSCH
Artikelnummer: EB-0603237941-1605807011
nur Informationsartikel
Nie mehr lieferbar
keine Alternativen
Pos.
21
BOSCH Unterlegscheibe Ø16xØ26x5 MM | Ersatzteile für PKS 40 | 1600144000
Hersteller: BOSCH
Artikelnummer: EB-0603237941-1600144000
nur Informationsartikel
Nie mehr lieferbar
keine Alternativen
Pos.
22
BOSCH Zugfeder | Ersatzteile für PKS 40 | 1604650010
Hersteller: BOSCH
Artikelnummer: EB-0603237941-1604650010
Netto: 3,63 € zzgl. MwSt.
zzgl. 6,90 € Versand (brutto)
einmalig pro Bestellung

Lieferzeit: 5 Werktage

Pos.
23
BOSCH Grundplatte 120x214x2 MM | Ersatzteile für PKS 40 | 1608000064
Hersteller: BOSCH
Artikelnummer: EB-0603237941-1608000064
nur Informationsartikel
Nie mehr lieferbar
keine Alternativen
Pos.
25
BOSCH Lüfter | Ersatzteile für PKS 40 | 2606610049
Hersteller: BOSCH
Artikelnummer: EB-0603237941-2606610049
Netto: 4,32 € zzgl. MwSt.
zzgl. 6,90 € Versand (brutto)
einmalig pro Bestellung

Lieferzeit: 5 Werktage

Pos.
26
BOSCH O-Ring 20x2,5 MM | Ersatzteile für PKS 40 | 1900210119
Hersteller: BOSCH
Artikelnummer: EB-0603237941-1900210119
nur Informationsartikel
Nie mehr lieferbar
keine Alternativen
Pos.
27
BOSCH Sinterbuchse J6G7x10R6x6DIN1850 | Ersatzteile für PKS 40 | 1900301007
Hersteller: BOSCH
Artikelnummer: EB-0603237941-1900301007
nur Informationsartikel
Nie mehr lieferbar
keine Alternativen
Pos.
28
BOSCH Schmierfilz Ø10x3 MM | Ersatzteile für PKS 40 | 1600005001
Hersteller: BOSCH
Artikelnummer: EB-0603237941-1600005001
nur Informationsartikel
Nie mehr lieferbar
keine Alternativen
Pos.
29
BOSCH Distanzscheibe 0,2 MM DICK | Ersatzteile für PKS 40 | 1600102677
Hersteller: BOSCH
Artikelnummer: EB-0603237941-1600102677
nur Informationsartikel
Nie mehr lieferbar
keine Alternativen
Pos.
30
BOSCH Kohlebürste | Ersatzteile für PKS 40 | 1607014117
Hersteller: BOSCH
Artikelnummer: EB-0603237941-1607014117
nur Informationsartikel
Nie mehr lieferbar
keine Alternativen
Pos.
31
BOSCH Spannstift 6x36 DIN 7346 | Ersatzteile für PKS 40 | 2917780157
Hersteller: BOSCH
Artikelnummer: EB-0603237941-2917780157
Netto: 3,63 € zzgl. MwSt.
zzgl. 6,90 € Versand (brutto)
einmalig pro Bestellung

Lieferzeit: 5 Werktage

Pos.
32
BOSCH Schutzhaube | Ersatzteile für PKS 40 | 1605510120
Hersteller: BOSCH
Artikelnummer: EB-0603237941-1605510120
nur Informationsartikel
Nie mehr lieferbar
keine Alternativen
Pos.
33
BOSCH Anschlag | Ersatzteile für PKS 40 | 2601336000
Hersteller: BOSCH
Artikelnummer: EB-0603237941-2601336000
nur Informationsartikel
Nie mehr lieferbar
keine Alternativen
Pos.
35
BOSCH Sechskantmutter DIN 934-M8-8-A | Ersatzteile für PKS 40 | 2915011009
Hersteller: BOSCH
Artikelnummer: EB-0603237941-2915011009
Netto: 4,53 € zzgl. MwSt.
zzgl. 6,90 € Versand (brutto)
einmalig pro Bestellung

Lieferzeit: 5 Werktage

Pos.
36
BOSCH Dichtring | Ersatzteile für PKS 40 | 1600290007
Hersteller: BOSCH
Artikelnummer: EB-0603237941-1600290007
nur Informationsartikel
Nie mehr lieferbar
keine Alternativen
Pos.
38
BOSCH Spaltkeil | Ersatzteile für PKS 40 | 1600025010
Hersteller: BOSCH
Artikelnummer: EB-0603237941-1600025010
nur Informationsartikel
Nie mehr lieferbar
keine Alternativen
Pos.
39
BOSCH Befestigungsplatte | Ersatzteile für PKS 40 | 1601034035
Hersteller: BOSCH
Artikelnummer: EB-0603237941-1601034035
nur Informationsartikel
Nie mehr lieferbar
keine Alternativen
Pos.
40
BOSCH Zylinderschraube M3x6,5-4.8 | Ersatzteile für PKS 40 | 2603410001
Hersteller: BOSCH
Artikelnummer: EB-0603237941-2603410001
Netto: 3,94 € zzgl. MwSt.
zzgl. 6,90 € Versand (brutto)
einmalig pro Bestellung

Lieferzeit: 5 Werktage

Pos.
41
BOSCH Blechschraube DIN 7971-ST3,9x16-F | Ersatzteile für PKS 40 | 2910211019
Hersteller: BOSCH
Artikelnummer: EB-0603237941-2910211019
Netto: 3,63 € zzgl. MwSt.
zzgl. 6,90 € Versand (brutto)
einmalig pro Bestellung

Lieferzeit: 5 Werktage

Pos.
42
BOSCH Flügelmutter M6 | Ersatzteile für PKS 40 | 1603339006
Hersteller: BOSCH
Artikelnummer: EB-0603237941-1603339006
nur Informationsartikel
Nie mehr lieferbar
keine Alternativen
Pos.
43
BOSCH Flachrundschraube M6x15 DIN 603 | Ersatzteile für PKS 40 | 2910281196
Hersteller: BOSCH
Artikelnummer: EB-0603237941-2910281196
nur Informationsartikel
Nie mehr lieferbar
keine Alternativen
Pos.
44
BOSCH Zylinderschraube DIN 84-AM4x18-5.8 | Ersatzteile für PKS 40 | 2910011128
Hersteller: BOSCH
Artikelnummer: EB-0603237941-2910011128
Netto: 3,63 € zzgl. MwSt.
zzgl. 6,90 € Versand (brutto)
einmalig pro Bestellung

Lieferzeit: 5 Werktage

Pos.
45
BOSCH Sechskantmutter DIN 934 -M4-m-8 | Ersatzteile für PKS 40 | 2915011005
Hersteller: BOSCH
Artikelnummer: EB-0603237941-2915011005
Netto: 3,63 € zzgl. MwSt.
zzgl. 6,90 € Versand (brutto)
einmalig pro Bestellung

Lieferzeit: 5 Werktage

Pos.
46
BOSCH Innensechskantschraube DIN 912-M8x16-8.8 | Ersatzteile für PKS 40 | 2910141238
Hersteller: BOSCH
Artikelnummer: EB-0603237941-2910141238
nur Informationsartikel
Nie mehr lieferbar
keine Alternativen
Pos.
47
BOSCH Innensechskantschraube | Ersatzteile für PKS 40 | 1603414005
Hersteller: BOSCH
Artikelnummer: EB-0603237941-1603414005
nur Informationsartikel
Nie mehr lieferbar
keine Alternativen
Pos.
48
BOSCH Kugellager 7x22x7 | Ersatzteile für PKS 40 | 1900905018
Hersteller: BOSCH
Artikelnummer: EB-0603237941-1900905018
Netto: 15,75 € zzgl. MwSt.
zzgl. 6,90 € Versand (brutto)
einmalig pro Bestellung

Lieferzeit: 5 Werktage

Pos.
50
BOSCH Rillenkugellager 9x24x7 | Ersatzteile für PKS 40 | 2600905021
Hersteller: BOSCH
Artikelnummer: EB-0603237941-2600905021
Netto: 8,33 € zzgl. MwSt.
zzgl. 6,90 € Versand (brutto)
einmalig pro Bestellung

Lieferzeit: 5 Werktage

Pos.
51
BOSCH Blechschraube DIN 7971-ST3,9x22-F | Ersatzteile für PKS 40 | 2910211021
Hersteller: BOSCH
Artikelnummer: EB-0603237941-2910211021
Netto: 3,94 € zzgl. MwSt.
zzgl. 6,90 € Versand (brutto)
einmalig pro Bestellung

Lieferzeit: 5 Werktage

Pos.
52
BOSCH Rillenkugellager 12x28x8 | Ersatzteile für PKS 40 | 1900905121
Hersteller: BOSCH
Artikelnummer: EB-0603237941-1900905121
nur Informationsartikel
Nie mehr lieferbar
keine Alternativen
Pos.
53
BOSCH Sicherungsring 36x1,75 DIN 471 | Ersatzteile für PKS 40 | 2916650037
Hersteller: BOSCH
Artikelnummer: EB-0603237941-2916650037
nur Informationsartikel
Nie mehr lieferbar
keine Alternativen
Pos.
56
BOSCH Dichtscheibe 12x25,5x1,8 | Ersatzteile für PKS 40 | 2916130004
Hersteller: BOSCH
Artikelnummer: EB-0603237941-2916130004
nur Informationsartikel
Nie mehr lieferbar
keine Alternativen
Pos.
57
BOSCH Winkelschraubendreher DIN 911 SW6 | Ersatzteile für PKS 40 | 1907950007
Hersteller: BOSCH
Artikelnummer: EB-0603237941-1907950007
Netto: 6,15 € zzgl. MwSt.
zzgl. 6,90 € Versand (brutto)
einmalig pro Bestellung

Lieferzeit: 5 Werktage

Pos.
58
BOSCH Blattfeder | Ersatzteile für PKS 40 | 1601253007
Hersteller: BOSCH
Artikelnummer: EB-0603237941-1601253007
nur Informationsartikel
Nie mehr lieferbar
keine Alternativen
Pos.
150
BOSCH Aderendhülse DIN 46 228-A1-6 | Ersatzteile für PKS 40 | 1900452012
Hersteller: BOSCH
Artikelnummer: EB-0603237941-1900452012
Netto: 3,94 € zzgl. MwSt.
zzgl. 6,90 € Versand (brutto)
einmalig pro Bestellung

Lieferzeit: 5 Werktage

Pos.
704
BOSCH Kreissägeblatt | Ersatzteile für PKS 40 | 2608640774
Hersteller: BOSCH
Artikelnummer: EB-0603237941-2608640774
Netto: 29,86 € zzgl. MwSt.
zzgl. 6,90 € Versand (brutto)
einmalig pro Bestellung

Lieferzeit: 5 Werktage

Pos.
801
BOSCH Lagerbrücke | Ersatzteile für PKS 40 | 1605807012
Hersteller: BOSCH
Artikelnummer: EB-0603237941-1605807012
nur Informationsartikel
Nie mehr lieferbar
keine Alternativen

Angaben zur Produktsicherheit

Hersteller:
Robert Bosch Power Tools GmbH
Postfach 30 02 20
70442 Stuttgart

E-Mail:
kontakt@bosch.de