BOSCH Bohrfutterschlüssel SG2 | Ersatzteile für PSB 500-2 | 2607950007

Artikelnummer: EB-0603387185-2607950007

Position: 871

Marke: BOSCH


Bitte Kompatibilität prüfen!

Bitte prüfen Sie unbedingt die 10-stellige Typennummer Ihrer Maschine / Ihres Gerätes. Das Ersatzteil ist nur kompatibel, wenn Sie die Typennummer Ihrer Maschine in der unten stehenden Produktbeschreibung finden.

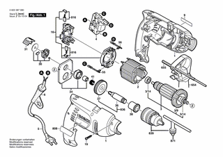
Bitte prüfen Sie ebenfalls detailliert die Explosionszeichnung mit Ihrem Artikelwunsch und der jeweiligen Pos-Nummer.

Alle Elemente, welche vom schwarzen Strich der Pos-Nummer ausgehend berührt / erfasst werden, gehören zu dieser Pos-Nummer und somit zu diesem Artikel. Jede Pos-Nummer ist ein eigenständiger Artikel, welchen Sie in der Auflistung finden.

Sie erhalten stets die aktuellste, neueste Produktversion zu der gewählten Pos-Nummer seitens des Herstellers. Es kann daher je nach Gerätealter vorkommen, dass Sie ggf. weitere, zugehörige Elemente, welche an diese Pos-Nummer grenzen, ebenfalls mittauschen müssen.

Nähere Informationen finden Sie unter dem Link
Hinweise zu Ihrer BOSCH Ersatzteilsuche

Preisübersicht

Einzelpreis: 7,30 €* (Brutto: 8,69 €)
Gesamtpreis: 7,30 €* 
Position:

Lieferzeit: 5 Werktage


Beschreibung

  • Bohrfutterschlüssel SG2
  • Original Bosch Zubehör / BOSCH Ersatzteil (2607950007)
  • im Gerät verbaut: 1
Dieses BOSCH Ersatzteil ist mit folgendem Gerät und Modell kompatibel:
  • BOSCH Gerätename: PSB 500-2
  • BOSCH Explosionszeichnung: Position 871
  • BOSCH Typennummer: 0603387185
  • BOSCH Typennummer alternative Schreibweisen: 0 603 387 185, 0603 387 185, 0.603.387.185, 0-603-387-185
    Bitte prüfen Sie diese Typennummer auf Ihrem Gerät um die Kompatibilität des BOSCH Ersatzteils zu gewährleisten.
Weitere BOSCH Ersatzteile des Gerätes PSB 500-2 (Schlagbohrmaschine) mit der Typennummer 0603387185 finden Sie in der nachfolgenden Darstellung und im Dropdown zu Ihrer Auswahl:

Pos.
1
BOSCH Gehäuseschale | Ersatzteile für PSB 500-2 | 2605104779
Hersteller: BOSCH
Artikelnummer: EB-0603387185-2605104779
nur Informationsartikel
Nie mehr lieferbar
keine Alternativen
Pos.
3/14
BOSCH Rillenkugellager 8x22x7 608-2Z/C3 | Ersatzteile für PSB 500-2 | 3130900020
Hersteller: BOSCH
Artikelnummer: EB-0603387185-3130900020
Netto: 7,30 € zzgl. MwSt.
zzgl. 6,90 € Versand (brutto)
einmalig pro Bestellung

Lieferzeit: 5 Werktage

Pos.
3/9
BOSCH Anker Mit Lüfter | Ersatzteile für PSB 500-2 | 2606610097
Hersteller: BOSCH
Artikelnummer: EB-0603387185-2606610097
Netto: 5,19 € zzgl. MwSt.
zzgl. 6,90 € Versand (brutto)
einmalig pro Bestellung

Lieferzeit: 5 Werktage

Pos.
2
BOSCH Polschuh 220-240V | Ersatzteile für PSB 500-2 | 2604220601
Hersteller: BOSCH
Artikelnummer: EB-0603387185-2604220601
nur Informationsartikel
Nie mehr lieferbar
keine Alternativen
Pos.
3
BOSCH Anker 230-240V | Ersatzteile für PSB 500-2 | 2604011314
Hersteller: BOSCH
Artikelnummer: EB-0603387185-2604011314
nur Informationsartikel
Nie mehr lieferbar
keine Alternativen
Pos.
4
BOSCH Schalter | Ersatzteile für PSB 500-2 | 2607200593
Hersteller: BOSCH
Artikelnummer: EB-0603387185-2607200593
Netto: 18,57 € zzgl. MwSt.
zzgl. 6,90 € Versand (brutto)
einmalig pro Bestellung

Lieferzeit: 5 Werktage

Pos.
5
BOSCH Netzanschlussleitung GB 230V 2,65m 2 x 1,0mm H05 VV-F | Ersatzteile für PSB 500-2 | 2604460147
Hersteller: BOSCH
Artikelnummer: EB-0603387185-2604460147
Netto: 14,36 € zzgl. MwSt.
zzgl. 6,90 € Versand (brutto)
einmalig pro Bestellung

Lieferzeit: 5 Werktage

Pos.
6
BOSCH Tülle Ø6,2-Ø6,9x90 MM | Ersatzteile für PSB 500-2 | 2600707066
Hersteller: BOSCH
Artikelnummer: EB-0603387185-2600707066
nur Informationsartikel
Nie mehr lieferbar
keine Alternativen
Pos.
9
BOSCH Firmenschild | Ersatzteile für PSB 500-2 | 2601117942
Hersteller: BOSCH
Artikelnummer: EB-0603387185-2601117942
nur Informationsartikel
Nie mehr lieferbar
keine Alternativen
Pos.
16
BOSCH Bürstenplatte | Ersatzteile für PSB 500-2 | 2604337085
Hersteller: BOSCH
Artikelnummer: EB-0603387185-1600A012AZ
nur Informationsartikel
Nie mehr lieferbar
keine Alternativen
Pos.
19
BOSCH Schraube 4x16 | Ersatzteile für PSB 500-2 | 2603490022
Hersteller: BOSCH
Artikelnummer: EB-0603387185-2603490022
Netto: 3,63 € zzgl. MwSt.
zzgl. 6,90 € Versand (brutto)
einmalig pro Bestellung

Lieferzeit: 5 Werktage

Pos.
30
BOSCH Schaltscheibe | Ersatzteile für PSB 500-2 | 2601901012
Hersteller: BOSCH
Artikelnummer: EB-0603387185-2601901012
nur Informationsartikel
Nie mehr lieferbar
keine Alternativen
Pos.
31
BOSCH Umschalter | Ersatzteile für PSB 500-2 | 2601990029
Hersteller: BOSCH
Artikelnummer: EB-0603387185-2601990029
nur Informationsartikel
Nie mehr lieferbar
keine Alternativen
Pos.
34
BOSCH Lagerbrücke | Ersatzteile für PSB 500-2 | 2605807107
Hersteller: BOSCH
Artikelnummer: EB-0603387185-2605807107
nur Informationsartikel
Nie mehr lieferbar
keine Alternativen
Pos.
36
BOSCH Bohrspindel 1/2" | Ersatzteile für PSB 500-2 | 2606135081
Hersteller: BOSCH
Artikelnummer: EB-0603387185-2606135081
Netto: 8,33 € zzgl. MwSt.
zzgl. 6,90 € Versand (brutto)
einmalig pro Bestellung

Lieferzeit: 5 Werktage

Pos.
37
BOSCH Stirnrad | Ersatzteile für PSB 500-2 | 2606320081
Hersteller: BOSCH
Artikelnummer: EB-0603387185-2606320081
nur Informationsartikel
Nie mehr lieferbar
keine Alternativen
Pos.
38
BOSCH Sinterlager | Ersatzteile für PSB 500-2 | 2600301066
Hersteller: BOSCH
Artikelnummer: EB-0603387185-2600301066
nur Informationsartikel
Nie mehr lieferbar
keine Alternativen
Pos.
41
BOSCH Druckfeder | Ersatzteile für PSB 500-2 | 2604616006
Hersteller: BOSCH
Artikelnummer: EB-0603387185-2604616006
Netto: 3,94 € zzgl. MwSt.
zzgl. 6,90 € Versand (brutto)
einmalig pro Bestellung

Lieferzeit: 5 Werktage

Pos.
55
BOSCH Verbindungsleitung L=88 MM WEISS | Ersatzteile für PSB 500-2 | 2604448034
Hersteller: BOSCH
Artikelnummer: EB-0603387185-2604448034
Netto: 3,94 € zzgl. MwSt.
zzgl. 6,90 € Versand (brutto)
einmalig pro Bestellung

Lieferzeit: 5 Werktage

Pos.
56
BOSCH Verbindungsleitung L=115 MM WEISS | Ersatzteile für PSB 500-2 | 2604448109
Hersteller: BOSCH
Artikelnummer: EB-0603387185-2604448109
Netto: 3,63 € zzgl. MwSt.
zzgl. 6,90 € Versand (brutto)
einmalig pro Bestellung

Lieferzeit: 5 Werktage

Pos.
654
BOSCH Zusatzhandgriff SCHWARZ | Ersatzteile für PSB 500-2 | 2602025125
Hersteller: BOSCH
Artikelnummer: EB-0603387185-2602025125
Netto: 9,18 € zzgl. MwSt.
zzgl. 6,90 € Versand (brutto)
einmalig pro Bestellung

Lieferzeit: 5 Werktage

Pos.
655
BOSCH Tiefenanschlag | Ersatzteile für PSB 500-2 | 2609005615
Hersteller: BOSCH
Artikelnummer: EB-0603387185-2609005615
Netto: 5,67 € zzgl. MwSt.
zzgl. 6,90 € Versand (brutto)
einmalig pro Bestellung

Lieferzeit: 5 Werktage

Pos.
808
BOSCH Typschild | Ersatzteile für PSB 500-2 | 2609000154
Hersteller: BOSCH
Artikelnummer: EB-0603387185-2609000154
nur Informationsartikel
Nie mehr lieferbar
keine Alternativen
Pos.
816
BOSCH Kohlebürstensatz | Ersatzteile für PSB 500-2 | 2604321925
Hersteller: BOSCH
Artikelnummer: EB-0603387185-2604321925
Netto: 8,33 € zzgl. MwSt.
zzgl. 6,90 € Versand (brutto)
einmalig pro Bestellung

Lieferzeit: 5 Werktage

Pos.
836
BOSCH Bohrspindel | Ersatzteile für PSB 500-2 | 2606135935
Hersteller: BOSCH
Artikelnummer: EB-0603387185-2606135935
Netto: 12,98 € zzgl. MwSt.
zzgl. 6,90 € Versand (brutto)
einmalig pro Bestellung

Lieferzeit: 5 Werktage

Pos.
839
BOSCH Zahnkranzbohrfutter Ø1,5-13 MM | Ersatzteile für PSB 500-2 | 1608571080
Hersteller: BOSCH
Artikelnummer: EB-0603387185-1608571080
Netto: 24,13 € zzgl. MwSt.
zzgl. 6,90 € Versand (brutto)
einmalig pro Bestellung

Lieferzeit: 5 Werktage

Pos.
871
BOSCH Bohrfutterschlüssel SG2 | Ersatzteile für PSB 500-2 | 2607950007
Hersteller: BOSCH
Artikelnummer: EB-0603387185-2607950007
Netto: 7,30 € zzgl. MwSt.
zzgl. 6,90 € Versand (brutto)
einmalig pro Bestellung

Lieferzeit: 5 Werktage

Angaben zur Produktsicherheit

Hersteller:
Robert Bosch Power Tools GmbH
Postfach 30 02 20
70442 Stuttgart

E-Mail:
kontakt@bosch.de