BOSCH Druckscheibe | Ersatzteile für PSE 180 E | 2600101085

Artikelnummer: EB-0603316742-2600101085

Position: 31

Marke: BOSCH


Bitte Kompatibilität prüfen!

Bitte prüfen Sie unbedingt die 10-stellige Typennummer Ihrer Maschine / Ihres Gerätes. Das Ersatzteil ist nur kompatibel, wenn Sie die Typennummer Ihrer Maschine in der unten stehenden Produktbeschreibung finden.

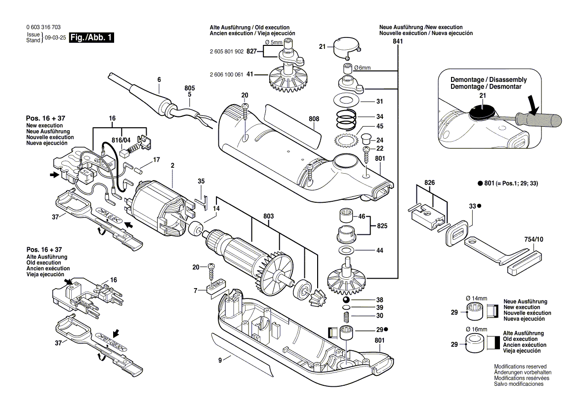
Bitte prüfen Sie ebenfalls detailliert die Explosionszeichnung mit Ihrem Artikelwunsch und der jeweiligen Pos-Nummer.

Alle Elemente, welche vom schwarzen Strich der Pos-Nummer ausgehend berührt / erfasst werden, gehören zu dieser Pos-Nummer und somit zu diesem Artikel. Jede Pos-Nummer ist ein eigenständiger Artikel, welchen Sie in der Auflistung finden.

Sie erhalten stets die aktuellste, neueste Produktversion zu der gewählten Pos-Nummer seitens des Herstellers. Es kann daher je nach Gerätealter vorkommen, dass Sie ggf. weitere, zugehörige Elemente, welche an diese Pos-Nummer grenzen, ebenfalls mittauschen müssen.

Nähere Informationen finden Sie unter dem Link
Hinweise zu Ihrer BOSCH Ersatzteilsuche

Preisübersicht

Einzelpreis: 4,56 €* (Brutto: 5,43 €)
Gesamtpreis: 4,56 €* 
Position:

Lieferzeit: 5 Werktage


Beschreibung

  • Druckscheibe
  • Original Bosch Zubehör / BOSCH Ersatzteil (2600101085)
  • im Gerät verbaut: 1
Dieses BOSCH Ersatzteil ist mit folgendem Gerät und Modell kompatibel:
  • BOSCH Gerätename: PSE 180 E
  • BOSCH Explosionszeichnung: Position 31
  • BOSCH Typennummer: 0603316742
  • BOSCH Typennummer alternative Schreibweisen: 0 603 316 742, 0603 316 742, 0.603.316.742, 0-603-316-742
    Bitte prüfen Sie diese Typennummer auf Ihrem Gerät um die Kompatibilität des BOSCH Ersatzteils zu gewährleisten.
Weitere BOSCH Ersatzteile des Gerätes PSE 180 E (Elektroschaber) mit der Typennummer 0603316742 finden Sie in der nachfolgenden Darstellung und im Dropdown zu Ihrer Auswahl:

Pos.
754/10
BOSCH Messerschutz 40x23 MM | Ersatzteile für PSE 180 E | 2601329059
Hersteller: BOSCH
Artikelnummer: EB-0603316742-2601329059
nur Informationsartikel
Nie mehr lieferbar
keine Alternativen
Pos.
754/10
BOSCH Messerschutz 60x23 MM | Ersatzteile für PSE 180 E | 2601329060
Hersteller: BOSCH
Artikelnummer: EB-0603316742-2601329060
nur Informationsartikel
Nie mehr lieferbar
keine Alternativen
Pos.
816/04
BOSCH Kohlebürstensatz | Ersatzteile für PSE 180 E | 2604321923
Hersteller: BOSCH
Artikelnummer: EB-0603316742-2604321923
nur Informationsartikel
Nie mehr lieferbar
keine Alternativen
Pos.
2
BOSCH Polschuh 230-240V | Ersatzteile für PSE 180 E | 2604220705
Hersteller: BOSCH
Artikelnummer: EB-0603316742-2604220705
Netto: 26,41 € zzgl. MwSt.
zzgl. 6,90 € Versand (brutto)
einmalig pro Bestellung

Lieferzeit: 5 Werktage

Pos.
5
BOSCH Netzanschlussleitung GB 240V 2,65m 2 x 1,0mm H05 VV-F | Ersatzteile für PSE 180 E | 2604460124
Hersteller: BOSCH
Artikelnummer: EB-0603316742-2604460124
nur Informationsartikel
Nie mehr lieferbar
keine Alternativen
Pos.
6
BOSCH Tülle Ø6,4-Ø7,2x67 MM | Ersatzteile für PSE 180 E | 1600703030
Hersteller: BOSCH
Artikelnummer: EB-0603316742-1600703030
Netto: 4,56 € zzgl. MwSt.
zzgl. 6,90 € Versand (brutto)
einmalig pro Bestellung

Lieferzeit: 5 Werktage

Pos.
7
BOSCH Leitungshalter | Ersatzteile für PSE 180 E | 2601035001
Hersteller: BOSCH
Artikelnummer: EB-0603316742-2601035001
Netto: 3,94 € zzgl. MwSt.
zzgl. 6,90 € Versand (brutto)
einmalig pro Bestellung

Lieferzeit: 5 Werktage

Pos.
9
BOSCH Firmenschild PSE 180 E | Ersatzteile für PSE 180 E | 2601116978
Hersteller: BOSCH
Artikelnummer: EB-0603316742-2601116978
Netto: 5,17 € zzgl. MwSt.
zzgl. 6,90 € Versand (brutto)
einmalig pro Bestellung

Lieferzeit: 5 Werktage

Pos.
14
BOSCH Sinterbuchse | Ersatzteile für PSE 180 E | 2600302027
Hersteller: BOSCH
Artikelnummer: EB-0603316742-2600302027
Netto: 6,75 € zzgl. MwSt.
zzgl. 6,90 € Versand (brutto)
einmalig pro Bestellung

Lieferzeit: 5 Werktage

Pos.
16
BOSCH Drehzahlsteller | Ersatzteile für PSE 180 E | 2607230125
Hersteller: BOSCH
Artikelnummer: EB-0603316742-2607230125
Netto: 35,13 € zzgl. MwSt.
zzgl. 6,90 € Versand (brutto)
einmalig pro Bestellung

Lieferzeit: 5 Werktage

Pos.
17
BOSCH Schrumpfschlauch | Ersatzteile für PSE 180 E | 2600409021
Hersteller: BOSCH
Artikelnummer: EB-0603316742-2600409021
Netto: 3,59 € zzgl. MwSt.
zzgl. 6,90 € Versand (brutto)
einmalig pro Bestellung

Lieferzeit: 5 Werktage

Pos.
20
BOSCH Schraube 4x16 | Ersatzteile für PSE 180 E | 2603490022
Hersteller: BOSCH
Artikelnummer: EB-0603316742-2603490022
Netto: 3,60 € zzgl. MwSt.
zzgl. 6,90 € Versand (brutto)
einmalig pro Bestellung

Lieferzeit: 5 Werktage

Pos.
21
BOSCH Druckknopf | Ersatzteile für PSE 180 E | 2600522013
Hersteller: BOSCH
Artikelnummer: EB-0603316742-2600522013
Netto: 4,56 € zzgl. MwSt.
zzgl. 6,90 € Versand (brutto)
einmalig pro Bestellung

Lieferzeit: 5 Werktage

Pos.
22
BOSCH Torx-Linsenschraube 4x20 | Ersatzteile für PSE 180 E | 2603490023
Hersteller: BOSCH
Artikelnummer: EB-0603316742-2603490023
Netto: 3,60 € zzgl. MwSt.
zzgl. 6,90 € Versand (brutto)
einmalig pro Bestellung

Lieferzeit: 5 Werktage

Pos.
24
BOSCH Verschlussstopfen | Ersatzteile für PSE 180 E | 2603126014
Hersteller: BOSCH
Artikelnummer: EB-0603316742-2603126014
Netto: 4,56 € zzgl. MwSt.
zzgl. 6,90 € Versand (brutto)
einmalig pro Bestellung

Lieferzeit: 5 Werktage

Pos.
29
BOSCH Nadelhülse | Ersatzteile für PSE 180 E | 2600917006
Hersteller: BOSCH
Artikelnummer: EB-0603316742-2600917006
Netto: 5,17 € zzgl. MwSt.
zzgl. 6,90 € Versand (brutto)
einmalig pro Bestellung

Lieferzeit: 65 Werktage

Pos.
30
BOSCH Druckfeder | Ersatzteile für PSE 180 E | 2604612005
Hersteller: BOSCH
Artikelnummer: EB-0603316742-2604612005
Netto: 4,56 € zzgl. MwSt.
zzgl. 6,90 € Versand (brutto)
einmalig pro Bestellung

Lieferzeit: 5 Werktage

Pos.
31
BOSCH Druckscheibe | Ersatzteile für PSE 180 E | 2600101085
Hersteller: BOSCH
Artikelnummer: EB-0603316742-2600101085
Netto: 4,56 € zzgl. MwSt.
zzgl. 6,90 € Versand (brutto)
einmalig pro Bestellung

Lieferzeit: 5 Werktage

Pos.
33
BOSCH Schutzkappe | Ersatzteile für PSE 180 E | 2600712005
Hersteller: BOSCH
Artikelnummer: EB-0603316742-2600712005
Netto: 4,80 € zzgl. MwSt.
zzgl. 6,90 € Versand (brutto)
einmalig pro Bestellung

Lieferzeit: 5 Werktage

Pos.
34
BOSCH Druckfeder | Ersatzteile für PSE 180 E | 2604616005
Hersteller: BOSCH
Artikelnummer: EB-0603316742-2604616005
Netto: 4,80 € zzgl. MwSt.
zzgl. 6,90 € Versand (brutto)
einmalig pro Bestellung

Lieferzeit: 5 Werktage

Pos.
35
BOSCH Kontaktfeder | Ersatzteile für PSE 180 E | 2601329037
Hersteller: BOSCH
Artikelnummer: EB-0603316742-2601329037
Netto: 3,94 € zzgl. MwSt.
zzgl. 6,90 € Versand (brutto)
einmalig pro Bestellung

Lieferzeit: 5 Werktage

Pos.
37
BOSCH Schaltschieber ROT | Ersatzteile für PSE 180 E | 2602319009
Hersteller: BOSCH
Artikelnummer: EB-0603316742-2602319009
Netto: 6,75 € zzgl. MwSt.
zzgl. 6,90 € Versand (brutto)
einmalig pro Bestellung

Lieferzeit: 5 Werktage

Pos.
38
BOSCH Kugel DIN 5401-4 MM-III-ST | Ersatzteile für PSE 180 E | 1903230007
Hersteller: BOSCH
Artikelnummer: EB-0603316742-1903230007
Netto: 3,94 € zzgl. MwSt.
zzgl. 6,90 € Versand (brutto)
einmalig pro Bestellung

Lieferzeit: 5 Werktage

Pos.
39
BOSCH Ausgleichscheibe 0,5 MM | Ersatzteile für PSE 180 E | 2600000028
Hersteller: BOSCH
Artikelnummer: EB-0603316742-2600000028
nur Informationsartikel
Nie mehr lieferbar
keine Alternativen
Pos.
44
BOSCH Stützscheibe 0,5 MM DICK | Ersatzteile für PSE 180 E | 1610101615
Hersteller: BOSCH
Artikelnummer: EB-0603316742-1610101615
nur Informationsartikel
Nie mehr lieferbar
keine Alternativen
Pos.
45
BOSCH Justierscheibe | Ersatzteile für PSE 180 E | 2600190067
Hersteller: BOSCH
Artikelnummer: EB-0603316742-2600190067
Netto: 4,56 € zzgl. MwSt.
zzgl. 6,90 € Versand (brutto)
einmalig pro Bestellung

Lieferzeit: 5 Werktage

Pos.
46
BOSCH Nadellager Ø14 MM | Ersatzteile für PSE 180 E | 2600910001
Hersteller: BOSCH
Artikelnummer: EB-0603316742-2600910001
nur Informationsartikel
Nie mehr lieferbar
keine Alternativen
Pos.
801
BOSCH Gehäuseschale GRUEN | Ersatzteile für PSE 180 E | 2605190923
Hersteller: BOSCH
Artikelnummer: EB-0603316742-2605190923
Netto: 16,70 € zzgl. MwSt.
zzgl. 6,90 € Versand (brutto)
einmalig pro Bestellung

Lieferzeit: 5 Werktage

Pos.
803
BOSCH Anker 230-240V | Ersatzteile für PSE 180 E | 2604011924
Hersteller: BOSCH
Artikelnummer: EB-0603316742-2604011924
Netto: 28,93 € zzgl. MwSt.
zzgl. 6,90 € Versand (brutto)
einmalig pro Bestellung

Lieferzeit: 5 Werktage

Pos.
808
BOSCH Typenschild | Ersatzteile für PSE 180 E | 2601118815
Hersteller: BOSCH
Artikelnummer: EB-0603316742-2601118815
Netto: 4,56 € zzgl. MwSt.
zzgl. 6,90 € Versand (brutto)
einmalig pro Bestellung

Lieferzeit: 5 Werktage

Pos.
825
BOSCH Sinterbuchse | Ersatzteile für PSE 180 E | 2605801900
Hersteller: BOSCH
Artikelnummer: EB-0603316742-2605801900
Netto: 6,75 € zzgl. MwSt.
zzgl. 6,90 € Versand (brutto)
einmalig pro Bestellung

Lieferzeit: 5 Werktage

Pos.
826
BOSCH Führungslager | Ersatzteile für PSE 180 E | 2605801901
Hersteller: BOSCH
Artikelnummer: EB-0603316742-2605801901
Netto: 9,05 € zzgl. MwSt.
zzgl. 6,90 € Versand (brutto)
einmalig pro Bestellung

Lieferzeit: 5 Werktage

Pos.
841
BOSCH Tellerrad | Ersatzteile für PSE 180 E | 2606100922
Hersteller: BOSCH
Artikelnummer: EB-0603316742-2606100922
nur Informationsartikel
Nie mehr lieferbar
keine Alternativen

Angaben zur Produktsicherheit

Hersteller:
Robert Bosch Power Tools GmbH
Postfach 30 02 20
70442 Stuttgart

E-Mail:
kontakt@bosch.de