BOSCH Tülle Ø6,5-Ø6,9x95 MM | Ersatzteile für PSF 22 | 2600703012

Artikelnummer: EB-0603228048-2600703012

Position: 206

Marke: BOSCH


Bitte Kompatibilität prüfen!

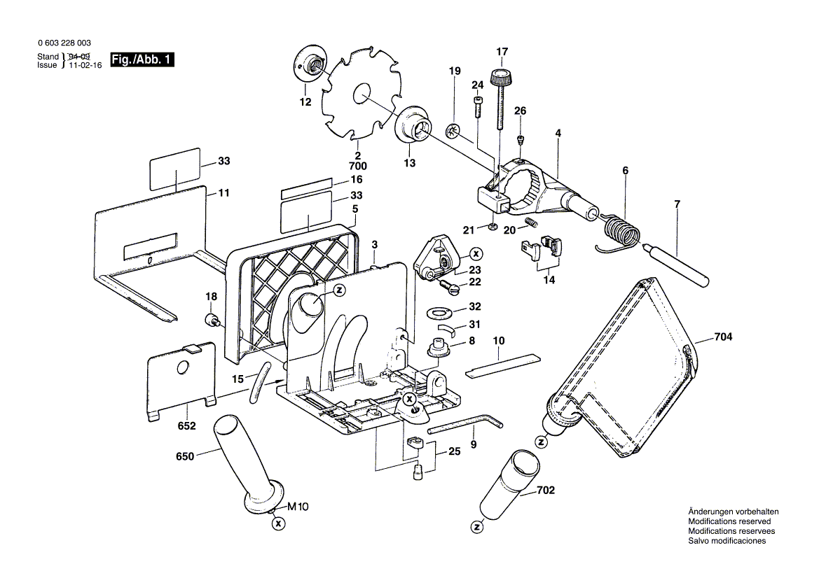
Bitte prüfen Sie unbedingt die 10-stellige Typennummer Ihrer Maschine / Ihres Gerätes. Das Ersatzteil ist nur kompatibel, wenn Sie die Typennummer Ihrer Maschine in der unten stehenden Produktbeschreibung finden.

Bitte prüfen Sie ebenfalls detailliert die Explosionszeichnung mit Ihrem Artikelwunsch und der jeweiligen Pos-Nummer.

Alle Elemente, welche vom schwarzen Strich der Pos-Nummer ausgehend berührt / erfasst werden, gehören zu dieser Pos-Nummer und somit zu diesem Artikel. Jede Pos-Nummer ist ein eigenständiger Artikel, welchen Sie in der Auflistung finden.

Sie erhalten stets die aktuellste, neueste Produktversion zu der gewählten Pos-Nummer seitens des Herstellers. Es kann daher je nach Gerätealter vorkommen, dass Sie ggf. weitere, zugehörige Elemente, welche an diese Pos-Nummer grenzen, ebenfalls mittauschen müssen.

Nähere Informationen finden Sie unter dem Link
Hinweise zu Ihrer BOSCH Ersatzteilsuche

Preisübersicht

Einzelpreis: 4,80 €* (Brutto: 5,71 €)
Gesamtpreis: 4,80 €* 
Position:

Lieferzeit: 5 Werktage


Beschreibung

  • Tülle Ø6,5-Ø6,9x95 MM
  • Original Bosch Zubehör / BOSCH Ersatzteil (2600703012)
  • im Gerät verbaut: 1
Dieses BOSCH Ersatzteil ist mit folgendem Gerät und Modell kompatibel:
  • BOSCH Gerätename: PSF 22
  • BOSCH Explosionszeichnung: Position 206
  • BOSCH Typennummer: 0603228048
  • BOSCH Typennummer alternative Schreibweisen: 0 603 228 048, 0603 228 048, 0.603.228.048, 0-603-228-048
    Bitte prüfen Sie diese Typennummer auf Ihrem Gerät um die Kompatibilität des BOSCH Ersatzteils zu gewährleisten.
Weitere BOSCH Ersatzteile des Gerätes PSF 22 (Gw-Schattenfugenfraese) mit der Typennummer 0603228048 finden Sie in der nachfolgenden Darstellung und im Dropdown zu Ihrer Auswahl:

Pos.
703/10
BOSCH Schutzhaube | Ersatzteile für PSF 22 | 1600A0136P
Hersteller: BOSCH
Artikelnummer: EB-0603228048-1600A0136P
nur Informationsartikel
Nie mehr lieferbar
keine Alternativen
Pos.
703/10/20
BOSCH Zylinderschraube DIN 84-M 6x16-8.8 | Ersatzteile für PSF 22 | 2910022197
Hersteller: BOSCH
Artikelnummer: EB-0603228048-2910022197
nur Informationsartikel
Nie mehr lieferbar
keine Alternativen
Pos.
703/20
BOSCH Kreuzlochmutter M14 | Ersatzteile für PSF 22 | 1603340015
Hersteller: BOSCH
Artikelnummer: EB-0603228048-1603340015
nur Informationsartikel
Nie mehr lieferbar
keine Alternativen
Pos.
703/30
BOSCH Befestigungsflansch | Ersatzteile für PSF 22 | 2605703023
Hersteller: BOSCH
Artikelnummer: EB-0603228048-2605703023
nur Informationsartikel
Nie mehr lieferbar
keine Alternativen
Pos.
703/40
BOSCH Schleifscheibe Ø 115xØ 22,2x6 MM | Ersatzteile für PSF 22 | 2608600003
Hersteller: BOSCH
Artikelnummer: EB-0603228048-2608600003
nur Informationsartikel
Nie mehr lieferbar
keine Alternativen
Pos.
3
BOSCH Grundplatte | Ersatzteile für PSF 22 | 3601329005
Hersteller: BOSCH
Artikelnummer: EB-0603228048-3601329005
nur Informationsartikel
Nie mehr lieferbar
keine Alternativen
Pos.
4
BOSCH Schwenkhebel | Ersatzteile für PSF 22 | 3602013000
Hersteller: BOSCH
Artikelnummer: EB-0603228048-3602013000
nur Informationsartikel
Nie mehr lieferbar
keine Alternativen
Pos.
5
BOSCH Abdeckhaube | Ersatzteile für PSF 22 | 3605500101
Hersteller: BOSCH
Artikelnummer: EB-0603228048-3605500101
nur Informationsartikel
Nie mehr lieferbar
keine Alternativen
Pos.
6
BOSCH Drehfeder | Ersatzteile für PSF 22 | 3604651003
Hersteller: BOSCH
Artikelnummer: EB-0603228048-3604651003
nur Informationsartikel
Nie mehr lieferbar
keine Alternativen
Pos.
7
BOSCH Schwenkachse | Ersatzteile für PSF 22 | 3603120004
Hersteller: BOSCH
Artikelnummer: EB-0603228048-3603120004
nur Informationsartikel
Nie mehr lieferbar
keine Alternativen
Pos.
8
BOSCH Exzenterscheibe | Ersatzteile für PSF 22 | 3602200000
Hersteller: BOSCH
Artikelnummer: EB-0603228048-3602200000
nur Informationsartikel
Nie mehr lieferbar
keine Alternativen
Pos.
9
BOSCH Winkelschraubendreher DIN 911-4 | Ersatzteile für PSF 22 | 2607950004
Hersteller: BOSCH
Artikelnummer: EB-0603228048-2607950004
Netto: 3,94 € zzgl. MwSt.
zzgl. 6,90 € Versand (brutto)
einmalig pro Bestellung

Lieferzeit: 5 Werktage

Pos.
10
BOSCH Druckstück | Ersatzteile für PSF 22 | 3601000002
Hersteller: BOSCH
Artikelnummer: EB-0603228048-3601000002
Netto: 3,60 € zzgl. MwSt.
zzgl. 6,90 € Versand (brutto)
einmalig pro Bestellung

Lieferzeit: 5 Werktage

Pos.
11
BOSCH Parallelanschlag | Ersatzteile für PSF 22 | 3601329004
Hersteller: BOSCH
Artikelnummer: EB-0603228048-3601329004
nur Informationsartikel
Nie mehr lieferbar
keine Alternativen
Pos.
12
BOSCH Rundmutter M14 | Ersatzteile für PSF 22 | 3603340009
Hersteller: BOSCH
Artikelnummer: EB-0603228048-3603340009
nur Informationsartikel
Nie mehr lieferbar
keine Alternativen
Pos.
13
BOSCH Aufnahmeflansch | Ersatzteile für PSF 22 | 3600328032
Hersteller: BOSCH
Artikelnummer: EB-0603228048-3600328032
Netto: 7,66 € zzgl. MwSt.
zzgl. 6,90 € Versand (brutto)
einmalig pro Bestellung

Lieferzeit: 5 Werktage

Pos.
14
BOSCH Rastbolzen | Ersatzteile für PSF 22 | 2602305045
Hersteller: BOSCH
Artikelnummer: EB-0603228048-2602305045
nur Informationsartikel
Nie mehr lieferbar
keine Alternativen
Pos.
15
BOSCH Klebeschild | Ersatzteile für PSF 22 | 3601119024
Hersteller: BOSCH
Artikelnummer: EB-0603228048-3601119024
nur Informationsartikel
Nie mehr lieferbar
keine Alternativen
Pos.
16
BOSCH Firmenschild SCHATTENSEITE | Ersatzteile für PSF 22 | 1601110481
Hersteller: BOSCH
Artikelnummer: EB-0603228048-1601110481
Netto: 4,36 € zzgl. MwSt.
zzgl. 6,90 € Versand (brutto)
einmalig pro Bestellung

Lieferzeit: 5 Werktage

Pos.
17
BOSCH Rändelschraube | Ersatzteile für PSF 22 | 3603490008
Hersteller: BOSCH
Artikelnummer: EB-0603228048-3603490008
nur Informationsartikel
Nie mehr lieferbar
keine Alternativen
Pos.
18
BOSCH Gewindefurchschraube DIN 7500-M5x14MM | Ersatzteile für PSF 22 | 2914455059
Hersteller: BOSCH
Artikelnummer: EB-0603228048-2914455059
nur Informationsartikel
Nie mehr lieferbar
keine Alternativen
Pos.
19
BOSCH Sicherungsscheibe DIN 6799-4-FSt | Ersatzteile für PSF 22 | 2916080007
Hersteller: BOSCH
Artikelnummer: EB-0603228048-2916080007
Netto: 4,56 € zzgl. MwSt.
zzgl. 6,90 € Versand (brutto)
einmalig pro Bestellung

Lieferzeit: 5 Werktage

Pos.
20
BOSCH Druckfeder | Ersatzteile für PSF 22 | 3604611018
Hersteller: BOSCH
Artikelnummer: EB-0603228048-3604611018
nur Informationsartikel
Nie mehr lieferbar
keine Alternativen
Pos.
21
BOSCH Sechskantmutter DIN 934-M 5-m-8 | Ersatzteile für PSF 22 | 2915011006
Hersteller: BOSCH
Artikelnummer: EB-0603228048-2915011006
nur Informationsartikel
Nie mehr lieferbar
keine Alternativen
Pos.
22
BOSCH Flachkopfschraube DIN 85-M6x20-4.8 | Ersatzteile für PSF 22 | 2910095201
Hersteller: BOSCH
Artikelnummer: EB-0603228048-2910095201
nur Informationsartikel
Nie mehr lieferbar
keine Alternativen
Pos.
23
BOSCH Haltestück | Ersatzteile für PSF 22 | 3602380000
Hersteller: BOSCH
Artikelnummer: EB-0603228048-3602380000
Netto: 6,21 € zzgl. MwSt.
zzgl. 6,90 € Versand (brutto)
einmalig pro Bestellung

Lieferzeit: 5 Werktage

Pos.
24
BOSCH Innensechskantschraube DIN 912-M5x12-8.8 | Ersatzteile für PSF 22 | 2910141154
Hersteller: BOSCH
Artikelnummer: EB-0603228048-2910141154
nur Informationsartikel
Nie mehr lieferbar
keine Alternativen
Pos.
25
BOSCH Klemmhalter | Ersatzteile für PSF 22 | 3602012000
Hersteller: BOSCH
Artikelnummer: EB-0603228048-3602012000
Netto: 3,60 € zzgl. MwSt.
zzgl. 6,90 € Versand (brutto)
einmalig pro Bestellung

Lieferzeit: 5 Werktage

Pos.
26
BOSCH Flachkopfschraube DIN 922-M4x3x3-5.8 | Ersatzteile für PSF 22 | 2910271900
Hersteller: BOSCH
Artikelnummer: EB-0603228048-2910271900
nur Informationsartikel
Nie mehr lieferbar
keine Alternativen
Pos.
31
BOSCH Federschiene | Ersatzteile für PSF 22 | 3601251001
Hersteller: BOSCH
Artikelnummer: EB-0603228048-3601251001
nur Informationsartikel
Nie mehr lieferbar
keine Alternativen
Pos.
32
BOSCH Unterlegscheibe DIN 9021-A10,5-ST | Ersatzteile für PSF 22 | 2916015886
Hersteller: BOSCH
Artikelnummer: EB-0603228048-2916015886
nur Informationsartikel
Nie mehr lieferbar
keine Alternativen
Pos.
33
BOSCH Hinweisschild | Ersatzteile für PSF 22 | 3601119063
Hersteller: BOSCH
Artikelnummer: EB-0603228048-3601119063
nur Informationsartikel
Nie mehr lieferbar
keine Alternativen
Pos.
201
BOSCH Motorgehäuse GRUEN | Ersatzteile für PSF 22 | 1605108127
Hersteller: BOSCH
Artikelnummer: EB-0603228048-1605108127
nur Informationsartikel
Nie mehr lieferbar
keine Alternativen
Pos.
202
BOSCH Polschuh 230-240V | Ersatzteile für PSF 22 | 1604220224
Hersteller: BOSCH
Artikelnummer: EB-0603228048-1604220224
nur Informationsartikel
Nie mehr lieferbar
keine Alternativen
Pos.
204
BOSCH Ein/Aus-Schalter | Ersatzteile für PSF 22 | 1607200086
Hersteller: BOSCH
Artikelnummer: EB-0603228048-1607200086
Netto: 9,75 € zzgl. MwSt.
zzgl. 6,90 € Versand (brutto)
einmalig pro Bestellung

Lieferzeit: 5 Werktage

Pos.
206
BOSCH Tülle Ø6,5-Ø6,9x95 MM | Ersatzteile für PSF 22 | 2600703012
Hersteller: BOSCH
Artikelnummer: EB-0603228048-2600703012
Netto: 4,80 € zzgl. MwSt.
zzgl. 6,90 € Versand (brutto)
einmalig pro Bestellung

Lieferzeit: 5 Werktage

Pos.
207
BOSCH Befestigungsschelle | Ersatzteile für PSF 22 | 1601302017
Hersteller: BOSCH
Artikelnummer: EB-0603228048-1601302017
Netto: 3,60 € zzgl. MwSt.
zzgl. 6,90 € Versand (brutto)
einmalig pro Bestellung

Lieferzeit: 5 Werktage

Pos.
209
BOSCH Firmenschild | Ersatzteile für PSF 22 | 1601110480
Hersteller: BOSCH
Artikelnummer: EB-0603228048-1601110480
nur Informationsartikel
Nie mehr lieferbar
keine Alternativen
Pos.
212
BOSCH Entstörfilter | Ersatzteile für PSF 22 | 2607329124
Hersteller: BOSCH
Artikelnummer: EB-0603228048-2607329124
Netto: 9,05 € zzgl. MwSt.
zzgl. 6,90 € Versand (brutto)
einmalig pro Bestellung

Lieferzeit: 5 Werktage

Pos.
213
BOSCH Kugellager 7x19x6 | Ersatzteile für PSF 22 | 2600905032
Hersteller: BOSCH
Artikelnummer: EB-0603228048-2600905032
Netto: 6,27 € zzgl. MwSt.
zzgl. 6,90 € Versand (brutto)
einmalig pro Bestellung

Lieferzeit: 20 Werktage

Pos.
214
BOSCH Rillenkugellager 8x22x7 | Ersatzteile für PSF 22 | 1600905011
Hersteller: BOSCH
Artikelnummer: EB-0603228048-1600905011
Netto: 6,75 € zzgl. MwSt.
zzgl. 6,90 € Versand (brutto)
einmalig pro Bestellung

Lieferzeit: 5 Werktage

Pos.
215
BOSCH Lüfter | Ersatzteile für PSF 22 | 1606610121
Hersteller: BOSCH
Artikelnummer: EB-0603228048-1606610121
Netto: 3,94 € zzgl. MwSt.
zzgl. 6,90 € Versand (brutto)
einmalig pro Bestellung

Lieferzeit: 5 Werktage

Pos.
217
BOSCH Firmenschild | Ersatzteile für PSF 22 | 1601110479
Hersteller: BOSCH
Artikelnummer: EB-0603228048-1601110479
nur Informationsartikel
Nie mehr lieferbar
keine Alternativen
Pos.
218
BOSCH Druckfeder | Ersatzteile für PSF 22 | 1604611026
Hersteller: BOSCH
Artikelnummer: EB-0603228048-1604611026
Netto: 3,60 € zzgl. MwSt.
zzgl. 6,90 € Versand (brutto)
einmalig pro Bestellung

Lieferzeit: 5 Werktage

Pos.
222
BOSCH Verstellschieber | Ersatzteile für PSF 22 | 1602319002
Hersteller: BOSCH
Artikelnummer: EB-0603228048-1602319002
Netto: 4,56 € zzgl. MwSt.
zzgl. 6,90 € Versand (brutto)
einmalig pro Bestellung

Lieferzeit: 5 Werktage

Pos.
223
BOSCH Schaltergriff SCHWARZ | Ersatzteile für PSF 22 | 1602026057
Hersteller: BOSCH
Artikelnummer: EB-0603228048-1602026057
Netto: 3,94 € zzgl. MwSt.
zzgl. 6,90 € Versand (brutto)
einmalig pro Bestellung

Lieferzeit: 5 Werktage

Pos.
225
BOSCH Gehäusedeckel GRUEN | Ersatzteile für PSF 22 | 1600508005
Hersteller: BOSCH
Artikelnummer: EB-0603228048-1600508005
Netto: 4,80 € zzgl. MwSt.
zzgl. 6,90 € Versand (brutto)
einmalig pro Bestellung

Lieferzeit: 5 Werktage

Pos.
226
BOSCH Gummibuchse | Ersatzteile für PSF 22 | 1600502020
Hersteller: BOSCH
Artikelnummer: EB-0603228048-1600502020
Netto: 4,56 € zzgl. MwSt.
zzgl. 6,90 € Versand (brutto)
einmalig pro Bestellung

Lieferzeit: 63 Werktage

Pos.
227
BOSCH Gummiring | Ersatzteile für PSF 22 | 1600206025
Hersteller: BOSCH
Artikelnummer: EB-0603228048-1600206025
Netto: 4,36 € zzgl. MwSt.
zzgl. 6,90 € Versand (brutto)
einmalig pro Bestellung

Lieferzeit: 5 Werktage

Pos.
229
BOSCH Luftleitring | Ersatzteile für PSF 22 | 1601328005
Hersteller: BOSCH
Artikelnummer: EB-0603228048-1601328005
Netto: 4,56 € zzgl. MwSt.
zzgl. 6,90 € Versand (brutto)
einmalig pro Bestellung

Lieferzeit: 5 Werktage

Pos.
231
BOSCH Sicherungsbügel DIN 472-32x1,2 MM | Ersatzteile für PSF 22 | 2916660013
Hersteller: BOSCH
Artikelnummer: EB-0603228048-2916660013
Netto: 4,36 € zzgl. MwSt.
zzgl. 6,90 € Versand (brutto)
einmalig pro Bestellung

Lieferzeit: 5 Werktage

Pos.
233
BOSCH O-Ring 46,0x1,1 MM ROT | Ersatzteile für PSF 22 | 3600210124
Hersteller: BOSCH
Artikelnummer: EB-0603228048-3600210124
Netto: 4,80 € zzgl. MwSt.
zzgl. 6,90 € Versand (brutto)
einmalig pro Bestellung

Lieferzeit: 5 Werktage

Pos.
235
BOSCH Ausgleichscheibe 0,1 MM DICK | Ersatzteile für PSF 22 | 1600136012
Hersteller: BOSCH
Artikelnummer: EB-0603228048-1600136012
Netto: 3,60 € zzgl. MwSt.
zzgl. 6,90 € Versand (brutto)
einmalig pro Bestellung

Lieferzeit: 5 Werktage

Pos.
235
BOSCH Ausgleichscheibe 0,2 MM DICK | Ersatzteile für PSF 22 | 1600136010
Hersteller: BOSCH
Artikelnummer: EB-0603228048-1600136010
Netto: 4,56 € zzgl. MwSt.
zzgl. 6,90 € Versand (brutto)
einmalig pro Bestellung

Lieferzeit: 5 Werktage

Pos.
235
BOSCH Ausgleichscheibe 0,3 MM DICK | Ersatzteile für PSF 22 | 1600136011
Hersteller: BOSCH
Artikelnummer: EB-0603228048-1600136011
Netto: 4,36 € zzgl. MwSt.
zzgl. 6,90 € Versand (brutto)
einmalig pro Bestellung

Lieferzeit: 5 Werktage

Pos.
236
BOSCH Federscheibe | Ersatzteile für PSF 22 | 1600150011
Hersteller: BOSCH
Artikelnummer: EB-0603228048-1600150011
Netto: 3,60 € zzgl. MwSt.
zzgl. 6,90 € Versand (brutto)
einmalig pro Bestellung

Lieferzeit: 5 Werktage

Pos.
237
BOSCH Radial-Wellendichtring | Ersatzteile für PSF 22 | 1600290016
Hersteller: BOSCH
Artikelnummer: EB-0603228048-1600290016
Netto: 4,56 € zzgl. MwSt.
zzgl. 6,90 € Versand (brutto)
einmalig pro Bestellung

Lieferzeit: 5 Werktage

Pos.
238
BOSCH Tellerrad Z=36 | Ersatzteile für PSF 22 | 1606333601
Hersteller: BOSCH
Artikelnummer: EB-0603228048-1606333601
Netto: 7,66 € zzgl. MwSt.
zzgl. 6,90 € Versand (brutto)
einmalig pro Bestellung

Lieferzeit: 5 Werktage

Pos.
239
BOSCH Spiralfeder | Ersatzteile für PSF 22 | 1604652013
Hersteller: BOSCH
Artikelnummer: EB-0603228048-1604652013
Netto: 3,94 € zzgl. MwSt.
zzgl. 6,90 € Versand (brutto)
einmalig pro Bestellung

Lieferzeit: 5 Werktage

Pos.
240
BOSCH Sicherungsring DIN 472-25x1,2MM | Ersatzteile für PSF 22 | 2916660009
Hersteller: BOSCH
Artikelnummer: EB-0603228048-2916660009
Netto: 4,36 € zzgl. MwSt.
zzgl. 6,90 € Versand (brutto)
einmalig pro Bestellung

Lieferzeit: 5 Werktage

Pos.
241
BOSCH Nadelhülse Ø8xØ12x8 MM | Ersatzteile für PSF 22 | 1600910018
Hersteller: BOSCH
Artikelnummer: EB-0603228048-1600910018
Netto: 6,27 € zzgl. MwSt.
zzgl. 6,90 € Versand (brutto)
einmalig pro Bestellung

Lieferzeit: 5 Werktage

Pos.
242
BOSCH Rillenkugellager 12x32x10 | Ersatzteile für PSF 22 | 1600905006
Hersteller: BOSCH
Artikelnummer: EB-0603228048-1600905006
Netto: 10,62 € zzgl. MwSt.
zzgl. 6,90 € Versand (brutto)
einmalig pro Bestellung

Lieferzeit: 5 Werktage

Pos.
243
BOSCH Kegelrad Z=11 | Ersatzteile für PSF 22 | 1606333242
Hersteller: BOSCH
Artikelnummer: EB-0603228048-1606333242
Netto: 42,08 € zzgl. MwSt.
zzgl. 6,90 € Versand (brutto)
einmalig pro Bestellung

Lieferzeit: 5 Werktage

Pos.
245
BOSCH Sechskantmutter M7, SW10 | Ersatzteile für PSF 22 | 1603300016
Hersteller: BOSCH
Artikelnummer: EB-0603228048-1603300016
Netto: 3,94 € zzgl. MwSt.
zzgl. 6,90 € Versand (brutto)
einmalig pro Bestellung

Lieferzeit: 5 Werktage

Pos.
247
BOSCH Blechschraube DIN 7971-ST3,9x13-F | Ersatzteile für PSF 22 | 2910211018
Hersteller: BOSCH
Artikelnummer: EB-0603228048-2910211018
Netto: 3,60 € zzgl. MwSt.
zzgl. 6,90 € Versand (brutto)
einmalig pro Bestellung

Lieferzeit: 5 Werktage

Pos.
248
BOSCH Linsenkopfschraube 3x10 ST | Ersatzteile für PSF 22 | 1613435034
Hersteller: BOSCH
Artikelnummer: EB-0603228048-1613435034
nur Informationsartikel
Nie mehr lieferbar
keine Alternativen
Pos.
249
BOSCH Gewindefurchschraube | Ersatzteile für PSF 22 | 1603435026
Hersteller: BOSCH
Artikelnummer: EB-0603228048-1603435026
Netto: 4,36 € zzgl. MwSt.
zzgl. 6,90 € Versand (brutto)
einmalig pro Bestellung

Lieferzeit: 5 Werktage

Pos.
250
BOSCH Blechschraube DIN 7971-ST3,9x22-F | Ersatzteile für PSF 22 | 2910211021
Hersteller: BOSCH
Artikelnummer: EB-0603228048-2910211021
Netto: 3,94 € zzgl. MwSt.
zzgl. 6,90 € Versand (brutto)
einmalig pro Bestellung

Lieferzeit: 5 Werktage

Pos.
253
BOSCH Verbindungsleitung L=95 MM WEISS | Ersatzteile für PSF 22 | 1604448005
Hersteller: BOSCH
Artikelnummer: EB-0603228048-1604448005
Netto: 4,80 € zzgl. MwSt.
zzgl. 6,90 € Versand (brutto)
einmalig pro Bestellung

Lieferzeit: 5 Werktage

Pos.
254
BOSCH Verbindungsleitung L=40 MM WEISS | Ersatzteile für PSF 22 | 1604448006
Hersteller: BOSCH
Artikelnummer: EB-0603228048-1604448006
Netto: 4,56 € zzgl. MwSt.
zzgl. 6,90 € Versand (brutto)
einmalig pro Bestellung

Lieferzeit: 5 Werktage

Pos.
255
BOSCH Blechschraube DIN7981-ST3,9x22-C-Z | Ersatzteile für PSF 22 | 2912401021
Hersteller: BOSCH
Artikelnummer: EB-0603228048-2912401021
Netto: 3,60 € zzgl. MwSt.
zzgl. 6,90 € Versand (brutto)
einmalig pro Bestellung

Lieferzeit: 5 Werktage

Pos.
295
BOSCH Klebeschild | Ersatzteile für PSF 22 | 1601110265
Hersteller: BOSCH
Artikelnummer: EB-0603228048-1601110265
nur Informationsartikel
Nie mehr lieferbar
keine Alternativen
Pos.
305
BOSCH Hinweisschild | Ersatzteile für PSF 22 | 1601110470
Hersteller: BOSCH
Artikelnummer: EB-0603228048-1601110470
Netto: 3,60 € zzgl. MwSt.
zzgl. 6,90 € Versand (brutto)
einmalig pro Bestellung

Lieferzeit: 5 Werktage

Pos.
307
BOSCH O-Ring 4,5x1,0 MM BLAU | Ersatzteile für PSF 22 | 1600210044
Hersteller: BOSCH
Artikelnummer: EB-0603228048-1600210044
Netto: 3,60 € zzgl. MwSt.
zzgl. 6,90 € Versand (brutto)
einmalig pro Bestellung

Lieferzeit: 5 Werktage

Pos.
650
BOSCH Zusatzhandgriff | Ersatzteile für PSF 22 | 1619P16111
Hersteller: BOSCH
Artikelnummer: EB-0603228048-1619P16111
Netto: 5,17 € zzgl. MwSt.
zzgl. 6,90 € Versand (brutto)
einmalig pro Bestellung

Lieferzeit: 5 Werktage

Pos.
650
BOSCH Zusatzhandgriff M10, Ø32,5x105 MM | Ersatzteile für PSF 22 | 2602025067
Hersteller: BOSCH
Artikelnummer: EB-0603228048-2602025067
nur Informationsartikel
Nie mehr lieferbar
keine Alternativen
Pos.
651
BOSCH Zweilochmutterndreher | Ersatzteile für PSF 22 | 1607950052
Hersteller: BOSCH
Artikelnummer: EB-0603228048-1607950052
Netto: 5,17 € zzgl. MwSt.
zzgl. 6,90 € Versand (brutto)
einmalig pro Bestellung

Lieferzeit: 5 Werktage

Pos.
652
BOSCH Montageblech | Ersatzteile für PSF 22 | 3601012001
Hersteller: BOSCH
Artikelnummer: EB-0603228048-3601012001
Netto: 5,65 € zzgl. MwSt.
zzgl. 6,90 € Versand (brutto)
einmalig pro Bestellung

Lieferzeit: 5 Werktage

Pos.
700
BOSCH Scheibenfräser Z=8 | Ersatzteile für PSF 22 | 3608641008
Hersteller: BOSCH
Artikelnummer: EB-0603228048-3608641008
Netto: 81,52 € zzgl. MwSt.
zzgl. 6,90 € Versand (brutto)
einmalig pro Bestellung

Lieferzeit: 5 Werktage

Pos.
700
BOSCH Scheibenfräser Ø 105x20x2,2 MM, Z=12 | Ersatzteile für PSF 22 | 3608641001
Hersteller: BOSCH
Artikelnummer: EB-0603228048-3608641001
Netto: 60,37 € zzgl. MwSt.
zzgl. 6,90 € Versand (brutto)
einmalig pro Bestellung

Lieferzeit: 5 Werktage

Pos.
700
BOSCH Scheibenfräser Ø 105x20x2,8 MM, Z=22 | Ersatzteile für PSF 22 | 3608641002
Hersteller: BOSCH
Artikelnummer: EB-0603228048-3608641002
Netto: 81,52 € zzgl. MwSt.
zzgl. 6,90 € Versand (brutto)
einmalig pro Bestellung

Lieferzeit: 5 Werktage

Pos.
702
BOSCH Anschlussstutzen Ø 25x35 MM | Ersatzteile für PSF 22 | 1600499005
Hersteller: BOSCH
Artikelnummer: EB-0603228048-1600499005
Netto: 6,75 € zzgl. MwSt.
zzgl. 6,90 € Versand (brutto)
einmalig pro Bestellung

Lieferzeit: 5 Werktage

Pos.
703
BOSCH Teilesatz | Ersatzteile für PSF 22 | 3607030020
Hersteller: BOSCH
Artikelnummer: EB-0603228048-3607030020
nur Informationsartikel
Nie mehr lieferbar
keine Alternativen
Pos.
704
BOSCH Staubbeutel | Ersatzteile für PSF 22 | 1605411028
Hersteller: BOSCH
Artikelnummer: EB-0603228048-2605411011
Netto: 29,68 € zzgl. MwSt.
zzgl. 6,90 € Versand (brutto)
einmalig pro Bestellung

Lieferzeit: 5 Werktage

Pos.
810
BOSCH Kohlebürstensatz | Ersatzteile für PSF 22 | 1607014116
Hersteller: BOSCH
Artikelnummer: EB-0603228048-1607014116
Netto: 9,75 € zzgl. MwSt.
zzgl. 6,90 € Versand (brutto)
einmalig pro Bestellung

Lieferzeit: 5 Werktage

Pos.
813
BOSCH Druckknopf SCHWARZ | Ersatzteile für PSF 22 | 1607000253
Hersteller: BOSCH
Artikelnummer: EB-0603228048-1607000253
Netto: 4,36 € zzgl. MwSt.
zzgl. 6,90 € Versand (brutto)
einmalig pro Bestellung

Lieferzeit: 5 Werktage

Pos.
816
BOSCH Bürstenhalter | Ersatzteile für PSF 22 | 1600A003G4
Hersteller: BOSCH
Artikelnummer: EB-0603228048-1600A003G4
Netto: 5,17 € zzgl. MwSt.
zzgl. 6,90 € Versand (brutto)
einmalig pro Bestellung

Lieferzeit: 5 Werktage

Pos.
821
BOSCH Getriebegehäuse | Ersatzteile für PSF 22 | 1605806480
Hersteller: BOSCH
Artikelnummer: EB-0603228048-1605806480
Netto: 42,08 € zzgl. MwSt.
zzgl. 6,90 € Versand (brutto)
einmalig pro Bestellung

Lieferzeit: 5 Werktage

Pos.
828
BOSCH Ersatzteilgruppe | Ersatzteile für PSF 22 | 1607000937
Hersteller: BOSCH
Artikelnummer: EB-0603228048-1607000937
nur Informationsartikel
Nie mehr lieferbar
keine Alternativen
Pos.
830
BOSCH Anker Mit Lüfter 230-240V | Ersatzteile für PSF 22 | 1604010259
Hersteller: BOSCH
Artikelnummer: EB-0603228048-1604010259
nur Informationsartikel
Nie mehr lieferbar
keine Alternativen
Pos.
835
BOSCH Netzanschlussleitung EU 230V 4,15m 2 x 1,0mm H05 RN-F | Ersatzteile für PSF 22 | 1607000386
Hersteller: BOSCH
Artikelnummer: EB-0603228048-1607000386
Netto: 16,70 € zzgl. MwSt.
zzgl. 6,90 € Versand (brutto)
einmalig pro Bestellung

Lieferzeit: 5 Werktage

Pos.
888
BOSCH Typschild | Ersatzteile für PSF 22 | 160111A3H3
Hersteller: BOSCH
Artikelnummer: EB-0603228048-160111A3H3
Netto: 4,56 € zzgl. MwSt.
zzgl. 6,90 € Versand (brutto)
einmalig pro Bestellung

Lieferzeit: 5 Werktage

Angaben zur Produktsicherheit

Hersteller:
Robert Bosch Power Tools GmbH
Postfach 30 02 20
70442 Stuttgart

E-Mail:
kontakt@bosch.de