BOSCH Gummipuffer | Ersatzteile für PSS 240 A | 2609000549

Artikelnummer: EB-0603368081-2609000549

Position: 28

Marke: BOSCH


Bitte Kompatibilität prüfen!

Bitte prüfen Sie unbedingt die 10-stellige Typennummer Ihrer Maschine / Ihres Gerätes. Das Ersatzteil ist nur kompatibel, wenn Sie die Typennummer Ihrer Maschine in der unten stehenden Produktbeschreibung finden.

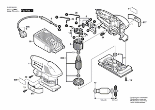
Bitte prüfen Sie ebenfalls detailliert die Explosionszeichnung mit Ihrem Artikelwunsch und der jeweiligen Pos-Nummer.

Alle Elemente, welche vom schwarzen Strich der Pos-Nummer ausgehend berührt / erfasst werden, gehören zu dieser Pos-Nummer und somit zu diesem Artikel. Jede Pos-Nummer ist ein eigenständiger Artikel, welchen Sie in der Auflistung finden.

Sie erhalten stets die aktuellste, neueste Produktversion zu der gewählten Pos-Nummer seitens des Herstellers. Es kann daher je nach Gerätealter vorkommen, dass Sie ggf. weitere, zugehörige Elemente, welche an diese Pos-Nummer grenzen, ebenfalls mittauschen müssen.

Nähere Informationen finden Sie unter dem Link
Hinweise zu Ihrer BOSCH Ersatzteilsuche

Preisübersicht

Einzelpreis: 3,63 €* (Brutto: 4,32 €)
Gesamtpreis: 3,63 €* 
Position:

Lieferzeit: 5 Werktage


Beschreibung

  • Gummipuffer
  • Original Bosch Zubehör / BOSCH Ersatzteil (2609000549)
  • im Gerät verbaut: 1
Dieses BOSCH Ersatzteil ist mit folgendem Gerät und Modell kompatibel:
  • BOSCH Gerätename: PSS 240 A
  • BOSCH Explosionszeichnung: Position 28
  • BOSCH Typennummer: 0603368081
  • BOSCH Typennummer alternative Schreibweisen: 0 603 368 081, 0603 368 081, 0.603.368.081, 0-603-368-081
    Bitte prüfen Sie diese Typennummer auf Ihrem Gerät um die Kompatibilität des BOSCH Ersatzteils zu gewährleisten.
Weitere BOSCH Ersatzteile des Gerätes PSS 240 A (Schwingschleifer) mit der Typennummer 0603368081 finden Sie in der nachfolgenden Darstellung und im Dropdown zu Ihrer Auswahl:

Pos.
1
BOSCH Gehäuseschale GRUEN | Ersatzteile für PSS 240 A | 2605104641
Hersteller: BOSCH
Artikelnummer: EB-0603368081-2605104641
nur Informationsartikel
Nie mehr lieferbar
keine Alternativen
Pos.
2
BOSCH Polschuh 220-240V | Ersatzteile für PSS 240 A | 2604220636
Hersteller: BOSCH
Artikelnummer: EB-0603368081-2604220636
Netto: 15,75 € zzgl. MwSt.
zzgl. 6,90 € Versand (brutto)
einmalig pro Bestellung

Lieferzeit: 5 Werktage

Pos.
4
BOSCH Schalter | Ersatzteile für PSS 240 A | 2607200526
Hersteller: BOSCH
Artikelnummer: EB-0603368081-2607200526
nur Informationsartikel
Nie mehr lieferbar
keine Alternativen
Pos.
5
BOSCH Netzanschlussleitung CH 2,65m 2 x 0,75mm H05 VV-F | Ersatzteile für PSS 240 A | 1604460433
Hersteller: BOSCH
Artikelnummer: EB-0603368081-1604460433
nur Informationsartikel
Nie mehr lieferbar
keine Alternativen
Pos.
6
BOSCH Tülle | Ersatzteile für PSS 240 A | 2609002019
Hersteller: BOSCH
Artikelnummer: EB-0603368081-2609002019
Netto: 4,53 € zzgl. MwSt.
zzgl. 6,90 € Versand (brutto)
einmalig pro Bestellung

Lieferzeit: 5 Werktage

Pos.
7
BOSCH Torx-Linsenschraube 3x10 | Ersatzteile für PSS 240 A | 2603490017
Hersteller: BOSCH
Artikelnummer: EB-0603368081-2603490017
Netto: 4,32 € zzgl. MwSt.
zzgl. 6,90 € Versand (brutto)
einmalig pro Bestellung

Lieferzeit: 5 Werktage

Pos.
9
BOSCH Firmenschild | Ersatzteile für PSS 240 A | 2601119893
Hersteller: BOSCH
Artikelnummer: EB-0603368081-2601119893
Netto: 5,17 € zzgl. MwSt.
zzgl. 6,90 € Versand (brutto)
einmalig pro Bestellung

Lieferzeit: 5 Werktage

Pos.
10
BOSCH Bürstenplatte | Ersatzteile für PSS 240 A | 2604337088
Hersteller: BOSCH
Artikelnummer: EB-0603368081-2604337088
Netto: 9,95 € zzgl. MwSt.
zzgl. 6,90 € Versand (brutto)
einmalig pro Bestellung

Lieferzeit: 5 Werktage

Pos.
13
BOSCH Rillenkugellager | Ersatzteile für PSS 240 A | 2600905078
Hersteller: BOSCH
Artikelnummer: EB-0603368081-2600905078
Netto: 7,30 € zzgl. MwSt.
zzgl. 6,90 € Versand (brutto)
einmalig pro Bestellung

Lieferzeit: 5 Werktage

Pos.
15
BOSCH Lüfter | Ersatzteile für PSS 240 A | 2606610095
Hersteller: BOSCH
Artikelnummer: EB-0603368081-2606610095
nur Informationsartikel
Nie mehr lieferbar
keine Alternativen
Pos.
19
BOSCH Schraube 4x16 | Ersatzteile für PSS 240 A | 2603490022
Hersteller: BOSCH
Artikelnummer: EB-0603368081-2603490022
Netto: 3,63 € zzgl. MwSt.
zzgl. 6,90 € Versand (brutto)
einmalig pro Bestellung

Lieferzeit: 5 Werktage

Pos.
21
BOSCH Schleifplatte | Ersatzteile für PSS 240 A | 2608000230
Hersteller: BOSCH
Artikelnummer: EB-0603368081-2608000230
nur Informationsartikel
Nie mehr lieferbar
keine Alternativen
Pos.
24
BOSCH Dichtring | Ersatzteile für PSS 240 A | 2600290039
Hersteller: BOSCH
Artikelnummer: EB-0603368081-2600290039
Netto: 3,63 € zzgl. MwSt.
zzgl. 6,90 € Versand (brutto)
einmalig pro Bestellung

Lieferzeit: 5 Werktage

Pos.
25
BOSCH Verbindungsleitung L=160 MM BLAU | Ersatzteile für PSS 240 A | 2604448247
Hersteller: BOSCH
Artikelnummer: EB-0603368081-2604448247
nur Informationsartikel
Nie mehr lieferbar
keine Alternativen
Pos.
26
BOSCH Verbindungskabel L=63 MM WEISS | Ersatzteile für PSS 240 A | 3604440527
Hersteller: BOSCH
Artikelnummer: EB-0603368081-3604440527
Netto: 3,60 € zzgl. MwSt.
zzgl. 6,90 € Versand (brutto)
einmalig pro Bestellung

Lieferzeit: 5 Werktage

Pos.
28
BOSCH Gummipuffer | Ersatzteile für PSS 240 A | 2609000549
Hersteller: BOSCH
Artikelnummer: EB-0603368081-2609000549
Netto: 3,63 € zzgl. MwSt.
zzgl. 6,90 € Versand (brutto)
einmalig pro Bestellung

Lieferzeit: 5 Werktage

Pos.
50
BOSCH Staubbehaelter | Ersatzteile für PSS 240 A | 2605411121
Hersteller: BOSCH
Artikelnummer: EB-0603368081-2605411121
nur Informationsartikel
Nie mehr lieferbar
keine Alternativen
Pos.
803
BOSCH Anker 220-240V | Ersatzteile für PSS 240 A | 2604010974
Hersteller: BOSCH
Artikelnummer: EB-0603368081-2604010974
nur Informationsartikel
Nie mehr lieferbar
keine Alternativen
Pos.
808
BOSCH Typschild | Ersatzteile für PSS 240 A | 2601116610
Hersteller: BOSCH
Artikelnummer: EB-0603368081-2601116610
nur Informationsartikel
Nie mehr lieferbar
keine Alternativen
Pos.
811
BOSCH Kohlebürstensatz | Ersatzteile für PSS 240 A | 2604321925
Hersteller: BOSCH
Artikelnummer: EB-0603368081-2604321925
Netto: 8,33 € zzgl. MwSt.
zzgl. 6,90 € Versand (brutto)
einmalig pro Bestellung

Lieferzeit: 5 Werktage

Pos.
817
BOSCH Abdeckblende | Ersatzteile für PSS 240 A | 2605500910
Hersteller: BOSCH
Artikelnummer: EB-0603368081-2605500910
nur Informationsartikel
Nie mehr lieferbar
keine Alternativen
Pos.
819
BOSCH Rillenkugellager 12x28x8 | Ersatzteile für PSS 240 A | 2600905045
Hersteller: BOSCH
Artikelnummer: EB-0603368081-2600905045
Netto: 14,36 € zzgl. MwSt.
zzgl. 6,90 € Versand (brutto)
einmalig pro Bestellung

Lieferzeit: 5 Werktage

Angaben zur Produktsicherheit

Hersteller:
Robert Bosch Power Tools GmbH
Postfach 30 02 20
70442 Stuttgart

E-Mail:
kontakt@bosch.de