BOSCH Nadelhülse | Ersatzteile für PST 14,4 V | 2600914022

Artikelnummer: EB-0603384420-2600914022

Position: 29

Marke: BOSCH


Bitte Kompatibilität prüfen!

Bitte prüfen Sie unbedingt die 10-stellige Typennummer Ihrer Maschine / Ihres Gerätes. Das Ersatzteil ist nur kompatibel, wenn Sie die Typennummer Ihrer Maschine in der unten stehenden Produktbeschreibung finden.

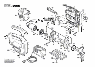
Bitte prüfen Sie ebenfalls detailliert die Explosionszeichnung mit Ihrem Artikelwunsch und der jeweiligen Pos-Nummer.

Alle Elemente, welche vom schwarzen Strich der Pos-Nummer ausgehend berührt / erfasst werden, gehören zu dieser Pos-Nummer und somit zu diesem Artikel. Jede Pos-Nummer ist ein eigenständiger Artikel, welchen Sie in der Auflistung finden.

Sie erhalten stets die aktuellste, neueste Produktversion zu der gewählten Pos-Nummer seitens des Herstellers. Es kann daher je nach Gerätealter vorkommen, dass Sie ggf. weitere, zugehörige Elemente, welche an diese Pos-Nummer grenzen, ebenfalls mittauschen müssen.

Nähere Informationen finden Sie unter dem Link
Hinweise zu Ihrer BOSCH Ersatzteilsuche

Preisübersicht

Einzelpreis: 7,26 €* (Brutto: 8,64 €)
Gesamtpreis: 7,26 €* 
Position:

Lieferzeit: 5 Werktage


Beschreibung

  • Nadelhülse
  • Original Bosch Zubehör / BOSCH Ersatzteil (2600914022)
  • im Gerät verbaut: 1
Dieses BOSCH Ersatzteil ist mit folgendem Gerät und Modell kompatibel:
  • BOSCH Gerätename: PST 14,4 V
  • BOSCH Explosionszeichnung: Position 29
  • BOSCH Typennummer: 0603384420
  • BOSCH Typennummer alternative Schreibweisen: 0 603 384 420, 0603 384 420, 0.603.384.420, 0-603-384-420
    Bitte prüfen Sie diese Typennummer auf Ihrem Gerät um die Kompatibilität des BOSCH Ersatzteils zu gewährleisten.
Weitere BOSCH Ersatzteile des Gerätes PST 14,4 V (Akku-Stichsäge) mit der Typennummer 0603384420 finden Sie in der nachfolgenden Darstellung und im Dropdown zu Ihrer Auswahl:

Pos.
1
BOSCH Gehäuseschale | Ersatzteile für PST 14,4 V | 2605105017
Hersteller: BOSCH
Artikelnummer: EB-0603384420-2605105017
nur Informationsartikel
Nie mehr lieferbar
keine Alternativen
Pos.
5
BOSCH Sperrhebel | Ersatzteile für PST 14,4 V | 2601099120
Hersteller: BOSCH
Artikelnummer: EB-0603384420-2601099120
Netto: 4,36 € zzgl. MwSt.
zzgl. 6,90 € Versand (brutto)
einmalig pro Bestellung

Lieferzeit: 5 Werktage

Pos.
13
BOSCH Rillenkugellager 9x24x7 MM | Ersatzteile für PST 14,4 V | 3600905039
Hersteller: BOSCH
Artikelnummer: EB-0603384420-3600905039
Netto: 10,62 € zzgl. MwSt.
zzgl. 6,90 € Versand (brutto)
einmalig pro Bestellung

Lieferzeit: 5 Werktage

Pos.
25
BOSCH Lagerbolzen | Ersatzteile für PST 14,4 V | 2603105080
Hersteller: BOSCH
Artikelnummer: EB-0603384420-2603105080
Netto: 4,56 € zzgl. MwSt.
zzgl. 6,90 € Versand (brutto)
einmalig pro Bestellung

Lieferzeit: 5 Werktage

Pos.
29
BOSCH Nadelhülse | Ersatzteile für PST 14,4 V | 2600914022
Hersteller: BOSCH
Artikelnummer: EB-0603384420-2600914022
Netto: 7,26 € zzgl. MwSt.
zzgl. 6,90 € Versand (brutto)
einmalig pro Bestellung

Lieferzeit: 5 Werktage

Pos.
30
BOSCH Ausgleichscheibe 0,5 MM | Ersatzteile für PST 14,4 V | 2600101048
Hersteller: BOSCH
Artikelnummer: EB-0603384420-2600101048
Netto: 3,94 € zzgl. MwSt.
zzgl. 6,90 € Versand (brutto)
einmalig pro Bestellung

Lieferzeit: 5 Werktage

Pos.
32
BOSCH Ausgleichscheibe 0,5 MM | Ersatzteile für PST 14,4 V | 2600101077
Hersteller: BOSCH
Artikelnummer: EB-0603384420-2600101077
Netto: 3,94 € zzgl. MwSt.
zzgl. 6,90 € Versand (brutto)
einmalig pro Bestellung

Lieferzeit: 5 Werktage

Pos.
33
BOSCH Gabelhebel | Ersatzteile für PST 14,4 V | 2601923012
Hersteller: BOSCH
Artikelnummer: EB-0603384420-2601923012
Netto: 5,65 € zzgl. MwSt.
zzgl. 6,90 € Versand (brutto)
einmalig pro Bestellung

Lieferzeit: 5 Werktage

Pos.
35
BOSCH Lagerbolzen | Ersatzteile für PST 14,4 V | 2603105091
Hersteller: BOSCH
Artikelnummer: EB-0603384420-2603105091
Netto: 4,56 € zzgl. MwSt.
zzgl. 6,90 € Versand (brutto)
einmalig pro Bestellung

Lieferzeit: 5 Werktage

Pos.
36
BOSCH Ausgleichscheibe 0,5 MM | Ersatzteile für PST 14,4 V | 2600100588
Hersteller: BOSCH
Artikelnummer: EB-0603384420-2600100588
Netto: 3,94 € zzgl. MwSt.
zzgl. 6,90 € Versand (brutto)
einmalig pro Bestellung

Lieferzeit: 5 Werktage

Pos.
37
BOSCH Ausgleichgewicht | Ersatzteile für PST 14,4 V | 2601098098
Hersteller: BOSCH
Artikelnummer: EB-0603384420-2601098098
Netto: 9,05 € zzgl. MwSt.
zzgl. 6,90 € Versand (brutto)
einmalig pro Bestellung

Lieferzeit: 5 Werktage

Pos.
38
BOSCH Nadelrolle 4x15,8 MM | Ersatzteile für PST 14,4 V | 1903201054
Hersteller: BOSCH
Artikelnummer: EB-0603384420-1903201054
Netto: 3,60 € zzgl. MwSt.
zzgl. 6,90 € Versand (brutto)
einmalig pro Bestellung

Lieferzeit: 5 Werktage

Pos.
41
BOSCH Gleitlager | Ersatzteile für PST 14,4 V | 2605801038
Hersteller: BOSCH
Artikelnummer: EB-0603384420-2605801038
Netto: 6,27 € zzgl. MwSt.
zzgl. 6,90 € Versand (brutto)
einmalig pro Bestellung

Lieferzeit: 5 Werktage

Pos.
43
BOSCH Nadelrolle | Ersatzteile für PST 14,4 V | 2603201089
Hersteller: BOSCH
Artikelnummer: EB-0603384420-2603201089
Netto: 6,75 € zzgl. MwSt.
zzgl. 6,90 € Versand (brutto)
einmalig pro Bestellung

Lieferzeit: 5 Werktage

Pos.
44
BOSCH Lagerbolzen | Ersatzteile für PST 14,4 V | 2603105084
Hersteller: BOSCH
Artikelnummer: EB-0603384420-2603105084
Netto: 4,36 € zzgl. MwSt.
zzgl. 6,90 € Versand (brutto)
einmalig pro Bestellung

Lieferzeit: 5 Werktage

Pos.
46
BOSCH Profilleiste | Ersatzteile für PST 14,4 V | 2602317037
Hersteller: BOSCH
Artikelnummer: EB-0603384420-2602317037
nur Informationsartikel
Nie mehr lieferbar
keine Alternativen
Pos.
47
BOSCH Befestigungsplatte | Ersatzteile für PST 14,4 V | 2600040003
Hersteller: BOSCH
Artikelnummer: EB-0603384420-2600040003
Netto: 4,36 € zzgl. MwSt.
zzgl. 6,90 € Versand (brutto)
einmalig pro Bestellung

Lieferzeit: 5 Werktage

Pos.
48
BOSCH Zylinderschraube | Ersatzteile für PST 14,4 V | 2603413034
Hersteller: BOSCH
Artikelnummer: EB-0603384420-2603413034
Netto: 3,94 € zzgl. MwSt.
zzgl. 6,90 € Versand (brutto)
einmalig pro Bestellung

Lieferzeit: 5 Werktage

Pos.
59
BOSCH Zylinderstift DIN 6325-4m6x20 | Ersatzteile für PST 14,4 V | 2609002725
Hersteller: BOSCH
Artikelnummer: EB-0603384420-2609002725
nur Informationsartikel
Nie mehr lieferbar
keine Alternativen
Pos.
60
BOSCH Abdichtplatte | Ersatzteile für PST 14,4 V | 2601015077
Hersteller: BOSCH
Artikelnummer: EB-0603384420-2601015077
Netto: 3,94 € zzgl. MwSt.
zzgl. 6,90 € Versand (brutto)
einmalig pro Bestellung

Lieferzeit: 5 Werktage

Pos.
62
BOSCH Umschalter 100-240V | Ersatzteile für PST 14,4 V | 2602026090
Hersteller: BOSCH
Artikelnummer: EB-0603384420-2602026090
Netto: 3,60 € zzgl. MwSt.
zzgl. 6,90 € Versand (brutto)
einmalig pro Bestellung

Lieferzeit: 5 Werktage

Pos.
63
BOSCH Schaltwelle | Ersatzteile für PST 14,4 V | 2603124125
Hersteller: BOSCH
Artikelnummer: EB-0603384420-2603124125
Netto: 4,45 € zzgl. MwSt.
zzgl. 6,90 € Versand (brutto)
einmalig pro Bestellung

Lieferzeit: 5 Werktage

Pos.
64
BOSCH Rastkappe | Ersatzteile für PST 14,4 V | 2600590006
Hersteller: BOSCH
Artikelnummer: EB-0603384420-2600590006
Netto: 3,94 € zzgl. MwSt.
zzgl. 6,90 € Versand (brutto)
einmalig pro Bestellung

Lieferzeit: 5 Werktage

Pos.
68
BOSCH Torx-Linsenschraube 3x18 | Ersatzteile für PST 14,4 V | 2603490018
Hersteller: BOSCH
Artikelnummer: EB-0603384420-2603490018
Netto: 3,60 € zzgl. MwSt.
zzgl. 6,90 € Versand (brutto)
einmalig pro Bestellung

Lieferzeit: 5 Werktage

Pos.
69
BOSCH Torx-Linsenschraube 4x16 | Ersatzteile für PST 14,4 V | 2603490022
Hersteller: BOSCH
Artikelnummer: EB-0603384420-2603490022
Netto: 3,60 € zzgl. MwSt.
zzgl. 6,90 € Versand (brutto)
einmalig pro Bestellung

Lieferzeit: 5 Werktage

Pos.
78
BOSCH Sicherungsstift | Ersatzteile für PST 14,4 V | 2603105088
Hersteller: BOSCH
Artikelnummer: EB-0603384420-2603105088
Netto: 3,60 € zzgl. MwSt.
zzgl. 6,90 € Versand (brutto)
einmalig pro Bestellung

Lieferzeit: 5 Werktage

Pos.
93
BOSCH Einschub-Akkupaket 14,4V, 2,0Ah, NiMH | Ersatzteile für PST 14,4 V | 2607335699
Hersteller: BOSCH
Artikelnummer: EB-0603384420-2607335699
nur Informationsartikel
Nie mehr lieferbar
keine Alternativen
Pos.
113
BOSCH Kupplungshälfte | Ersatzteile für PST 14,4 V | 2606445016
Hersteller: BOSCH
Artikelnummer: EB-0603384420-2606445016
Netto: 13,81 € zzgl. MwSt.
zzgl. 6,90 € Versand (brutto)
einmalig pro Bestellung

Lieferzeit: 5 Werktage

Pos.
653
BOSCH Schnell-Lader AUS 240/7,2-14,4V, 1h | Ersatzteile für PST 14,4 V | 2607224443
Hersteller: BOSCH
Artikelnummer: EB-0603384420-2607224443
nur Informationsartikel
Nie mehr lieferbar
keine Alternativen
Pos.
653
BOSCH Schnell-Lader EU 230/7,2-14,4V, 30 MIN. | Ersatzteile für PST 14,4 V | 2607224701
Hersteller: BOSCH
Artikelnummer: EB-0603384420-2607224701
Netto: 99,94 € zzgl. MwSt.
zzgl. 6,90 € Versand (brutto)
einmalig pro Bestellung

Lieferzeit: 5 Werktage

Pos.
653
BOSCH Schnell-Lader EU 230/7,2-24V, 1h | Ersatzteile für PST 14,4 V | 2607224425
Hersteller: BOSCH
Artikelnummer: EB-0603384420-2607224425
nur Informationsartikel
Nie mehr lieferbar
keine Alternativen
Pos.
653
BOSCH Schnell-Lader GB 230/7,2-14,4V, 1h | Ersatzteile für PST 14,4 V | 2607224393
Hersteller: BOSCH
Artikelnummer: EB-0603384420-2607224393
nur Informationsartikel
Nie mehr lieferbar
keine Alternativen
Pos.
653
BOSCH Schnell-Lader J 100/7,2-14,4V, 1h | Ersatzteile für PST 14,4 V | 2607224399
Hersteller: BOSCH
Artikelnummer: EB-0603384420-2607224399
nur Informationsartikel
Nie mehr lieferbar
keine Alternativen
Pos.
804
BOSCH Ein/Aus-Schalter | Ersatzteile für PST 14,4 V | 2607200472
Hersteller: BOSCH
Artikelnummer: EB-0603384420-2607200472
Netto: 15,15 € zzgl. MwSt.
zzgl. 6,90 € Versand (brutto)
einmalig pro Bestellung

Lieferzeit: 5 Werktage

Pos.
826
BOSCH Lagerbrücke | Ersatzteile für PST 14,4 V | 2605807936
Hersteller: BOSCH
Artikelnummer: EB-0603384420-2605807936
Netto: 15,85 € zzgl. MwSt.
zzgl. 6,90 € Versand (brutto)
einmalig pro Bestellung

Lieferzeit: 5 Werktage

Pos.
834
BOSCH Sicherungsring DIN 471-4x0,4-FSt | Ersatzteile für PST 14,4 V | 2916640001
Hersteller: BOSCH
Artikelnummer: EB-0603384420-2916640001
Netto: 3,60 € zzgl. MwSt.
zzgl. 6,90 € Versand (brutto)
einmalig pro Bestellung

Lieferzeit: 5 Werktage

Pos.
839
BOSCH Sicherungsring DIN 471-8x0,8 FSt | Ersatzteile für PST 14,4 V | 2916640005
Hersteller: BOSCH
Artikelnummer: EB-0603384420-2916640005
nur Informationsartikel
Nie mehr lieferbar
keine Alternativen
Pos.
891
BOSCH Kreuzschlitzschraube M3x5 | Ersatzteile für PST 14,4 V | 2603410046
Hersteller: BOSCH
Artikelnummer: EB-0603384420-2603410046
Netto: 4,36 € zzgl. MwSt.
zzgl. 6,90 € Versand (brutto)
einmalig pro Bestellung

Lieferzeit: 5 Werktage

Pos.
40
BOSCH Hubstange | Ersatzteile für PST 14,4 V | 2600780147
Hersteller: BOSCH
Artikelnummer: EB-0603384420-2600780147
nur Informationsartikel
Nie mehr lieferbar
keine Alternativen
Pos.
42
BOSCH Druckfeder | Ersatzteile für PST 14,4 V | 160461201E
Hersteller: BOSCH
Artikelnummer: EB-0603384420-160461201E
Netto: 3,94 € zzgl. MwSt.
zzgl. 6,90 € Versand (brutto)
einmalig pro Bestellung

Lieferzeit: 5 Werktage

Pos.
45
BOSCH Fussplatte | Ersatzteile für PST 14,4 V | 2601016080
Hersteller: BOSCH
Artikelnummer: EB-0603384420-2601016080
nur Informationsartikel
Nie mehr lieferbar
keine Alternativen
Pos.
58
BOSCH Rollenhebel | Ersatzteile für PST 14,4 V | 2601321051
Hersteller: BOSCH
Artikelnummer: EB-0603384420-2601321051
nur Informationsartikel
Nie mehr lieferbar
keine Alternativen
Pos.
65
BOSCH Rastelement | Ersatzteile für PST 14,4 V | 2601038111
Hersteller: BOSCH
Artikelnummer: EB-0603384420-2601038111
nur Informationsartikel
Nie mehr lieferbar
keine Alternativen
Pos.
71
BOSCH Griffschale | Ersatzteile für PST 14,4 V | 2608040197
Hersteller: BOSCH
Artikelnummer: EB-0603384420-2608040197
nur Informationsartikel
Nie mehr lieferbar
keine Alternativen
Pos.
93
BOSCH Einschub-Akkupaket | Ersatzteile für PST 14,4 V | 2607335275
Hersteller: BOSCH
Artikelnummer: EB-0603384420-2607335275
nur Informationsartikel
Nie mehr lieferbar
keine Alternativen
Pos.
111
BOSCH Sägeblattdepot | Ersatzteile für PST 14,4 V | 2608040199
Hersteller: BOSCH
Artikelnummer: EB-0603384420-2608040199
nur Informationsartikel
Nie mehr lieferbar
keine Alternativen
Pos.
117
BOSCH Haltefeder | Ersatzteile für PST 14,4 V | 2604690024
Hersteller: BOSCH
Artikelnummer: EB-0603384420-2604690024
nur Informationsartikel
Nie mehr lieferbar
keine Alternativen
Pos.
118
BOSCH Niederhalter | Ersatzteile für PST 14,4 V | 2604690025
Hersteller: BOSCH
Artikelnummer: EB-0603384420-2604690025
nur Informationsartikel
Nie mehr lieferbar
keine Alternativen
Pos.
802
BOSCH Gleichstrommotor | Ersatzteile für PST 14,4 V | 2607022878
Hersteller: BOSCH
Artikelnummer: EB-0603384420-2607022878
nur Informationsartikel
Nie mehr lieferbar
keine Alternativen
Pos.
808
BOSCH Hinweisschild | Ersatzteile für PST 14,4 V | 2601116134
Hersteller: BOSCH
Artikelnummer: EB-0603384420-2601116134
nur Informationsartikel
Nie mehr lieferbar
keine Alternativen
Pos.
809
BOSCH Firmenschild | Ersatzteile für PST 14,4 V | 2601116133
Hersteller: BOSCH
Artikelnummer: EB-0603384420-2601116133
nur Informationsartikel
Nie mehr lieferbar
keine Alternativen
Pos.
827
BOSCH Exzenterzahnrad | Ersatzteile für PST 14,4 V | 2606320904
Hersteller: BOSCH
Artikelnummer: EB-0603384420-2606320904
nur Informationsartikel
Nie mehr lieferbar
keine Alternativen

Angaben zur Produktsicherheit

Hersteller:
Robert Bosch Power Tools GmbH
Postfach 30 02 20
70442 Stuttgart

E-Mail:
kontakt@bosch.de