BOSCH Schmierfilz | Ersatzteile für PST 53 AE | 2603239006

Artikelnummer: EB-0603229842-2603239006

Position: 36

Marke: BOSCH


Bitte Kompatibilität prüfen!

Bitte prüfen Sie unbedingt die 10-stellige Typennummer Ihrer Maschine / Ihres Gerätes. Das Ersatzteil ist nur kompatibel, wenn Sie die Typennummer Ihrer Maschine in der unten stehenden Produktbeschreibung finden.

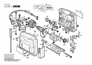
Bitte prüfen Sie ebenfalls detailliert die Explosionszeichnung mit Ihrem Artikelwunsch und der jeweiligen Pos-Nummer.

Alle Elemente, welche vom schwarzen Strich der Pos-Nummer ausgehend berührt / erfasst werden, gehören zu dieser Pos-Nummer und somit zu diesem Artikel. Jede Pos-Nummer ist ein eigenständiger Artikel, welchen Sie in der Auflistung finden.

Sie erhalten stets die aktuellste, neueste Produktversion zu der gewählten Pos-Nummer seitens des Herstellers. Es kann daher je nach Gerätealter vorkommen, dass Sie ggf. weitere, zugehörige Elemente, welche an diese Pos-Nummer grenzen, ebenfalls mittauschen müssen.

Nähere Informationen finden Sie unter dem Link
Hinweise zu Ihrer BOSCH Ersatzteilsuche

Preisübersicht

Einzelpreis: 3,95 €* (Brutto: 4,70 €)
Gesamtpreis: 3,95 €* 
Position:

Lieferzeit: 5 Werktage


Beschreibung

  • Schmierfilz
  • Original Bosch Zubehör / BOSCH Ersatzteil (2603239006)
  • im Gerät verbaut: 1
Dieses BOSCH Ersatzteil ist mit folgendem Gerät und Modell kompatibel:
  • BOSCH Gerätename: PST 53 AE
  • BOSCH Explosionszeichnung: Position 36
  • BOSCH Typennummer: 0603229842
  • BOSCH Typennummer alternative Schreibweisen: 0 603 229 842, 0603 229 842, 0.603.229.842, 0-603-229-842
    Bitte prüfen Sie diese Typennummer auf Ihrem Gerät um die Kompatibilität des BOSCH Ersatzteils zu gewährleisten.
Weitere BOSCH Ersatzteile des Gerätes PST 53 AE (Stichsäge) mit der Typennummer 0603229842 finden Sie in der nachfolgenden Darstellung und im Dropdown zu Ihrer Auswahl:

Pos.
1
BOSCH Gehäuseschale GRUEN | Ersatzteile für PST 53 AE | 2605104526
Hersteller: BOSCH
Artikelnummer: EB-0603229842-2605104526
Netto: 17,03 € zzgl. MwSt.
zzgl. 6,90 € Versand (brutto)
einmalig pro Bestellung

Lieferzeit: 5 Werktage

Pos.
3/60
BOSCH Lüfter | Ersatzteile für PST 53 AE | 1606610116
Hersteller: BOSCH
Artikelnummer: EB-0603229842-1606610116
Netto: 5,34 € zzgl. MwSt.
zzgl. 6,90 € Versand (brutto)
einmalig pro Bestellung

Lieferzeit: 5 Werktage

Pos.
3/60
BOSCH Ventilator | Ersatzteile für PST 53 AE | 1619P11262
Hersteller: BOSCH
Artikelnummer: EB-0603229842-1619P11262
Netto: 4,82 € zzgl. MwSt.
zzgl. 6,90 € Versand (brutto)
einmalig pro Bestellung

Lieferzeit: 5 Werktage

Pos.
816/04
BOSCH Kohlebürstensatz | Ersatzteile für PST 53 AE | 2604321917
Hersteller: BOSCH
Artikelnummer: EB-0603229842-2604321917
nur Informationsartikel
Nie mehr lieferbar
keine Alternativen
Pos.
816/05
BOSCH Druckfeder | Ersatzteile für PST 53 AE | 2604610026
Hersteller: BOSCH
Artikelnummer: EB-0603229842-2604610026
Netto: 4,53 € zzgl. MwSt.
zzgl. 6,90 € Versand (brutto)
einmalig pro Bestellung

Lieferzeit: 5 Werktage

Pos.
816/06
BOSCH Rastkappe | Ersatzteile für PST 53 AE | 2601322017
Hersteller: BOSCH
Artikelnummer: EB-0603229842-2601322017
nur Informationsartikel
Nie mehr lieferbar
keine Alternativen
Pos.
2
BOSCH Polschuh 230-240V | Ersatzteile für PST 53 AE | 2604220568
Hersteller: BOSCH
Artikelnummer: EB-0603229842-2604220568
nur Informationsartikel
Nie mehr lieferbar
keine Alternativen
Pos.
3
BOSCH Anker 230V | Ersatzteile für PST 53 AE | 2604011097
Hersteller: BOSCH
Artikelnummer: EB-0603229842-2604011097
Netto: 32,85 € zzgl. MwSt.
zzgl. 6,90 € Versand (brutto)
einmalig pro Bestellung

Lieferzeit: 5 Werktage

Pos.
4
BOSCH Schalter | Ersatzteile für PST 53 AE | 2607200184
Hersteller: BOSCH
Artikelnummer: EB-0603229842-2607200184
nur Informationsartikel
Nie mehr lieferbar
keine Alternativen
Pos.
5
BOSCH Netzanschlussleitung GB 240V 2,65m 2 x 1,0mm H05 VV-F | Ersatzteile für PST 53 AE | 2604460124
Hersteller: BOSCH
Artikelnummer: EB-0603229842-2604460124
nur Informationsartikel
Nie mehr lieferbar
keine Alternativen
Pos.
6
BOSCH Tülle Ø7 MM | Ersatzteile für PST 53 AE | 2600703007
Hersteller: BOSCH
Artikelnummer: EB-0603229842-2600703007
nur Informationsartikel
Nie mehr lieferbar
keine Alternativen
Pos.
9
BOSCH Firmenschild SONNENSEITE | Ersatzteile für PST 53 AE | 2601118895
Hersteller: BOSCH
Artikelnummer: EB-0603229842-2601118895
nur Informationsartikel
Nie mehr lieferbar
keine Alternativen
Pos.
12
BOSCH Entstörkondensator | Ersatzteile für PST 53 AE | 2607329141
Hersteller: BOSCH
Artikelnummer: EB-0603229842-2607329141
nur Informationsartikel
Nie mehr lieferbar
keine Alternativen
Pos.
13
BOSCH Rillenkugellager 8x19x6 | Ersatzteile für PST 53 AE | 2600905046
Hersteller: BOSCH
Artikelnummer: EB-0603229842-2600905046
Netto: 9,95 € zzgl. MwSt.
zzgl. 6,90 € Versand (brutto)
einmalig pro Bestellung

Lieferzeit: 5 Werktage

Pos.
14
BOSCH Nadellager Ø8x8 MM | Ersatzteile für PST 53 AE | 2600917003
Hersteller: BOSCH
Artikelnummer: EB-0603229842-2600917003
Netto: 4,82 € zzgl. MwSt.
zzgl. 6,90 € Versand (brutto)
einmalig pro Bestellung

Lieferzeit: 5 Werktage

Pos.
16
BOSCH Bürstenplatte | Ersatzteile für PST 53 AE | 2604337118
Hersteller: BOSCH
Artikelnummer: EB-0603229842-2604337118
nur Informationsartikel
Nie mehr lieferbar
keine Alternativen
Pos.
18
BOSCH Zylinderschraube M3x6,5-4.8 | Ersatzteile für PST 53 AE | 2603410001
Hersteller: BOSCH
Artikelnummer: EB-0603229842-2603410001
Netto: 3,94 € zzgl. MwSt.
zzgl. 6,90 € Versand (brutto)
einmalig pro Bestellung

Lieferzeit: 5 Werktage

Pos.
20
BOSCH Hinweisschild SCHATTENSEITE | Ersatzteile für PST 53 AE | 2601118894
Hersteller: BOSCH
Artikelnummer: EB-0603229842-2601118894
Netto: 5,21 € zzgl. MwSt.
zzgl. 6,90 € Versand (brutto)
einmalig pro Bestellung

Lieferzeit: 5 Werktage

Pos.
25
BOSCH O-Ring 5,0x1,5 MM | Ersatzteile für PST 53 AE | 1900210000
Hersteller: BOSCH
Artikelnummer: EB-0603229842-1900210000
Netto: 3,94 € zzgl. MwSt.
zzgl. 6,90 € Versand (brutto)
einmalig pro Bestellung

Lieferzeit: 5 Werktage

Pos.
27
BOSCH Lagerbuchse | Ersatzteile für PST 53 AE | 2600322003
Hersteller: BOSCH
Artikelnummer: EB-0603229842-2600322003
nur Informationsartikel
Nie mehr lieferbar
keine Alternativen
Pos.
28
BOSCH Federscheibe | Ersatzteile für PST 53 AE | 2600190040
Hersteller: BOSCH
Artikelnummer: EB-0603229842-2600190040
nur Informationsartikel
Nie mehr lieferbar
keine Alternativen
Pos.
29
BOSCH Ausgleichscheibe 0,5 MM | Ersatzteile für PST 53 AE | 2600100505
Hersteller: BOSCH
Artikelnummer: EB-0603229842-2600100505
nur Informationsartikel
Nie mehr lieferbar
keine Alternativen
Pos.
30
BOSCH Ausgleichscheibe 0,2 MM | Ersatzteile für PST 53 AE | 2600040001
Hersteller: BOSCH
Artikelnummer: EB-0603229842-2600040001
nur Informationsartikel
Nie mehr lieferbar
keine Alternativen
Pos.
30
BOSCH Ausgleichscheibe 0,6 MM | Ersatzteile für PST 53 AE | 2600040002
Hersteller: BOSCH
Artikelnummer: EB-0603229842-2600040002
nur Informationsartikel
Nie mehr lieferbar
keine Alternativen
Pos.
32
BOSCH Leitrolle | Ersatzteile für PST 53 AE | 2600301014
Hersteller: BOSCH
Artikelnummer: EB-0603229842-2600301014
nur Informationsartikel
Nie mehr lieferbar
keine Alternativen
Pos.
33
BOSCH Hubstange | Ersatzteile für PST 53 AE | 2600780073
Hersteller: BOSCH
Artikelnummer: EB-0603229842-2600780073
nur Informationsartikel
Nie mehr lieferbar
keine Alternativen
Pos.
34
BOSCH Sinterbuchse | Ersatzteile für PST 53 AE | 2600302008
Hersteller: BOSCH
Artikelnummer: EB-0603229842-2600302008
nur Informationsartikel
Nie mehr lieferbar
keine Alternativen
Pos.
35
BOSCH Klemmschraube | Ersatzteile für PST 53 AE | 2603400000
Hersteller: BOSCH
Artikelnummer: EB-0603229842-2603400000
Netto: 5,67 € zzgl. MwSt.
zzgl. 6,90 € Versand (brutto)
einmalig pro Bestellung

Lieferzeit: 5 Werktage

Pos.
36
BOSCH Schmierfilz | Ersatzteile für PST 53 AE | 2603239006
Hersteller: BOSCH
Artikelnummer: EB-0603229842-2603239006
Netto: 3,95 € zzgl. MwSt.
zzgl. 6,90 € Versand (brutto)
einmalig pro Bestellung

Lieferzeit: 5 Werktage

Pos.
38
BOSCH Rastbolzen | Ersatzteile für PST 53 AE | 2603120037
Hersteller: BOSCH
Artikelnummer: EB-0603229842-2603120037
Netto: 3,95 € zzgl. MwSt.
zzgl. 6,90 € Versand (brutto)
einmalig pro Bestellung

Lieferzeit: 5 Werktage

Pos.
39
BOSCH Befestigungsplatte | Ersatzteile für PST 53 AE | 2601030006
Hersteller: BOSCH
Artikelnummer: EB-0603229842-2601030006
nur Informationsartikel
Nie mehr lieferbar
keine Alternativen
Pos.
40
BOSCH Profilleiste | Ersatzteile für PST 53 AE | 2601032017
Hersteller: BOSCH
Artikelnummer: EB-0603229842-2601032017
Netto: 3,94 € zzgl. MwSt.
zzgl. 6,90 € Versand (brutto)
einmalig pro Bestellung

Lieferzeit: 5 Werktage

Pos.
41
BOSCH Fussplatte | Ersatzteile für PST 53 AE | 2601016012
Hersteller: BOSCH
Artikelnummer: EB-0603229842-2601016012
Netto: 8,33 € zzgl. MwSt.
zzgl. 6,90 € Versand (brutto)
einmalig pro Bestellung

Lieferzeit: 5 Werktage

Pos.
42
BOSCH Zylinderschraube DIN 84-AM4x14-5.8 | Ersatzteile für PST 53 AE | 2910011124
Hersteller: BOSCH
Artikelnummer: EB-0603229842-2910011124
nur Informationsartikel
Nie mehr lieferbar
keine Alternativen
Pos.
45
BOSCH Verbindungsleitung L=213 MM BLAU | Ersatzteile für PST 53 AE | 2604448118
Hersteller: BOSCH
Artikelnummer: EB-0603229842-2604448118
Netto: 3,94 € zzgl. MwSt.
zzgl. 6,90 € Versand (brutto)
einmalig pro Bestellung

Lieferzeit: 5 Werktage

Pos.
47
BOSCH Abdeckhaube | Ersatzteile für PST 53 AE | 2605510052
Hersteller: BOSCH
Artikelnummer: EB-0603229842-2605510052
nur Informationsartikel
Nie mehr lieferbar
keine Alternativen
Pos.
50
BOSCH Verbindungsleitung L=263MM BLAU | Ersatzteile für PST 53 AE | 2604448119
Hersteller: BOSCH
Artikelnummer: EB-0603229842-2604448119
nur Informationsartikel
Nie mehr lieferbar
keine Alternativen
Pos.
51
BOSCH Verbindungsleitung L=73 MM WEISS | Ersatzteile für PST 53 AE | 2604448123
Hersteller: BOSCH
Artikelnummer: EB-0603229842-2604448123
nur Informationsartikel
Nie mehr lieferbar
keine Alternativen
Pos.
52
BOSCH Stift | Ersatzteile für PST 53 AE | 2603105051
Hersteller: BOSCH
Artikelnummer: EB-0603229842-2603105051
nur Informationsartikel
Nie mehr lieferbar
keine Alternativen
Pos.
207
BOSCH Leitungshalter | Ersatzteile für PST 53 AE | 2601035001
Hersteller: BOSCH
Artikelnummer: EB-0603229842-2601035001
Netto: 3,94 € zzgl. MwSt.
zzgl. 6,90 € Versand (brutto)
einmalig pro Bestellung

Lieferzeit: 5 Werktage

Pos.
808
BOSCH Typschild | Ersatzteile für PST 53 AE | 160111A3H3
Hersteller: BOSCH
Artikelnummer: EB-0603229842-160111A3H3
Netto: 4,53 € zzgl. MwSt.
zzgl. 6,90 € Versand (brutto)
einmalig pro Bestellung

Lieferzeit: 5 Werktage

Pos.
826
BOSCH Lagerbrücke | Ersatzteile für PST 53 AE | 2605807918
Hersteller: BOSCH
Artikelnummer: EB-0603229842-2605807918
nur Informationsartikel
Nie mehr lieferbar
keine Alternativen
Pos.
831
BOSCH Exzenterzahnrad Z=49 | Ersatzteile für PST 53 AE | 2606316900
Hersteller: BOSCH
Artikelnummer: EB-0603229842-2606316900
Netto: 9,20 € zzgl. MwSt.
zzgl. 6,90 € Versand (brutto)
einmalig pro Bestellung

Lieferzeit: 5 Werktage

Pos.
837
BOSCH Haltebügel | Ersatzteile für PST 53 AE | 2608135901
Hersteller: BOSCH
Artikelnummer: EB-0603229842-2608135901
Netto: 9,95 € zzgl. MwSt.
zzgl. 6,90 € Versand (brutto)
einmalig pro Bestellung

Lieferzeit: 5 Werktage

Pos.
843
BOSCH Blechschraube DIN 7981-ST3,9x13-C-H | Ersatzteile für PST 53 AE | 2910611018
Hersteller: BOSCH
Artikelnummer: EB-0603229842-2910611018
nur Informationsartikel
Nie mehr lieferbar
keine Alternativen
Pos.
844
BOSCH Blechschraube DIN 7981-ST3,9x19-C-H | Ersatzteile für PST 53 AE | 2910611020
Hersteller: BOSCH
Artikelnummer: EB-0603229842-2910611020
Netto: 3,94 € zzgl. MwSt.
zzgl. 6,90 € Versand (brutto)
einmalig pro Bestellung

Lieferzeit: 5 Werktage

Angaben zur Produktsicherheit

Hersteller:
Robert Bosch Power Tools GmbH
Postfach 30 02 20
70442 Stuttgart

E-Mail:
kontakt@bosch.de