BOSCH Profilleiste | Ersatzteile für PST 54-2 | 2601032017

Artikelnummer: EB-0603230903-2601032017

Position: 51

Marke: BOSCH


Bitte Kompatibilität prüfen!

Bitte prüfen Sie unbedingt die 10-stellige Typennummer Ihrer Maschine / Ihres Gerätes. Das Ersatzteil ist nur kompatibel, wenn Sie die Typennummer Ihrer Maschine in der unten stehenden Produktbeschreibung finden.

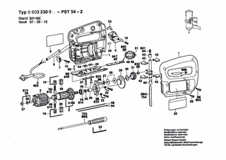
Bitte prüfen Sie ebenfalls detailliert die Explosionszeichnung mit Ihrem Artikelwunsch und der jeweiligen Pos-Nummer.

Alle Elemente, welche vom schwarzen Strich der Pos-Nummer ausgehend berührt / erfasst werden, gehören zu dieser Pos-Nummer und somit zu diesem Artikel. Jede Pos-Nummer ist ein eigenständiger Artikel, welchen Sie in der Auflistung finden.

Sie erhalten stets die aktuellste, neueste Produktversion zu der gewählten Pos-Nummer seitens des Herstellers. Es kann daher je nach Gerätealter vorkommen, dass Sie ggf. weitere, zugehörige Elemente, welche an diese Pos-Nummer grenzen, ebenfalls mittauschen müssen.

Nähere Informationen finden Sie unter dem Link
Hinweise zu Ihrer BOSCH Ersatzteilsuche

Preisübersicht

Einzelpreis: 3,94 €* (Brutto: 4,69 €)
Gesamtpreis: 3,94 €* 
Position:

Lieferzeit: 5 Werktage


Beschreibung

  • Profilleiste
  • Original Bosch Zubehör / BOSCH Ersatzteil (2601032017)
  • im Gerät verbaut: 1
Dieses BOSCH Ersatzteil ist mit folgendem Gerät und Modell kompatibel:
  • BOSCH Gerätename: PST 54-2
  • BOSCH Explosionszeichnung: Position 51
  • BOSCH Typennummer: 0603230903
  • BOSCH Typennummer alternative Schreibweisen: 0 603 230 903, 0603 230 903, 0.603.230.903, 0-603-230-903
    Bitte prüfen Sie diese Typennummer auf Ihrem Gerät um die Kompatibilität des BOSCH Ersatzteils zu gewährleisten.
Weitere BOSCH Ersatzteile des Gerätes PST 54-2 (Stichsäge) mit der Typennummer 0603230903 finden Sie in der nachfolgenden Darstellung und im Dropdown zu Ihrer Auswahl:

Pos.
1
BOSCH Gehäuseschale GRUEN | Ersatzteile für PST 54-2 | 2605104142
Hersteller: BOSCH
Artikelnummer: EB-0603230903-2605104142
nur Informationsartikel
Nie mehr lieferbar
keine Alternativen
Pos.
3/60
BOSCH Lüfter | Ersatzteile für PST 54-2 | 2606610022
Hersteller: BOSCH
Artikelnummer: EB-0603230903-2606610022
Netto: 5,65 € zzgl. MwSt.
zzgl. 6,90 € Versand (brutto)
einmalig pro Bestellung

Lieferzeit: 5 Werktage

Pos.
2
BOSCH Polschuh 220-240V | Ersatzteile für PST 54-2 | 2604220423
Hersteller: BOSCH
Artikelnummer: EB-0603230903-2604220423
nur Informationsartikel
Nie mehr lieferbar
keine Alternativen
Pos.
3
BOSCH Anker 220-240V | Ersatzteile für PST 54-2 | 2604010558
Hersteller: BOSCH
Artikelnummer: EB-0603230903-2604010558
nur Informationsartikel
Nie mehr lieferbar
keine Alternativen
Pos.
4
BOSCH Schalter | Ersatzteile für PST 54-2 | 2607200373
Hersteller: BOSCH
Artikelnummer: EB-0603230903-2607200373
nur Informationsartikel
Nie mehr lieferbar
keine Alternativen
Pos.
6
BOSCH Tülle Ø7 MM | Ersatzteile für PST 54-2 | 2600703007
Hersteller: BOSCH
Artikelnummer: EB-0603230903-2600703007
nur Informationsartikel
Nie mehr lieferbar
keine Alternativen
Pos.
7
BOSCH Leitungshalter | Ersatzteile für PST 54-2 | 2601035001
Hersteller: BOSCH
Artikelnummer: EB-0603230903-2601035001
Netto: 3,94 € zzgl. MwSt.
zzgl. 6,90 € Versand (brutto)
einmalig pro Bestellung

Lieferzeit: 5 Werktage

Pos.
9
BOSCH Klebeschild | Ersatzteile für PST 54-2 | 2601110974
Hersteller: BOSCH
Artikelnummer: EB-0603230903-2601110974
nur Informationsartikel
Nie mehr lieferbar
keine Alternativen
Pos.
16
BOSCH Bürstenhalter | Ersatzteile für PST 54-2 | 1604449002
Hersteller: BOSCH
Artikelnummer: EB-0603230903-1604449002
Netto: 3,94 € zzgl. MwSt.
zzgl. 6,90 € Versand (brutto)
einmalig pro Bestellung

Lieferzeit: 5 Werktage

Pos.
18
BOSCH Zylinderschraube M3x6,5-4.8 | Ersatzteile für PST 54-2 | 2603410001
Hersteller: BOSCH
Artikelnummer: EB-0603230903-2603410001
Netto: 3,94 € zzgl. MwSt.
zzgl. 6,90 € Versand (brutto)
einmalig pro Bestellung

Lieferzeit: 5 Werktage

Pos.
19
BOSCH Schraube 4x16 | Ersatzteile für PST 54-2 | 2603490022
Hersteller: BOSCH
Artikelnummer: EB-0603230903-2603490022
Netto: 3,60 € zzgl. MwSt.
zzgl. 6,90 € Versand (brutto)
einmalig pro Bestellung

Lieferzeit: 5 Werktage

Pos.
20
BOSCH Klebeschild | Ersatzteile für PST 54-2 | 2601110975
Hersteller: BOSCH
Artikelnummer: EB-0603230903-2601110975
nur Informationsartikel
Nie mehr lieferbar
keine Alternativen
Pos.
27
BOSCH Federscheibe | Ersatzteile für PST 54-2 | 2600150050
Hersteller: BOSCH
Artikelnummer: EB-0603230903-2600150050
nur Informationsartikel
Nie mehr lieferbar
keine Alternativen
Pos.
28
BOSCH Ausgleichscheibe 0,2 MM | Ersatzteile für PST 54-2 | 2600102656
Hersteller: BOSCH
Artikelnummer: EB-0603230903-2600102656
nur Informationsartikel
Nie mehr lieferbar
keine Alternativen
Pos.
28
BOSCH Ausgleichscheibe 0,5 MM | Ersatzteile für PST 54-2 | 2600102658
Hersteller: BOSCH
Artikelnummer: EB-0603230903-2600102658
nur Informationsartikel
Nie mehr lieferbar
keine Alternativen
Pos.
29
BOSCH Gegengewicht | Ersatzteile für PST 54-2 | 1619P02421
Hersteller: BOSCH
Artikelnummer: EB-0603230903-1619P02421
Netto: 8,23 € zzgl. MwSt.
zzgl. 6,90 € Versand (brutto)
einmalig pro Bestellung

Lieferzeit: 5 Werktage

Pos.
30
BOSCH Ausgleichscheibe Ø 18,3 MM | Ersatzteile für PST 54-2 | 2600101673
Hersteller: BOSCH
Artikelnummer: EB-0603230903-2600101673
Netto: 3,94 € zzgl. MwSt.
zzgl. 6,90 € Versand (brutto)
einmalig pro Bestellung

Lieferzeit: 5 Werktage

Pos.
31
BOSCH Exzenterzahnrad Z=39 | Ersatzteile für PST 54-2 | 2606319073
Hersteller: BOSCH
Artikelnummer: EB-0603230903-2606319073
nur Informationsartikel
Nie mehr lieferbar
keine Alternativen
Pos.
33
BOSCH Linsenschraube DIN 7985-M4x18-8.8-H | Ersatzteile für PST 54-2 | 2910950128
Hersteller: BOSCH
Artikelnummer: EB-0603230903-2910950128
nur Informationsartikel
Nie mehr lieferbar
keine Alternativen
Pos.
34
BOSCH Lagerbolzen | Ersatzteile für PST 54-2 | 2603201020
Hersteller: BOSCH
Artikelnummer: EB-0603230903-2603201020
nur Informationsartikel
Nie mehr lieferbar
keine Alternativen
Pos.
35
BOSCH Stützscheibe | Ersatzteile für PST 54-2 | 2600103013
Hersteller: BOSCH
Artikelnummer: EB-0603230903-2600103013
nur Informationsartikel
Nie mehr lieferbar
keine Alternativen
Pos.
36
BOSCH Führungshülse | Ersatzteile für PST 54-2 | 2600400024
Hersteller: BOSCH
Artikelnummer: EB-0603230903-2600400024
Netto: 4,80 € zzgl. MwSt.
zzgl. 6,90 € Versand (brutto)
einmalig pro Bestellung

Lieferzeit: 5 Werktage

Pos.
37
BOSCH Filzring | Ersatzteile für PST 54-2 | 1600205023
Hersteller: BOSCH
Artikelnummer: EB-0603230903-1600205023
nur Informationsartikel
Nie mehr lieferbar
keine Alternativen
Pos.
38
BOSCH O-Ring 8,0x2,5 MM | Ersatzteile für PST 54-2 | 1610210014
Hersteller: BOSCH
Artikelnummer: EB-0603230903-1610210014
nur Informationsartikel
Nie mehr lieferbar
keine Alternativen
Pos.
39
BOSCH Haltefeder | Ersatzteile für PST 54-2 | 1619P09928
Hersteller: BOSCH
Artikelnummer: EB-0603230903-1619P09928
nur Informationsartikel
Nie mehr lieferbar
keine Alternativen
Pos.
40
BOSCH Hubstange | Ersatzteile für PST 54-2 | 1619P12589
Hersteller: BOSCH
Artikelnummer: EB-0603230903-1619P12589
Netto: 18,86 € zzgl. MwSt.
zzgl. 6,90 € Versand (brutto)
einmalig pro Bestellung

Lieferzeit: 5 Werktage

Pos.
42
BOSCH Sinterbuchse | Ersatzteile für PST 54-2 | 2600301049
Hersteller: BOSCH
Artikelnummer: EB-0603230903-2600301049
nur Informationsartikel
Nie mehr lieferbar
keine Alternativen
Pos.
43
BOSCH Schmierfilz | Ersatzteile für PST 54-2 | 2601020007
Hersteller: BOSCH
Artikelnummer: EB-0603230903-2601020007
Netto: 3,94 € zzgl. MwSt.
zzgl. 6,90 € Versand (brutto)
einmalig pro Bestellung

Lieferzeit: 5 Werktage

Pos.
44
BOSCH Befestigungsplatte | Ersatzteile für PST 54-2 | 2601030006
Hersteller: BOSCH
Artikelnummer: EB-0603230903-2601030006
nur Informationsartikel
Nie mehr lieferbar
keine Alternativen
Pos.
45
BOSCH Innensechskantschraube DIN 912-M4x16-8.8 | Ersatzteile für PST 54-2 | 2910141126
Hersteller: BOSCH
Artikelnummer: EB-0603230903-2910141126
nur Informationsartikel
Nie mehr lieferbar
keine Alternativen
Pos.
48
BOSCH Leitrolle | Ersatzteile für PST 54-2 | 2600326018
Hersteller: BOSCH
Artikelnummer: EB-0603230903-2600326018
nur Informationsartikel
Nie mehr lieferbar
keine Alternativen
Pos.
49
BOSCH Lagerstift | Ersatzteile für PST 54-2 | 2603105042
Hersteller: BOSCH
Artikelnummer: EB-0603230903-2603105042
nur Informationsartikel
Nie mehr lieferbar
keine Alternativen
Pos.
51
BOSCH Profilleiste | Ersatzteile für PST 54-2 | 2601032017
Hersteller: BOSCH
Artikelnummer: EB-0603230903-2601032017
Netto: 3,94 € zzgl. MwSt.
zzgl. 6,90 € Versand (brutto)
einmalig pro Bestellung

Lieferzeit: 5 Werktage

Pos.
52
BOSCH Winkelschraubendreher DIN 911, SW3 | Ersatzteile für PST 54-2 | 1907950004
Hersteller: BOSCH
Artikelnummer: EB-0603230903-1907950004
Netto: 6,75 € zzgl. MwSt.
zzgl. 6,90 € Versand (brutto)
einmalig pro Bestellung

Lieferzeit: 5 Werktage

Pos.
53
BOSCH Dämmplatte | Ersatzteile für PST 54-2 | 2601022000
Hersteller: BOSCH
Artikelnummer: EB-0603230903-2601022000
nur Informationsartikel
Nie mehr lieferbar
keine Alternativen
Pos.
54
BOSCH Verbindungsleitung L = 298 MM WEISS | Ersatzteile für PST 54-2 | 2604448032
Hersteller: BOSCH
Artikelnummer: EB-0603230903-2604448032
nur Informationsartikel
Nie mehr lieferbar
keine Alternativen
Pos.
56
BOSCH Torx-Linsenschraube 4x12 | Ersatzteile für PST 54-2 | 2603490021
Hersteller: BOSCH
Artikelnummer: EB-0603230903-2603490021
Netto: 3,60 € zzgl. MwSt.
zzgl. 6,90 € Versand (brutto)
einmalig pro Bestellung

Lieferzeit: 5 Werktage

Pos.
57
BOSCH Druckfeder | Ersatzteile für PST 54-2 | 2604610007
Hersteller: BOSCH
Artikelnummer: EB-0603230903-2604610007
nur Informationsartikel
Nie mehr lieferbar
keine Alternativen
Pos.
58
BOSCH Verbindungsleitung L=213 MM BLAU | Ersatzteile für PST 54-2 | 2604448118
Hersteller: BOSCH
Artikelnummer: EB-0603230903-2604448118
Netto: 3,94 € zzgl. MwSt.
zzgl. 6,90 € Versand (brutto)
einmalig pro Bestellung

Lieferzeit: 5 Werktage

Pos.
80
BOSCH Rastbolzen | Ersatzteile für PST 54-2 | 2603120019
Hersteller: BOSCH
Artikelnummer: EB-0603230903-2603120019
Netto: 3,94 € zzgl. MwSt.
zzgl. 6,90 € Versand (brutto)
einmalig pro Bestellung

Lieferzeit: 5 Werktage

Pos.
81
BOSCH Sicherungsscheibe | Ersatzteile für PST 54-2 | 2600116011
Hersteller: BOSCH
Artikelnummer: EB-0603230903-2600116011
Netto: 4,36 € zzgl. MwSt.
zzgl. 6,90 € Versand (brutto)
einmalig pro Bestellung

Lieferzeit: 5 Werktage

Pos.
805
BOSCH Netzanschlussleitung EU 230V 4,15m 2 x 1,0mm H05 RN-F | Ersatzteile für PST 54-2 | 1607000386
Hersteller: BOSCH
Artikelnummer: EB-0603230903-1607000386
Netto: 16,70 € zzgl. MwSt.
zzgl. 6,90 € Versand (brutto)
einmalig pro Bestellung

Lieferzeit: 5 Werktage

Pos.
810
BOSCH Kohlebürstensatz | Ersatzteile für PST 54-2 | 2604321904
Hersteller: BOSCH
Artikelnummer: EB-0603230903-2604321904
Netto: 9,05 € zzgl. MwSt.
zzgl. 6,90 € Versand (brutto)
einmalig pro Bestellung

Lieferzeit: 5 Werktage

Pos.
813
BOSCH Sinterbuchse | Ersatzteile für PST 54-2 | 1600301900
Hersteller: BOSCH
Artikelnummer: EB-0603230903-1600301900
nur Informationsartikel
Nie mehr lieferbar
keine Alternativen
Pos.
814
BOSCH Rillenkugellager 9x24x7 | Ersatzteile für PST 54-2 | 2600905039
Hersteller: BOSCH
Artikelnummer: EB-0603230903-2600905039
Netto: 10,62 € zzgl. MwSt.
zzgl. 6,90 € Versand (brutto)
einmalig pro Bestellung

Lieferzeit: 5 Werktage

Pos.
825
BOSCH Lagerbrücke | Ersatzteile für PST 54-2 | 1619P02422
Hersteller: BOSCH
Artikelnummer: EB-0603230903-1619P02422
Netto: 11,58 € zzgl. MwSt.
zzgl. 6,90 € Versand (brutto)
einmalig pro Bestellung

Lieferzeit: 5 Werktage

Pos.
832
BOSCH Nadelhülse | Ersatzteile für PST 54-2 | 2600917904
Hersteller: BOSCH
Artikelnummer: EB-0603230903-2600917904
Netto: 7,66 € zzgl. MwSt.
zzgl. 6,90 € Versand (brutto)
einmalig pro Bestellung

Lieferzeit: 5 Werktage

Pos.
833
BOSCH Kombi-Schraube DIN7985-M4x18Z1-4.8 | Ersatzteile für PST 54-2 | 2914500009
Hersteller: BOSCH
Artikelnummer: EB-0603230903-2914500009
nur Informationsartikel
Nie mehr lieferbar
keine Alternativen
Pos.
841
BOSCH Klemmschraube | Ersatzteile für PST 54-2 | 2603400000
Hersteller: BOSCH
Artikelnummer: EB-0603230903-2603400000
Netto: 5,65 € zzgl. MwSt.
zzgl. 6,90 € Versand (brutto)
einmalig pro Bestellung

Lieferzeit: 5 Werktage

Pos.
846
BOSCH Fussplatte | Ersatzteile für PST 54-2 | 2601016012
Hersteller: BOSCH
Artikelnummer: EB-0603230903-2601016012
Netto: 8,23 € zzgl. MwSt.
zzgl. 6,90 € Versand (brutto)
einmalig pro Bestellung

Lieferzeit: 5 Werktage

Pos.
847
BOSCH Haltebügel | Ersatzteile für PST 54-2 | 2608135901
Hersteller: BOSCH
Artikelnummer: EB-0603230903-2608135901
Netto: 9,75 € zzgl. MwSt.
zzgl. 6,90 € Versand (brutto)
einmalig pro Bestellung

Lieferzeit: 5 Werktage

Pos.
850
BOSCH Rollensatz | Ersatzteile für FALSE JOINT CUTTER | 1619P01375
Hersteller: BOSCH
Artikelnummer: EB-0603230903-1619P01375
Netto: 9,75 € zzgl. MwSt.
zzgl. 6,90 € Versand (brutto)
einmalig pro Bestellung

Lieferzeit: 5 Werktage

Pos.
850
BOSCH Sicherungsscheibe DIN 6799-2,3 | Ersatzteile für PST 54-2 | 2916080005
Hersteller: BOSCH
Artikelnummer: EB-0603230903-2916080005
Netto: 8,72 € zzgl. MwSt.
zzgl. 6,90 € Versand (brutto)
einmalig pro Bestellung

Lieferzeit: 5 Werktage

Pos.
855
BOSCH Blechschraube DIN 7981-ST3,9x19-C-H | Ersatzteile für PST 54-2 | 2910611020
Hersteller: BOSCH
Artikelnummer: EB-0603230903-2910611020
Netto: 3,94 € zzgl. MwSt.
zzgl. 6,90 € Versand (brutto)
einmalig pro Bestellung

Lieferzeit: 5 Werktage

Pos.
888
BOSCH Typschild | Ersatzteile für PST 54-2 | 160111A3H3
Hersteller: BOSCH
Artikelnummer: EB-0603230903-160111A3H3
Netto: 4,56 € zzgl. MwSt.
zzgl. 6,90 € Versand (brutto)
einmalig pro Bestellung

Lieferzeit: 5 Werktage

Angaben zur Produktsicherheit

Hersteller:
Robert Bosch Power Tools GmbH
Postfach 30 02 20
70442 Stuttgart

E-Mail:
kontakt@bosch.de