BOSCH Leitungshalter | Ersatzteile für PST 650 E | 2601035001

Artikelnummer: EB-0603380734-2601035001

Position: 207

Marke: BOSCH


Bitte Kompatibilität prüfen!

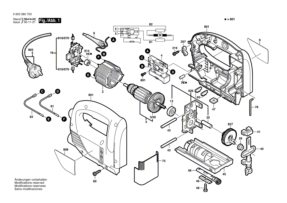
Bitte prüfen Sie unbedingt die 10-stellige Typennummer Ihrer Maschine / Ihres Gerätes. Das Ersatzteil ist nur kompatibel, wenn Sie die Typennummer Ihrer Maschine in der unten stehenden Produktbeschreibung finden.

Bitte prüfen Sie ebenfalls detailliert die Explosionszeichnung mit Ihrem Artikelwunsch und der jeweiligen Pos-Nummer.

Alle Elemente, welche vom schwarzen Strich der Pos-Nummer ausgehend berührt / erfasst werden, gehören zu dieser Pos-Nummer und somit zu diesem Artikel. Jede Pos-Nummer ist ein eigenständiger Artikel, welchen Sie in der Auflistung finden.

Sie erhalten stets die aktuellste, neueste Produktversion zu der gewählten Pos-Nummer seitens des Herstellers. Es kann daher je nach Gerätealter vorkommen, dass Sie ggf. weitere, zugehörige Elemente, welche an diese Pos-Nummer grenzen, ebenfalls mittauschen müssen.

Nähere Informationen finden Sie unter dem Link
Hinweise zu Ihrer BOSCH Ersatzteilsuche

Preisübersicht

Einzelpreis: 3,94 €* (Brutto: 4,69 €)
Gesamtpreis: 3,94 €* 
Position:

Lieferzeit: 5 Werktage


Beschreibung

  • Leitungshalter
  • Original Bosch Zubehör / BOSCH Ersatzteil (2601035001)
  • im Gerät verbaut: 1
Dieses BOSCH Ersatzteil ist mit folgendem Gerät und Modell kompatibel:
  • BOSCH Gerätename: PST 650 E
  • BOSCH Explosionszeichnung: Position 207
  • BOSCH Typennummer: 0603380734
  • BOSCH Typennummer alternative Schreibweisen: 0 603 380 734, 0603 380 734, 0.603.380.734, 0-603-380-734
    Bitte prüfen Sie diese Typennummer auf Ihrem Gerät um die Kompatibilität des BOSCH Ersatzteils zu gewährleisten.
Weitere BOSCH Ersatzteile des Gerätes PST 650 E (Stichsäge) mit der Typennummer 0603380734 finden Sie in der nachfolgenden Darstellung und im Dropdown zu Ihrer Auswahl:

Pos.
3/50
BOSCH Anker Mit Lüfter | Ersatzteile für PST 650 E | 2606610097
Hersteller: BOSCH
Artikelnummer: EB-0603380734-2606610097
Netto: 5,19 € zzgl. MwSt.
zzgl. 6,90 € Versand (brutto)
einmalig pro Bestellung

Lieferzeit: 5 Werktage

Pos.
816/070
BOSCH Kohlebürstensatz | Ersatzteile für PST 650 E | 2604321925
Hersteller: BOSCH
Artikelnummer: EB-0603380734-2604321925
Netto: 8,33 € zzgl. MwSt.
zzgl. 6,90 € Versand (brutto)
einmalig pro Bestellung

Lieferzeit: 5 Werktage

Pos.
2
BOSCH Polschuh 110-127V | Ersatzteile für PST 650 E | 2604220653
Hersteller: BOSCH
Artikelnummer: EB-0603380734-2604220653
Netto: 15,75 € zzgl. MwSt.
zzgl. 6,90 € Versand (brutto)
einmalig pro Bestellung

Lieferzeit: 5 Werktage

Pos.
3
BOSCH Anker 115-127V | Ersatzteile für PST 650 E | 2604011232
Hersteller: BOSCH
Artikelnummer: EB-0603380734-2604011232
nur Informationsartikel
Nie mehr lieferbar
keine Alternativen
Pos.
4
BOSCH Ein/Aus-Schalter | Ersatzteile für PST 650 E | 2607200583
Hersteller: BOSCH
Artikelnummer: EB-0603380734-2607200583
nur Informationsartikel
Nie mehr lieferbar
keine Alternativen
Pos.
5
BOSCH Netzanschlussleitung SAM 2,68m 2 x 082mm SJ 18/2 | Ersatzteile für PST 650 E | 1604460220
Hersteller: BOSCH
Artikelnummer: EB-0603380734-1604460220
nur Informationsartikel
Nie mehr lieferbar
keine Alternativen
Pos.
6
BOSCH Tülle Ø7,3-Ø8,6x76 MM | Ersatzteile für PST 650 E | 2600703018
Hersteller: BOSCH
Artikelnummer: EB-0603380734-2600703018
nur Informationsartikel
Nie mehr lieferbar
keine Alternativen
Pos.
9
BOSCH Firmenschild PST 650 E SONNENSEITE | Ersatzteile für PST 650 E | 2601117236
Hersteller: BOSCH
Artikelnummer: EB-0603380734-2601117236
nur Informationsartikel
Nie mehr lieferbar
keine Alternativen
Pos.
13
BOSCH Rillenkugellager 9x24x7 | Ersatzteile für PST 650 E | 2600905021
Hersteller: BOSCH
Artikelnummer: EB-0603380734-2600905021
Netto: 8,33 € zzgl. MwSt.
zzgl. 6,90 € Versand (brutto)
einmalig pro Bestellung

Lieferzeit: 5 Werktage

Pos.
16
BOSCH Bürstenplatte | Ersatzteile für PST 650 E | 2604337106
Hersteller: BOSCH
Artikelnummer: EB-0603380734-2604337106
nur Informationsartikel
Nie mehr lieferbar
keine Alternativen
Pos.
25
BOSCH Lagerbolzen | Ersatzteile für PST 650 E | 2603105083
Hersteller: BOSCH
Artikelnummer: EB-0603380734-2603105083
nur Informationsartikel
Nie mehr lieferbar
keine Alternativen
Pos.
29
BOSCH Gleitlager | Ersatzteile für PST 650 E | 2605801044
Hersteller: BOSCH
Artikelnummer: EB-0603380734-2605801044
nur Informationsartikel
Nie mehr lieferbar
keine Alternativen
Pos.
40
BOSCH Hubstange | Ersatzteile für PST 650 E | 2600780145
Hersteller: BOSCH
Artikelnummer: EB-0603380734-2600780145
nur Informationsartikel
Nie mehr lieferbar
keine Alternativen
Pos.
41
BOSCH Gleitlager | Ersatzteile für PST 650 E | 2605801038
Hersteller: BOSCH
Artikelnummer: EB-0603380734-2605801038
nur Informationsartikel
Nie mehr lieferbar
keine Alternativen
Pos.
43
BOSCH Nadelrolle | Ersatzteile für PST 650 E | 2603201089
Hersteller: BOSCH
Artikelnummer: EB-0603380734-2603201089
Netto: 6,70 € zzgl. MwSt.
zzgl. 6,90 € Versand (brutto)
einmalig pro Bestellung

Lieferzeit: 5 Werktage

Pos.
45
BOSCH Fussplatte | Ersatzteile für PST 650 E | 2601016080
Hersteller: BOSCH
Artikelnummer: EB-0603380734-2601016080
nur Informationsartikel
Nie mehr lieferbar
keine Alternativen
Pos.
46
BOSCH Profilleiste | Ersatzteile für PST 650 E | 2601032021
Hersteller: BOSCH
Artikelnummer: EB-0603380734-2601032021
nur Informationsartikel
Nie mehr lieferbar
keine Alternativen
Pos.
47
BOSCH Befestigungsplatte | Ersatzteile für PST 650 E | 2600040003
Hersteller: BOSCH
Artikelnummer: EB-0603380734-2600040003
nur Informationsartikel
Nie mehr lieferbar
keine Alternativen
Pos.
48
BOSCH Zylinderschraube | Ersatzteile für PST 650 E | 2603413034
Hersteller: BOSCH
Artikelnummer: EB-0603380734-2603413034
nur Informationsartikel
Nie mehr lieferbar
keine Alternativen
Pos.
58
BOSCH Haltebügel | Ersatzteile für PST 650 E | 2601321063
Hersteller: BOSCH
Artikelnummer: EB-0603380734-2601321063
nur Informationsartikel
Nie mehr lieferbar
keine Alternativen
Pos.
65
BOSCH Rastelement | Ersatzteile für PST 650 E | 2601038111
Hersteller: BOSCH
Artikelnummer: EB-0603380734-2601038111
nur Informationsartikel
Nie mehr lieferbar
keine Alternativen
Pos.
69
BOSCH Schraube 4x16 | Ersatzteile für PST 650 E | 2603490022
Hersteller: BOSCH
Artikelnummer: EB-0603380734-2603490022
Netto: 3,63 € zzgl. MwSt.
zzgl. 6,90 € Versand (brutto)
einmalig pro Bestellung

Lieferzeit: 5 Werktage

Pos.
75
BOSCH Abdeckhaube | Ersatzteile für PST 650 E | 2605510169
Hersteller: BOSCH
Artikelnummer: EB-0603380734-2605510169
nur Informationsartikel
Nie mehr lieferbar
keine Alternativen
Pos.
78
BOSCH Sicherungsstift | Ersatzteile für PST 650 E | 2603105088
Hersteller: BOSCH
Artikelnummer: EB-0603380734-2603105088
Netto: 3,63 € zzgl. MwSt.
zzgl. 6,90 € Versand (brutto)
einmalig pro Bestellung

Lieferzeit: 5 Werktage

Pos.
81
BOSCH Verbindungsleitung L=243 MM WEISS | Ersatzteile für PST 650 E | 2604448033
Hersteller: BOSCH
Artikelnummer: EB-0603380734-2604448033
nur Informationsartikel
Nie mehr lieferbar
keine Alternativen
Pos.
82
BOSCH Verbindungsleitung L=220 MM BLAU | Ersatzteile für PST 650 E | 2604448232
Hersteller: BOSCH
Artikelnummer: EB-0603380734-2604448232
nur Informationsartikel
Nie mehr lieferbar
keine Alternativen
Pos.
207
BOSCH Leitungshalter | Ersatzteile für PST 650 E | 2601035001
Hersteller: BOSCH
Artikelnummer: EB-0603380734-2601035001
Netto: 3,94 € zzgl. MwSt.
zzgl. 6,90 € Versand (brutto)
einmalig pro Bestellung

Lieferzeit: 5 Werktage

Pos.
801
BOSCH Gehäuseschale | Ersatzteile für PST 650 E | 2605105900
Hersteller: BOSCH
Artikelnummer: EB-0603380734-2605105900
nur Informationsartikel
Nie mehr lieferbar
keine Alternativen
Pos.
808
BOSCH Typschild | Ersatzteile für PST 650 E | 2601117252
Hersteller: BOSCH
Artikelnummer: EB-0603380734-2601117252
Netto: 2,21 € zzgl. MwSt.
zzgl. 6,90 € Versand (brutto)
einmalig pro Bestellung

Lieferzeit: 5 Werktage

Pos.
814
BOSCH Flanschlager | Ersatzteile für PST 650 E | 2605805008
Hersteller: BOSCH
Artikelnummer: EB-0603380734-2605805008
Netto: 6,15 € zzgl. MwSt.
zzgl. 6,90 € Versand (brutto)
einmalig pro Bestellung

Lieferzeit: 5 Werktage

Pos.
826
BOSCH Lagerbrücke | Ersatzteile für PST 650 E | 2605807935
Hersteller: BOSCH
Artikelnummer: EB-0603380734-2605807935
nur Informationsartikel
Nie mehr lieferbar
keine Alternativen
Pos.
827
BOSCH Exzenterzahnrad | Ersatzteile für PST 650 E | 2606320903
Hersteller: BOSCH
Artikelnummer: EB-0603380734-2606320903
nur Informationsartikel
Nie mehr lieferbar
keine Alternativen
Pos.
891
BOSCH Kreuzschlitzschraube M3x5 | Ersatzteile für PST 650 E | 2603410046
Hersteller: BOSCH
Artikelnummer: EB-0603380734-2603410046
Netto: 4,32 € zzgl. MwSt.
zzgl. 6,90 € Versand (brutto)
einmalig pro Bestellung

Lieferzeit: 5 Werktage

Angaben zur Produktsicherheit

Hersteller:
Robert Bosch Power Tools GmbH
Postfach 30 02 20
70442 Stuttgart

E-Mail:
kontakt@bosch.de