BOSCH Lagerbolzen | Ersatzteile für PST 850 PE | 2603105091

Artikelnummer: EB-0603383742-2603105091

Position: 35

Marke: BOSCH


Bitte Kompatibilität prüfen!

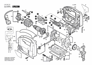
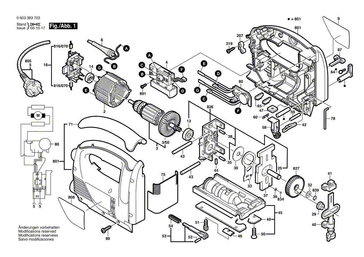
Bitte prüfen Sie unbedingt die 10-stellige Typennummer Ihrer Maschine / Ihres Gerätes. Das Ersatzteil ist nur kompatibel, wenn Sie die Typennummer Ihrer Maschine in der unten stehenden Produktbeschreibung finden.

Bitte prüfen Sie ebenfalls detailliert die Explosionszeichnung mit Ihrem Artikelwunsch und der jeweiligen Pos-Nummer.

Alle Elemente, welche vom schwarzen Strich der Pos-Nummer ausgehend berührt / erfasst werden, gehören zu dieser Pos-Nummer und somit zu diesem Artikel. Jede Pos-Nummer ist ein eigenständiger Artikel, welchen Sie in der Auflistung finden.

Sie erhalten stets die aktuellste, neueste Produktversion zu der gewählten Pos-Nummer seitens des Herstellers. Es kann daher je nach Gerätealter vorkommen, dass Sie ggf. weitere, zugehörige Elemente, welche an diese Pos-Nummer grenzen, ebenfalls mittauschen müssen.

Nähere Informationen finden Sie unter dem Link
Hinweise zu Ihrer BOSCH Ersatzteilsuche

Preisübersicht

Einzelpreis: 4,53 €* (Brutto: 5,39 €)
Gesamtpreis: 4,53 €* 
Position:

Lieferzeit: 5 Werktage


Beschreibung

  • Lagerbolzen
  • Original Bosch Zubehör / BOSCH Ersatzteil (2603105091)
  • im Gerät verbaut: 1
Dieses BOSCH Ersatzteil ist mit folgendem Gerät und Modell kompatibel:
  • BOSCH Gerätename: PST 850 PE
  • BOSCH Explosionszeichnung: Position 35
  • BOSCH Typennummer: 0603383742
  • BOSCH Typennummer alternative Schreibweisen: 0 603 383 742, 0603 383 742, 0.603.383.742, 0-603-383-742
    Bitte prüfen Sie diese Typennummer auf Ihrem Gerät um die Kompatibilität des BOSCH Ersatzteils zu gewährleisten.
Weitere BOSCH Ersatzteile des Gerätes PST 850 PE (Stichsäge) mit der Typennummer 0603383742 finden Sie in der nachfolgenden Darstellung und im Dropdown zu Ihrer Auswahl:

Pos.
3/50
BOSCH Lüfter | Ersatzteile für PST 850 PE | 2606610029
Hersteller: BOSCH
Artikelnummer: EB-0603383742-2606610029
Netto: 4,53 € zzgl. MwSt.
zzgl. 6,90 € Versand (brutto)
einmalig pro Bestellung

Lieferzeit: 5 Werktage

Pos.
816/070
BOSCH Kohlebürstensatz | Ersatzteile für PST 850 PE | 2604321925
Hersteller: BOSCH
Artikelnummer: EB-0603383742-2604321925
Netto: 8,33 € zzgl. MwSt.
zzgl. 6,90 € Versand (brutto)
einmalig pro Bestellung

Lieferzeit: 5 Werktage

Pos.
2
BOSCH Polschuh 220-240V | Ersatzteile für PST 850 PE | 2604220655
Hersteller: BOSCH
Artikelnummer: EB-0603383742-2604220655
nur Informationsartikel
Nie mehr lieferbar
keine Alternativen
Pos.
3
BOSCH Anker 220-240V | Ersatzteile für PST 850 PE | 2604011234
Hersteller: BOSCH
Artikelnummer: EB-0603383742-2604011234
nur Informationsartikel
Nie mehr lieferbar
keine Alternativen
Pos.
4
BOSCH Schalter ROT | Ersatzteile für PST 850 PE | 2607200524
Hersteller: BOSCH
Artikelnummer: EB-0603383742-2607200524
nur Informationsartikel
Nie mehr lieferbar
keine Alternativen
Pos.
5
BOSCH Netzanschlussleitung GB 230V 2,65m 2 x 1,0mm H05 VV-F | Ersatzteile für PST 850 PE | 2604460243
Hersteller: BOSCH
Artikelnummer: EB-0603383742-2604460243
nur Informationsartikel
Nie mehr lieferbar
keine Alternativen
Pos.
6
BOSCH Tülle Ø6,4-Ø7,2x76 MM | Ersatzteile für PST 850 PE | 2600703017
Hersteller: BOSCH
Artikelnummer: EB-0603383742-2600703017
Netto: 4,53 € zzgl. MwSt.
zzgl. 6,90 € Versand (brutto)
einmalig pro Bestellung

Lieferzeit: 5 Werktage

Pos.
9
BOSCH Firmenschild | Ersatzteile für PST 850 PE | 2601116702
Hersteller: BOSCH
Artikelnummer: EB-0603383742-2601117239
nur Informationsartikel
Nie mehr lieferbar
keine Alternativen
Pos.
13
BOSCH Rillenkugellager 9x24x7 | Ersatzteile für PST 850 PE | 2600905021
Hersteller: BOSCH
Artikelnummer: EB-0603383742-2600905021
Netto: 8,33 € zzgl. MwSt.
zzgl. 6,90 € Versand (brutto)
einmalig pro Bestellung

Lieferzeit: 5 Werktage

Pos.
14
BOSCH Flanschlager | Ersatzteile für PST 850 PE | 2605805008
Hersteller: BOSCH
Artikelnummer: EB-0603383742-2605805008
Netto: 6,15 € zzgl. MwSt.
zzgl. 6,90 € Versand (brutto)
einmalig pro Bestellung

Lieferzeit: 5 Werktage

Pos.
16
BOSCH Bürstenplatte | Ersatzteile für PST 850 PE | 2604337085
Hersteller: BOSCH
Artikelnummer: EB-0603383742-1600A012AZ
nur Informationsartikel
Nie mehr lieferbar
keine Alternativen
Pos.
25
BOSCH Lagerbolzen | Ersatzteile für PST 850 PE | 2603105080
Hersteller: BOSCH
Artikelnummer: EB-0603383742-2603105080
Netto: 4,53 € zzgl. MwSt.
zzgl. 6,90 € Versand (brutto)
einmalig pro Bestellung

Lieferzeit: 5 Werktage

Pos.
29
BOSCH Nadelhülse | Ersatzteile für PST 850 PE | 2600914022
Hersteller: BOSCH
Artikelnummer: EB-0603383742-2600914022
Netto: 7,30 € zzgl. MwSt.
zzgl. 6,90 € Versand (brutto)
einmalig pro Bestellung

Lieferzeit: 5 Werktage

Pos.
30
BOSCH Ausgleichscheibe 0,5 MM | Ersatzteile für PST 850 PE | 2600101048
Hersteller: BOSCH
Artikelnummer: EB-0603383742-2600101048
Netto: 3,94 € zzgl. MwSt.
zzgl. 6,90 € Versand (brutto)
einmalig pro Bestellung

Lieferzeit: 5 Werktage

Pos.
32
BOSCH Ausgleichscheibe 0,5 MM | Ersatzteile für PST 850 PE | 2600101077
Hersteller: BOSCH
Artikelnummer: EB-0603383742-2600101077
Netto: 3,94 € zzgl. MwSt.
zzgl. 6,90 € Versand (brutto)
einmalig pro Bestellung

Lieferzeit: 5 Werktage

Pos.
33
BOSCH Gabelhebel | Ersatzteile für PST 850 PE | 2601923012
Hersteller: BOSCH
Artikelnummer: EB-0603383742-2601923012
Netto: 5,67 € zzgl. MwSt.
zzgl. 6,90 € Versand (brutto)
einmalig pro Bestellung

Lieferzeit: 5 Werktage

Pos.
35
BOSCH Lagerbolzen | Ersatzteile für PST 850 PE | 2603105091
Hersteller: BOSCH
Artikelnummer: EB-0603383742-2603105091
Netto: 4,53 € zzgl. MwSt.
zzgl. 6,90 € Versand (brutto)
einmalig pro Bestellung

Lieferzeit: 5 Werktage

Pos.
36
BOSCH Ausgleichscheibe 0,5 MM | Ersatzteile für PST 850 PE | 2600100588
Hersteller: BOSCH
Artikelnummer: EB-0603383742-2600100588
Netto: 3,94 € zzgl. MwSt.
zzgl. 6,90 € Versand (brutto)
einmalig pro Bestellung

Lieferzeit: 5 Werktage

Pos.
37
BOSCH Ausgleichgewicht | Ersatzteile für PST 850 PE | 2601098060
Hersteller: BOSCH
Artikelnummer: EB-0603383742-2601098060
nur Informationsartikel
Nie mehr lieferbar
keine Alternativen
Pos.
38
BOSCH Nadelrolle 4x15,8 MM | Ersatzteile für PST 850 PE | 1903201054
Hersteller: BOSCH
Artikelnummer: EB-0603383742-1903201054
Netto: 3,63 € zzgl. MwSt.
zzgl. 6,90 € Versand (brutto)
einmalig pro Bestellung

Lieferzeit: 5 Werktage

Pos.
40
BOSCH Hubstange | Ersatzteile für PST 850 PE | 2600780147
Hersteller: BOSCH
Artikelnummer: EB-0603383742-2600780147
nur Informationsartikel
Nie mehr lieferbar
keine Alternativen
Pos.
41
BOSCH Gleitlager | Ersatzteile für PST 850 PE | 2605801038
Hersteller: BOSCH
Artikelnummer: EB-0603383742-2605801038
nur Informationsartikel
Nie mehr lieferbar
keine Alternativen
Pos.
42
BOSCH Druckfeder | Ersatzteile für PST 850 PE | 160461201E
Hersteller: BOSCH
Artikelnummer: EB-0603383742-2604613004
Netto: 3,94 € zzgl. MwSt.
zzgl. 6,90 € Versand (brutto)
einmalig pro Bestellung

Lieferzeit: 5 Werktage

Pos.
43
BOSCH Nadelrolle | Ersatzteile für PST 850 PE | 2603201089
Hersteller: BOSCH
Artikelnummer: EB-0603383742-2603201089
Netto: 6,70 € zzgl. MwSt.
zzgl. 6,90 € Versand (brutto)
einmalig pro Bestellung

Lieferzeit: 5 Werktage

Pos.
44
BOSCH Lagerbolzen | Ersatzteile für PST 850 PE | 2603105084
Hersteller: BOSCH
Artikelnummer: EB-0603383742-2603105084
Netto: 4,32 € zzgl. MwSt.
zzgl. 6,90 € Versand (brutto)
einmalig pro Bestellung

Lieferzeit: 5 Werktage

Pos.
45
BOSCH Fussplatte | Ersatzteile für PST 850 PE | 2601098081
Hersteller: BOSCH
Artikelnummer: EB-0603383742-2601098081
nur Informationsartikel
Nie mehr lieferbar
keine Alternativen
Pos.
46
BOSCH Profilleiste | Ersatzteile für PST 850 PE | 2602317037
Hersteller: BOSCH
Artikelnummer: EB-0603383742-2602317037
nur Informationsartikel
Nie mehr lieferbar
keine Alternativen
Pos.
47
BOSCH Befestigungsplatte | Ersatzteile für PST 850 PE | 2600040003
Hersteller: BOSCH
Artikelnummer: EB-0603383742-2600040003
nur Informationsartikel
Nie mehr lieferbar
keine Alternativen
Pos.
49
BOSCH Grundplatte | Ersatzteile für PST 850 PE | 2601098050
Hersteller: BOSCH
Artikelnummer: EB-0603383742-2601098050
nur Informationsartikel
Nie mehr lieferbar
keine Alternativen
Pos.
50
BOSCH Gewindefurchschraube | Ersatzteile für PST 850 PE | 2603421014
Hersteller: BOSCH
Artikelnummer: EB-0603383742-2603421014
nur Informationsartikel
Nie mehr lieferbar
keine Alternativen
Pos.
51
BOSCH Gewindestück | Ersatzteile für PST 850 PE | 2603349011
Hersteller: BOSCH
Artikelnummer: EB-0603383742-2603349011
Netto: 6,70 € zzgl. MwSt.
zzgl. 6,90 € Versand (brutto)
einmalig pro Bestellung

Lieferzeit: 5 Werktage

Pos.
52
BOSCH Zylinderstift 4M 6x10 N31A | Ersatzteile für PST 850 PE | 2917850094
Hersteller: BOSCH
Artikelnummer: EB-0603383742-2917850094
Netto: 3,63 € zzgl. MwSt.
zzgl. 6,90 € Versand (brutto)
einmalig pro Bestellung

Lieferzeit: 5 Werktage

Pos.
53
BOSCH Spannhebel | Ersatzteile für PST 850 PE | 2602098016
Hersteller: BOSCH
Artikelnummer: EB-0603383742-2602098016
Netto: 8,33 € zzgl. MwSt.
zzgl. 6,90 € Versand (brutto)
einmalig pro Bestellung

Lieferzeit: 5 Werktage

Pos.
54
BOSCH Griffkappe | Ersatzteile für PST 850 PE | 2600591013
Hersteller: BOSCH
Artikelnummer: EB-0603383742-2600591013
nur Informationsartikel
Nie mehr lieferbar
keine Alternativen
Pos.
58
BOSCH Rollenhebel | Ersatzteile für PST 850 PE | 2601321051
Hersteller: BOSCH
Artikelnummer: EB-0603383742-2601321051
nur Informationsartikel
Nie mehr lieferbar
keine Alternativen
Pos.
59
BOSCH Zylinderstift | Ersatzteile für PST 850 PE | 2609002725
Hersteller: BOSCH
Artikelnummer: EB-0603383742-2609002725
nur Informationsartikel
Nie mehr lieferbar
keine Alternativen
Pos.
60
BOSCH Abdichtplatte | Ersatzteile für PST 850 PE | 2601015077
Hersteller: BOSCH
Artikelnummer: EB-0603383742-2601015077
Netto: 3,94 € zzgl. MwSt.
zzgl. 6,90 € Versand (brutto)
einmalig pro Bestellung

Lieferzeit: 5 Werktage

Pos.
64
BOSCH Rastkappe | Ersatzteile für PST 850 PE | 2600590006
Hersteller: BOSCH
Artikelnummer: EB-0603383742-2600590006
Netto: 3,94 € zzgl. MwSt.
zzgl. 6,90 € Versand (brutto)
einmalig pro Bestellung

Lieferzeit: 5 Werktage

Pos.
65
BOSCH Rastelement | Ersatzteile für PST 850 PE | 2601038111
Hersteller: BOSCH
Artikelnummer: EB-0603383742-2601038111
nur Informationsartikel
Nie mehr lieferbar
keine Alternativen
Pos.
67
BOSCH Schaltscheibe | Ersatzteile für PST 850 PE | 2602026096
Hersteller: BOSCH
Artikelnummer: EB-0603383742-2602026096
nur Informationsartikel
Nie mehr lieferbar
keine Alternativen
Pos.
69
BOSCH Schraube 4x16 | Ersatzteile für PST 850 PE | 2603490022
Hersteller: BOSCH
Artikelnummer: EB-0603383742-2603490022
Netto: 3,63 € zzgl. MwSt.
zzgl. 6,90 € Versand (brutto)
einmalig pro Bestellung

Lieferzeit: 5 Werktage

Pos.
71
BOSCH Griffschale | Ersatzteile für PST 850 PE | 2608040148
Hersteller: BOSCH
Artikelnummer: EB-0603383742-2608040148
nur Informationsartikel
Nie mehr lieferbar
keine Alternativen
Pos.
75
BOSCH Abdeckhaube | Ersatzteile für PST 850 PE | 2605510169
Hersteller: BOSCH
Artikelnummer: EB-0603383742-2605510169
nur Informationsartikel
Nie mehr lieferbar
keine Alternativen
Pos.
78
BOSCH Sicherungsstift | Ersatzteile für PST 850 PE | 2603105088
Hersteller: BOSCH
Artikelnummer: EB-0603383742-2603105088
Netto: 3,63 € zzgl. MwSt.
zzgl. 6,90 € Versand (brutto)
einmalig pro Bestellung

Lieferzeit: 5 Werktage

Pos.
80
BOSCH Drehzahlregler 230V | Ersatzteile für PST 850 PE | 2607233051
Hersteller: BOSCH
Artikelnummer: EB-0603383742-2607233051
nur Informationsartikel
Nie mehr lieferbar
keine Alternativen
Pos.
207
BOSCH Leitungshalter | Ersatzteile für PST 850 PE | 2601035001
Hersteller: BOSCH
Artikelnummer: EB-0603383742-2601035001
Netto: 3,94 € zzgl. MwSt.
zzgl. 6,90 € Versand (brutto)
einmalig pro Bestellung

Lieferzeit: 5 Werktage

Pos.
801
BOSCH Gehäuseschale | Ersatzteile für PST 850 PE | 2605104788
Hersteller: BOSCH
Artikelnummer: EB-0603383742-2605104788
nur Informationsartikel
Nie mehr lieferbar
keine Alternativen
Pos.
808
BOSCH Hinweisschild | Ersatzteile für PST 850 PE | 2601117234
Hersteller: BOSCH
Artikelnummer: EB-0603383742-2601117234
nur Informationsartikel
Nie mehr lieferbar
keine Alternativen
Pos.
826
BOSCH Lagerbrücke | Ersatzteile für PST 850 PE | 2605807936
Hersteller: BOSCH
Artikelnummer: EB-0603383742-2605807936
nur Informationsartikel
Nie mehr lieferbar
keine Alternativen
Pos.
827
BOSCH Exzenterzahnrad | Ersatzteile für PST 850 PE | 2606320904
Hersteller: BOSCH
Artikelnummer: EB-0603383742-2606320904
nur Informationsartikel
Nie mehr lieferbar
keine Alternativen
Pos.
834
BOSCH Sicherungsring DIN 471-4x0,4-FSt | Ersatzteile für PST 850 PE | 2916640001
Hersteller: BOSCH
Artikelnummer: EB-0603383742-2916640001
Netto: 3,63 € zzgl. MwSt.
zzgl. 6,90 € Versand (brutto)
einmalig pro Bestellung

Lieferzeit: 5 Werktage

Pos.
839
BOSCH Sicherungsring DIN 471-8x0,8 FSt | Ersatzteile für PST 850 PE | 2916640005
Hersteller: BOSCH
Artikelnummer: EB-0603383742-2916640005
nur Informationsartikel
Nie mehr lieferbar
keine Alternativen
Pos.
891
BOSCH Kreuzschlitzschraube M3x5 | Ersatzteile für PST 850 PE | 2603410046
Hersteller: BOSCH
Artikelnummer: EB-0603383742-2603410046
Netto: 4,32 € zzgl. MwSt.
zzgl. 6,90 € Versand (brutto)
einmalig pro Bestellung

Lieferzeit: 5 Werktage

Pos.
895
BOSCH Verschluss | Ersatzteile für PST 850 PE | 2601320027
Hersteller: BOSCH
Artikelnummer: EB-0603383742-2601320027
Netto: 4,82 € zzgl. MwSt.
zzgl. 6,90 € Versand (brutto)
einmalig pro Bestellung

Lieferzeit: 5 Werktage

Angaben zur Produktsicherheit

Hersteller:
Robert Bosch Power Tools GmbH
Postfach 30 02 20
70442 Stuttgart

E-Mail:
kontakt@bosch.de