BOSCH Typschild | Ersatzteile für PWS 1600 | 160111A3H3

Artikelnummer: EB-0603257965-160111A3H3

Position: 888

Marke: BOSCH


Bitte Kompatibilität prüfen!

Bitte prüfen Sie unbedingt die 10-stellige Typennummer Ihrer Maschine / Ihres Gerätes. Das Ersatzteil ist nur kompatibel, wenn Sie die Typennummer Ihrer Maschine in der unten stehenden Produktbeschreibung finden.

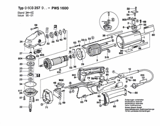
Bitte prüfen Sie ebenfalls detailliert die Explosionszeichnung mit Ihrem Artikelwunsch und der jeweiligen Pos-Nummer.

Alle Elemente, welche vom schwarzen Strich der Pos-Nummer ausgehend berührt / erfasst werden, gehören zu dieser Pos-Nummer und somit zu diesem Artikel. Jede Pos-Nummer ist ein eigenständiger Artikel, welchen Sie in der Auflistung finden.

Sie erhalten stets die aktuellste, neueste Produktversion zu der gewählten Pos-Nummer seitens des Herstellers. Es kann daher je nach Gerätealter vorkommen, dass Sie ggf. weitere, zugehörige Elemente, welche an diese Pos-Nummer grenzen, ebenfalls mittauschen müssen.

Nähere Informationen finden Sie unter dem Link
Hinweise zu Ihrer BOSCH Ersatzteilsuche

Preisübersicht

Einzelpreis: 4,53 €* (Brutto: 5,39 €)
Gesamtpreis: 4,53 €* 
Position:

Lieferzeit: 5 Werktage


Beschreibung

  • Typschild
  • Original Bosch Zubehör / BOSCH Ersatzteil (160111A3H3)
  • im Gerät verbaut: 1
Dieses BOSCH Ersatzteil ist mit folgendem Gerät und Modell kompatibel:
  • BOSCH Gerätename: PWS 1600
  • BOSCH Explosionszeichnung: Position 888
  • BOSCH Typennummer: 0603257965
  • BOSCH Typennummer alternative Schreibweisen: 0 603 257 965, 0603 257 965, 0.603.257.965, 0-603-257-965
    Bitte prüfen Sie diese Typennummer auf Ihrem Gerät um die Kompatibilität des BOSCH Ersatzteils zu gewährleisten.
Weitere BOSCH Ersatzteile des Gerätes PWS 1600 (Hw-Winkelschleifer) mit der Typennummer 0603257965 finden Sie in der nachfolgenden Darstellung und im Dropdown zu Ihrer Auswahl:

Pos.
1
BOSCH Motorgehäuse GRUEN | Ersatzteile für PWS 1600 | 1605108121
Hersteller: BOSCH
Artikelnummer: EB-0603257965-1605108121
nur Informationsartikel
Nie mehr lieferbar
keine Alternativen
Pos.
3/8
BOSCH Kabelschuh 1,5-4x4 | Ersatzteile für PWS 1600 | 1901350003
Hersteller: BOSCH
Artikelnummer: EB-0603257965-1901350003
Netto: 3,63 € zzgl. MwSt.
zzgl. 6,90 € Versand (brutto)
einmalig pro Bestellung

Lieferzeit: 5 Werktage

Pos.
BOSCH Zusatzhandgriff | Ersatzteile für *PWS 1600 | 16020250A1
Hersteller: BOSCH
Artikelnummer:
Netto: 12,98 € zzgl. MwSt.
zzgl. 6,90 € Versand (brutto)
einmalig pro Bestellung

Lieferzeit: 5 Werktage

Pos.
650/10
BOSCH Zusatzhandgriff M14 SCHWARZ | Ersatzteile für PWS 1600 | 1602025022
Hersteller: BOSCH
Artikelnummer: EB-0603257965-1602025022
Netto: 11,41 € zzgl. MwSt.
zzgl. 6,90 € Versand (brutto)
einmalig pro Bestellung

Lieferzeit: 5 Werktage

Pos.
650/10
BOSCH Zusatzhandgriff M14, Ø37x115 MM SCHWARZ | Ersatzteile für PWS 1600 | 1602025030
Hersteller: BOSCH
Artikelnummer: EB-0603257965-1602025030
Netto: 14,92 € zzgl. MwSt.
zzgl. 6,90 € Versand (brutto)
einmalig pro Bestellung

Lieferzeit: 5 Werktage

Pos.
650/20
BOSCH Einmaulschlüssel SW17 | Ersatzteile für PWS 1600 | 2607950511
Hersteller: BOSCH
Artikelnummer: EB-0603257965-2607950511
Netto: 5,67 € zzgl. MwSt.
zzgl. 6,90 € Versand (brutto)
einmalig pro Bestellung

Lieferzeit: 5 Werktage

Pos.
650/30
BOSCH Zweilochmutterndreher | Ersatzteile für PWS 1600 | 1607950061
Hersteller: BOSCH
Artikelnummer: EB-0603257965-1607950061
Netto: 5,60 € zzgl. MwSt.
zzgl. 6,90 € Versand (brutto)
einmalig pro Bestellung

Lieferzeit: 5 Werktage

Pos.
650/40
BOSCH Aufnahmeflansch Ø45 MM | Ersatzteile für PWS 1600 | 2600501006
Hersteller: BOSCH
Artikelnummer: EB-0603257965-2600501006
Netto: 15,75 € zzgl. MwSt.
zzgl. 6,90 € Versand (brutto)
einmalig pro Bestellung

Lieferzeit: 5 Werktage

Pos.
650/50
BOSCH Rundmutter M14 | Ersatzteile für PWS 1600 | 2603345004
Hersteller: BOSCH
Artikelnummer: EB-0603257965-2603345004
Netto: 7,30 € zzgl. MwSt.
zzgl. 6,90 € Versand (brutto)
einmalig pro Bestellung

Lieferzeit: 5 Werktage

Pos.
650/60
BOSCH Winkelschraubendreher DIN 911 SW6 | Ersatzteile für PWS 1600 | 1907950007
Hersteller: BOSCH
Artikelnummer: EB-0603257965-1907950007
Netto: 6,15 € zzgl. MwSt.
zzgl. 6,90 € Versand (brutto)
einmalig pro Bestellung

Lieferzeit: 5 Werktage

Pos.
652/20
BOSCH Innensechskantschraube DIN 912-M8x18-8.8 | Ersatzteile für PWS 1600 | 2910141240
Hersteller: BOSCH
Artikelnummer: EB-0603257965-2910141240
nur Informationsartikel
Nie mehr lieferbar
keine Alternativen
Pos.
2
BOSCH Bürstenhalter | Ersatzteile für PWS 1600 | 1604336008
Hersteller: BOSCH
Artikelnummer: EB-0603257965-1604336008
Netto: 17,38 € zzgl. MwSt.
zzgl. 6,90 € Versand (brutto)
einmalig pro Bestellung

Lieferzeit: 5 Werktage

Pos.
3
BOSCH Polschuh 220V | Ersatzteile für PWS 1600 | 1604220215
Hersteller: BOSCH
Artikelnummer: EB-0603257965-1604220215
nur Informationsartikel
Nie mehr lieferbar
keine Alternativen
Pos.
6
BOSCH Spiralfeder | Ersatzteile für PWS 1600 | 1604652015
Hersteller: BOSCH
Artikelnummer: EB-0603257965-1604652015
Netto: 4,82 € zzgl. MwSt.
zzgl. 6,90 € Versand (brutto)
einmalig pro Bestellung

Lieferzeit: 5 Werktage

Pos.
8
BOSCH Verschlussdeckel GRUEN | Ersatzteile für PWS 1600 | 1605500109
Hersteller: BOSCH
Artikelnummer: EB-0603257965-1605500109
nur Informationsartikel
Nie mehr lieferbar
keine Alternativen
Pos.
10
BOSCH Ein/Aus-Schalter | Ersatzteile für PWS 1600 | 1607200082
Hersteller: BOSCH
Artikelnummer: EB-0603257965-1607200082
nur Informationsartikel
Nie mehr lieferbar
keine Alternativen
Pos.
12
BOSCH Tülle Ø9,2-Ø12x120 MM | Ersatzteile für PWS 1600 | 3600703011
Hersteller: BOSCH
Artikelnummer: EB-0603257965-3600703011
Netto: 4,82 € zzgl. MwSt.
zzgl. 6,90 € Versand (brutto)
einmalig pro Bestellung

Lieferzeit: 5 Werktage

Pos.
14
BOSCH Entstörfilter | Ersatzteile für PWS 1600 | 1607328034
Hersteller: BOSCH
Artikelnummer: EB-0603257965-1607328034
Netto: 5,67 € zzgl. MwSt.
zzgl. 6,90 € Versand (brutto)
einmalig pro Bestellung

Lieferzeit: 5 Werktage

Pos.
15
BOSCH Befestigungsschelle | Ersatzteile für PWS 1600 | 1601302014
Hersteller: BOSCH
Artikelnummer: EB-0603257965-1601302014
Netto: 3,94 € zzgl. MwSt.
zzgl. 6,90 € Versand (brutto)
einmalig pro Bestellung

Lieferzeit: 5 Werktage

Pos.
20
BOSCH Lagerdeckel | Ersatzteile für PWS 1600 | 1605808054
Hersteller: BOSCH
Artikelnummer: EB-0603257965-1605808054
nur Informationsartikel
Nie mehr lieferbar
keine Alternativen
Pos.
21
BOSCH Abdeckscheibe | Ersatzteile für PWS 1600 | 1600102012
Hersteller: BOSCH
Artikelnummer: EB-0603257965-1600102012
nur Informationsartikel
Nie mehr lieferbar
keine Alternativen
Pos.
22
BOSCH Schleifspindel M14, L=101 MM | Ersatzteile für PWS 1600 | 1603523090
Hersteller: BOSCH
Artikelnummer: EB-0603257965-1603523090
nur Informationsartikel
Nie mehr lieferbar
keine Alternativen
Pos.
23
BOSCH Dichtscheibe | Ersatzteile für PWS 1600 | 1600108055
Hersteller: BOSCH
Artikelnummer: EB-0603257965-1600108055
Netto: 3,63 € zzgl. MwSt.
zzgl. 6,90 € Versand (brutto)
einmalig pro Bestellung

Lieferzeit: 5 Werktage

Pos.
26
BOSCH Getriebegehäuse | Ersatzteile für PWS 1600 | 1605806403
Hersteller: BOSCH
Artikelnummer: EB-0603257965-1605806403
nur Informationsartikel
Nie mehr lieferbar
keine Alternativen
Pos.
27
BOSCH Nadellager Ø14 MM | Ersatzteile für PWS 1600 | 2600910001
Hersteller: BOSCH
Artikelnummer: EB-0603257965-2600910001
Netto: 5,67 € zzgl. MwSt.
zzgl. 6,90 € Versand (brutto)
einmalig pro Bestellung

Lieferzeit: 5 Werktage

Pos.
28
BOSCH Gummiring 7 MM BREIT | Ersatzteile für PWS 1600 | 1600206020
Hersteller: BOSCH
Artikelnummer: EB-0603257965-1600206020
Netto: 3,94 € zzgl. MwSt.
zzgl. 6,90 € Versand (brutto)
einmalig pro Bestellung

Lieferzeit: 5 Werktage

Pos.
29
BOSCH Luftleitring | Ersatzteile für PWS 1600 | 1600502017
Hersteller: BOSCH
Artikelnummer: EB-0603257965-1600502017
nur Informationsartikel
Nie mehr lieferbar
keine Alternativen
Pos.
30
BOSCH Sicherungsring DIN 472 38X1,5MM | Ersatzteile für PWS 1600 | 2916660017
Hersteller: BOSCH
Artikelnummer: EB-0603257965-2916660017
Netto: 5,67 € zzgl. MwSt.
zzgl. 6,90 € Versand (brutto)
einmalig pro Bestellung

Lieferzeit: 5 Werktage

Pos.
32
BOSCH Radial-Wellendichtring 18,7 MM ROT | Ersatzteile für PWS 1600 | 1600290013
Hersteller: BOSCH
Artikelnummer: EB-0603257965-1600290013
Netto: 4,53 € zzgl. MwSt.
zzgl. 6,90 € Versand (brutto)
einmalig pro Bestellung

Lieferzeit: 5 Werktage

Pos.
34
BOSCH Ausgleichscheibe 0,1 MM DICK | Ersatzteile für PWS 1600 | 1600190004
Hersteller: BOSCH
Artikelnummer: EB-0603257965-1600190004
nur Informationsartikel
Nie mehr lieferbar
keine Alternativen
Pos.
34
BOSCH Ausgleichscheibe 0,2 MM DICK | Ersatzteile für PWS 1600 | 1600190005
Hersteller: BOSCH
Artikelnummer: EB-0603257965-1600190005
nur Informationsartikel
Nie mehr lieferbar
keine Alternativen
Pos.
35
BOSCH Sicherungsblech | Ersatzteile für PWS 1600 | 1601030022
Hersteller: BOSCH
Artikelnummer: EB-0603257965-1601030022
Netto: 3,94 € zzgl. MwSt.
zzgl. 6,90 € Versand (brutto)
einmalig pro Bestellung

Lieferzeit: 5 Werktage

Pos.
36
BOSCH Gummiring | Ersatzteile für PWS 1600 | 1600206015
Hersteller: BOSCH
Artikelnummer: EB-0603257965-1600206015
Netto: 4,32 € zzgl. MwSt.
zzgl. 6,90 € Versand (brutto)
einmalig pro Bestellung

Lieferzeit: 5 Werktage

Pos.
38
BOSCH Firmenschild | Ersatzteile für PWS 1600 | 1601110003
Hersteller: BOSCH
Artikelnummer: EB-0603257965-1601110003
nur Informationsartikel
Nie mehr lieferbar
keine Alternativen
Pos.
40
BOSCH Federscheibe Ø27,5x38,4 MM | Ersatzteile für PWS 1600 | 1600150007
Hersteller: BOSCH
Artikelnummer: EB-0603257965-1600150007
nur Informationsartikel
Nie mehr lieferbar
keine Alternativen
Pos.
50
BOSCH Rillenkugellager 6203-2 Z DIN 625 | Ersatzteile für PWS 1600 | 1900905227
Hersteller: BOSCH
Artikelnummer: EB-0603257965-1900905227
nur Informationsartikel
Nie mehr lieferbar
keine Alternativen
Pos.
52
BOSCH Rillenkugellager 10x35x11 | Ersatzteile für PWS 1600 | 1600905025
Hersteller: BOSCH
Artikelnummer: EB-0603257965-1600905025
nur Informationsartikel
Nie mehr lieferbar
keine Alternativen
Pos.
53
BOSCH Rillenkugellager | Ersatzteile für PWS 1600 | 1600900029
Hersteller: BOSCH
Artikelnummer: EB-0603257965-1600900029
nur Informationsartikel
Nie mehr lieferbar
keine Alternativen
Pos.
53
BOSCH Rillenkugellager 10x26x8 | Ersatzteile für PWS 1600 | 1900900407
Hersteller: BOSCH
Artikelnummer: EB-0603257965-1900900407
nur Informationsartikel
Nie mehr lieferbar
keine Alternativen
Pos.
54
BOSCH Zylinderschraube DIN 84-AM4x8-8.8 | Ersatzteile für PWS 1600 | 2910021118
Hersteller: BOSCH
Artikelnummer: EB-0603257965-2910021118
Netto: 3,63 € zzgl. MwSt.
zzgl. 6,90 € Versand (brutto)
einmalig pro Bestellung

Lieferzeit: 5 Werktage

Pos.
55
BOSCH Blechschraube DIN 7971-ST3,9x22-F | Ersatzteile für PWS 1600 | 2910211021
Hersteller: BOSCH
Artikelnummer: EB-0603257965-2910211021
Netto: 3,94 € zzgl. MwSt.
zzgl. 6,90 € Versand (brutto)
einmalig pro Bestellung

Lieferzeit: 5 Werktage

Pos.
57
BOSCH Zylinderschraube DIN 84-AM5x15-5.8 | Ersatzteile für PWS 1600 | 2910011157
Hersteller: BOSCH
Artikelnummer: EB-0603257965-2910011157
nur Informationsartikel
Nie mehr lieferbar
keine Alternativen
Pos.
58
BOSCH Blechschraube DIN 7971-B 3,9x19 | Ersatzteile für PWS 1600 | 2910211220
Hersteller: BOSCH
Artikelnummer: EB-0603257965-2910211220
nur Informationsartikel
Nie mehr lieferbar
keine Alternativen
Pos.
60
BOSCH Blechschraube ST-4,8x57,5-TORX,T20 | Ersatzteile für PWS 1600 | 1613435009
Hersteller: BOSCH
Artikelnummer: EB-0603257965-1613435009
Netto: 3,94 € zzgl. MwSt.
zzgl. 6,90 € Versand (brutto)
einmalig pro Bestellung

Lieferzeit: 5 Werktage

Pos.
61
BOSCH Zylinderschraube DIN 84-AM5x20-5.8 | Ersatzteile für PWS 1600 | 2910011162
Hersteller: BOSCH
Artikelnummer: EB-0603257965-2910011162
Netto: 3,63 € zzgl. MwSt.
zzgl. 6,90 € Versand (brutto)
einmalig pro Bestellung

Lieferzeit: 5 Werktage

Pos.
62
BOSCH Sechskantmutter | Ersatzteile für PWS 1600 | 1603300018
Hersteller: BOSCH
Artikelnummer: EB-0603257965-1603300018
nur Informationsartikel
Nie mehr lieferbar
keine Alternativen
Pos.
63
BOSCH Blechschraube B4,8x90 MM | Ersatzteile für PWS 1600 | 1603435006
Hersteller: BOSCH
Artikelnummer: EB-0603257965-1603435006
nur Informationsartikel
Nie mehr lieferbar
keine Alternativen
Pos.
69
BOSCH Blechschraube DIN 7971-BZ3,5x13 | Ersatzteile für PWS 1600 | 2910211011
Hersteller: BOSCH
Artikelnummer: EB-0603257965-2910211011
Netto: 3,63 € zzgl. MwSt.
zzgl. 6,90 € Versand (brutto)
einmalig pro Bestellung

Lieferzeit: 5 Werktage

Pos.
71
BOSCH Zwischenflansch | Ersatzteile für PWS 1600 | 1605700020
Hersteller: BOSCH
Artikelnummer: EB-0603257965-1605700020
nur Informationsartikel
Nie mehr lieferbar
keine Alternativen
Pos.
72
BOSCH Drahtwiderstand | Ersatzteile für PWS 1600 | 1604503007
Hersteller: BOSCH
Artikelnummer: EB-0603257965-1604503007
nur Informationsartikel
Nie mehr lieferbar
keine Alternativen
Pos.
78
BOSCH Aderendhülse | Ersatzteile für PWS 1600 | 1600452001
Hersteller: BOSCH
Artikelnummer: EB-0603257965-1600452001
nur Informationsartikel
Nie mehr lieferbar
keine Alternativen
Pos.
80
BOSCH Hinweisschild | Ersatzteile für PWS 1600 | 1601110180
Hersteller: BOSCH
Artikelnummer: EB-0603257965-1601110180
nur Informationsartikel
Nie mehr lieferbar
keine Alternativen
Pos.
84
BOSCH Aderendhülse DIN 46 228-A2,5-7 | Ersatzteile für PWS 1600 | 1900452003
Hersteller: BOSCH
Artikelnummer: EB-0603257965-1900452003
Netto: 4,53 € zzgl. MwSt.
zzgl. 6,90 € Versand (brutto)
einmalig pro Bestellung

Lieferzeit: 5 Werktage

Pos.
652
BOSCH Schutzhaube Ø 180 MM | Ersatzteile für PWS 1600 | 2605510083
Hersteller: BOSCH
Artikelnummer: EB-0603257965-2605510083
nur Informationsartikel
Nie mehr lieferbar
keine Alternativen
Pos.
800
BOSCH Kohlebürstensatz | Ersatzteile für PWS 1600 | 1607014103
Hersteller: BOSCH
Artikelnummer: EB-0603257965-1607014103
nur Informationsartikel
Nie mehr lieferbar
keine Alternativen
Pos.
804
BOSCH Tellerrad Z=59 | Ersatzteile für PWS 1600 | 1606333200
Hersteller: BOSCH
Artikelnummer: EB-0603257965-1606333200
nur Informationsartikel
Nie mehr lieferbar
keine Alternativen
Pos.
805
BOSCH Kegelrad Z=14, Ø 10 MM | Ersatzteile für PWS 1600 | 1606333218
Hersteller: BOSCH
Artikelnummer: EB-0603257965-1606333218
nur Informationsartikel
Nie mehr lieferbar
keine Alternativen
Pos.
805
BOSCH Kegelrad Z=14, Ø 12 MM | Ersatzteile für PWS 1600 | 1606333201
Hersteller: BOSCH
Artikelnummer: EB-0603257965-1606333201
nur Informationsartikel
Nie mehr lieferbar
keine Alternativen
Pos.
817
BOSCH Lagerflansch | Ersatzteile für PWS 1600 | 1607000229
Hersteller: BOSCH
Artikelnummer: EB-0603257965-1607000229
nur Informationsartikel
Nie mehr lieferbar
keine Alternativen
Pos.
830
BOSCH Anker 220V | Ersatzteile für PWS 1600 | 1604011130
Hersteller: BOSCH
Artikelnummer: EB-0603257965-1604011130
nur Informationsartikel
Nie mehr lieferbar
keine Alternativen
Pos.
835
BOSCH Netzanschlussleitung EU 4,15m 2 x 1,5mm H07 RN-F | Ersatzteile für PWS 1600 | 1607000228
Hersteller: BOSCH
Artikelnummer: EB-0603257965-1607000228
Netto: 21,16 € zzgl. MwSt.
zzgl. 6,90 € Versand (brutto)
einmalig pro Bestellung

Lieferzeit: 5 Werktage

Pos.
842
BOSCH Teilesatz GRUEN | Ersatzteile für PWS 1600 | 1607000186
Hersteller: BOSCH
Artikelnummer: EB-0603257965-1607000186
nur Informationsartikel
Nie mehr lieferbar
keine Alternativen
Pos.
888
BOSCH Typschild | Ersatzteile für PWS 1600 | 160111A3H3
Hersteller: BOSCH
Artikelnummer: EB-0603257965-160111A3H3
Netto: 4,53 € zzgl. MwSt.
zzgl. 6,90 € Versand (brutto)
einmalig pro Bestellung

Lieferzeit: 5 Werktage

Angaben zur Produktsicherheit

Hersteller:
Robert Bosch Power Tools GmbH
Postfach 30 02 20
70442 Stuttgart

E-Mail:
kontakt@bosch.de