BOSCH Steckhülsengehäuse | Ersatzteile für PWS 20-230 | 1605190068

Artikelnummer: EB-3603C59W00-1605190068

Position: 53

Marke: BOSCH


Bitte Kompatibilität prüfen!

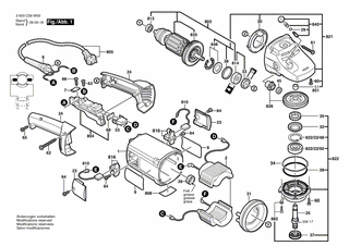
Bitte prüfen Sie unbedingt die 10-stellige Typennummer Ihrer Maschine / Ihres Gerätes. Das Ersatzteil ist nur kompatibel, wenn Sie die Typennummer Ihrer Maschine in der unten stehenden Produktbeschreibung finden.

Bitte prüfen Sie ebenfalls detailliert die Explosionszeichnung mit Ihrem Artikelwunsch und der jeweiligen Pos-Nummer.

Alle Elemente, welche vom schwarzen Strich der Pos-Nummer ausgehend berührt / erfasst werden, gehören zu dieser Pos-Nummer und somit zu diesem Artikel. Jede Pos-Nummer ist ein eigenständiger Artikel, welchen Sie in der Auflistung finden.

Sie erhalten stets die aktuellste, neueste Produktversion zu der gewählten Pos-Nummer seitens des Herstellers. Es kann daher je nach Gerätealter vorkommen, dass Sie ggf. weitere, zugehörige Elemente, welche an diese Pos-Nummer grenzen, ebenfalls mittauschen müssen.

Nähere Informationen finden Sie unter dem Link
Hinweise zu Ihrer BOSCH Ersatzteilsuche

Preisübersicht

Einzelpreis: 3,60 €* (Brutto: 4,28 €)
Gesamtpreis: 3,60 €* 
Position:

Lieferzeit: 5 Werktage


Beschreibung

  • Steckhülsengehäuse
  • Original Bosch Zubehör / BOSCH Ersatzteil (1605190068)
  • im Gerät verbaut: 1
Dieses BOSCH Ersatzteil ist mit folgendem Gerät und Modell kompatibel:
  • BOSCH Gerätename: PWS 20-230
  • BOSCH Explosionszeichnung: Position 53
  • BOSCH Typennummer: 3603C59W00
  • BOSCH Typennummer alternative Schreibweisen: 3 603 C59 W00, 3603 C59 W00, 3.603.C59.W00, 3-603-C59-W00
    Bitte prüfen Sie diese Typennummer auf Ihrem Gerät um die Kompatibilität des BOSCH Ersatzteils zu gewährleisten.
Weitere BOSCH Ersatzteile des Gerätes PWS 20-230 (Winkelschleifer) mit der Typennummer 3603C59W00 finden Sie in der nachfolgenden Darstellung und im Dropdown zu Ihrer Auswahl:

Pos.
1
BOSCH Motorgehäuse GRUEN | Ersatzteile für PWS 20-230 | 1605108235
Hersteller: BOSCH
Artikelnummer: EB-3603C59W00-1605108235
Netto: 13,81 € zzgl. MwSt.
zzgl. 6,90 € Versand (brutto)
einmalig pro Bestellung

Lieferzeit: 5 Werktage

Pos.
891/1
BOSCH Zusatzhandgriff | Ersatzteile für PWS 20-230 | 160202509Z
Hersteller: BOSCH
Artikelnummer: EB-3603C59W00-160202509Z
Netto: 13,81 € zzgl. MwSt.
zzgl. 6,90 € Versand (brutto)
einmalig pro Bestellung

Lieferzeit: 5 Werktage

Pos.
2
BOSCH Polschuh 220-240V | Ersatzteile für PWS 20-230 | 1604220380
Hersteller: BOSCH
Artikelnummer: EB-3603C59W00-1604220380
Netto: 28,93 € zzgl. MwSt.
zzgl. 6,90 € Versand (brutto)
einmalig pro Bestellung

Lieferzeit: 5 Werktage

Pos.
6
BOSCH Tülle Ø 10,5-Ø11,0x100 MM | Ersatzteile für PWS 20-230 | 1600703023
Hersteller: BOSCH
Artikelnummer: EB-3603C59W00-1600703023
Netto: 4,56 € zzgl. MwSt.
zzgl. 6,90 € Versand (brutto)
einmalig pro Bestellung

Lieferzeit: 5 Werktage

Pos.
7
BOSCH Befestigungsschelle | Ersatzteile für PWS 20-230 | 1601302018
Hersteller: BOSCH
Artikelnummer: EB-3603C59W00-1601302018
Netto: 3,94 € zzgl. MwSt.
zzgl. 6,90 € Versand (brutto)
einmalig pro Bestellung

Lieferzeit: 5 Werktage

Pos.
23
BOSCH Verschlussdeckel GRUEN | Ersatzteile für PWS 20-230 | 1605500235
Hersteller: BOSCH
Artikelnummer: EB-3603C59W00-1605500235
Netto: 5,65 € zzgl. MwSt.
zzgl. 6,90 € Versand (brutto)
einmalig pro Bestellung

Lieferzeit: 5 Werktage

Pos.
24
BOSCH Handgriff GRUEN | Ersatzteile für PWS 20-230 | 1605132142
Hersteller: BOSCH
Artikelnummer: EB-3603C59W00-1605132142
Netto: 10,62 € zzgl. MwSt.
zzgl. 6,90 € Versand (brutto)
einmalig pro Bestellung

Lieferzeit: 5 Werktage

Pos.
25
BOSCH Schleifspindel | Ersatzteile für PWS 20-230 | 160312305U
Hersteller: BOSCH
Artikelnummer: EB-3603C59W00-160312305U
Netto: 11,58 € zzgl. MwSt.
zzgl. 6,90 € Versand (brutto)
einmalig pro Bestellung

Lieferzeit: 5 Werktage

Pos.
25
BOSCH Schleifspindel M14, SW17 | Ersatzteile für PWS 20-230 | 1603523113
Hersteller: BOSCH
Artikelnummer: EB-3603C59W00-1603523113
Netto: 10,27 € zzgl. MwSt.
zzgl. 6,90 € Versand (brutto)
einmalig pro Bestellung

Lieferzeit: 5 Werktage

Pos.
9
BOSCH Firmenschild PWS 20-230 | Ersatzteile für PWS 20-230 | 1601118S37
Hersteller: BOSCH
Artikelnummer: EB-3603C59W00-1601118S37
Netto: 4,32 € zzgl. MwSt.
zzgl. 6,90 € Versand (brutto)
einmalig pro Bestellung

Lieferzeit: 5 Werktage

Pos.
28
BOSCH O-Ring 79,0x1,78 MM | Ersatzteile für PWS 20-230 | 1600210033
Hersteller: BOSCH
Artikelnummer: EB-3603C59W00-1600210033
Netto: 3,94 € zzgl. MwSt.
zzgl. 6,90 € Versand (brutto)
einmalig pro Bestellung

Lieferzeit: 5 Werktage

Pos.
29
BOSCH O-Ring 8,0x1,0 MM | Ersatzteile für PWS 20-230 | 1600210045
Hersteller: BOSCH
Artikelnummer: EB-3603C59W00-1600210045
Netto: 3,94 € zzgl. MwSt.
zzgl. 6,90 € Versand (brutto)
einmalig pro Bestellung

Lieferzeit: 5 Werktage

Pos.
30
BOSCH Luftverteiler | Ersatzteile für PWS 20-230 | 1600591035
Hersteller: BOSCH
Artikelnummer: EB-3603C59W00-1600591035
Netto: 4,56 € zzgl. MwSt.
zzgl. 6,90 € Versand (brutto)
einmalig pro Bestellung

Lieferzeit: 5 Werktage

Pos.
32
BOSCH Haltering | Ersatzteile für PWS 20-230 | 1600290019
Hersteller: BOSCH
Artikelnummer: EB-3603C59W00-1600290019
Netto: 3,94 € zzgl. MwSt.
zzgl. 6,90 € Versand (brutto)
einmalig pro Bestellung

Lieferzeit: 5 Werktage

Pos.
33
BOSCH Radial-Wellendichtring 18,7 MM ROT | Ersatzteile für PWS 20-230 | 1600290013
Hersteller: BOSCH
Artikelnummer: EB-3603C59W00-1600290013
Netto: 4,56 € zzgl. MwSt.
zzgl. 6,90 € Versand (brutto)
einmalig pro Bestellung

Lieferzeit: 5 Werktage

Pos.
34
BOSCH Ausgleichscheibe 0,1 MM DICK | Ersatzteile für PWS 20-230 | 1600190022
Hersteller: BOSCH
Artikelnummer: EB-3603C59W00-1600190022
Netto: 3,94 € zzgl. MwSt.
zzgl. 6,90 € Versand (brutto)
einmalig pro Bestellung

Lieferzeit: 5 Werktage

Pos.
34
BOSCH Ausgleichscheibe 0,15 MM DICK | Ersatzteile für PWS 20-230 | 1600190020
Hersteller: BOSCH
Artikelnummer: EB-3603C59W00-1600190020
Netto: 3,94 € zzgl. MwSt.
zzgl. 6,90 € Versand (brutto)
einmalig pro Bestellung

Lieferzeit: 5 Werktage

Pos.
34
BOSCH Ausgleichscheibe 0,2 MM DICK | Ersatzteile für PWS 20-230 | 1600190037
Hersteller: BOSCH
Artikelnummer: EB-3603C59W00-1600190037
Netto: 3,60 € zzgl. MwSt.
zzgl. 6,90 € Versand (brutto)
einmalig pro Bestellung

Lieferzeit: 5 Werktage

Pos.
34
BOSCH Ausgleichscheibe 0,25 MM DICK | Ersatzteile für PWS 20-230 | 1600190038
Hersteller: BOSCH
Artikelnummer: EB-3603C59W00-1600190038
Netto: 3,60 € zzgl. MwSt.
zzgl. 6,90 € Versand (brutto)
einmalig pro Bestellung

Lieferzeit: 5 Werktage

Pos.
34
BOSCH Ausgleichscheibe 0,3 MM DICK | Ersatzteile für PWS 20-230 | 1600190021
Hersteller: BOSCH
Artikelnummer: EB-3603C59W00-1600190021
Netto: 4,56 € zzgl. MwSt.
zzgl. 6,90 € Versand (brutto)
einmalig pro Bestellung

Lieferzeit: 5 Werktage

Pos.
34
BOSCH Ausgleichscheibe 0,35 MM DICK | Ersatzteile für PWS 20-230 | 1600190039
Hersteller: BOSCH
Artikelnummer: EB-3603C59W00-1600190039
Netto: 3,60 € zzgl. MwSt.
zzgl. 6,90 € Versand (brutto)
einmalig pro Bestellung

Lieferzeit: 5 Werktage

Pos.
34
BOSCH Ausgleichscheibe 0,4 MM DICK | Ersatzteile für PWS 20-230 | 1600190040
Hersteller: BOSCH
Artikelnummer: EB-3603C59W00-1600190040
Netto: 3,60 € zzgl. MwSt.
zzgl. 6,90 € Versand (brutto)
einmalig pro Bestellung

Lieferzeit: 5 Werktage

Pos.
35
BOSCH Filzring | Ersatzteile für PWS 20-230 | 1600205034
Hersteller: BOSCH
Artikelnummer: EB-3603C59W00-1600205034
Netto: 3,94 € zzgl. MwSt.
zzgl. 6,90 € Versand (brutto)
einmalig pro Bestellung

Lieferzeit: 5 Werktage

Pos.
37
BOSCH Dichtring SCHWARZ | Ersatzteile für PWS 20-230 | 1600290036
Hersteller: BOSCH
Artikelnummer: EB-3603C59W00-1600290036
Netto: 4,36 € zzgl. MwSt.
zzgl. 6,90 € Versand (brutto)
einmalig pro Bestellung

Lieferzeit: 5 Werktage

Pos.
38
BOSCH Gummiring 7 MM BREIT | Ersatzteile für PWS 20-230 | 1600206020
Hersteller: BOSCH
Artikelnummer: EB-3603C59W00-1600206020
Netto: 3,94 € zzgl. MwSt.
zzgl. 6,90 € Versand (brutto)
einmalig pro Bestellung

Lieferzeit: 5 Werktage

Pos.
39
BOSCH Gummiring | Ersatzteile für PWS 20-230 | 1600206030
Hersteller: BOSCH
Artikelnummer: EB-3603C59W00-1600206030
Netto: 3,94 € zzgl. MwSt.
zzgl. 6,90 € Versand (brutto)
einmalig pro Bestellung

Lieferzeit: 5 Werktage

Pos.
45
BOSCH Sechskantmutter M10, SW14 | Ersatzteile für PWS 20-230 | 1603300019
Hersteller: BOSCH
Artikelnummer: EB-3603C59W00-1603300019
Netto: 3,94 € zzgl. MwSt.
zzgl. 6,90 € Versand (brutto)
einmalig pro Bestellung

Lieferzeit: 5 Werktage

Pos.
51
BOSCH Gleitlager Ø14 MM | Ersatzteile für PWS 20-230 | 1600200031
Hersteller: BOSCH
Artikelnummer: EB-3603C59W00-1600200031
Netto: 4,80 € zzgl. MwSt.
zzgl. 6,90 € Versand (brutto)
einmalig pro Bestellung

Lieferzeit: 5 Werktage

Pos.
53
BOSCH Steckhülsengehäuse | Ersatzteile für PWS 20-230 | 1605190068
Hersteller: BOSCH
Artikelnummer: EB-3603C59W00-1605190068
Netto: 3,60 € zzgl. MwSt.
zzgl. 6,90 € Versand (brutto)
einmalig pro Bestellung

Lieferzeit: 5 Werktage

Pos.
60
BOSCH Gewindefurchschraube TT M5x18 MM | Ersatzteile für PWS 20-230 | 1603435023
Hersteller: BOSCH
Artikelnummer: EB-3603C59W00-1603435023
Netto: 4,36 € zzgl. MwSt.
zzgl. 6,90 € Versand (brutto)
einmalig pro Bestellung

Lieferzeit: 5 Werktage

Pos.
31
BOSCH Luftleitring | Ersatzteile für PWS 20-230 | 1600591036
Hersteller: BOSCH
Artikelnummer: EB-3603C59W00-1600591036
Netto: 4,76 € zzgl. MwSt.
zzgl. 6,90 € Versand (brutto)
einmalig pro Bestellung

Lieferzeit: 5 Werktage

Pos.
61
BOSCH Blechschraube DIN 7981-4,8x38-C-Z-ST | Ersatzteile für PWS 20-230 | 2912401038
Hersteller: BOSCH
Artikelnummer: EB-3603C59W00-2912401038
Netto: 3,60 € zzgl. MwSt.
zzgl. 6,90 € Versand (brutto)
einmalig pro Bestellung

Lieferzeit: 5 Werktage

Pos.
62
BOSCH Blechschraube C4,8x63 MM | Ersatzteile für PWS 20-230 | 1603435024
Hersteller: BOSCH
Artikelnummer: EB-3603C59W00-1603435024
Netto: 3,94 € zzgl. MwSt.
zzgl. 6,90 € Versand (brutto)
einmalig pro Bestellung

Lieferzeit: 5 Werktage

Pos.
63
BOSCH Flachkopfschraube M4x10 MM | Ersatzteile für PWS 20-230 | 1603410014
Hersteller: BOSCH
Artikelnummer: EB-3603C59W00-1603410014
Netto: 3,94 € zzgl. MwSt.
zzgl. 6,90 € Versand (brutto)
einmalig pro Bestellung

Lieferzeit: 5 Werktage

Pos.
64
BOSCH Gewindeschneidschraube St3,9x12 | Ersatzteile für PWS 20-230 | 1603435042
Hersteller: BOSCH
Artikelnummer: EB-3603C59W00-1603435042
Netto: 3,94 € zzgl. MwSt.
zzgl. 6,90 € Versand (brutto)
einmalig pro Bestellung

Lieferzeit: 5 Werktage

Pos.
65
BOSCH Blechschraube DIN 7981-3,9x19-C-Z-ST | Ersatzteile für PWS 20-230 | 2912401020
Hersteller: BOSCH
Artikelnummer: EB-3603C59W00-2912401020
Netto: 4,36 € zzgl. MwSt.
zzgl. 6,90 € Versand (brutto)
einmalig pro Bestellung

Lieferzeit: 5 Werktage

Pos.
66
BOSCH Blechschraube DIN 7971-ST3,9x16-F | Ersatzteile für PWS 20-230 | 2910211019
Hersteller: BOSCH
Artikelnummer: EB-3603C59W00-2910211019
Netto: 3,60 € zzgl. MwSt.
zzgl. 6,90 € Versand (brutto)
einmalig pro Bestellung

Lieferzeit: 5 Werktage

Pos.
68
BOSCH Dichtplatte | Ersatzteile für PWS 20-230 | 1601006011
Hersteller: BOSCH
Artikelnummer: EB-3603C59W00-1601006011
Netto: 4,56 € zzgl. MwSt.
zzgl. 6,90 € Versand (brutto)
einmalig pro Bestellung

Lieferzeit: 5 Werktage

Pos.
651
BOSCH Schutzhaube | Ersatzteile für PWS 20-230 | 1600A00XM0
Hersteller: BOSCH
Artikelnummer: EB-3603C59W00-1600A00XM0
Netto: 18,86 € zzgl. MwSt.
zzgl. 6,90 € Versand (brutto)
einmalig pro Bestellung

Lieferzeit: 5 Werktage

Pos.
651
BOSCH Schutzhaube Ø230 MM | Ersatzteile für PWS 20-230 | 1605510407
Hersteller: BOSCH
Artikelnummer: EB-3603C59W00-1605510407
nur Informationsartikel
Nie mehr lieferbar
keine Alternativen
Pos.
803
BOSCH Anker 220-240V | Ersatzteile für PWS 20-230 | 1604011252
Hersteller: BOSCH
Artikelnummer: EB-3603C59W00-1604011252
Netto: 51,18 € zzgl. MwSt.
zzgl. 6,90 € Versand (brutto)
einmalig pro Bestellung

Lieferzeit: 5 Werktage

Pos.
804
BOSCH Schalter SCHWARZ | Ersatzteile für PWS 20-230 | 1607000971
Hersteller: BOSCH
Artikelnummer: EB-3603C59W00-1607000971
Netto: 18,86 € zzgl. MwSt.
zzgl. 6,90 € Versand (brutto)
einmalig pro Bestellung

Lieferzeit: 5 Werktage

Pos.
805
BOSCH Netzanschlussleitung EU 4,15m 2 x 1,0mm H07 RN-F | Ersatzteile für PWS 20-230 | 1607000227
Hersteller: BOSCH
Artikelnummer: EB-3603C59W00-1607000227
Netto: 20,80 € zzgl. MwSt.
zzgl. 6,90 € Versand (brutto)
einmalig pro Bestellung

Lieferzeit: 5 Werktage

Pos.
808
BOSCH Typschild | Ersatzteile für PWS 20-230 | 160111A3H3
Hersteller: BOSCH
Artikelnummer: EB-3603C59W00-160111A3H3
Netto: 4,56 € zzgl. MwSt.
zzgl. 6,90 € Versand (brutto)
einmalig pro Bestellung

Lieferzeit: 5 Werktage

Pos.
808
BOSCH Typschild 26x52 MM | Ersatzteile für PWS 20-230 | 1601106032
Hersteller: BOSCH
Artikelnummer: EB-3603C59W00-1601106032
nur Informationsartikel
Nie mehr lieferbar
keine Alternativen
Pos.
810
BOSCH Kohlebürstensatz | Ersatzteile für PWS 20-230 | 1607014171
Hersteller: BOSCH
Artikelnummer: EB-3603C59W00-1607014171
Netto: 12,50 € zzgl. MwSt.
zzgl. 6,90 € Versand (brutto)
einmalig pro Bestellung

Lieferzeit: 5 Werktage

Pos.
813
BOSCH Rillenkugellager 8x22x7 | Ersatzteile für PWS 20-230 | 1600905011
Hersteller: BOSCH
Artikelnummer: EB-3603C59W00-1600905011
Netto: 6,75 € zzgl. MwSt.
zzgl. 6,90 € Versand (brutto)
einmalig pro Bestellung

Lieferzeit: 5 Werktage

Pos.
814
BOSCH Rillenkugellager | Ersatzteile für PWS 20-230 | 1600905028
Hersteller: BOSCH
Artikelnummer: EB-3603C59W00-1600905028
Netto: 9,75 € zzgl. MwSt.
zzgl. 6,90 € Versand (brutto)
einmalig pro Bestellung

Lieferzeit: 5 Werktage

Pos.
816
BOSCH Bürstenhalter | Ersatzteile für PWS 20-230 | 1604336048
Hersteller: BOSCH
Artikelnummer: EB-3603C59W00-1604336048
Netto: 7,66 € zzgl. MwSt.
zzgl. 6,90 € Versand (brutto)
einmalig pro Bestellung

Lieferzeit: 5 Werktage

Pos.
821
BOSCH Getriebegehäuse | Ersatzteile für PWS 20-230 | 1607000C00
Hersteller: BOSCH
Artikelnummer: EB-3603C59W00-1607000C00
Netto: 46,22 € zzgl. MwSt.
zzgl. 6,90 € Versand (brutto)
einmalig pro Bestellung

Lieferzeit: 5 Werktage

Pos.
822
BOSCH Lagerflansch Ø230 MM | Ersatzteile für PWS 20-230 | 1607000C22
Hersteller: BOSCH
Artikelnummer: EB-3603C59W00-1607000C22
Netto: 23,72 € zzgl. MwSt.
zzgl. 6,90 € Versand (brutto)
einmalig pro Bestellung

Lieferzeit: 5 Werktage

Pos.
822/22/48
BOSCH Sicherungsring | Ersatzteile für PWS 20-230 | 1600119010
Hersteller: BOSCH
Artikelnummer: EB-3603C59W00-1600119010
Netto: 3,94 € zzgl. MwSt.
zzgl. 6,90 € Versand (brutto)
einmalig pro Bestellung

Lieferzeit: 5 Werktage

Pos.
822/22/50
BOSCH Rillenkugellager 17x40x12 | Ersatzteile für PWS 20-230 | 1600905026
Hersteller: BOSCH
Artikelnummer: EB-3603C59W00-1600905026
Netto: 8,23 € zzgl. MwSt.
zzgl. 6,90 € Versand (brutto)
einmalig pro Bestellung

Lieferzeit: 5 Werktage

Pos.
835
BOSCH Lüfter | Ersatzteile für PWS 20-230 | 1606610127
Hersteller: BOSCH
Artikelnummer: EB-3603C59W00-1606610127
Netto: 4,80 € zzgl. MwSt.
zzgl. 6,90 € Versand (brutto)
einmalig pro Bestellung

Lieferzeit: 5 Werktage

Pos.
840
BOSCH Druckknopf | Ersatzteile für PWS 20-230 | 1607000354
Hersteller: BOSCH
Artikelnummer: EB-3603C59W00-1607000354
Netto: 7,26 € zzgl. MwSt.
zzgl. 6,90 € Versand (brutto)
einmalig pro Bestellung

Lieferzeit: 5 Werktage

Pos.
846
BOSCH Haltescheibe | Ersatzteile für PWS 20-230 | 1607000342
Hersteller: BOSCH
Artikelnummer: EB-3603C59W00-1607000342
Netto: 5,17 € zzgl. MwSt.
zzgl. 6,90 € Versand (brutto)
einmalig pro Bestellung

Lieferzeit: 5 Werktage

Pos.
851
BOSCH Nadelhülse Ø14 MM | Ersatzteile für PWS 20-230 | 2600910001
Hersteller: BOSCH
Artikelnummer: EB-3603C59W00-2600910001
Netto: 5,65 € zzgl. MwSt.
zzgl. 6,90 € Versand (brutto)
einmalig pro Bestellung

Lieferzeit: 5 Werktage

Pos.
882
BOSCH Stopper | Ersatzteile für PWS 20-230 | 1619P06597
Hersteller: BOSCH
Artikelnummer: EB-3603C59W00-1619P06597
Netto: 5,65 € zzgl. MwSt.
zzgl. 6,90 € Versand (brutto)
einmalig pro Bestellung

Lieferzeit: 5 Werktage

Pos.
890
BOSCH O-Ring 20,35x1,78 MM | Ersatzteile für PWS 20-230 | 1600210039
Hersteller: BOSCH
Artikelnummer: EB-3603C59W00-1600210039
Netto: 4,36 € zzgl. MwSt.
zzgl. 6,90 € Versand (brutto)
einmalig pro Bestellung

Lieferzeit: 5 Werktage

Pos.
891
BOSCH Zusatzhandgriff M14 SCHWARZ | Ersatzteile für PWS 20-230 | 1602025022
Hersteller: BOSCH
Artikelnummer: EB-3603C59W00-1602025022
Netto: 11,41 € zzgl. MwSt.
zzgl. 6,90 € Versand (brutto)
einmalig pro Bestellung

Lieferzeit: 5 Werktage

Pos.
891/1
BOSCH Zusatzhandgriff M14, Ø37x115 MM SCHWARZ | Ersatzteile für PWS 20-230 | 1602025030
Hersteller: BOSCH
Artikelnummer: EB-3603C59W00-1602025030
Netto: 14,92 € zzgl. MwSt.
zzgl. 6,90 € Versand (brutto)
einmalig pro Bestellung

Lieferzeit: 5 Werktage

Pos.
892
BOSCH Zweilochmutterndreher | Ersatzteile für PWS 20-230 | 1607950061
Hersteller: BOSCH
Artikelnummer: EB-3603C59W00-1607950061
Netto: 5,60 € zzgl. MwSt.
zzgl. 6,90 € Versand (brutto)
einmalig pro Bestellung

Lieferzeit: 5 Werktage

Pos.
893
BOSCH Aufnahmeflansch Ø22,3xØ42 MM | Ersatzteile für PWS 20-230 | 2605703014
Hersteller: BOSCH
Artikelnummer: EB-3603C59W00-2605703014
nur Informationsartikel
Nie mehr lieferbar
keine Alternativen
Pos.
894
BOSCH Rundmutter M14 | Ersatzteile für PWS 20-230 | 1603345043
Hersteller: BOSCH
Artikelnummer: EB-3603C59W00-1603345043
Netto: 8,23 € zzgl. MwSt.
zzgl. 6,90 € Versand (brutto)
einmalig pro Bestellung

Lieferzeit: 5 Werktage

Pos.
896
BOSCH Schnellspannmutter M14, SDS-CLIC | Ersatzteile für PWS 20-230 | 1600A016PP
Hersteller: BOSCH
Artikelnummer: EB-3603C59W00-1600A016PP
Netto: 35,13 € zzgl. MwSt.
zzgl. 6,90 € Versand (brutto)
einmalig pro Bestellung

Lieferzeit: 5 Werktage

Pos.
69
BOSCH Sicherungsring | Ersatzteile für PWS 20-230 | 2916650905
Hersteller: BOSCH
Artikelnummer: EB-3603C59W00-2916650905
Netto: 3,60 € zzgl. MwSt.
zzgl. 6,90 € Versand (brutto)
einmalig pro Bestellung

Lieferzeit: 5 Werktage

Pos.
822
BOSCH Lagerflansch | Ersatzteile für PWS 20-230 | 1607000D58
Hersteller: BOSCH
Artikelnummer: EB-3603C59W00-1607000D58
Netto: 26,41 € zzgl. MwSt.
zzgl. 6,90 € Versand (brutto)
einmalig pro Bestellung

Lieferzeit: 5 Werktage

Pos.
823
BOSCH Lagerflansch | Ersatzteile für PWS 20-230 | 16058080B3
Hersteller: BOSCH
Artikelnummer: EB-3603C59W00-16058080B3
Netto: 46,22 € zzgl. MwSt.
zzgl. 6,90 € Versand (brutto)
einmalig pro Bestellung

Lieferzeit: 5 Werktage

Pos.
825
BOSCH Schleifspindel | Ersatzteile für PWS 20-230 | 1607000CU5
Hersteller: BOSCH
Artikelnummer: EB-3603C59W00-1607000CU5
Netto: 11,58 € zzgl. MwSt.
zzgl. 6,90 € Versand (brutto)
einmalig pro Bestellung

Lieferzeit: 5 Werktage

Pos.
826
BOSCH Kegelradsatz | Ersatzteile für PWS 20-230 | 1607000CV1
Hersteller: BOSCH
Artikelnummer: EB-3603C59W00-1607000CV1
Netto: 26,41 € zzgl. MwSt.
zzgl. 6,90 € Versand (brutto)
einmalig pro Bestellung

Lieferzeit: 5 Werktage

Pos.
891
BOSCH Zusatzhandgriff | Ersatzteile für PWS 20-230 | 16020250A1
Hersteller: BOSCH
Artikelnummer: EB-3603C59W00-16020250A1
Netto: 12,50 € zzgl. MwSt.
zzgl. 6,90 € Versand (brutto)
einmalig pro Bestellung

Lieferzeit: 5 Werktage

Angaben zur Produktsicherheit

Hersteller:
Robert Bosch Power Tools GmbH
Postfach 30 02 20
70442 Stuttgart

E-Mail:
kontakt@bosch.de