BOSCH O-Ring 20,35x1,78 MM | Ersatzteile für PWS 6-115 | 1600210039

Artikelnummer: EB-0603401801-1600210039

Position: 804

Marke: BOSCH


Bitte Kompatibilität prüfen!

Bitte prüfen Sie unbedingt die 10-stellige Typennummer Ihrer Maschine / Ihres Gerätes. Das Ersatzteil ist nur kompatibel, wenn Sie die Typennummer Ihrer Maschine in der unten stehenden Produktbeschreibung finden.

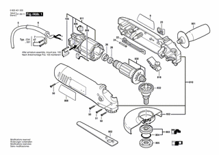
Bitte prüfen Sie ebenfalls detailliert die Explosionszeichnung mit Ihrem Artikelwunsch und der jeweiligen Pos-Nummer.

Alle Elemente, welche vom schwarzen Strich der Pos-Nummer ausgehend berührt / erfasst werden, gehören zu dieser Pos-Nummer und somit zu diesem Artikel. Jede Pos-Nummer ist ein eigenständiger Artikel, welchen Sie in der Auflistung finden.

Sie erhalten stets die aktuellste, neueste Produktversion zu der gewählten Pos-Nummer seitens des Herstellers. Es kann daher je nach Gerätealter vorkommen, dass Sie ggf. weitere, zugehörige Elemente, welche an diese Pos-Nummer grenzen, ebenfalls mittauschen müssen.

Nähere Informationen finden Sie unter dem Link
Hinweise zu Ihrer BOSCH Ersatzteilsuche

Preisübersicht

Einzelpreis: 4,32 €* (Brutto: 5,14 €)
Gesamtpreis: 4,32 €* 
Position:

Lieferzeit: 5 Werktage


Beschreibung

  • O-Ring 20,35x1,78 MM
  • Original Bosch Zubehör / BOSCH Ersatzteil (1600210039)
  • im Gerät verbaut: 1
Dieses BOSCH Ersatzteil ist mit folgendem Gerät und Modell kompatibel:
  • BOSCH Gerätename: PWS 6-115
  • BOSCH Explosionszeichnung: Position 804
  • BOSCH Typennummer: 0603401801
  • BOSCH Typennummer alternative Schreibweisen: 0 603 401 801, 0603 401 801, 0.603.401.801, 0-603-401-801
    Bitte prüfen Sie diese Typennummer auf Ihrem Gerät um die Kompatibilität des BOSCH Ersatzteils zu gewährleisten.
Weitere BOSCH Ersatzteile des Gerätes PWS 6-115 (Winkelschleifer) mit der Typennummer 0603401801 finden Sie in der nachfolgenden Darstellung und im Dropdown zu Ihrer Auswahl:

Pos.
6
BOSCH Tülle Ø6,5-Ø6,9x95 MM | Ersatzteile für PWS 6-115 | 2600703012
Hersteller: BOSCH
Artikelnummer: EB-0603401801-2600703012
Netto: 4,82 € zzgl. MwSt.
zzgl. 6,90 € Versand (brutto)
einmalig pro Bestellung

Lieferzeit: 5 Werktage

Pos.
9
BOSCH Firmenschild SONNENSEITE | Ersatzteile für PWS 6-115 | 1601118854
Hersteller: BOSCH
Artikelnummer: EB-0603401801-1601118854
Netto: 4,75 € zzgl. MwSt.
zzgl. 6,90 € Versand (brutto)
einmalig pro Bestellung

Lieferzeit: 5 Werktage

Pos.
22
BOSCH Verstellschieber | Ersatzteile für PWS 6-115 | 1602319014
Hersteller: BOSCH
Artikelnummer: EB-0603401801-1602319014
nur Informationsartikel
Nie mehr lieferbar
keine Alternativen
Pos.
23
BOSCH Schaltergriff SCHWARZ | Ersatzteile für PWS 6-115 | 1602026077
Hersteller: BOSCH
Artikelnummer: EB-0603401801-1602026077
Netto: 3,94 € zzgl. MwSt.
zzgl. 6,90 € Versand (brutto)
einmalig pro Bestellung

Lieferzeit: 5 Werktage

Pos.
24
BOSCH Druckfeder | Ersatzteile für PWS 6-115 | 1604611026
Hersteller: BOSCH
Artikelnummer: EB-0603401801-1604611026
Netto: 3,63 € zzgl. MwSt.
zzgl. 6,90 € Versand (brutto)
einmalig pro Bestellung

Lieferzeit: 12 Werktage

Pos.
26
BOSCH Gummibuchse | Ersatzteile für PWS 6-115 | 1600502020
Hersteller: BOSCH
Artikelnummer: EB-0603401801-1600502020
Netto: 4,53 € zzgl. MwSt.
zzgl. 6,90 € Versand (brutto)
einmalig pro Bestellung

Lieferzeit: 5 Werktage

Pos.
28
BOSCH Kugellager | Ersatzteile für PWS 6-115 | 1600905021
Hersteller: BOSCH
Artikelnummer: EB-0603401801-1600905021
nur Informationsartikel
Nie mehr lieferbar
keine Alternativen
Pos.
50
BOSCH Torx-Linsenschraube 4x20 | Ersatzteile für PWS 6-115 | 1619P00105
Hersteller: BOSCH
Artikelnummer: EB-0603401801-1619P00105
Netto: 3,94 € zzgl. MwSt.
zzgl. 6,90 € Versand (brutto)
einmalig pro Bestellung

Lieferzeit: 5 Werktage

Pos.
51
BOSCH Schraube | Ersatzteile für PWS 6-115 | 1619P00106
Hersteller: BOSCH
Artikelnummer: EB-0603401801-1619P00106
Netto: 3,63 € zzgl. MwSt.
zzgl. 6,90 € Versand (brutto)
einmalig pro Bestellung

Lieferzeit: 5 Werktage

Pos.
105
BOSCH Zwischenplatte | Ersatzteile für PWS 6-115 | 1600591034
Hersteller: BOSCH
Artikelnummer: EB-0603401801-1600591034
nur Informationsartikel
Nie mehr lieferbar
keine Alternativen
Pos.
652
BOSCH Schutzverkleidung | Ersatzteile für PWS 6-115 | 2609000390
Hersteller: BOSCH
Artikelnummer: EB-0603401801-2609000390
Netto: 11,92 € zzgl. MwSt.
zzgl. 6,90 € Versand (brutto)
einmalig pro Bestellung

Lieferzeit: 5 Werktage

Pos.
801
BOSCH Zusatzhandgriff M10, Ø32,5x105 MM | Ersatzteile für PWS 6-115 | 2602025067
Hersteller: BOSCH
Artikelnummer: EB-0603401801-2602025067
nur Informationsartikel
Nie mehr lieferbar
keine Alternativen
Pos.
802
BOSCH Zweilochmutterndreher | Ersatzteile für PWS 6-115 | 1607950052
Hersteller: BOSCH
Artikelnummer: EB-0603401801-1607950052
Netto: 5,19 € zzgl. MwSt.
zzgl. 6,90 € Versand (brutto)
einmalig pro Bestellung

Lieferzeit: 5 Werktage

Pos.
803
BOSCH Aufnahmeflansch Ø22,3xØ42 MM | Ersatzteile für PWS 6-115 | 2605703014
Hersteller: BOSCH
Artikelnummer: EB-0603401801-2605703014
nur Informationsartikel
Nie mehr lieferbar
keine Alternativen
Pos.
804
BOSCH O-Ring 20,35x1,78 MM | Ersatzteile für PWS 6-115 | 1600210039
Hersteller: BOSCH
Artikelnummer: EB-0603401801-1600210039
Netto: 4,32 € zzgl. MwSt.
zzgl. 6,90 € Versand (brutto)
einmalig pro Bestellung

Lieferzeit: 5 Werktage

Pos.
805
BOSCH Rundmutter M14 | Ersatzteile für PWS 6-115 | 1603345043
Hersteller: BOSCH
Artikelnummer: EB-0603401801-1603345043
Netto: 8,33 € zzgl. MwSt.
zzgl. 6,90 € Versand (brutto)
einmalig pro Bestellung

Lieferzeit: 5 Werktage

Pos.
806
BOSCH Kohlebürstensatz | Ersatzteile für PWS 6-115 | 1607000994
Hersteller: BOSCH
Artikelnummer: EB-0603401801-1607000994
nur Informationsartikel
Nie mehr lieferbar
keine Alternativen
Pos.
808
BOSCH Typschild | Ersatzteile für PWS 6-115 | 160111A3H3
Hersteller: BOSCH
Artikelnummer: EB-0603401801-160111A3H3
Netto: 4,53 € zzgl. MwSt.
zzgl. 6,90 € Versand (brutto)
einmalig pro Bestellung

Lieferzeit: 5 Werktage

Pos.
808
BOSCH Typschild 26x52 MM | Ersatzteile für PWS 6-115 | 1601106032
Hersteller: BOSCH
Artikelnummer: EB-0603401801-1601106032
nur Informationsartikel
Nie mehr lieferbar
keine Alternativen
Pos.
810
BOSCH Motorgehäuse | Ersatzteile für PWS 6-115 | 1607000371
Hersteller: BOSCH
Artikelnummer: EB-0603401801-1607000371
nur Informationsartikel
Nie mehr lieferbar
keine Alternativen
Pos.
811
BOSCH Polschuh 230-240V | Ersatzteile für PWS 6-115 | 1607000723
Hersteller: BOSCH
Artikelnummer: EB-0603401801-1607000723
nur Informationsartikel
Nie mehr lieferbar
keine Alternativen
Pos.
818
BOSCH Spindelhalter | Ersatzteile für PWS 6-115 | 1607000993
Hersteller: BOSCH
Artikelnummer: EB-0603401801-1607000993
nur Informationsartikel
Nie mehr lieferbar
keine Alternativen
Pos.
830
BOSCH Anker 230-240V | Ersatzteile für PWS 6-115 | 1607000990
Hersteller: BOSCH
Artikelnummer: EB-0603401801-1607000990
nur Informationsartikel
Nie mehr lieferbar
keine Alternativen
Pos.
832
BOSCH Schleifspindel M14 | Ersatzteile für PWS 6-115 | 1607000992
Hersteller: BOSCH
Artikelnummer: EB-0603401801-1607000992
nur Informationsartikel
Nie mehr lieferbar
keine Alternativen
Pos.
801
BOSCH Zusatzhandgriff | Ersatzteile für PWS 6-115 | 1619P16111
Hersteller: BOSCH
Artikelnummer: EB-0603401801-1619P16111
Netto: 4,82 € zzgl. MwSt.
zzgl. 6,90 € Versand (brutto)
einmalig pro Bestellung

Lieferzeit: 18 Werktage

Angaben zur Produktsicherheit

Hersteller:
Robert Bosch Power Tools GmbH
Postfach 30 02 20
70442 Stuttgart

E-Mail:
kontakt@bosch.de