BOSCH Tülle Ø6,4-Ø7,2x76 MM | Ersatzteile für PWS 780-125 | 2609006376

Artikelnummer: EB-3603CA2701-2609006376

Position: 6

Marke: BOSCH


Bitte Kompatibilität prüfen!

Bitte prüfen Sie unbedingt die 10-stellige Typennummer Ihrer Maschine / Ihres Gerätes. Das Ersatzteil ist nur kompatibel, wenn Sie die Typennummer Ihrer Maschine in der unten stehenden Produktbeschreibung finden.

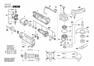
Bitte prüfen Sie ebenfalls detailliert die Explosionszeichnung mit Ihrem Artikelwunsch und der jeweiligen Pos-Nummer.

Alle Elemente, welche vom schwarzen Strich der Pos-Nummer ausgehend berührt / erfasst werden, gehören zu dieser Pos-Nummer und somit zu diesem Artikel. Jede Pos-Nummer ist ein eigenständiger Artikel, welchen Sie in der Auflistung finden.

Sie erhalten stets die aktuellste, neueste Produktversion zu der gewählten Pos-Nummer seitens des Herstellers. Es kann daher je nach Gerätealter vorkommen, dass Sie ggf. weitere, zugehörige Elemente, welche an diese Pos-Nummer grenzen, ebenfalls mittauschen müssen.

Nähere Informationen finden Sie unter dem Link
Hinweise zu Ihrer BOSCH Ersatzteilsuche

Preisübersicht

Einzelpreis: 3,63 €* (Brutto: 4,32 €)
Gesamtpreis: 3,63 €* 
Position:

Lieferzeit: 5 Werktage


Beschreibung

  • Tülle Ø6,4-Ø7,2x76 MM
  • Original Bosch Zubehör / BOSCH Ersatzteil (2609006376)
  • im Gerät verbaut: 1
Dieses BOSCH Ersatzteil ist mit folgendem Gerät und Modell kompatibel:
  • BOSCH Gerätename: PWS 780-125
  • BOSCH Explosionszeichnung: Position 6
  • BOSCH Typennummer: 3603CA2701
  • BOSCH Typennummer alternative Schreibweisen: 3 603 CA2 701, 3603 CA2 701, 3.603.CA2.701, 3-603-CA2-701
    Bitte prüfen Sie diese Typennummer auf Ihrem Gerät um die Kompatibilität des BOSCH Ersatzteils zu gewährleisten.
Weitere BOSCH Ersatzteile des Gerätes PWS 780-125 (Winkelschleifer) mit der Typennummer 3603CA2701 finden Sie in der nachfolgenden Darstellung und im Dropdown zu Ihrer Auswahl:

Pos.
1
BOSCH Gehäuse GRUEN | Ersatzteile für PWS 780-125 | 2609004775
Hersteller: BOSCH
Artikelnummer: EB-3603CA2701-2609004775
Netto: 9,18 € zzgl. MwSt.
zzgl. 6,90 € Versand (brutto)
einmalig pro Bestellung

Lieferzeit: 5 Werktage

Pos.
828
BOSCH Lagerflansch | Ersatzteile für PWS 780-125 | 160580809A
Hersteller: BOSCH
Artikelnummer: EB-3603CA2701-160580809A
Netto: 18,57 € zzgl. MwSt.
zzgl. 6,90 € Versand (brutto)
einmalig pro Bestellung

Lieferzeit: 5 Werktage

Pos.
2
BOSCH Polschuh 230V | Ersatzteile für PWS 780-125 | 2609005828
Hersteller: BOSCH
Artikelnummer: EB-3603CA2701-2609005828
Netto: 14,36 € zzgl. MwSt.
zzgl. 6,90 € Versand (brutto)
einmalig pro Bestellung

Lieferzeit: 5 Werktage

Pos.
4
BOSCH Schalter | Ersatzteile für PWS 780-125 | 2607200673
Hersteller: BOSCH
Artikelnummer: EB-3603CA2701-2607200673
Netto: 11,92 € zzgl. MwSt.
zzgl. 6,90 € Versand (brutto)
einmalig pro Bestellung

Lieferzeit: 5 Werktage

Pos.
5
BOSCH Netzanschlussleitung EU 2,65m 2x0,75 H05 VV-F | Ersatzteile für PWS 780-125 | 2609002907
Hersteller: BOSCH
Artikelnummer: EB-3603CA2701-2609002907
Netto: 9,95 € zzgl. MwSt.
zzgl. 6,90 € Versand (brutto)
einmalig pro Bestellung

Lieferzeit: 5 Werktage

Pos.
6
BOSCH Tülle Ø6,4-Ø7,2x76 MM | Ersatzteile für PWS 780-125 | 2609006376
Hersteller: BOSCH
Artikelnummer: EB-3603CA2701-2609006376
Netto: 3,63 € zzgl. MwSt.
zzgl. 6,90 € Versand (brutto)
einmalig pro Bestellung

Lieferzeit: 5 Werktage

Pos.
9
BOSCH Firmenschild PWS 7800 | Ersatzteile für PWS 780-125 | 2609007123
Hersteller: BOSCH
Artikelnummer: EB-3603CA2701-2609007123
Netto: 3,63 € zzgl. MwSt.
zzgl. 6,90 € Versand (brutto)
einmalig pro Bestellung

Lieferzeit: 5 Werktage

Pos.
16
BOSCH Bürstenhalter | Ersatzteile für PWS 780-125 | 2609004780
Hersteller: BOSCH
Artikelnummer: EB-3603CA2701-2609004780
Netto: 10,92 € zzgl. MwSt.
zzgl. 6,90 € Versand (brutto)
einmalig pro Bestellung

Lieferzeit: 5 Werktage

Pos.
19
BOSCH Torx-Linsenschraube 4x20 | Ersatzteile für PWS 780-125 | 2603490023
Hersteller: BOSCH
Artikelnummer: EB-3603CA2701-2603490023
Netto: 3,63 € zzgl. MwSt.
zzgl. 6,90 € Versand (brutto)
einmalig pro Bestellung

Lieferzeit: 5 Werktage

Pos.
9
BOSCH Firmenschild PWS 780-125 | Ersatzteile für PWS 780-125 | 2609007094
Hersteller: BOSCH
Artikelnummer: EB-3603CA2701-2609007094
Netto: 4,53 € zzgl. MwSt.
zzgl. 6,90 € Versand (brutto)
einmalig pro Bestellung

Lieferzeit: 5 Werktage

Pos.
20
BOSCH Torx-Linsenschraube 4x25 | Ersatzteile für PWS 780-125 | 2603490024
Hersteller: BOSCH
Artikelnummer: EB-3603CA2701-2603490024
Netto: 3,94 € zzgl. MwSt.
zzgl. 6,90 € Versand (brutto)
einmalig pro Bestellung

Lieferzeit: 5 Werktage

Pos.
22
BOSCH Hebel | Ersatzteile für PWS 780-125 | 2609004779
Hersteller: BOSCH
Artikelnummer: EB-3603CA2701-2609004779
Netto: 3,63 € zzgl. MwSt.
zzgl. 6,90 € Versand (brutto)
einmalig pro Bestellung

Lieferzeit: 5 Werktage

Pos.
23
BOSCH Schalterknopf SCHWARZ | Ersatzteile für PWS 780-125 | 2609004778
Hersteller: BOSCH
Artikelnummer: EB-3603CA2701-2609004778
nur Informationsartikel
Nie mehr lieferbar
keine Alternativen
Pos.
32
BOSCH Schleifspindel | Ersatzteile für PWS 780-125 | 1607000D6A
Hersteller: BOSCH
Artikelnummer: EB-3603CA2701-1607000D6A
Netto: 7,76 € zzgl. MwSt.
zzgl. 6,90 € Versand (brutto)
einmalig pro Bestellung

Lieferzeit: 5 Werktage

Pos.
32
BOSCH Schleifspindel M14, SW17 | Ersatzteile für PWS 780-125 | 1603523110
Hersteller: BOSCH
Artikelnummer: EB-3603CA2701-1603523110
Netto: 6,95 € zzgl. MwSt.
zzgl. 6,90 € Versand (brutto)
einmalig pro Bestellung

Lieferzeit: 5 Werktage

Pos.
35
BOSCH Ausgleichscheibe 1,5 MM | Ersatzteile für PWS 780-125 | 1600A00RE3
Hersteller: BOSCH
Artikelnummer: EB-3603CA2701-1600A00RE3
Netto: 3,63 € zzgl. MwSt.
zzgl. 6,90 € Versand (brutto)
einmalig pro Bestellung

Lieferzeit: 5 Werktage

Pos.
35
BOSCH Ausgleichscheibe 0,1 MM | Ersatzteile für PWS 780-125 | 2609002208
Hersteller: BOSCH
Artikelnummer: EB-3603CA2701-2609002208
Netto: 3,63 € zzgl. MwSt.
zzgl. 6,90 € Versand (brutto)
einmalig pro Bestellung

Lieferzeit: 5 Werktage

Pos.
35
BOSCH Ausgleichscheibe 0,2 MM | Ersatzteile für PWS 780-125 | 2609002209
Hersteller: BOSCH
Artikelnummer: EB-3603CA2701-2609002209
Netto: 3,63 € zzgl. MwSt.
zzgl. 6,90 € Versand (brutto)
einmalig pro Bestellung

Lieferzeit: 5 Werktage

Pos.
35
BOSCH Ausgleichscheibe 0,3 MM | Ersatzteile für PWS 780-125 | 2609002210
Hersteller: BOSCH
Artikelnummer: EB-3603CA2701-2609002210
Netto: 4,32 € zzgl. MwSt.
zzgl. 6,90 € Versand (brutto)
einmalig pro Bestellung

Lieferzeit: 5 Werktage

Pos.
39
BOSCH Schutzblech | Ersatzteile für PWS 780-125 | 2609002762
Hersteller: BOSCH
Artikelnummer: EB-3603CA2701-2609002762
Netto: 3,63 € zzgl. MwSt.
zzgl. 6,90 € Versand (brutto)
einmalig pro Bestellung

Lieferzeit: 5 Werktage

Pos.
49
BOSCH Torx-Linsenschraube M4x12 | Ersatzteile für PWS 780-125 | 2610386516
Hersteller: BOSCH
Artikelnummer: EB-3603CA2701-2610386516
Netto: 3,94 € zzgl. MwSt.
zzgl. 6,90 € Versand (brutto)
einmalig pro Bestellung

Lieferzeit: 5 Werktage

Pos.
104
BOSCH O-Ring 21,0x1,0 MM | Ersatzteile für PWS 780-125 | 3600210127
Hersteller: BOSCH
Artikelnummer: EB-3603CA2701-3600210127
Netto: 3,63 € zzgl. MwSt.
zzgl. 6,90 € Versand (brutto)
einmalig pro Bestellung

Lieferzeit: 5 Werktage

Pos.
23
BOSCH Schalterknopf | Ersatzteile für PWS 850-125 | 1600A007UL
Hersteller: BOSCH
Artikelnummer: EB-3603CA2701-1600A007UL
Netto: 3,63 € zzgl. MwSt.
zzgl. 6,90 € Versand (brutto)
einmalig pro Bestellung

Lieferzeit: 5 Werktage

Pos.
105
BOSCH Gummibuchse | Ersatzteile für PWS 780-125 | 2609004785
Hersteller: BOSCH
Artikelnummer: EB-3603CA2701-2609004785
Netto: 3,63 € zzgl. MwSt.
zzgl. 6,90 € Versand (brutto)
einmalig pro Bestellung

Lieferzeit: 5 Werktage

Pos.
200
BOSCH Schutzhaube Ø125 MM | Ersatzteile für PWS 780-125 | 2609002204
Hersteller: BOSCH
Artikelnummer: EB-3603CA2701-2609002204
Netto: 14,36 € zzgl. MwSt.
zzgl. 6,90 € Versand (brutto)
einmalig pro Bestellung

Lieferzeit: 5 Werktage

Pos.
201
BOSCH Blattfeder | Ersatzteile für PWS 780-125 | 2609002205
Hersteller: BOSCH
Artikelnummer: EB-3603CA2701-2609002205
Netto: 6,15 € zzgl. MwSt.
zzgl. 6,90 € Versand (brutto)
einmalig pro Bestellung

Lieferzeit: 5 Werktage

Pos.
680
BOSCH Handgriff SCHWARZ | Ersatzteile für PWS 780-125 | 2609002198
Hersteller: BOSCH
Artikelnummer: EB-3603CA2701-2609002198
Netto: 9,18 € zzgl. MwSt.
zzgl. 6,90 € Versand (brutto)
einmalig pro Bestellung

Lieferzeit: 5 Werktage

Pos.
681
BOSCH Rundmutter M14 | Ersatzteile für PWS 780-125 | 1603345043
Hersteller: BOSCH
Artikelnummer: EB-3603CA2701-1603345043
Netto: 8,33 € zzgl. MwSt.
zzgl. 6,90 € Versand (brutto)
einmalig pro Bestellung

Lieferzeit: 5 Werktage

Pos.
682
BOSCH Aufspannflansch Ø22,3xØ42 MM | Ersatzteile für PWS 780-125 | 2605703014
Hersteller: BOSCH
Artikelnummer: EB-3603CA2701-2605703014
nur Informationsartikel
Nie mehr lieferbar
keine Alternativen
Pos.
683
BOSCH Zweilochmutterndreher | Ersatzteile für PWS 780-125 | 1619P08927
Hersteller: BOSCH
Artikelnummer: EB-3603CA2701-1619P08927
Netto: 5,67 € zzgl. MwSt.
zzgl. 6,90 € Versand (brutto)
einmalig pro Bestellung

Lieferzeit: 5 Werktage

Pos.
31
BOSCH Tellerrad | Ersatzteile für PWS 780-125 | 1600A00J95
Hersteller: BOSCH
Artikelnummer: EB-3603CA2701-1600A00J95
Netto: 7,13 € zzgl. MwSt.
zzgl. 6,90 € Versand (brutto)
einmalig pro Bestellung

Lieferzeit: 5 Werktage

Pos.
803
BOSCH Ankerbaugruppe 230V | Ersatzteile für PWS 780-125 | 2609005827
Hersteller: BOSCH
Artikelnummer: EB-3603CA2701-2609005827
Netto: 21,16 € zzgl. MwSt.
zzgl. 6,90 € Versand (brutto)
einmalig pro Bestellung

Lieferzeit: 5 Werktage

Pos.
810
BOSCH Kohlebürstensatz | Ersatzteile für PWS 780-125 | 2609005200
Hersteller: BOSCH
Artikelnummer: EB-3603CA2701-2609005200
Netto: 7,30 € zzgl. MwSt.
zzgl. 6,90 € Versand (brutto)
einmalig pro Bestellung

Lieferzeit: 28 Werktage

Pos.
821
BOSCH Getriebegehäuse | Ersatzteile für PWS 780-125 | 2609006425
Hersteller: BOSCH
Artikelnummer: EB-3603CA2701-2609006425
Netto: 12,98 € zzgl. MwSt.
zzgl. 6,90 € Versand (brutto)
einmalig pro Bestellung

Lieferzeit: 5 Werktage

Pos.
43
BOSCH Ritzel | Ersatzteile für PWS 780-125 | 16063332CN
Hersteller: BOSCH
Artikelnummer: EB-3603CA2701-16063332CN
Netto: 5,19 € zzgl. MwSt.
zzgl. 6,90 € Versand (brutto)
einmalig pro Bestellung

Lieferzeit: 5 Werktage

Pos.
650
BOSCH Tragkasten | Ersatzteile für PWS 850-125 | 16054381FV
Hersteller: BOSCH
Artikelnummer: EB-3603CA2701-16054381FV
Netto: 35,77 € zzgl. MwSt.
zzgl. 6,90 € Versand (brutto)
einmalig pro Bestellung

Lieferzeit: 5 Werktage

Pos.
808
BOSCH Typschild | Ersatzteile für PWS 780-125 | 2609007153
Hersteller: BOSCH
Artikelnummer: EB-3603CA2701-2609007153
Netto: 4,53 € zzgl. MwSt.
zzgl. 6,90 € Versand (brutto)
einmalig pro Bestellung

Lieferzeit: 5 Werktage

Pos.
828
BOSCH Lagerflansch | Ersatzteile für PWS 780-125 | 2609002444
Hersteller: BOSCH
Artikelnummer: EB-3603CA2701-2609002444
Netto: 12,98 € zzgl. MwSt.
zzgl. 6,90 € Versand (brutto)
einmalig pro Bestellung

Lieferzeit: 5 Werktage

Angaben zur Produktsicherheit

Hersteller:
Robert Bosch Power Tools GmbH
Postfach 30 02 20
70442 Stuttgart

E-Mail:
kontakt@bosch.de