BOSCH Ausgleichscheibe 0,1 MM DICK | Ersatzteile für PWS 9-180 | 1600190022

Artikelnummer: EB-0603253177-1600190022

Position: 34

Marke: BOSCH


Bitte Kompatibilität prüfen!

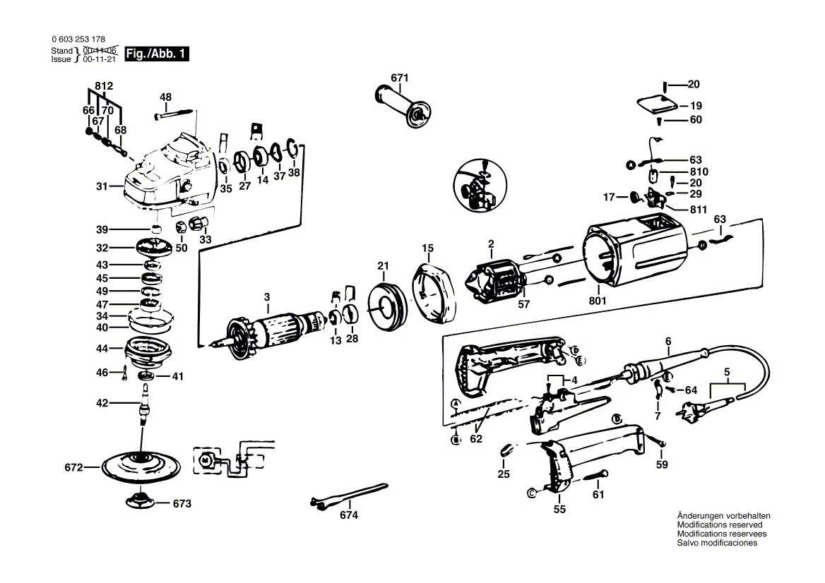
Bitte prüfen Sie unbedingt die 10-stellige Typennummer Ihrer Maschine / Ihres Gerätes. Das Ersatzteil ist nur kompatibel, wenn Sie die Typennummer Ihrer Maschine in der unten stehenden Produktbeschreibung finden.

Bitte prüfen Sie ebenfalls detailliert die Explosionszeichnung mit Ihrem Artikelwunsch und der jeweiligen Pos-Nummer.

Alle Elemente, welche vom schwarzen Strich der Pos-Nummer ausgehend berührt / erfasst werden, gehören zu dieser Pos-Nummer und somit zu diesem Artikel. Jede Pos-Nummer ist ein eigenständiger Artikel, welchen Sie in der Auflistung finden.

Sie erhalten stets die aktuellste, neueste Produktversion zu der gewählten Pos-Nummer seitens des Herstellers. Es kann daher je nach Gerätealter vorkommen, dass Sie ggf. weitere, zugehörige Elemente, welche an diese Pos-Nummer grenzen, ebenfalls mittauschen müssen.

Nähere Informationen finden Sie unter dem Link
Hinweise zu Ihrer BOSCH Ersatzteilsuche

Preisübersicht

Einzelpreis: 3,94 €* (Brutto: 4,69 €)
Gesamtpreis: 3,94 €* 
Position:

Lieferzeit: 5 Werktage


Beschreibung

  • Ausgleichscheibe 0,1 MM DICK
  • Original Bosch Zubehör / BOSCH Ersatzteil (1600190022)
  • im Gerät verbaut: 1
Dieses BOSCH Ersatzteil ist mit folgendem Gerät und Modell kompatibel:
  • BOSCH Gerätename: PWS 9-180
  • BOSCH Explosionszeichnung: Position 34
  • BOSCH Typennummer: 0603253177
  • BOSCH Typennummer alternative Schreibweisen: 0 603 253 177, 0603 253 177, 0.603.253.177, 0-603-253-177
    Bitte prüfen Sie diese Typennummer auf Ihrem Gerät um die Kompatibilität des BOSCH Ersatzteils zu gewährleisten.
Weitere BOSCH Ersatzteile des Gerätes PWS 9-180 (Hw-Winkelschleifer) mit der Typennummer 0603253177 finden Sie in der nachfolgenden Darstellung und im Dropdown zu Ihrer Auswahl:

Pos.
2
BOSCH Polschuh 127V | Ersatzteile für PWS 9-180 | 9618086755
Hersteller: BOSCH
Artikelnummer: EB-0603253177-9618086755
nur Informationsartikel
Nie mehr lieferbar
keine Alternativen
Pos.
3
BOSCH Anker 127V | Ersatzteile für PWS 9-180 | 9618086664
Hersteller: BOSCH
Artikelnummer: EB-0603253177-9618086664
nur Informationsartikel
Nie mehr lieferbar
keine Alternativen
Pos.
4
BOSCH Ein/Aus-Schalter | Ersatzteile für PWS 9-180 | 9618086632
Hersteller: BOSCH
Artikelnummer: EB-0603253177-9618086632
nur Informationsartikel
Nie mehr lieferbar
keine Alternativen
Pos.
5
BOSCH Netzanschlussleitung | Ersatzteile für PWS 9-180 | 9618089009
Hersteller: BOSCH
Artikelnummer: EB-0603253177-9618089009
nur Informationsartikel
Nie mehr lieferbar
keine Alternativen
Pos.
6
BOSCH Tülle Ø9,2-Ø12x120 MM | Ersatzteile für PWS 9-180 | 3600703011
Hersteller: BOSCH
Artikelnummer: EB-0603253177-3600703011
Netto: 4,80 € zzgl. MwSt.
zzgl. 6,90 € Versand (brutto)
einmalig pro Bestellung

Lieferzeit: 5 Werktage

Pos.
7
BOSCH Befestigungsschelle | Ersatzteile für PWS 9-180 | 1601302013
Hersteller: BOSCH
Artikelnummer: EB-0603253177-1601302013
Netto: 3,94 € zzgl. MwSt.
zzgl. 6,90 € Versand (brutto)
einmalig pro Bestellung

Lieferzeit: 5 Werktage

Pos.
13
BOSCH Kugellager 7x19x6 | Ersatzteile für PWS 9-180 | 2600905032
Hersteller: BOSCH
Artikelnummer: EB-0603253177-2600905032
Netto: 6,27 € zzgl. MwSt.
zzgl. 6,90 € Versand (brutto)
einmalig pro Bestellung

Lieferzeit: 13 Werktage

Pos.
14
BOSCH Kugellager 9x26x8 | Ersatzteile für PWS 9-180 | 1900905025
Hersteller: BOSCH
Artikelnummer: EB-0603253177-1900905025
Netto: 16,70 € zzgl. MwSt.
zzgl. 6,90 € Versand (brutto)
einmalig pro Bestellung

Lieferzeit: 5 Werktage

Pos.
15
BOSCH Zwischenflansch | Ersatzteile für PWS 9-180 | 9618086661
Hersteller: BOSCH
Artikelnummer: EB-0603253177-9618086661
Netto: 7,66 € zzgl. MwSt.
zzgl. 6,90 € Versand (brutto)
einmalig pro Bestellung

Lieferzeit: 5 Werktage

Pos.
17
BOSCH Spiralfeder | Ersatzteile für PWS 9-180 | 1604652006
Hersteller: BOSCH
Artikelnummer: EB-0603253177-1604652006
Netto: 3,94 € zzgl. MwSt.
zzgl. 6,90 € Versand (brutto)
einmalig pro Bestellung

Lieferzeit: 5 Werktage

Pos.
19
BOSCH Deckel | Ersatzteile für PWS 9-180 | 9618081967
Hersteller: BOSCH
Artikelnummer: EB-0603253177-9618081967
nur Informationsartikel
Nie mehr lieferbar
keine Alternativen
Pos.
20
BOSCH Blechschraube 4x16 MM | Ersatzteile für PWS 9-180 | 9618087099
Hersteller: BOSCH
Artikelnummer: EB-0603253177-9618087099
nur Informationsartikel
Nie mehr lieferbar
keine Alternativen
Pos.
21
BOSCH Luftleitring | Ersatzteile für PWS 9-180 | F000600528
Hersteller: BOSCH
Artikelnummer: EB-0603253177-F000600528
Netto: 7,66 € zzgl. MwSt.
zzgl. 6,90 € Versand (brutto)
einmalig pro Bestellung

Lieferzeit: 5 Werktage

Pos.
25
BOSCH Ablageleiste SCHWARZ | Ersatzteile für PWS 9-180 | 1602388029
Hersteller: BOSCH
Artikelnummer: EB-0603253177-1602388029
Netto: 3,94 € zzgl. MwSt.
zzgl. 6,90 € Versand (brutto)
einmalig pro Bestellung

Lieferzeit: 5 Werktage

Pos.
27
BOSCH Zwischenring | Ersatzteile für PWS 9-180 | 1600206026
Hersteller: BOSCH
Artikelnummer: EB-0603253177-1600206026
Netto: 3,94 € zzgl. MwSt.
zzgl. 6,90 € Versand (brutto)
einmalig pro Bestellung

Lieferzeit: 5 Werktage

Pos.
28
BOSCH Zwischenring | Ersatzteile für PWS 9-180 | 1600502011
Hersteller: BOSCH
Artikelnummer: EB-0603253177-1600502011
Netto: 4,56 € zzgl. MwSt.
zzgl. 6,90 € Versand (brutto)
einmalig pro Bestellung

Lieferzeit: 5 Werktage

Pos.
29
BOSCH Sicherungsblech | Ersatzteile für PWS 9-180 | 1601030022
Hersteller: BOSCH
Artikelnummer: EB-0603253177-1601030022
Netto: 3,94 € zzgl. MwSt.
zzgl. 6,90 € Versand (brutto)
einmalig pro Bestellung

Lieferzeit: 5 Werktage

Pos.
31
BOSCH Ersatzteil | Ersatzteile für PWS 9-180 | F000602166
Hersteller: BOSCH
Artikelnummer: EB-0603253177-F000602166
Netto: 26,41 € zzgl. MwSt.
zzgl. 6,90 € Versand (brutto)
einmalig pro Bestellung

Lieferzeit: 5 Werktage

Pos.
32
BOSCH Tellerrad Z=53 | Ersatzteile für PWS 9-180 | 1606333626
Hersteller: BOSCH
Artikelnummer: EB-0603253177-1606333626
nur Informationsartikel
Nie mehr lieferbar
keine Alternativen
Pos.
33
BOSCH Ritzel | Ersatzteile für PWS 9-180 | F000600542
Hersteller: BOSCH
Artikelnummer: EB-0603253177-F000600542
nur Informationsartikel
Nie mehr lieferbar
keine Alternativen
Pos.
34
BOSCH Ausgleichscheibe 0,1 MM DICK | Ersatzteile für PWS 9-180 | 1600190022
Hersteller: BOSCH
Artikelnummer: EB-0603253177-1600190022
Netto: 3,94 € zzgl. MwSt.
zzgl. 6,90 € Versand (brutto)
einmalig pro Bestellung

Lieferzeit: 5 Werktage

Pos.
34
BOSCH Ausgleichscheibe 0,15 MM DICK | Ersatzteile für PWS 9-180 | 1600190020
Hersteller: BOSCH
Artikelnummer: EB-0603253177-1600190020
Netto: 3,94 € zzgl. MwSt.
zzgl. 6,90 € Versand (brutto)
einmalig pro Bestellung

Lieferzeit: 5 Werktage

Pos.
34
BOSCH Ausgleichscheibe 0,3 MM DICK | Ersatzteile für PWS 9-180 | 1600190021
Hersteller: BOSCH
Artikelnummer: EB-0603253177-1600190021
Netto: 4,56 € zzgl. MwSt.
zzgl. 6,90 € Versand (brutto)
einmalig pro Bestellung

Lieferzeit: 5 Werktage

Pos.
35
BOSCH Radial-Wellendichtring | Ersatzteile für PWS 9-180 | 1600290018
Hersteller: BOSCH
Artikelnummer: EB-0603253177-1600290018
Netto: 5,65 € zzgl. MwSt.
zzgl. 6,90 € Versand (brutto)
einmalig pro Bestellung

Lieferzeit: 5 Werktage

Pos.
37
BOSCH Spannscheibe | Ersatzteile für PWS 9-180 | F000616014
Hersteller: BOSCH
Artikelnummer: EB-0603253177-F000616014
Netto: 3,62 € zzgl. MwSt.
zzgl. 6,90 € Versand (brutto)
einmalig pro Bestellung

Lieferzeit: 5 Werktage

Pos.
38
BOSCH Sicherungsring 30x1,2MM, DIN 472 | Ersatzteile für PWS 9-180 | 2916660012
Hersteller: BOSCH
Artikelnummer: EB-0603253177-2916660012
Netto: 3,94 € zzgl. MwSt.
zzgl. 6,90 € Versand (brutto)
einmalig pro Bestellung

Lieferzeit: 5 Werktage

Pos.
39
BOSCH Nadellager Ø14 MM | Ersatzteile für PWS 9-180 | 2600910001
Hersteller: BOSCH
Artikelnummer: EB-0603253177-2600910001
Netto: 5,65 € zzgl. MwSt.
zzgl. 6,90 € Versand (brutto)
einmalig pro Bestellung

Lieferzeit: 5 Werktage

Pos.
40
BOSCH O-Ring 79,0x1,78 MM | Ersatzteile für PWS 9-180 | 1600210033
Hersteller: BOSCH
Artikelnummer: EB-0603253177-1600210033
Netto: 3,94 € zzgl. MwSt.
zzgl. 6,90 € Versand (brutto)
einmalig pro Bestellung

Lieferzeit: 5 Werktage

Pos.
41
BOSCH Dichtring SCHWARZ | Ersatzteile für PWS 9-180 | 1600290036
Hersteller: BOSCH
Artikelnummer: EB-0603253177-1600290036
Netto: 4,36 € zzgl. MwSt.
zzgl. 6,90 € Versand (brutto)
einmalig pro Bestellung

Lieferzeit: 5 Werktage

Pos.
42
BOSCH Schleifspindel | Ersatzteile für PWS 9-180 | F000600150
Hersteller: BOSCH
Artikelnummer: EB-0603253177-F000600150
Netto: 11,58 € zzgl. MwSt.
zzgl. 6,90 € Versand (brutto)
einmalig pro Bestellung

Lieferzeit: 5 Werktage

Pos.
43
BOSCH Filzring | Ersatzteile für PWS 9-180 | 1600205034
Hersteller: BOSCH
Artikelnummer: EB-0603253177-1600205034
Netto: 3,94 € zzgl. MwSt.
zzgl. 6,90 € Versand (brutto)
einmalig pro Bestellung

Lieferzeit: 5 Werktage

Pos.
44
BOSCH Lagerflansch | Ersatzteile für PWS 9-180 | 1605805137
Hersteller: BOSCH
Artikelnummer: EB-0603253177-1605805137
Netto: 16,70 € zzgl. MwSt.
zzgl. 6,90 € Versand (brutto)
einmalig pro Bestellung

Lieferzeit: 5 Werktage

Pos.
45
BOSCH Haltering | Ersatzteile für PWS 9-180 | 1600290019
Hersteller: BOSCH
Artikelnummer: EB-0603253177-1600290019
Netto: 3,94 € zzgl. MwSt.
zzgl. 6,90 € Versand (brutto)
einmalig pro Bestellung

Lieferzeit: 5 Werktage

Pos.
46
BOSCH Schraube | Ersatzteile für PWS 9-180 | 9618086638
Hersteller: BOSCH
Artikelnummer: EB-0603253177-9618086638
nur Informationsartikel
Nie mehr lieferbar
keine Alternativen
Pos.
47
BOSCH Rillenkugellager | Ersatzteile für PWS 9-180 | 1900905271
Hersteller: BOSCH
Artikelnummer: EB-0603253177-1900905271
nur Informationsartikel
Nie mehr lieferbar
keine Alternativen
Pos.
48
BOSCH Blechschraube | Ersatzteile für PWS 9-180 | F000600216
Hersteller: BOSCH
Artikelnummer: EB-0603253177-F000600216
nur Informationsartikel
Nie mehr lieferbar
keine Alternativen
Pos.
49
BOSCH Sicherungsbügel | Ersatzteile für PWS 9-180 | 1600119010
Hersteller: BOSCH
Artikelnummer: EB-0603253177-1600119010
Netto: 3,94 € zzgl. MwSt.
zzgl. 6,90 € Versand (brutto)
einmalig pro Bestellung

Lieferzeit: 5 Werktage

Pos.
50
BOSCH Sechskantmutter DIN 936-M8x1-8 | Ersatzteile für PWS 9-180 | 1613300008
Hersteller: BOSCH
Artikelnummer: EB-0603253177-1613300008
Netto: 4,56 € zzgl. MwSt.
zzgl. 6,90 € Versand (brutto)
einmalig pro Bestellung

Lieferzeit: 5 Werktage

Pos.
55
BOSCH Handgriff | Ersatzteile für PWS 9-180 | 9618086678
Hersteller: BOSCH
Artikelnummer: EB-0603253177-9618086678
Netto: 13,81 € zzgl. MwSt.
zzgl. 6,90 € Versand (brutto)
einmalig pro Bestellung

Lieferzeit: 5 Werktage

Pos.
57
BOSCH Leitungsführung | Ersatzteile für PWS 9-180 | 1601025001
Hersteller: BOSCH
Artikelnummer: EB-0603253177-3601025003
Netto: 3,94 € zzgl. MwSt.
zzgl. 6,90 € Versand (brutto)
einmalig pro Bestellung

Lieferzeit: 5 Werktage

Pos.
59
BOSCH Blechschraube 4x20 MM | Ersatzteile für PWS 9-180 | 9618087100
Hersteller: BOSCH
Artikelnummer: EB-0603253177-9618087100
Netto: 3,94 € zzgl. MwSt.
zzgl. 6,90 € Versand (brutto)
einmalig pro Bestellung

Lieferzeit: 5 Werktage

Pos.
60
BOSCH Zylinderschraube DIN 84-AM4x8-8.8 | Ersatzteile für PWS 9-180 | 2910021118
Hersteller: BOSCH
Artikelnummer: EB-0603253177-2910021118
Netto: 3,60 € zzgl. MwSt.
zzgl. 6,90 € Versand (brutto)
einmalig pro Bestellung

Lieferzeit: 5 Werktage

Pos.
61
BOSCH Blechschraube | Ersatzteile für PWS 9-180 | F000600217
Hersteller: BOSCH
Artikelnummer: EB-0603253177-F000600217
nur Informationsartikel
Nie mehr lieferbar
keine Alternativen
Pos.
62
BOSCH Verbindungsleitung | Ersatzteile für PWS 9-180 | 9618089758
Hersteller: BOSCH
Artikelnummer: EB-0603253177-9618089758
Netto: 4,56 € zzgl. MwSt.
zzgl. 6,90 € Versand (brutto)
einmalig pro Bestellung

Lieferzeit: 5 Werktage

Pos.
63
BOSCH Flachstecker | Ersatzteile für PWS 9-180 | F000612021
Hersteller: BOSCH
Artikelnummer: EB-0603253177-F000612021
Netto: 3,60 € zzgl. MwSt.
zzgl. 6,90 € Versand (brutto)
einmalig pro Bestellung

Lieferzeit: 5 Werktage

Pos.
64
BOSCH Zylinderschraube DIN 84-AM4x5-8.8 | Ersatzteile für PWS 9-180 | 2910021115
Hersteller: BOSCH
Artikelnummer: EB-0603253177-2910021115
nur Informationsartikel
Nie mehr lieferbar
keine Alternativen
Pos.
66
BOSCH Druckknopf | Ersatzteile für PWS 9-180 | 1603231012
Hersteller: BOSCH
Artikelnummer: EB-0603253177-1603231012
nur Informationsartikel
Nie mehr lieferbar
keine Alternativen
Pos.
67
BOSCH Druckfeder | Ersatzteile für PWS 9-180 | 1604611024
Hersteller: BOSCH
Artikelnummer: EB-0603253177-1604611024
Netto: 3,94 € zzgl. MwSt.
zzgl. 6,90 € Versand (brutto)
einmalig pro Bestellung

Lieferzeit: 5 Werktage

Pos.
68
BOSCH Rastbolzen | Ersatzteile für PWS 9-180 | 1603123032
Hersteller: BOSCH
Artikelnummer: EB-0603253177-1603123032
nur Informationsartikel
Nie mehr lieferbar
keine Alternativen
Pos.
70
BOSCH O-Ring 4,0x1,0 MM | Ersatzteile für PWS 9-180 | 1600210034
Hersteller: BOSCH
Artikelnummer: EB-0603253177-1600210034
Netto: 3,94 € zzgl. MwSt.
zzgl. 6,90 € Versand (brutto)
einmalig pro Bestellung

Lieferzeit: 5 Werktage

Pos.
671
BOSCH Zusatzhandgriff | Ersatzteile für PWS 9-180 | F000635276
Hersteller: BOSCH
Artikelnummer: EB-0603253177-160202509Z
Netto: 11,58 € zzgl. MwSt.
zzgl. 6,90 € Versand (brutto)
einmalig pro Bestellung

Lieferzeit: 5 Werktage

Pos.
671
BOSCH Zusatzhandgriff M14, Ø37x115 MM SCHWARZ | Ersatzteile für PWS 9-180 | 1602025030
Hersteller: BOSCH
Artikelnummer: EB-0603253177-1602025030
Netto: 14,92 € zzgl. MwSt.
zzgl. 6,90 € Versand (brutto)
einmalig pro Bestellung

Lieferzeit: 5 Werktage

Pos.
672
BOSCH Stützteller Ø180 MM | Ersatzteile für PWS 9-180 | 1608601006
Hersteller: BOSCH
Artikelnummer: EB-0603253177-1608601006
nur Informationsartikel
Nie mehr lieferbar
keine Alternativen
Pos.
673
BOSCH Rundmutter | Ersatzteile für PWS 9-180 | 2603345007
Hersteller: BOSCH
Artikelnummer: EB-0603253177-2603345007
nur Informationsartikel
Nie mehr lieferbar
keine Alternativen
Pos.
674
BOSCH Stirnlochschlüssel | Ersatzteile für PWS 9-180 | F000632038
Hersteller: BOSCH
Artikelnummer: EB-0603253177-F000632038
nur Informationsartikel
Nie mehr lieferbar
keine Alternativen
Pos.
801
BOSCH Motorgehäuse | Ersatzteile für PWS 9-180 | 9618086923
Hersteller: BOSCH
Artikelnummer: EB-0603253177-9618086923
nur Informationsartikel
Nie mehr lieferbar
keine Alternativen
Pos.
810
BOSCH Kohlebürstensatz | Ersatzteile für PWS 9-180 | 9618086773
Hersteller: BOSCH
Artikelnummer: EB-0603253177-9618086773
Netto: 11,58 € zzgl. MwSt.
zzgl. 6,90 € Versand (brutto)
einmalig pro Bestellung

Lieferzeit: 5 Werktage

Pos.
811
BOSCH Bürstenhalter | Ersatzteile für PWS 9-180 | 9618081500
Hersteller: BOSCH
Artikelnummer: EB-0603253177-9618081500
Netto: 5,65 € zzgl. MwSt.
zzgl. 6,90 € Versand (brutto)
einmalig pro Bestellung

Lieferzeit: 5 Werktage

Pos.
812
BOSCH Gelenkbolzen | Ersatzteile für PWS 9-180 | 9618086925
Hersteller: BOSCH
Artikelnummer: EB-0603253177-9618086925
nur Informationsartikel
Nie mehr lieferbar
keine Alternativen

Angaben zur Produktsicherheit

Hersteller:
Robert Bosch Power Tools GmbH
Postfach 30 02 20
70442 Stuttgart

E-Mail:
kontakt@bosch.de