BOSCH Spanngriff | Ersatzteile für REGENT 14 | F016L66136

Artikelnummer: EB-F016L80345-F016L66136

Position: 51

Marke: BOSCH


Bitte Kompatibilität prüfen!

Bitte prüfen Sie unbedingt die 10-stellige Typennummer Ihrer Maschine / Ihres Gerätes. Das Ersatzteil ist nur kompatibel, wenn Sie die Typennummer Ihrer Maschine in der unten stehenden Produktbeschreibung finden.

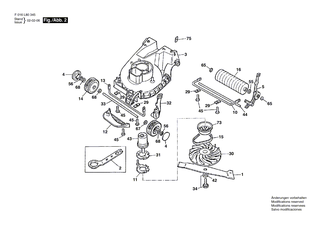
Bitte prüfen Sie ebenfalls detailliert die Explosionszeichnung mit Ihrem Artikelwunsch und der jeweiligen Pos-Nummer.

Alle Elemente, welche vom schwarzen Strich der Pos-Nummer ausgehend berührt / erfasst werden, gehören zu dieser Pos-Nummer und somit zu diesem Artikel. Jede Pos-Nummer ist ein eigenständiger Artikel, welchen Sie in der Auflistung finden.

Sie erhalten stets die aktuellste, neueste Produktversion zu der gewählten Pos-Nummer seitens des Herstellers. Es kann daher je nach Gerätealter vorkommen, dass Sie ggf. weitere, zugehörige Elemente, welche an diese Pos-Nummer grenzen, ebenfalls mittauschen müssen.

Nähere Informationen finden Sie unter dem Link
Hinweise zu Ihrer BOSCH Ersatzteilsuche

Preisübersicht

Einzelpreis: 5,67 €* (Brutto: 6,75 €)
Gesamtpreis: 5,67 €* 
Position:

Lieferzeit: 5 Werktage


Beschreibung

  • Spanngriff
  • Original Bosch Zubehör / BOSCH Ersatzteil (F016L66136)
  • im Gerät verbaut: 1
Dieses BOSCH Ersatzteil ist mit folgendem Gerät und Modell kompatibel:
  • BOSCH Gerätename: REGENT 14
  • BOSCH Explosionszeichnung: Position 51
  • BOSCH Typennummer: F016L80345
  • BOSCH Typennummer alternative Schreibweisen: F 016 L80 345, F016 L80 345, F.016.L80.345, F-016-L80-345
    Bitte prüfen Sie diese Typennummer auf Ihrem Gerät um die Kompatibilität des BOSCH Ersatzteils zu gewährleisten.
Weitere BOSCH Ersatzteile des Gerätes REGENT 14 (Rasenmäher) mit der Typennummer F016L80345 finden Sie in der nachfolgenden Darstellung und im Dropdown zu Ihrer Auswahl:

Pos.
1
BOSCH Mähmesser T3 | Ersatzteile für REGENT 14 | F016T49614
Hersteller: BOSCH
Artikelnummer: EB-F016L80345-F016T49614
nur Informationsartikel
Nie mehr lieferbar
keine Alternativen
Pos.
21/1
BOSCH Montagesatz | Ersatzteile für REGENT 14 | F016T56449
Hersteller: BOSCH
Artikelnummer: EB-F016L80345-F016T56449
nur Informationsartikel
Nie mehr lieferbar
keine Alternativen
Pos.
21/2
BOSCH Montagesatz | Ersatzteile für REGENT 14 | F016L36439
Hersteller: BOSCH
Artikelnummer: EB-F016L80345-F016L36439
nur Informationsartikel
Nie mehr lieferbar
keine Alternativen
Pos.
24/1
BOSCH Handgriff | Ersatzteile für REGENT 14 | F016L36412
Hersteller: BOSCH
Artikelnummer: EB-F016L80345-F016L36412
nur Informationsartikel
Nie mehr lieferbar
keine Alternativen
Pos.
24/2
BOSCH Handgriff | Ersatzteile für REGENT 14 | F016L59019
Hersteller: BOSCH
Artikelnummer: EB-F016L80345-F016L59019
nur Informationsartikel
Nie mehr lieferbar
keine Alternativen
Pos.
2
BOSCH Schlüssel | Ersatzteile für REGENT 14 | F016T49656
Hersteller: BOSCH
Artikelnummer: EB-F016L80345-F016T49656
nur Informationsartikel
Nie mehr lieferbar
keine Alternativen
Pos.
3
BOSCH Gehäuse | Ersatzteile für REGENT 14 | F016T49595
Hersteller: BOSCH
Artikelnummer: EB-F016L80345-F016T49595
nur Informationsartikel
Nie mehr lieferbar
keine Alternativen
Pos.
4
BOSCH Verschlusskappe | Ersatzteile für REGENT 14 | F016L36391
Hersteller: BOSCH
Artikelnummer: EB-F016L80345-F016L36391
nur Informationsartikel
Nie mehr lieferbar
keine Alternativen
Pos.
5
BOSCH Hebel | Ersatzteile für REGENT 14 | F016T49610
Hersteller: BOSCH
Artikelnummer: EB-F016L80345-F016T49610
nur Informationsartikel
Nie mehr lieferbar
keine Alternativen
Pos.
7
BOSCH Gehäuse | Ersatzteile für REGENT 14 | F016L36393
Hersteller: BOSCH
Artikelnummer: EB-F016L80345-F016L36393
nur Informationsartikel
Nie mehr lieferbar
keine Alternativen
Pos.
8
BOSCH Ersatzteil | Ersatzteile für REGENT 14 | F016T49588
Hersteller: BOSCH
Artikelnummer: EB-F016L80345-F016T49588
nur Informationsartikel
Nie mehr lieferbar
keine Alternativen
Pos.
9
BOSCH Halterung | Ersatzteile für REGENT 14 | F016T49629
Hersteller: BOSCH
Artikelnummer: EB-F016L80345-F016T49629
nur Informationsartikel
Nie mehr lieferbar
keine Alternativen
Pos.
10
BOSCH Torsionsstab | Ersatzteile für REGENT 14 | F016T49609
Hersteller: BOSCH
Artikelnummer: EB-F016L80345-F016T49609
nur Informationsartikel
Nie mehr lieferbar
keine Alternativen
Pos.
11
BOSCH Klemme | Ersatzteile für REGENT 14 | F016T49653
Hersteller: BOSCH
Artikelnummer: EB-F016L80345-F016T49653
nur Informationsartikel
Nie mehr lieferbar
keine Alternativen
Pos.
12
BOSCH Schutzdeckel | Ersatzteile für REGENT 14 | F016T49597
Hersteller: BOSCH
Artikelnummer: EB-F016L80345-F016T49597
nur Informationsartikel
Nie mehr lieferbar
keine Alternativen
Pos.
13
BOSCH Torsionsstab | Ersatzteile für REGENT 14 | F016T49602
Hersteller: BOSCH
Artikelnummer: EB-F016L80345-F016T49602
nur Informationsartikel
Nie mehr lieferbar
keine Alternativen
Pos.
14
BOSCH Rad | Ersatzteile für REGENT 14 | F016L36403
Hersteller: BOSCH
Artikelnummer: EB-F016L80345-F016L36403
nur Informationsartikel
Nie mehr lieferbar
keine Alternativen
Pos.
15
BOSCH Antriebsriemen | Ersatzteile für REGENT 14 | F016T49393
Hersteller: BOSCH
Artikelnummer: EB-F016L80345-F016T49393
nur Informationsartikel
Nie mehr lieferbar
keine Alternativen
Pos.
16
BOSCH Rolle | Ersatzteile für REGENT 14 | F016T49613
Hersteller: BOSCH
Artikelnummer: EB-F016L80345-F016T49613
nur Informationsartikel
Nie mehr lieferbar
keine Alternativen
Pos.
17
BOSCH Abdeckblende | Ersatzteile für REGENT 14 | F016T49596
Hersteller: BOSCH
Artikelnummer: EB-F016L80345-F016T49596
nur Informationsartikel
Nie mehr lieferbar
keine Alternativen
Pos.
18
BOSCH Feder | Ersatzteile für REGENT 14 | F016T49599
Hersteller: BOSCH
Artikelnummer: EB-F016L80345-F016T49599
Netto: 3,94 € zzgl. MwSt.
zzgl. 6,90 € Versand (brutto)
einmalig pro Bestellung

Lieferzeit: 5 Werktage

Pos.
19
BOSCH Filter | Ersatzteile für REGENT 14 | F016T56148
Hersteller: BOSCH
Artikelnummer: EB-F016L80345-F016T56148
nur Informationsartikel
Nie mehr lieferbar
keine Alternativen
Pos.
20
BOSCH Motorhaube | Ersatzteile für REGENT 14 | F016T49585
Hersteller: BOSCH
Artikelnummer: EB-F016L80345-F016T49585
nur Informationsartikel
Nie mehr lieferbar
keine Alternativen
Pos.
22
BOSCH Kabelhalter | Ersatzteile für REGENT 14 | F016T49630
Hersteller: BOSCH
Artikelnummer: EB-F016L80345-F016T49630
nur Informationsartikel
Nie mehr lieferbar
keine Alternativen
Pos.
23
BOSCH Schalterdeckel | Ersatzteile für REGENT 14 | F016L36449
Hersteller: BOSCH
Artikelnummer: EB-F016L80345-F016L36449
nur Informationsartikel
Nie mehr lieferbar
keine Alternativen
Pos.
25
BOSCH Oberteil | Ersatzteile für REGENT 14 | F016T56152
Hersteller: BOSCH
Artikelnummer: EB-F016L80345-F016T56152
nur Informationsartikel
Nie mehr lieferbar
keine Alternativen
Pos.
26
BOSCH Handgriff | Ersatzteile für REGENT 14 | F016L57317
Hersteller: BOSCH
Artikelnummer: EB-F016L80345-F016L57317
nur Informationsartikel
Nie mehr lieferbar
keine Alternativen
Pos.
27
BOSCH Elektromotor | Ersatzteile für REGENT 14 | F016S10488
Hersteller: BOSCH
Artikelnummer: EB-F016L80345-F016S10488
nur Informationsartikel
Nie mehr lieferbar
keine Alternativen
Pos.
28
BOSCH Verbindungskabel | Ersatzteile für REGENT 14 | F016L59115
Hersteller: BOSCH
Artikelnummer: EB-F016L80345-F016L59115
nur Informationsartikel
Nie mehr lieferbar
keine Alternativen
Pos.
29
BOSCH Gestänge | Ersatzteile für REGENT 14 | F016T49662
Hersteller: BOSCH
Artikelnummer: EB-F016L80345-F016T49662
nur Informationsartikel
Nie mehr lieferbar
keine Alternativen
Pos.
30
BOSCH Lüfter | Ersatzteile für REGENT 14 | F016T56441
Hersteller: BOSCH
Artikelnummer: EB-F016L80345-F016T56441
Netto: 10,92 € zzgl. MwSt.
zzgl. 6,90 € Versand (brutto)
einmalig pro Bestellung

Lieferzeit: 5 Werktage

Pos.
31
BOSCH Feder | Ersatzteile für REGENT 14 | F016T49583
Hersteller: BOSCH
Artikelnummer: EB-F016L80345-F016T49583
nur Informationsartikel
Nie mehr lieferbar
keine Alternativen
Pos.
32
BOSCH Halter | Ersatzteile für REGENT 14 | F016L36402
Hersteller: BOSCH
Artikelnummer: EB-F016L80345-F016L36402
nur Informationsartikel
Nie mehr lieferbar
keine Alternativen
Pos.
33
BOSCH Achse | Ersatzteile für REGENT 14 | F016T49668
Hersteller: BOSCH
Artikelnummer: EB-F016L80345-F016T49668
nur Informationsartikel
Nie mehr lieferbar
keine Alternativen
Pos.
34
BOSCH Teilesatz | Ersatzteile für REGENT 14 | F016T56431
Hersteller: BOSCH
Artikelnummer: EB-F016L80345-F016T56431
nur Informationsartikel
Nie mehr lieferbar
keine Alternativen
Pos.
35
BOSCH Schnaepper | Ersatzteile für REGENT 14 | F016T56444
Hersteller: BOSCH
Artikelnummer: EB-F016L80345-F016T56444
nur Informationsartikel
Nie mehr lieferbar
keine Alternativen
Pos.
36
BOSCH Scharnierleiste | Ersatzteile für REGENT 14 | F016T56078
Hersteller: BOSCH
Artikelnummer: EB-F016L80345-F016T56078
nur Informationsartikel
Nie mehr lieferbar
keine Alternativen
Pos.
38
BOSCH Halterung | Ersatzteile für REGENT 14 | F016T49628
Hersteller: BOSCH
Artikelnummer: EB-F016L80345-F016T49628
nur Informationsartikel
Nie mehr lieferbar
keine Alternativen
Pos.
39
BOSCH Verlängerung | Ersatzteile für REGENT 14 | F016T49671
Hersteller: BOSCH
Artikelnummer: EB-F016L80345-F016T49671
nur Informationsartikel
Nie mehr lieferbar
keine Alternativen
Pos.
40
BOSCH Kabelhalter | Ersatzteile für REGENT 14 | F016L11580
Hersteller: BOSCH
Artikelnummer: EB-F016L80345-F016L11580
nur Informationsartikel
Nie mehr lieferbar
keine Alternativen
Pos.
41
BOSCH Kabelhalter | Ersatzteile für REGENT 14 | F016T46305
Hersteller: BOSCH
Artikelnummer: EB-F016L80345-F016T46305
Netto: 3,94 € zzgl. MwSt.
zzgl. 6,90 € Versand (brutto)
einmalig pro Bestellung

Lieferzeit: 5 Werktage

Pos.
42
BOSCH Scheibe | Ersatzteile für REGENT 14 | F016T47251
Hersteller: BOSCH
Artikelnummer: EB-F016L80345-F016T47251
nur Informationsartikel
Nie mehr lieferbar
keine Alternativen
Pos.
43
BOSCH Ersatzteil | Ersatzteile für REGENT 14 | F016102296
Hersteller: BOSCH
Artikelnummer: EB-F016L80345-F016102296
nur Informationsartikel
Nie mehr lieferbar
keine Alternativen
Pos.
44
BOSCH Spindel | Ersatzteile für REGENT 14 | F016L59016
Hersteller: BOSCH
Artikelnummer: EB-F016L80345-F016L59016
nur Informationsartikel
Nie mehr lieferbar
keine Alternativen
Pos.
45
BOSCH Gewindeschneidschraube 4x19 MM | Ersatzteile für REGENT 14 | F016T49429
Hersteller: BOSCH
Artikelnummer: EB-F016L80345-F016T49429
Netto: 3,63 € zzgl. MwSt.
zzgl. 6,90 € Versand (brutto)
einmalig pro Bestellung

Lieferzeit: 5 Werktage

Pos.
46
BOSCH Hebel | Ersatzteile für REGENT 14 | F016T49590
Hersteller: BOSCH
Artikelnummer: EB-F016L80345-F016T49590
nur Informationsartikel
Nie mehr lieferbar
keine Alternativen
Pos.
47
BOSCH Unterlegscheibe | Ersatzteile für REGENT 14 | F016T48727
Hersteller: BOSCH
Artikelnummer: EB-F016L80345-F016T48727
nur Informationsartikel
Nie mehr lieferbar
keine Alternativen
Pos.
48
BOSCH Kabelhalter | Ersatzteile für REGENT 14 | F016T49636
Hersteller: BOSCH
Artikelnummer: EB-F016L80345-F016T49636
nur Informationsartikel
Nie mehr lieferbar
keine Alternativen
Pos.
49
BOSCH Spiralfeder | Ersatzteile für REGENT 14 | F016T49633
Hersteller: BOSCH
Artikelnummer: EB-F016L80345-F016T49633
Netto: 4,36 € zzgl. MwSt.
zzgl. 6,90 € Versand (brutto)
einmalig pro Bestellung

Lieferzeit: 5 Werktage

Pos.
50
BOSCH Kondensator | Ersatzteile für REGENT 14 | F016L36952
Hersteller: BOSCH
Artikelnummer: EB-F016L80345-F016L36952
Netto: 3,63 € zzgl. MwSt.
zzgl. 6,90 € Versand (brutto)
einmalig pro Bestellung

Lieferzeit: 5 Werktage

Pos.
51
BOSCH Spanngriff | Ersatzteile für REGENT 14 | F016L66136
Hersteller: BOSCH
Artikelnummer: EB-F016L80345-F016L66136
Netto: 5,67 € zzgl. MwSt.
zzgl. 6,90 € Versand (brutto)
einmalig pro Bestellung

Lieferzeit: 5 Werktage

Pos.
52
BOSCH Ersatzteil | Ersatzteile für REGENT 14 | F016T49589
Hersteller: BOSCH
Artikelnummer: EB-F016L80345-F016T49589
nur Informationsartikel
Nie mehr lieferbar
keine Alternativen
Pos.
53
BOSCH Laufbolzen | Ersatzteile für REGENT 14 | F016T49624
Hersteller: BOSCH
Artikelnummer: EB-F016L80345-F016T49624
Netto: 3,60 € zzgl. MwSt.
zzgl. 6,90 € Versand (brutto)
einmalig pro Bestellung

Lieferzeit: 5 Werktage

Pos.
54
BOSCH Schutzlappen | Ersatzteile für REGENT 14 | F016T49598
Hersteller: BOSCH
Artikelnummer: EB-F016L80345-F016T49598
nur Informationsartikel
Nie mehr lieferbar
keine Alternativen
Pos.
56
BOSCH Stellring 12 MM T40 | Ersatzteile für REGENT 14 | F016T49100
Hersteller: BOSCH
Artikelnummer: EB-F016L80345-F016T49100
nur Informationsartikel
Nie mehr lieferbar
keine Alternativen
Pos.
57
BOSCH Schaltergehäuse | Ersatzteile für REGENT 14 | F016T49637
Hersteller: BOSCH
Artikelnummer: EB-F016L80345-F016T49637
nur Informationsartikel
Nie mehr lieferbar
keine Alternativen
Pos.
58
BOSCH Mutter M6 | Ersatzteile für REGENT 14 | F016L35329
Hersteller: BOSCH
Artikelnummer: EB-F016L80345-F016L35329
Netto: 3,94 € zzgl. MwSt.
zzgl. 6,90 € Versand (brutto)
einmalig pro Bestellung

Lieferzeit: 5 Werktage

Pos.
59
BOSCH Ein/Aus-Schalter | Ersatzteile für REGENT 14 | F016F05717
Hersteller: BOSCH
Artikelnummer: EB-F016L80345-F016F05717
Netto: 12,98 € zzgl. MwSt.
zzgl. 6,90 € Versand (brutto)
einmalig pro Bestellung

Lieferzeit: 5 Werktage

Pos.
60
BOSCH Netzanschlussleitung GB 22m 2 x 0,75mm without plug | Ersatzteile für REGENT 14 | F016104085
Hersteller: BOSCH
Artikelnummer: EB-F016L80345-F016104085
nur Informationsartikel
Nie mehr lieferbar
keine Alternativen
Pos.
64
BOSCH Laufbolzen | Ersatzteile für REGENT 14 | F016T48017
Hersteller: BOSCH
Artikelnummer: EB-F016L80345-F016T48017
nur Informationsartikel
Nie mehr lieferbar
keine Alternativen
Pos.
65
BOSCH Sicherungskappe Ø8 MM SCHWARZ | Ersatzteile für REGENT 14 | F016T48990
Hersteller: BOSCH
Artikelnummer: EB-F016L80345-F016T48990
Netto: 3,63 € zzgl. MwSt.
zzgl. 6,90 € Versand (brutto)
einmalig pro Bestellung

Lieferzeit: 5 Werktage

Pos.
66
BOSCH Unterlegscheibe 8,5 MM | Ersatzteile für REGENT 14 | F016L35316
Hersteller: BOSCH
Artikelnummer: EB-F016L80345-F016L35316
Netto: 3,60 € zzgl. MwSt.
zzgl. 6,90 € Versand (brutto)
einmalig pro Bestellung

Lieferzeit: 5 Werktage

Pos.
67
BOSCH Unterlegscheibe 8,5 MM | Ersatzteile für REGENT 14 | F016T48531
Hersteller: BOSCH
Artikelnummer: EB-F016L80345-F016T48531
nur Informationsartikel
Nie mehr lieferbar
keine Alternativen
Pos.
68
BOSCH Rad | Ersatzteile für REGENT 14 | F016T49608
Hersteller: BOSCH
Artikelnummer: EB-F016L80345-F016T49608
nur Informationsartikel
Nie mehr lieferbar
keine Alternativen
Pos.
69
BOSCH Schraube | Ersatzteile für REGENT 14 | F016T46295
Hersteller: BOSCH
Artikelnummer: EB-F016L80345-F016T46295
nur Informationsartikel
Nie mehr lieferbar
keine Alternativen
Pos.
70
BOSCH Laufbolzen M6 x48 | Ersatzteile für REGENT 14 | F016T49623
Hersteller: BOSCH
Artikelnummer: EB-F016L80345-F016T49623
Netto: 4,82 € zzgl. MwSt.
zzgl. 6,90 € Versand (brutto)
einmalig pro Bestellung

Lieferzeit: 5 Werktage

Pos.
71
BOSCH Knopf | Ersatzteile für REGENT 14 | F016T49223
Hersteller: BOSCH
Artikelnummer: EB-F016L80345-F016T49223
nur Informationsartikel
Nie mehr lieferbar
keine Alternativen
Pos.
73
BOSCH Riemenscheibe | Ersatzteile für REGENT 14 | F016T49582
Hersteller: BOSCH
Artikelnummer: EB-F016L80345-F016T49582
nur Informationsartikel
Nie mehr lieferbar
keine Alternativen
Pos.
74
BOSCH Druckfeder | Ersatzteile für REGENT 14 | F016T49226
Hersteller: BOSCH
Artikelnummer: EB-F016L80345-F016T49226
nur Informationsartikel
Nie mehr lieferbar
keine Alternativen
Pos.
75
BOSCH Halteblech | Ersatzteile für REGENT 14 | F016T49664
Hersteller: BOSCH
Artikelnummer: EB-F016L80345-F016T49664
nur Informationsartikel
Nie mehr lieferbar
keine Alternativen
Pos.
76
BOSCH Thermoschalter | Ersatzteile für REGENT 14 | F016L36567
Hersteller: BOSCH
Artikelnummer: EB-F016L80345-F016L36567
nur Informationsartikel
Nie mehr lieferbar
keine Alternativen
Pos.
77
BOSCH Zylinderstift | Ersatzteile für REGENT 14 | F016T56145
Hersteller: BOSCH
Artikelnummer: EB-F016L80345-F016T56145
Netto: 3,63 € zzgl. MwSt.
zzgl. 6,90 € Versand (brutto)
einmalig pro Bestellung

Lieferzeit: 5 Werktage

Pos.
78
BOSCH Halterung | Ersatzteile für REGENT 14 | F016T49634
Hersteller: BOSCH
Artikelnummer: EB-F016L80345-F016T49634
nur Informationsartikel
Nie mehr lieferbar
keine Alternativen
Pos.
79
BOSCH Endschalter | Ersatzteile für REGENT 14 | F016T49627
Hersteller: BOSCH
Artikelnummer: EB-F016L80345-F016T49627
Netto: 3,60 € zzgl. MwSt.
zzgl. 6,90 € Versand (brutto)
einmalig pro Bestellung

Lieferzeit: 5 Werktage

Pos.
80
BOSCH Thermoschalter | Ersatzteile für REGENT 14 | F016L36450
Hersteller: BOSCH
Artikelnummer: EB-F016L80345-F016L36450
nur Informationsartikel
Nie mehr lieferbar
keine Alternativen

Angaben zur Produktsicherheit

Hersteller:
Robert Bosch Power Tools GmbH
Postfach 30 02 20
70442 Stuttgart

E-Mail:
kontakt@bosch.de