BOSCH Batterieklappe | Ersatzteile für ROTAK 37 LI | F016L65952

Artikelnummer: EB-3600H81JB2-F016L65952

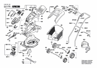
Position: 43/1

Marke: BOSCH


Bitte Kompatibilität prüfen!

Bitte prüfen Sie unbedingt die 10-stellige Typennummer Ihrer Maschine / Ihres Gerätes. Das Ersatzteil ist nur kompatibel, wenn Sie die Typennummer Ihrer Maschine in der unten stehenden Produktbeschreibung finden.

Bitte prüfen Sie ebenfalls detailliert die Explosionszeichnung mit Ihrem Artikelwunsch und der jeweiligen Pos-Nummer.

Alle Elemente, welche vom schwarzen Strich der Pos-Nummer ausgehend berührt / erfasst werden, gehören zu dieser Pos-Nummer und somit zu diesem Artikel. Jede Pos-Nummer ist ein eigenständiger Artikel, welchen Sie in der Auflistung finden.

Sie erhalten stets die aktuellste, neueste Produktversion zu der gewählten Pos-Nummer seitens des Herstellers. Es kann daher je nach Gerätealter vorkommen, dass Sie ggf. weitere, zugehörige Elemente, welche an diese Pos-Nummer grenzen, ebenfalls mittauschen müssen.

Nähere Informationen finden Sie unter dem Link
Hinweise zu Ihrer BOSCH Ersatzteilsuche

Preisübersicht

Einzelpreis: 29,45 €* (Brutto: 35,05 €)
Gesamtpreis: 29,45 €* 
Position:

Lieferzeit: 5 Werktage


Beschreibung

  • Batterieklappe
  • Original Bosch Zubehör / BOSCH Ersatzteil (F016L65952)
  • im Gerät verbaut: 1
Dieses BOSCH Ersatzteil ist mit folgendem Gerät und Modell kompatibel:
  • BOSCH Gerätename: ROTAK 37 LI
  • BOSCH Explosionszeichnung: Position 43/1
  • BOSCH Typennummer: 3600H81JB2
  • BOSCH Typennummer alternative Schreibweisen: 3 600 H81 JB2, 3600 H81 JB2, 3.600.H81.JB2, 3-600-H81-JB2
    Bitte prüfen Sie diese Typennummer auf Ihrem Gerät um die Kompatibilität des BOSCH Ersatzteils zu gewährleisten.
Weitere BOSCH Ersatzteile des Gerätes ROTAK 37 LI (Rasenmäher) mit der Typennummer 3600H81JB2 finden Sie in der nachfolgenden Darstellung und im Dropdown zu Ihrer Auswahl:

Pos.
43/1
BOSCH Batterieklappe | Ersatzteile für ROTAK 37 LI | F016L65952
Hersteller: BOSCH
Artikelnummer: EB-3600H81JB2-F016L65952
Netto: 29,45 € zzgl. MwSt.
zzgl. 6,90 € Versand (brutto)
einmalig pro Bestellung

Lieferzeit: 5 Werktage

Pos.
43/10
BOSCH Feder | Ersatzteile für ROTAK 37 LI | F016L66108
Hersteller: BOSCH
Artikelnummer: EB-3600H81JB2-F016L66108
nur Informationsartikel
Nie mehr lieferbar
keine Alternativen
Pos.
43/2
BOSCH Batteriedeckel | Ersatzteile für ROTAK 37 LI | F016L66663
Hersteller: BOSCH
Artikelnummer: EB-3600H81JB2-F016L66663
nur Informationsartikel
Nie mehr lieferbar
keine Alternativen
Pos.
43/3
BOSCH Motorhaube | Ersatzteile für ROTAK 37 LI | F016L66779
Hersteller: BOSCH
Artikelnummer: EB-3600H81JB2-F016L66779
nur Informationsartikel
Nie mehr lieferbar
keine Alternativen
Pos.
43/6
BOSCH Isolator | Ersatzteile für ROTAK 37 LI | F016L66669
Hersteller: BOSCH
Artikelnummer: EB-3600H81JB2-F016L66669
nur Informationsartikel
Nie mehr lieferbar
keine Alternativen
Pos.
43/8
BOSCH Auslösehebel | Ersatzteile für ROTAK 37 LI | F016L66107
Hersteller: BOSCH
Artikelnummer: EB-3600H81JB2-F016L66107
nur Informationsartikel
Nie mehr lieferbar
keine Alternativen
Pos.
43/9
BOSCH Arretierung | Ersatzteile für ROTAK 37 LI | F016L65988
Hersteller: BOSCH
Artikelnummer: EB-3600H81JB2-F016L65988
nur Informationsartikel
Nie mehr lieferbar
keine Alternativen
Pos.
506/1
BOSCH Bolzen M6x50 | Ersatzteile für ROTAK 37 LI | F016L59277
Hersteller: BOSCH
Artikelnummer: EB-3600H81JB2-F016L59277
nur Informationsartikel
Nie mehr lieferbar
keine Alternativen
Pos.
506/2
BOSCH Spanngriff | Ersatzteile für ROTAK 37 LI | F016L66136
Hersteller: BOSCH
Artikelnummer: EB-3600H81JB2-F016L66136
Netto: 5,67 € zzgl. MwSt.
zzgl. 6,90 € Versand (brutto)
einmalig pro Bestellung

Lieferzeit: 5 Werktage

Pos.
52/01
BOSCH Achse | Ersatzteile für ROTAK 37 LI | F016L66465
Hersteller: BOSCH
Artikelnummer: EB-3600H81JB2-F016L66465
nur Informationsartikel
Nie mehr lieferbar
keine Alternativen
Pos.
52/02
BOSCH Hebel | Ersatzteile für ROTAK 37 LI | F016L90582
Hersteller: BOSCH
Artikelnummer: EB-3600H81JB2-F016L90582
nur Informationsartikel
Nie mehr lieferbar
keine Alternativen
Pos.
52/03
BOSCH Distanzstück | Ersatzteile für ROTAK 37 LI | F016L90583
Hersteller: BOSCH
Artikelnummer: EB-3600H81JB2-F016L90583
nur Informationsartikel
Nie mehr lieferbar
keine Alternativen
Pos.
61/01
BOSCH Achse | Ersatzteile für ROTAK 37 LI | F016L66464
Hersteller: BOSCH
Artikelnummer: EB-3600H81JB2-F016L66464
Netto: 5,17 € zzgl. MwSt.
zzgl. 6,90 € Versand (brutto)
einmalig pro Bestellung

Lieferzeit: 5 Werktage

Pos.
61/02
BOSCH Hebel | Ersatzteile für ROTAK 37 LI | F016L90581
Hersteller: BOSCH
Artikelnummer: EB-3600H81JB2-F016L90581
nur Informationsartikel
Nie mehr lieferbar
keine Alternativen
Pos.
61/03
BOSCH Distanzstück | Ersatzteile für ROTAK 37 LI | F016L90585
Hersteller: BOSCH
Artikelnummer: EB-3600H81JB2-F016L90585
Netto: 3,94 € zzgl. MwSt.
zzgl. 6,90 € Versand (brutto)
einmalig pro Bestellung

Lieferzeit: 5 Werktage

Pos.
75/01
BOSCH Handgriff | Ersatzteile für ROTAK 37 LI | F016L66182
Hersteller: BOSCH
Artikelnummer: EB-3600H81JB2-F016L66182
Netto: 28,93 € zzgl. MwSt.
zzgl. 6,90 € Versand (brutto)
einmalig pro Bestellung

Lieferzeit: 5 Werktage

Pos.
75/10
BOSCH Druckknopf | Ersatzteile für ROTAK 37 LI | F016L66237
Hersteller: BOSCH
Artikelnummer: EB-3600H81JB2-F016F05705
Netto: 4,54 € zzgl. MwSt.
zzgl. 6,90 € Versand (brutto)
einmalig pro Bestellung

Lieferzeit: 5 Werktage

Pos.
75/11
BOSCH Druckfeder | Ersatzteile für ROTAK 37 LI | F016L66240
Hersteller: BOSCH
Artikelnummer: EB-3600H81JB2-F016L66240
Netto: 3,60 € zzgl. MwSt.
zzgl. 6,90 € Versand (brutto)
einmalig pro Bestellung

Lieferzeit: 5 Werktage

Pos.
75/14
BOSCH Gewindeschneidschraube 4x19 MM | Ersatzteile für ROTAK 37 LI | F016T49429
Hersteller: BOSCH
Artikelnummer: EB-3600H81JB2-F016T49429
Netto: 3,63 € zzgl. MwSt.
zzgl. 6,90 € Versand (brutto)
einmalig pro Bestellung

Lieferzeit: 5 Werktage

Pos.
75/27
BOSCH Leitungshalter | Ersatzteile für ROTAK 37 LI | F016L90575
Hersteller: BOSCH
Artikelnummer: EB-3600H81JB2-F016L90575
Netto: 3,63 € zzgl. MwSt.
zzgl. 6,90 € Versand (brutto)
einmalig pro Bestellung

Lieferzeit: 5 Werktage

Pos.
75/4
BOSCH Schaltergehäuse | Ersatzteile für ROTAK 37 LI | F016L66619
Hersteller: BOSCH
Artikelnummer: EB-3600H81JB2-F016L66619
Netto: 5,19 € zzgl. MwSt.
zzgl. 6,90 € Versand (brutto)
einmalig pro Bestellung

Lieferzeit: 5 Werktage

Pos.
75/5
BOSCH Schaltergehäuse | Ersatzteile für ROTAK 37 LI | F016L66235
Hersteller: BOSCH
Artikelnummer: EB-3600H81JB2-F016L66235
Netto: 4,53 € zzgl. MwSt.
zzgl. 6,90 € Versand (brutto)
einmalig pro Bestellung

Lieferzeit: 5 Werktage

Pos.
75/6
BOSCH Klemmstück | Ersatzteile für ROTAK 37 LI | F016L66447
Hersteller: BOSCH
Artikelnummer: EB-3600H81JB2-F016L66447
Netto: 3,63 € zzgl. MwSt.
zzgl. 6,90 € Versand (brutto)
einmalig pro Bestellung

Lieferzeit: 5 Werktage

Pos.
75/7
BOSCH Ein/Aus-Schalter | Ersatzteile für ROTAK 37 LI | F016F05717
Hersteller: BOSCH
Artikelnummer: EB-3600H81JB2-F016F05717
Netto: 12,98 € zzgl. MwSt.
zzgl. 6,90 € Versand (brutto)
einmalig pro Bestellung

Lieferzeit: 5 Werktage

Pos.
75/7
BOSCH Schaltersatz | Ersatzteile für ROTAK 34 LI | F016104163
Hersteller: BOSCH
Artikelnummer: EB-3600H81JB2-F016104163
Netto: 12,98 € zzgl. MwSt.
zzgl. 6,90 € Versand (brutto)
einmalig pro Bestellung

Lieferzeit: 5 Werktage

Pos.
75/8
BOSCH Blattfeder | Ersatzteile für ROTAK 37 LI | F016L66416
Hersteller: BOSCH
Artikelnummer: EB-3600H81JB2-F016L66416
nur Informationsartikel
Nie mehr lieferbar
keine Alternativen
Pos.
801/1
BOSCH Gleichstrommotor | Ersatzteile für ROTAK 37 LI | F016104031
Hersteller: BOSCH
Artikelnummer: EB-3600H81JB2-F016104031
nur Informationsartikel
Nie mehr lieferbar
keine Alternativen
Pos.
801/1/3
BOSCH Flachkopfschraube 4x35 für Kunstoff Deckel | Ersatzteile für ROTAK 37 LI | F016L69251
Hersteller: BOSCH
Artikelnummer: EB-3600H81JB2-F016L69251
nur Informationsartikel
Nie mehr lieferbar
keine Alternativen
Pos.
801/1/3
BOSCH Schraube M4x35 für Metall Deckel | Ersatzteile für ROTAK 37 LI | F016L66662
Hersteller: BOSCH
Artikelnummer: EB-3600H81JB2-F016L66662
nur Informationsartikel
Nie mehr lieferbar
keine Alternativen
Pos.
801/2
BOSCH Leiterplatte Bestückt | Ersatzteile für ROTAK 37 LI | F016104888
Hersteller: BOSCH
Artikelnummer: EB-3600H81JB2-F016104888
Netto: 86,83 € zzgl. MwSt.
zzgl. 6,90 € Versand (brutto)
einmalig pro Bestellung

Lieferzeit: 5 Werktage

Pos.
83/84
BOSCH Handgriff SCHWARZ | Ersatzteile für ROTAK 37 LI | F016L66441
Hersteller: BOSCH
Artikelnummer: EB-3600H81JB2-F016L66441
nur Informationsartikel
Nie mehr lieferbar
keine Alternativen
Pos.
841/1
BOSCH Abdeckkappe | Ersatzteile für ROTAK 37 LI | F016104316
Hersteller: BOSCH
Artikelnummer: EB-3600H81JB2-F016104316
Netto: 7,76 € zzgl. MwSt.
zzgl. 6,90 € Versand (brutto)
einmalig pro Bestellung

Lieferzeit: 5 Werktage

Pos.
843/5
BOSCH Kabelbaum | Ersatzteile für ROTAK 37 LI | F016104244
Hersteller: BOSCH
Artikelnummer: EB-3600H81JB2-F016104244
nur Informationsartikel
Nie mehr lieferbar
keine Alternativen
Pos.
875/03
BOSCH Verbindungskabel | Ersatzteile für ROTAK 37 LI | F016104140
Hersteller: BOSCH
Artikelnummer: EB-3600H81JB2-F016104140
Netto: 9,18 € zzgl. MwSt.
zzgl. 6,90 € Versand (brutto)
einmalig pro Bestellung

Lieferzeit: 5 Werktage

Pos.
875/18
BOSCH Steuerleiste | Ersatzteile für ROTAK 37 LI | F016103601
Hersteller: BOSCH
Artikelnummer: EB-3600H81JB2-F016103601
nur Informationsartikel
Nie mehr lieferbar
keine Alternativen
Pos.
32
BOSCH Schraube | Ersatzteile für ROTAK 37 LI | F016L66162
Hersteller: BOSCH
Artikelnummer: EB-3600H81JB2-F016L66162
Netto: 3,63 € zzgl. MwSt.
zzgl. 6,90 € Versand (brutto)
einmalig pro Bestellung

Lieferzeit: 5 Werktage

Pos.
40
BOSCH Mähergehäuse | Ersatzteile für ROTAK 37 LI | F016L66158
Hersteller: BOSCH
Artikelnummer: EB-3600H81JB2-F016L66158
Netto: 29,45 € zzgl. MwSt.
zzgl. 6,90 € Versand (brutto)
einmalig pro Bestellung

Lieferzeit: 5 Werktage

Pos.
41
BOSCH Gehäuse | Ersatzteile für ROTAK 37 LI | F016L66003
Hersteller: BOSCH
Artikelnummer: EB-3600H81JB2-F016L66003
Netto: 32,74 € zzgl. MwSt.
zzgl. 6,90 € Versand (brutto)
einmalig pro Bestellung

Lieferzeit: 5 Werktage

Pos.
42
BOSCH Abdeckblende | Ersatzteile für ROTAK 37 LI | F016L66039
Hersteller: BOSCH
Artikelnummer: EB-3600H81JB2-F016L66039
Netto: 4,53 € zzgl. MwSt.
zzgl. 6,90 € Versand (brutto)
einmalig pro Bestellung

Lieferzeit: 5 Werktage

Pos.
43
BOSCH Motorhaube | Ersatzteile für ROTAK 37 LI | F016L66780
Hersteller: BOSCH
Artikelnummer: EB-3600H81JB2-F016L66780
Netto: 66,09 € zzgl. MwSt.
zzgl. 6,90 € Versand (brutto)
einmalig pro Bestellung

Lieferzeit: 5 Werktage

Pos.
55
BOSCH Mähmesser | Ersatzteile für ROTAK 37 LI | F016L66005
Hersteller: BOSCH
Artikelnummer: EB-3600H81JB2-F016L66005
Netto: 26,88 € zzgl. MwSt.
zzgl. 6,90 € Versand (brutto)
einmalig pro Bestellung

Lieferzeit: 5 Werktage

Pos.
59
BOSCH Bolzen M10x30 | Ersatzteile für ROTAK 37 LI | F016L66141
Hersteller: BOSCH
Artikelnummer: EB-3600H81JB2-F016L66141
Netto: 4,53 € zzgl. MwSt.
zzgl. 6,90 € Versand (brutto)
einmalig pro Bestellung

Lieferzeit: 5 Werktage

Pos.
64
BOSCH Rastkappe 9 MM | Ersatzteile für ROTAK 37 LI | F016F05700
Hersteller: BOSCH
Artikelnummer: EB-3600H81JB2-F016F05700
Netto: 3,63 € zzgl. MwSt.
zzgl. 6,90 € Versand (brutto)
einmalig pro Bestellung

Lieferzeit: 5 Werktage

Pos.
80
BOSCH Fangkorb Unterteil SCHWARZ | Ersatzteile für ROTAK 37 LI | F016L65674
Hersteller: BOSCH
Artikelnummer: EB-3600H81JB2-F016L65674
nur Informationsartikel
Nie mehr lieferbar
keine Alternativen
Pos.
82
BOSCH Schutzlappen | Ersatzteile für ROTAK 37 LI | F016L66137
Hersteller: BOSCH
Artikelnummer: EB-3600H81JB2-F016L66137
Netto: 9,95 € zzgl. MwSt.
zzgl. 6,90 € Versand (brutto)
einmalig pro Bestellung

Lieferzeit: 5 Werktage

Pos.
85
BOSCH Feder | Ersatzteile für ROTAK 37 LI | F016L66165
Hersteller: BOSCH
Artikelnummer: EB-3600H81JB2-F016L66165
nur Informationsartikel
Nie mehr lieferbar
keine Alternativen
Pos.
99
BOSCH Feder | Ersatzteile für ROTAK 37 LI | F016L59327
Hersteller: BOSCH
Artikelnummer: EB-3600H81JB2-F016L59327
Netto: 4,82 € zzgl. MwSt.
zzgl. 6,90 € Versand (brutto)
einmalig pro Bestellung

Lieferzeit: 5 Werktage

Pos.
100
BOSCH Feder | Ersatzteile für ROTAK 37 LI | F016L65790
Hersteller: BOSCH
Artikelnummer: EB-3600H81JB2-F016L65790
Netto: 3,63 € zzgl. MwSt.
zzgl. 6,90 € Versand (brutto)
einmalig pro Bestellung

Lieferzeit: 5 Werktage

Pos.
101
BOSCH Gelenkteil | Ersatzteile für ROTAK 37 LI | F016L67260
Hersteller: BOSCH
Artikelnummer: EB-3600H81JB2-F016L67260
nur Informationsartikel
Nie mehr lieferbar
keine Alternativen
Pos.
102
BOSCH Vordrossel | Ersatzteile für ROTAK 37 LI | F016L66111
Hersteller: BOSCH
Artikelnummer: EB-3600H81JB2-F016L66111
nur Informationsartikel
Nie mehr lieferbar
keine Alternativen
Pos.
452
BOSCH Firmenzeichen ROTAK 37 LI | Ersatzteile für ROTAK 37 LI | F016L66286
Hersteller: BOSCH
Artikelnummer: EB-3600H81JB2-F016L66286
Netto: 5,19 € zzgl. MwSt.
zzgl. 6,90 € Versand (brutto)
einmalig pro Bestellung

Lieferzeit: 5 Werktage

Pos.
503
BOSCH Federscheibe 1/2" | Ersatzteile für ROTAK 37 LI | F016L66173
Hersteller: BOSCH
Artikelnummer: EB-3600H81JB2-F016L66173
Netto: 3,94 € zzgl. MwSt.
zzgl. 6,90 € Versand (brutto)
einmalig pro Bestellung

Lieferzeit: 5 Werktage

Pos.
505
BOSCH Schraube | Ersatzteile für ROTAK 37 LI | F016L65803
Hersteller: BOSCH
Artikelnummer: EB-3600H81JB2-F016L65803
nur Informationsartikel
Nie mehr lieferbar
keine Alternativen
Pos.
650
BOSCH Akku-Paket | Ersatzteile für ROTAK 34 LI | 1607A350R2
Hersteller: BOSCH
Artikelnummer: EB-3600H81JB2-1607A350R2
Netto: 210,92 € zzgl. MwSt.
zzgl. 6,90 € Versand (brutto)
einmalig pro Bestellung

Lieferzeit: 5 Werktage

Pos.
650
BOSCH Einschub-Akkupaket 36V, 4,0Ah, LI | Ersatzteile für ROTAK 37 LI | 2607336915
Hersteller: BOSCH
Artikelnummer: EB-3600H81JB2-2607336915
nur Informationsartikel
Nie mehr lieferbar
keine Alternativen
Pos.
850
BOSCH Rad | Ersatzteile für ROTAK 37 LI | F016103992
Hersteller: BOSCH
Artikelnummer: EB-3600H81JB2-F016103992
nur Informationsartikel
Nie mehr lieferbar
keine Alternativen
Pos.
860
BOSCH Rad | Ersatzteile für ROTAK 37 LI | F016103994
Hersteller: BOSCH
Artikelnummer: EB-3600H81JB2-F016103994
nur Informationsartikel
Nie mehr lieferbar
keine Alternativen
Pos.
878
BOSCH Untergriff | Ersatzteile für ROTAK 37 LI | F016L65571
Hersteller: BOSCH
Artikelnummer: EB-3600H81JB2-F016L65571
nur Informationsartikel
Nie mehr lieferbar
keine Alternativen
Pos.
883
BOSCH Deckel | Ersatzteile für ROTAK 37 LI | F016103608
Hersteller: BOSCH
Artikelnummer: EB-3600H81JB2-F016103608
Netto: 24,13 € zzgl. MwSt.
zzgl. 6,90 € Versand (brutto)
einmalig pro Bestellung

Lieferzeit: 5 Werktage

Angaben zur Produktsicherheit

Hersteller:
Robert Bosch Power Tools GmbH
Postfach 30 02 20
70442 Stuttgart

E-Mail:
kontakt@bosch.de