BOSCH Handgriff | Ersatzteile für Rotak 43 Li M | F016L90608

Artikelnummer: EB-3600HA4503-F016L90608

Position:

Marke: BOSCH


Bitte Kompatibilität prüfen!

Bitte prüfen Sie unbedingt die 10-stellige Typennummer Ihrer Maschine / Ihres Gerätes. Das Ersatzteil ist nur kompatibel, wenn Sie die Typennummer Ihrer Maschine in der unten stehenden Produktbeschreibung finden.

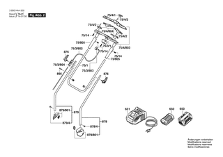
Bitte prüfen Sie ebenfalls detailliert die Explosionszeichnung mit Ihrem Artikelwunsch und der jeweiligen Pos-Nummer.

Alle Elemente, welche vom schwarzen Strich der Pos-Nummer ausgehend berührt / erfasst werden, gehören zu dieser Pos-Nummer und somit zu diesem Artikel. Jede Pos-Nummer ist ein eigenständiger Artikel, welchen Sie in der Auflistung finden.

Sie erhalten stets die aktuellste, neueste Produktversion zu der gewählten Pos-Nummer seitens des Herstellers. Es kann daher je nach Gerätealter vorkommen, dass Sie ggf. weitere, zugehörige Elemente, welche an diese Pos-Nummer grenzen, ebenfalls mittauschen müssen.

Nähere Informationen finden Sie unter dem Link
Hinweise zu Ihrer BOSCH Ersatzteilsuche

Preisübersicht

Einzelpreis: 14,36 €* (Brutto: 17,09 €)
Gesamtpreis: 14,36 €* 
Position:

Lieferzeit: 5 Werktage


Beschreibung

  • Handgriff
  • Original Bosch Zubehör / BOSCH Ersatzteil (F016L90608)
  • im Gerät verbaut: 1
Dieses BOSCH Ersatzteil ist mit folgendem Gerät und Modell kompatibel:
  • BOSCH Gerätename: Rotak 43 Li M
  • BOSCH Explosionszeichnung: Position 75/1
  • BOSCH Typennummer: 3600HA4503
  • BOSCH Typennummer alternative Schreibweisen: 3 600 HA4 503, 3600 HA4 503, 3.600.HA4.503, 3-600-HA4-503
    Bitte prüfen Sie diese Typennummer auf Ihrem Gerät um die Kompatibilität des BOSCH Ersatzteils zu gewährleisten.
Weitere BOSCH Ersatzteile des Gerätes Rotak 43 Li M (Rasenmäher) mit der Typennummer 3600HA4503 finden Sie in der nachfolgenden Darstellung und im Dropdown zu Ihrer Auswahl:

Pos.
32
BOSCH Schraube | Ersatzteile für Rotak 43 LI M | F016L66162
Hersteller: BOSCH
Artikelnummer: EB-3600HA4503-F016L66162
Netto: 3,63 € zzgl. MwSt.
zzgl. 6,90 € Versand (brutto)
einmalig pro Bestellung

Lieferzeit: 5 Werktage

Pos.
52/3
BOSCH Distanzstück | Ersatzteile für Rotak 43 LI M | F016L90583
Hersteller: BOSCH
Artikelnummer: EB-3600HA4503-F016L90583
nur Informationsartikel
Nie mehr lieferbar
keine Alternativen
Pos.
61/3
BOSCH Distanzstück | Ersatzteile für Rotak 43 LI M | F016L90585
Hersteller: BOSCH
Artikelnummer: EB-3600HA4503-F016L90585
Netto: 3,94 € zzgl. MwSt.
zzgl. 6,90 € Versand (brutto)
einmalig pro Bestellung

Lieferzeit: 5 Werktage

Pos.
801/1/3
BOSCH Flachkopfschraube 4x35 für Kunstoff Deckel | Ersatzteile für Rotak 43 LI M | F016L69251
Hersteller: BOSCH
Artikelnummer: EB-3600HA4503-F016L69251
nur Informationsartikel
Nie mehr lieferbar
keine Alternativen
Pos.
801/1/3
BOSCH Schraube M4x35 für Metall Deckel | Ersatzteile für Rotak 43 LI M | F016L66662
Hersteller: BOSCH
Artikelnummer: EB-3600HA4503-F016L66662
nur Informationsartikel
Nie mehr lieferbar
keine Alternativen
Pos.
801/2
BOSCH Leiterplatte Bestückt | Ersatzteile für Rotak 43 LI M | F016104888
Hersteller: BOSCH
Artikelnummer: EB-3600HA4503-F016104888
Netto: 86,83 € zzgl. MwSt.
zzgl. 6,90 € Versand (brutto)
einmalig pro Bestellung

Lieferzeit: 5 Werktage

Pos.
41
BOSCH Gehäuse | Ersatzteile für Rotak 43 LI M | F016L68166
Hersteller: BOSCH
Artikelnummer: EB-3600HA4503-F016L68166
Netto: 32,74 € zzgl. MwSt.
zzgl. 6,90 € Versand (brutto)
einmalig pro Bestellung

Lieferzeit: 5 Werktage

Pos.
41/802
BOSCH Abdeckblende | Ersatzteile für Rotak 43 LI M | F016104304
Hersteller: BOSCH
Artikelnummer: EB-3600HA4503-F016104304
nur Informationsartikel
Nie mehr lieferbar
keine Alternativen
Pos.
42
BOSCH Abdeckblende | Ersatzteile für Rotak 43 LI M | F016L66041
Hersteller: BOSCH
Artikelnummer: EB-3600HA4503-F016L66041
nur Informationsartikel
Nie mehr lieferbar
keine Alternativen
Pos.
43
BOSCH Motorhaube | Ersatzteile für Rotak 43 LI M | F016L68080
Hersteller: BOSCH
Artikelnummer: EB-3600HA4503-F016L68080
Netto: 39,11 € zzgl. MwSt.
zzgl. 6,90 € Versand (brutto)
einmalig pro Bestellung

Lieferzeit: 5 Werktage

Pos.
43/1
BOSCH Motorhaube | Ersatzteile für Rotak 43 LI M | F016L68081
Hersteller: BOSCH
Artikelnummer: EB-3600HA4503-F016L68081
Netto: 11,92 € zzgl. MwSt.
zzgl. 6,90 € Versand (brutto)
einmalig pro Bestellung

Lieferzeit: 5 Werktage

Pos.
43/10
BOSCH Abdeckung SILBER | Ersatzteile für Rotak 43 LI M | F016L68083
Hersteller: BOSCH
Artikelnummer: EB-3600HA4503-F016L68083
Netto: 3,94 € zzgl. MwSt.
zzgl. 6,90 € Versand (brutto)
einmalig pro Bestellung

Lieferzeit: 5 Werktage

Pos.
43/2
BOSCH Deckel | Ersatzteile für Rotak 43 LI M | F016L68086
Hersteller: BOSCH
Artikelnummer: EB-3600HA4503-F016L68086
Netto: 4,36 € zzgl. MwSt.
zzgl. 6,90 € Versand (brutto)
einmalig pro Bestellung

Lieferzeit: 5 Werktage

Pos.
43/3
BOSCH Schlüssel | Ersatzteile für Rotak 43 LI M | F016L68003
Hersteller: BOSCH
Artikelnummer: EB-3600HA4503-F016L68003
Netto: 3,94 € zzgl. MwSt.
zzgl. 6,90 € Versand (brutto)
einmalig pro Bestellung

Lieferzeit: 5 Werktage

Pos.
43/4
BOSCH Auslösehebel | Ersatzteile für Rotak 43 LI M | F016L68004
Hersteller: BOSCH
Artikelnummer: EB-3600HA4503-F016L68004
nur Informationsartikel
Nie mehr lieferbar
keine Alternativen
Pos.
43/5
BOSCH Feder | Ersatzteile für Rotak 43 LI M | F016L66108
Hersteller: BOSCH
Artikelnummer: EB-3600HA4503-F016L66108
nur Informationsartikel
Nie mehr lieferbar
keine Alternativen
Pos.
43/7
BOSCH Batterieklappe | Ersatzteile für Rotak 43 LI M | F016L68082
Hersteller: BOSCH
Artikelnummer: EB-3600HA4503-F016L68082
Netto: 7,30 € zzgl. MwSt.
zzgl. 6,90 € Versand (brutto)
einmalig pro Bestellung

Lieferzeit: 5 Werktage

Pos.
43/806
BOSCH Schalter | Ersatzteile für Rotak 43 LI M | F016104250
Hersteller: BOSCH
Artikelnummer: EB-3600HA4503-F016104250
Netto: 8,33 € zzgl. MwSt.
zzgl. 6,90 € Versand (brutto)
einmalig pro Bestellung

Lieferzeit: 5 Werktage

Pos.
43/809
BOSCH Kabelbaum | Ersatzteile für Rotak 43 LI M | F016104474
Hersteller: BOSCH
Artikelnummer: EB-3600HA4503-F016104654
nur Informationsartikel
Nie mehr lieferbar
keine Alternativen
Pos.
44
BOSCH Traggriff | Ersatzteile für Rotak 43 LI M | F016L68084
Hersteller: BOSCH
Artikelnummer: EB-3600HA4503-F016L68084
Netto: 4,32 € zzgl. MwSt.
zzgl. 6,90 € Versand (brutto)
einmalig pro Bestellung

Lieferzeit: 5 Werktage

Pos.
47
BOSCH Ziergitter SILBER | Ersatzteile für Rotak 43 LI M | F016L68085
Hersteller: BOSCH
Artikelnummer: EB-3600HA4503-F016L68085
Netto: 6,70 € zzgl. MwSt.
zzgl. 6,90 € Versand (brutto)
einmalig pro Bestellung

Lieferzeit: 5 Werktage

Pos.
52/1
BOSCH Achse | Ersatzteile für Rotak 43 LI M | F016L68529
Hersteller: BOSCH
Artikelnummer: EB-3600HA4503-F016L68529
nur Informationsartikel
Nie mehr lieferbar
keine Alternativen
Pos.
52/2
BOSCH Hebel | Ersatzteile für Rotak 43 LI M | F016L65395
Hersteller: BOSCH
Artikelnummer: EB-3600HA4503-F016L90582
nur Informationsartikel
Nie mehr lieferbar
keine Alternativen
Pos.
52/3
BOSCH Beilegring | Ersatzteile für Rotak 43 LI M | F016L65534
Hersteller: BOSCH
Artikelnummer: EB-3600HA4503-F016L65534
nur Informationsartikel
Nie mehr lieferbar
keine Alternativen
Pos.
55
BOSCH Mähmesser | Ersatzteile für Rotak 43 LI M | F016L68217
Hersteller: BOSCH
Artikelnummer: EB-3600HA4503-F016L68217
Netto: 32,74 € zzgl. MwSt.
zzgl. 6,90 € Versand (brutto)
einmalig pro Bestellung

Lieferzeit: 5 Werktage

Pos.
59
BOSCH Bolzen M10x30 | Ersatzteile für Rotak 43 LI M | F016L66141
Hersteller: BOSCH
Artikelnummer: EB-3600HA4503-F016L66141
Netto: 4,53 € zzgl. MwSt.
zzgl. 6,90 € Versand (brutto)
einmalig pro Bestellung

Lieferzeit: 5 Werktage

Pos.
61/1
BOSCH Achse | Ersatzteile für Rotak 43 LI M | F016L68528
Hersteller: BOSCH
Artikelnummer: EB-3600HA4503-F016L68528
Netto: 5,67 € zzgl. MwSt.
zzgl. 6,90 € Versand (brutto)
einmalig pro Bestellung

Lieferzeit: 5 Werktage

Pos.
61/2
BOSCH Hebel | Ersatzteile für Rotak 43 LI M | F016L65394
Hersteller: BOSCH
Artikelnummer: EB-3600HA4503-F016L90581
nur Informationsartikel
Nie mehr lieferbar
keine Alternativen
Pos.
61/3
BOSCH Beilegring | Ersatzteile für Rotak 43 LI M | F016L66383
Hersteller: BOSCH
Artikelnummer: EB-3600HA4503-F016L66383
nur Informationsartikel
Nie mehr lieferbar
keine Alternativen
Pos.
64
BOSCH Rastkappe | Ersatzteile für Rotak 43 LI M | F016L68095
Hersteller: BOSCH
Artikelnummer: EB-3600HA4503-F016L68095
Netto: 3,94 € zzgl. MwSt.
zzgl. 6,90 € Versand (brutto)
einmalig pro Bestellung

Lieferzeit: 5 Werktage

Pos.
65
BOSCH Abdeckkappe | Ersatzteile für Rotak 43 LI M | F016L68116
Hersteller: BOSCH
Artikelnummer: EB-3600HA4503-F016L68116
Netto: 3,63 € zzgl. MwSt.
zzgl. 6,90 € Versand (brutto)
einmalig pro Bestellung

Lieferzeit: 5 Werktage

Pos.
BOSCH Handgriff | Ersatzteile für Rotak 43 Li M | F016L90608
Hersteller: BOSCH
Artikelnummer:
Netto: 14,36 € zzgl. MwSt.
zzgl. 6,90 € Versand (brutto)
einmalig pro Bestellung

Lieferzeit: 5 Werktage

Pos.
75/3/1
BOSCH Steckverbindergehäuse | Ersatzteile für Rotak 43 LI M | F016L67218
Hersteller: BOSCH
Artikelnummer: EB-3600HA4503-F016L67218
Netto: 6,15 € zzgl. MwSt.
zzgl. 6,90 € Versand (brutto)
einmalig pro Bestellung

Lieferzeit: 5 Werktage

Pos.
75/3/802
BOSCH Verbindungskabel | Ersatzteile für Rotak 43 LI M | F016104165
Hersteller: BOSCH
Artikelnummer: EB-3600HA4503-F016104165
Netto: 10,92 € zzgl. MwSt.
zzgl. 6,90 € Versand (brutto)
einmalig pro Bestellung

Lieferzeit: 5 Werktage

Pos.
75/3/803
BOSCH Schaltersatz | Ersatzteile für Rotak 43 LI M | F016104163
Hersteller: BOSCH
Artikelnummer: EB-3600HA4503-F016104163
Netto: 12,98 € zzgl. MwSt.
zzgl. 6,90 € Versand (brutto)
einmalig pro Bestellung

Lieferzeit: 5 Werktage

Pos.
75/3/804
BOSCH Seilführung | Ersatzteile für Rotak 43 LI M | F016104213
Hersteller: BOSCH
Artikelnummer: EB-3600HA4503-F016104213
Netto: 8,33 € zzgl. MwSt.
zzgl. 6,90 € Versand (brutto)
einmalig pro Bestellung

Lieferzeit: 5 Werktage

Pos.
75/4/1
BOSCH Druckknopf | Ersatzteile für Rotak 43 LI M | F016L67150
Hersteller: BOSCH
Artikelnummer: EB-3600HA4503-F016L67150
Netto: 3,63 € zzgl. MwSt.
zzgl. 6,90 € Versand (brutto)
einmalig pro Bestellung

Lieferzeit: 5 Werktage

Pos.
75/4/2
BOSCH Knopffeder | Ersatzteile für Rotak 43 LI M | F016L67151
Hersteller: BOSCH
Artikelnummer: EB-3600HA4503-F016L67151
Netto: 3,63 € zzgl. MwSt.
zzgl. 6,90 € Versand (brutto)
einmalig pro Bestellung

Lieferzeit: 5 Werktage

Pos.
75/4/803
BOSCH Gehäusesatz | Ersatzteile für Rotak 43 LI M | F016104360
Hersteller: BOSCH
Artikelnummer: EB-3600HA4503-F016104360
Netto: 14,36 € zzgl. MwSt.
zzgl. 6,90 € Versand (brutto)
einmalig pro Bestellung

Lieferzeit: 5 Werktage

Pos.
75/4/804
BOSCH Schaltsegment | Ersatzteile für Rotak 43 LI M | F016104160
Hersteller: BOSCH
Artikelnummer: EB-3600HA4503-F016104160
nur Informationsartikel
Nie mehr lieferbar
keine Alternativen
Pos.
75/805
BOSCH Hülse | Ersatzteile für Rotak 43 LI M | F016104361
Hersteller: BOSCH
Artikelnummer: EB-3600HA4503-F016104361
Netto: 5,67 € zzgl. MwSt.
zzgl. 6,90 € Versand (brutto)
einmalig pro Bestellung

Lieferzeit: 5 Werktage

Pos.
80
BOSCH Fangkorb Unterteil L/H | Ersatzteile für Rotak 43 LI M | F016L64304
Hersteller: BOSCH
Artikelnummer: EB-3600HA4503-F016L64304
Netto: 19,18 € zzgl. MwSt.
zzgl. 6,90 € Versand (brutto)
einmalig pro Bestellung

Lieferzeit: 5 Werktage

Pos.
81
BOSCH Fangkorb Unterteil R/H | Ersatzteile für Rotak 43 LI M | F016L64338
Hersteller: BOSCH
Artikelnummer: EB-3600HA4503-F016L64338
Netto: 14,36 € zzgl. MwSt.
zzgl. 6,90 € Versand (brutto)
einmalig pro Bestellung

Lieferzeit: 5 Werktage

Pos.
40
BOSCH Mähergehäuse | Ersatzteile für Rotak 43 LI M | F016L68167
Hersteller: BOSCH
Artikelnummer: EB-3600HA4503-F016104925
nur Informationsartikel
Nie mehr lieferbar
keine Alternativen
Pos.
82
BOSCH Schutzlappen | Ersatzteile für Rotak 43 LI M | F016L66137
Hersteller: BOSCH
Artikelnummer: EB-3600HA4503-F016L66137
Netto: 9,95 € zzgl. MwSt.
zzgl. 6,90 € Versand (brutto)
einmalig pro Bestellung

Lieferzeit: 5 Werktage

Pos.
83/2
BOSCH Handgriff SCHWARZ | Ersatzteile für Rotak 43 LI M | F016L66441
Hersteller: BOSCH
Artikelnummer: EB-3600HA4503-F016L66441
nur Informationsartikel
Nie mehr lieferbar
keine Alternativen
Pos.
85
BOSCH Feder | Ersatzteile für Rotak 43 LI M | F016L66165
Hersteller: BOSCH
Artikelnummer: EB-3600HA4503-F016L66165
nur Informationsartikel
Nie mehr lieferbar
keine Alternativen
Pos.
99
BOSCH Feder | Ersatzteile für Rotak 43 LI M | F016L59327
Hersteller: BOSCH
Artikelnummer: EB-3600HA4503-F016L59327
Netto: 4,82 € zzgl. MwSt.
zzgl. 6,90 € Versand (brutto)
einmalig pro Bestellung

Lieferzeit: 5 Werktage

Pos.
101
BOSCH Blattfeder | Ersatzteile für Rotak 43 LI M | F016L68117
Hersteller: BOSCH
Artikelnummer: EB-3600HA4503-F016L68117
Netto: 3,63 € zzgl. MwSt.
zzgl. 6,90 € Versand (brutto)
einmalig pro Bestellung

Lieferzeit: 5 Werktage

Pos.
452
BOSCH Firmenzeichen Rotak 43 LI M | Ersatzteile für Rotak 43 LI M | F016L68229
Hersteller: BOSCH
Artikelnummer: EB-3600HA4503-F016L68229
nur Informationsartikel
Nie mehr lieferbar
keine Alternativen
Pos.
502
BOSCH Torx-Flanschschraube | Ersatzteile für Rotak 43 LI M | F016L68124
Hersteller: BOSCH
Artikelnummer: EB-3600HA4503-F016L68124
Netto: 3,63 € zzgl. MwSt.
zzgl. 6,90 € Versand (brutto)
einmalig pro Bestellung

Lieferzeit: 5 Werktage

Pos.
503
BOSCH Federscheibe 1/2 Zoll | Ersatzteile für Rotak 43 LI M | F016L66173
Hersteller: BOSCH
Artikelnummer: EB-3600HA4503-F016L66173
Netto: 3,94 € zzgl. MwSt.
zzgl. 6,90 € Versand (brutto)
einmalig pro Bestellung

Lieferzeit: 5 Werktage

Pos.
504
BOSCH Gewindeschneidschraube 4x19 MM | Ersatzteile für Rotak 43 LI M | F016T49429
Hersteller: BOSCH
Artikelnummer: EB-3600HA4503-F016T49429
Netto: 3,63 € zzgl. MwSt.
zzgl. 6,90 € Versand (brutto)
einmalig pro Bestellung

Lieferzeit: 5 Werktage

Pos.
650
BOSCH Einschub-Akkupaket BBS 36V, 4,0Ah | Ersatzteile für Rotak 43 LI M | 2607337047
Hersteller: BOSCH
Artikelnummer: EB-3600HA4503-2607337047
nur Informationsartikel
Nie mehr lieferbar
keine Alternativen
Pos.
651
BOSCH Ladegerät EU 230V/14,4-36V | Ersatzteile für Rotak 43 LI M | 2607226273
Hersteller: BOSCH
Artikelnummer: EB-3600HA4503-2607226273
Netto: 52,14 € zzgl. MwSt.
zzgl. 6,90 € Versand (brutto)
einmalig pro Bestellung

Lieferzeit: 5 Werktage

Pos.
801/1
BOSCH Gleichstrommotor | Ersatzteile für Rotak 43 LI M | F016104031
Hersteller: BOSCH
Artikelnummer: EB-3600HA4503-F016104031
Netto: 189,11 € zzgl. MwSt.
zzgl. 6,90 € Versand (brutto)
einmalig pro Bestellung

Lieferzeit: 5 Werktage

Pos.
845
BOSCH Abdeckblende | Ersatzteile für Rotak 43 LI M | F016104425
Hersteller: BOSCH
Artikelnummer: EB-3600HA4503-F016104425
nur Informationsartikel
Nie mehr lieferbar
keine Alternativen
Pos.
849
BOSCH Gelenkteil | Ersatzteile für Rotak 43 LI M | F016104303
Hersteller: BOSCH
Artikelnummer: EB-3600HA4503-F016104303
nur Informationsartikel
Nie mehr lieferbar
keine Alternativen
Pos.
876
BOSCH Klemmhebel | Ersatzteile für Rotak 43 LI M | F016L67530
Hersteller: BOSCH
Artikelnummer: EB-3600HA4503-F016L67530
Netto: 9,95 € zzgl. MwSt.
zzgl. 6,90 € Versand (brutto)
einmalig pro Bestellung

Lieferzeit: 5 Werktage

Pos.
878
BOSCH Untergriff GRUEN | Ersatzteile für Rotak 43 LI M | F016104579
Hersteller: BOSCH
Artikelnummer: EB-3600HA4503-F016104579
nur Informationsartikel
Nie mehr lieferbar
keine Alternativen
Pos.
878/801
BOSCH Befestigungswinkel GRUEN | Ersatzteile für Rotak 43 LI M | F016104426
Hersteller: BOSCH
Artikelnummer: EB-3600HA4503-F016104426
Netto: 6,70 € zzgl. MwSt.
zzgl. 6,90 € Versand (brutto)
einmalig pro Bestellung

Lieferzeit: 5 Werktage

Pos.
879
BOSCH Untergriff | Ersatzteile für Rotak 43 LI M | F016104580
Hersteller: BOSCH
Artikelnummer: EB-3600HA4503-F016104580
nur Informationsartikel
Nie mehr lieferbar
keine Alternativen
Pos.
879/4
BOSCH Schraube M5x8 Csk Hd. | Ersatzteile für Rotak 43 LI M | F016L36542
Hersteller: BOSCH
Artikelnummer: EB-3600HA4503-F016L36542
Netto: 4,53 € zzgl. MwSt.
zzgl. 6,90 € Versand (brutto)
einmalig pro Bestellung

Lieferzeit: 5 Werktage

Pos.
879/801
BOSCH Befestigungswinkel GRUEN | Ersatzteile für Rotak 43 LI M | F016104427
Hersteller: BOSCH
Artikelnummer: EB-3600HA4503-F016104427
Netto: 6,15 € zzgl. MwSt.
zzgl. 6,90 € Versand (brutto)
einmalig pro Bestellung

Lieferzeit: 5 Werktage

Pos.
895
BOSCH Leitungshalter | Ersatzteile für Rotak 43 LI M | F016L66895
Hersteller: BOSCH
Artikelnummer: EB-3600HA4503-F016L66895
Netto: 3,63 € zzgl. MwSt.
zzgl. 6,90 € Versand (brutto)
einmalig pro Bestellung

Lieferzeit: 5 Werktage

Pos.
650
BOSCH Akku-Paket | Ersatzteile für Rotak 43 Li M | 1607A350R2
Hersteller: BOSCH
Artikelnummer: EB-3600HA4503-1607A350R2
Netto: 210,92 € zzgl. MwSt.
zzgl. 6,90 € Versand (brutto)
einmalig pro Bestellung

Lieferzeit: 5 Werktage

Pos.
650
BOSCH Einschub-Akkupaket 36V, 4,0Ah, LI | Ersatzteile für Rotak 43 LI M | 2607336915
Hersteller: BOSCH
Artikelnummer: EB-3600HA4503-2607336915
nur Informationsartikel
Nie mehr lieferbar
keine Alternativen
Pos.
850
BOSCH Rad | Ersatzteile für Rotak 43 LI M | F016104422
Hersteller: BOSCH
Artikelnummer: EB-3600HA4503-F016104422
Netto: 8,33 € zzgl. MwSt.
zzgl. 6,90 € Versand (brutto)
einmalig pro Bestellung

Lieferzeit: 63 Werktage

Pos.
860
BOSCH Rad | Ersatzteile für Rotak 43 LI M | F016104421
Hersteller: BOSCH
Artikelnummer: EB-3600HA4503-F016104421
Netto: 9,18 € zzgl. MwSt.
zzgl. 6,90 € Versand (brutto)
einmalig pro Bestellung

Lieferzeit: 63 Werktage

Pos.
883
BOSCH Deckel | Ersatzteile für Rotak 43 LI M | F016103608
Hersteller: BOSCH
Artikelnummer: EB-3600HA4503-F016103608
Netto: 24,13 € zzgl. MwSt.
zzgl. 6,90 € Versand (brutto)
einmalig pro Bestellung

Lieferzeit: 5 Werktage

Angaben zur Produktsicherheit

Hersteller:
Robert Bosch Power Tools GmbH
Postfach 30 02 20
70442 Stuttgart

E-Mail:
kontakt@bosch.de