BOSCH Ladegerät EU GAL 3680 CV 230/14,4-36V | Ersatzteile für Rotak 430 LI | 2607226457

Artikelnummer: EB-3600HA450E-2607226457

Position: 651

Marke: BOSCH


Bitte Kompatibilität prüfen!

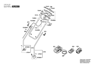
Bitte prüfen Sie unbedingt die 10-stellige Typennummer Ihrer Maschine / Ihres Gerätes. Das Ersatzteil ist nur kompatibel, wenn Sie die Typennummer Ihrer Maschine in der unten stehenden Produktbeschreibung finden.

Bitte prüfen Sie ebenfalls detailliert die Explosionszeichnung mit Ihrem Artikelwunsch und der jeweiligen Pos-Nummer.

Alle Elemente, welche vom schwarzen Strich der Pos-Nummer ausgehend berührt / erfasst werden, gehören zu dieser Pos-Nummer und somit zu diesem Artikel. Jede Pos-Nummer ist ein eigenständiger Artikel, welchen Sie in der Auflistung finden.

Sie erhalten stets die aktuellste, neueste Produktversion zu der gewählten Pos-Nummer seitens des Herstellers. Es kann daher je nach Gerätealter vorkommen, dass Sie ggf. weitere, zugehörige Elemente, welche an diese Pos-Nummer grenzen, ebenfalls mittauschen müssen.

Nähere Informationen finden Sie unter dem Link
Hinweise zu Ihrer BOSCH Ersatzteilsuche

Preisübersicht

Einzelpreis: 135,20 €* (Brutto: 160,89 €)
Gesamtpreis: 135,20 €* 
Position:

Lieferzeit: 5 Werktage


Beschreibung

  • Ladegerät EU GAL 3680 CV 230/14,4-36V
  • Original Bosch Zubehör / BOSCH Ersatzteil (2607226457)
  • im Gerät verbaut: 1
Dieses BOSCH Ersatzteil ist mit folgendem Gerät und Modell kompatibel:
  • BOSCH Gerätename: Rotak 430 LI
  • BOSCH Explosionszeichnung: Position 651
  • BOSCH Typennummer: 3600HA450E
  • BOSCH Typennummer alternative Schreibweisen: 3 600 HA4 50E, 3600 HA4 50E, 3.600.HA4.50E, 3-600-HA4-50E
    Bitte prüfen Sie diese Typennummer auf Ihrem Gerät um die Kompatibilität des BOSCH Ersatzteils zu gewährleisten.
Weitere BOSCH Ersatzteile des Gerätes Rotak 430 LI (Rasenmäher) mit der Typennummer 3600HA450E finden Sie in der nachfolgenden Darstellung und im Dropdown zu Ihrer Auswahl:

Pos.
41/802
BOSCH Abdeckblende | Ersatzteile für Rotak 430 LI | F016104304
Hersteller: BOSCH
Artikelnummer: EB-3600HA450E-F016104304
nur Informationsartikel
Nie mehr lieferbar
keine Alternativen
Pos.
43/1
BOSCH Motorhaube | Ersatzteile für Rotak 430 LI | F016L68081
Hersteller: BOSCH
Artikelnummer: EB-3600HA450E-F016L68081
nur Informationsartikel
Nie mehr lieferbar
keine Alternativen
Pos.
43/10
BOSCH Abdeckung SILBER | Ersatzteile für Rotak 430 LI | F016L68083
Hersteller: BOSCH
Artikelnummer: EB-3600HA450E-F016L68083
nur Informationsartikel
Nie mehr lieferbar
keine Alternativen
Pos.
43/2
BOSCH Deckel | Ersatzteile für Rotak 430 LI | F016L68086
Hersteller: BOSCH
Artikelnummer: EB-3600HA450E-F016L68086
nur Informationsartikel
Nie mehr lieferbar
keine Alternativen
Pos.
43/3
BOSCH Schlüssel | Ersatzteile für Rotak 430 LI | F016L68003
Hersteller: BOSCH
Artikelnummer: EB-3600HA450E-F016L68003
nur Informationsartikel
Nie mehr lieferbar
keine Alternativen
Pos.
43/4
BOSCH Auslösehebel | Ersatzteile für Rotak 430 LI | F016L68004
Hersteller: BOSCH
Artikelnummer: EB-3600HA450E-F016L68004
nur Informationsartikel
Nie mehr lieferbar
keine Alternativen
Pos.
43/5
BOSCH Feder | Ersatzteile für Rotak 430 LI | F016L66108
Hersteller: BOSCH
Artikelnummer: EB-3600HA450E-F016L66108
nur Informationsartikel
Nie mehr lieferbar
keine Alternativen
Pos.
43/7
BOSCH Batterieklappe | Ersatzteile für Rotak 430 LI | F016L68082
Hersteller: BOSCH
Artikelnummer: EB-3600HA450E-F016L68082
nur Informationsartikel
Nie mehr lieferbar
keine Alternativen
Pos.
43/806
BOSCH Schalter | Ersatzteile für Rotak 430 LI | F016104250
Hersteller: BOSCH
Artikelnummer: EB-3600HA450E-F016104250
nur Informationsartikel
Nie mehr lieferbar
keine Alternativen
Pos.
43/809
BOSCH Kabelbaum | Ersatzteile für Rotak 430 LI | F016104654
Hersteller: BOSCH
Artikelnummer: EB-3600HA450E-F016104654
nur Informationsartikel
Nie mehr lieferbar
keine Alternativen
Pos.
52/1
BOSCH Achse | Ersatzteile für Rotak 430 LI | F016L68529
Hersteller: BOSCH
Artikelnummer: EB-3600HA450E-F016L68529
nur Informationsartikel
Nie mehr lieferbar
keine Alternativen
Pos.
52/2
BOSCH Hebel | Ersatzteile für Rotak 430 LI | F016L90582
Hersteller: BOSCH
Artikelnummer: EB-3600HA450E-F016L90582
nur Informationsartikel
Nie mehr lieferbar
keine Alternativen
Pos.
52/3
BOSCH Distanzstück | Ersatzteile für Rotak 430 LI | F016L90583
Hersteller: BOSCH
Artikelnummer: EB-3600HA450E-F016L90583
nur Informationsartikel
Nie mehr lieferbar
keine Alternativen
Pos.
61/1
BOSCH Achse | Ersatzteile für Rotak 430 LI | F016L68528
Hersteller: BOSCH
Artikelnummer: EB-3600HA450E-F016L68528
Netto: 5,67 € zzgl. MwSt.
zzgl. 6,90 € Versand (brutto)
einmalig pro Bestellung

Lieferzeit: 5 Werktage

Pos.
61/2
BOSCH Hebel | Ersatzteile für Rotak 430 LI | F016L90581
Hersteller: BOSCH
Artikelnummer: EB-3600HA450E-F016L90581
nur Informationsartikel
Nie mehr lieferbar
keine Alternativen
Pos.
61/3
BOSCH Distanzstück | Ersatzteile für Rotak 430 LI | F016L90585
Hersteller: BOSCH
Artikelnummer: EB-3600HA450E-F016L90585
Netto: 3,94 € zzgl. MwSt.
zzgl. 6,90 € Versand (brutto)
einmalig pro Bestellung

Lieferzeit: 5 Werktage

Pos.
75/1
BOSCH Handgriff | Ersatzteile für Rotak 430 LI | F016L68054
Hersteller: BOSCH
Artikelnummer: EB-3600HA450E-F016L90608
Netto: 12,98 € zzgl. MwSt.
zzgl. 6,90 € Versand (brutto)
einmalig pro Bestellung

Lieferzeit: 5 Werktage

Pos.
75/3/1
BOSCH Steckverbindergehäuse | Ersatzteile für Rotak 430 LI | F016L67218
Hersteller: BOSCH
Artikelnummer: EB-3600HA450E-F016L67218
Netto: 6,15 € zzgl. MwSt.
zzgl. 6,90 € Versand (brutto)
einmalig pro Bestellung

Lieferzeit: 5 Werktage

Pos.
75/3/802
BOSCH Verbindungskabel | Ersatzteile für Rotak 430 LI | F016104165
Hersteller: BOSCH
Artikelnummer: EB-3600HA450E-F016104165
nur Informationsartikel
Nie mehr lieferbar
keine Alternativen
Pos.
75/3/803
BOSCH Schaltersatz | Ersatzteile für Rotak 430 LI | F016104163
Hersteller: BOSCH
Artikelnummer: EB-3600HA450E-F016104163
nur Informationsartikel
Nie mehr lieferbar
keine Alternativen
Pos.
75/3/804
BOSCH Seilführung | Ersatzteile für Rotak 430 LI | F016104213
Hersteller: BOSCH
Artikelnummer: EB-3600HA450E-F016104213
Netto: 8,33 € zzgl. MwSt.
zzgl. 6,90 € Versand (brutto)
einmalig pro Bestellung

Lieferzeit: 5 Werktage

Pos.
75/4/1
BOSCH Druckknopf | Ersatzteile für Rotak 430 LI | F016L67150
Hersteller: BOSCH
Artikelnummer: EB-3600HA450E-F016L67150
nur Informationsartikel
Nie mehr lieferbar
keine Alternativen
Pos.
75/4/2
BOSCH Knopffeder | Ersatzteile für Rotak 430 LI | F016L67151
Hersteller: BOSCH
Artikelnummer: EB-3600HA450E-F016L67151
nur Informationsartikel
Nie mehr lieferbar
keine Alternativen
Pos.
75/4/803
BOSCH Gehäusesatz | Ersatzteile für Rotak 430 LI | F016104360
Hersteller: BOSCH
Artikelnummer: EB-3600HA450E-F016104360
Netto: 14,36 € zzgl. MwSt.
zzgl. 6,90 € Versand (brutto)
einmalig pro Bestellung

Lieferzeit: 5 Werktage

Pos.
75/4/804
BOSCH Schaltsegment | Ersatzteile für Rotak 430 LI | F016104160
Hersteller: BOSCH
Artikelnummer: EB-3600HA450E-F016104160
nur Informationsartikel
Nie mehr lieferbar
keine Alternativen
Pos.
75/805
BOSCH Hülse | Ersatzteile für Rotak 430 LI | F016104361
Hersteller: BOSCH
Artikelnummer: EB-3600HA450E-F016104361
Netto: 5,67 € zzgl. MwSt.
zzgl. 6,90 € Versand (brutto)
einmalig pro Bestellung

Lieferzeit: 5 Werktage

Pos.
801/1
BOSCH Gleichstrommotor | Ersatzteile für Rotak 430 LI | F016104031
Hersteller: BOSCH
Artikelnummer: EB-3600HA450E-F016104031
nur Informationsartikel
Nie mehr lieferbar
keine Alternativen
Pos.
801/1/3
BOSCH Flachkopfschraube 4x35 für Kunstoff Deckel | Ersatzteile für Rotak 430 LI | F016L69251
Hersteller: BOSCH
Artikelnummer: EB-3600HA450E-F016L69251
nur Informationsartikel
Nie mehr lieferbar
keine Alternativen
Pos.
801/1/3
BOSCH Schraube M4x35 für Metall Deckel | Ersatzteile für Rotak 430 LI | F016L66662
Hersteller: BOSCH
Artikelnummer: EB-3600HA450E-F016L66662
nur Informationsartikel
Nie mehr lieferbar
keine Alternativen
Pos.
801/2
BOSCH Leiterplatte Bestückt | Ersatzteile für Rotak 430 LI | F016104888
Hersteller: BOSCH
Artikelnummer: EB-3600HA450E-F016104888
Netto: 86,83 € zzgl. MwSt.
zzgl. 6,90 € Versand (brutto)
einmalig pro Bestellung

Lieferzeit: 5 Werktage

Pos.
83/2
BOSCH Handgriff SCHWARZ | Ersatzteile für Rotak 430 LI | F016L66441
Hersteller: BOSCH
Artikelnummer: EB-3600HA450E-F016L66441
nur Informationsartikel
Nie mehr lieferbar
keine Alternativen
Pos.
878/801
BOSCH Befestigungswinkel GRUEN | Ersatzteile für Rotak 430 LI | F016104426
Hersteller: BOSCH
Artikelnummer: EB-3600HA450E-F016104426
Netto: 6,70 € zzgl. MwSt.
zzgl. 6,90 € Versand (brutto)
einmalig pro Bestellung

Lieferzeit: 5 Werktage

Pos.
879/4
BOSCH Schraube M5x8 Csk Hd. | Ersatzteile für Rotak 430 LI | F016L36542
Hersteller: BOSCH
Artikelnummer: EB-3600HA450E-F016L36542
Netto: 4,53 € zzgl. MwSt.
zzgl. 6,90 € Versand (brutto)
einmalig pro Bestellung

Lieferzeit: 5 Werktage

Pos.
879/801
BOSCH Befestigungswinkel GRUEN | Ersatzteile für Rotak 430 LI | F016104927
Hersteller: BOSCH
Artikelnummer: EB-3600HA450E-F016104927
Netto: 4,82 € zzgl. MwSt.
zzgl. 6,90 € Versand (brutto)
einmalig pro Bestellung

Lieferzeit: 5 Werktage

Pos.
32
BOSCH Schraube | Ersatzteile für Rotak 430 LI | F016L66162
Hersteller: BOSCH
Artikelnummer: EB-3600HA450E-F016L66162
Netto: 3,63 € zzgl. MwSt.
zzgl. 6,90 € Versand (brutto)
einmalig pro Bestellung

Lieferzeit: 5 Werktage

Pos.
40
BOSCH Mähergehäuse GRUEN | Ersatzteile für Rotak 430 LI | F016L69542
Hersteller: BOSCH
Artikelnummer: EB-3600HA450E-F016L69542
Netto: 21,16 € zzgl. MwSt.
zzgl. 6,90 € Versand (brutto)
einmalig pro Bestellung

Lieferzeit: 5 Werktage

Pos.
41
BOSCH Gehäuse | Ersatzteile für Rotak 430 LI | F016L68166
Hersteller: BOSCH
Artikelnummer: EB-3600HA450E-F016L68166
nur Informationsartikel
Nie mehr lieferbar
keine Alternativen
Pos.
42
BOSCH Abdeckblende | Ersatzteile für Rotak 430 LI | F016L66041
Hersteller: BOSCH
Artikelnummer: EB-3600HA450E-F016L66041
nur Informationsartikel
Nie mehr lieferbar
keine Alternativen
Pos.
43
BOSCH Motorhaube | Ersatzteile für Rotak 430 LI | F016L68080
Hersteller: BOSCH
Artikelnummer: EB-3600HA450E-F016L68080
nur Informationsartikel
Nie mehr lieferbar
keine Alternativen
Pos.
44
BOSCH Traggriff | Ersatzteile für Rotak 430 LI | F016L68084
Hersteller: BOSCH
Artikelnummer: EB-3600HA450E-F016L68084
Netto: 4,32 € zzgl. MwSt.
zzgl. 6,90 € Versand (brutto)
einmalig pro Bestellung

Lieferzeit: 5 Werktage

Pos.
47
BOSCH Ziergitter SCHWARZ | Ersatzteile für Rotak 430 LI | F016L69088
Hersteller: BOSCH
Artikelnummer: EB-3600HA450E-F016L69088
nur Informationsartikel
Nie mehr lieferbar
keine Alternativen
Pos.
55
BOSCH Mähmesser | Ersatzteile für Rotak 430 LI | F016L68217
Hersteller: BOSCH
Artikelnummer: EB-3600HA450E-F016L68217
nur Informationsartikel
Nie mehr lieferbar
keine Alternativen
Pos.
59
BOSCH Bolzen M10x30 | Ersatzteile für Rotak 430 LI | F016L66141
Hersteller: BOSCH
Artikelnummer: EB-3600HA450E-F016L66141
Netto: 4,53 € zzgl. MwSt.
zzgl. 6,90 € Versand (brutto)
einmalig pro Bestellung

Lieferzeit: 5 Werktage

Pos.
64
BOSCH Rastkappe | Ersatzteile für Rotak 430 LI | F016L68095
Hersteller: BOSCH
Artikelnummer: EB-3600HA450E-F016L68095
Netto: 3,94 € zzgl. MwSt.
zzgl. 6,90 € Versand (brutto)
einmalig pro Bestellung

Lieferzeit: 5 Werktage

Pos.
65
BOSCH Abdeckkappe | Ersatzteile für Rotak 430 LI | F016L68116
Hersteller: BOSCH
Artikelnummer: EB-3600HA450E-F016L68116
Netto: 3,63 € zzgl. MwSt.
zzgl. 6,90 € Versand (brutto)
einmalig pro Bestellung

Lieferzeit: 5 Werktage

Pos.
80
BOSCH Fangkorb Unterteil L/H | Ersatzteile für Rotak 430 LI | F016L64304
Hersteller: BOSCH
Artikelnummer: EB-3600HA450E-F016L64304
Netto: 19,18 € zzgl. MwSt.
zzgl. 6,90 € Versand (brutto)
einmalig pro Bestellung

Lieferzeit: 5 Werktage

Pos.
81
BOSCH Fangkorb Unterteil R/H | Ersatzteile für Rotak 430 LI | F016L64338
Hersteller: BOSCH
Artikelnummer: EB-3600HA450E-F016L64338
Netto: 14,36 € zzgl. MwSt.
zzgl. 6,90 € Versand (brutto)
einmalig pro Bestellung

Lieferzeit: 5 Werktage

Pos.
82
BOSCH Schutzlappen | Ersatzteile für Rotak 430 LI | F016L66137
Hersteller: BOSCH
Artikelnummer: EB-3600HA450E-F016L66137
Netto: 9,95 € zzgl. MwSt.
zzgl. 6,90 € Versand (brutto)
einmalig pro Bestellung

Lieferzeit: 5 Werktage

Pos.
85
BOSCH Feder | Ersatzteile für Rotak 430 LI | F016L66165
Hersteller: BOSCH
Artikelnummer: EB-3600HA450E-F016L66165
nur Informationsartikel
Nie mehr lieferbar
keine Alternativen
Pos.
99
BOSCH Feder | Ersatzteile für Rotak 430 LI | F016L59327
Hersteller: BOSCH
Artikelnummer: EB-3600HA450E-F016L59327
Netto: 4,82 € zzgl. MwSt.
zzgl. 6,90 € Versand (brutto)
einmalig pro Bestellung

Lieferzeit: 5 Werktage

Pos.
101
BOSCH Blattfeder | Ersatzteile für Rotak 430 LI | F016L68117
Hersteller: BOSCH
Artikelnummer: EB-3600HA450E-F016L68117
Netto: 3,63 € zzgl. MwSt.
zzgl. 6,90 € Versand (brutto)
einmalig pro Bestellung

Lieferzeit: 5 Werktage

Pos.
452
BOSCH Firmenzeichen | Ersatzteile für Rotak 430 LI | F016L90683
Hersteller: BOSCH
Artikelnummer: EB-3600HA450E-F016L90683
nur Informationsartikel
Nie mehr lieferbar
keine Alternativen
Pos.
502
BOSCH Torx-Flanschschraube | Ersatzteile für Rotak 430 LI | F016L68124
Hersteller: BOSCH
Artikelnummer: EB-3600HA450E-F016L68124
Netto: 3,63 € zzgl. MwSt.
zzgl. 6,90 € Versand (brutto)
einmalig pro Bestellung

Lieferzeit: 5 Werktage

Pos.
503
BOSCH Federscheibe 1/2" | Ersatzteile für Rotak 430 LI | F016L66173
Hersteller: BOSCH
Artikelnummer: EB-3600HA450E-F016L66173
Netto: 3,94 € zzgl. MwSt.
zzgl. 6,90 € Versand (brutto)
einmalig pro Bestellung

Lieferzeit: 5 Werktage

Pos.
504
BOSCH Gewindeschneidschraube 4x19 MM | Ersatzteile für Rotak 430 LI | F016T49429
Hersteller: BOSCH
Artikelnummer: EB-3600HA450E-F016T49429
Netto: 3,63 € zzgl. MwSt.
zzgl. 6,90 € Versand (brutto)
einmalig pro Bestellung

Lieferzeit: 5 Werktage

Pos.
650
BOSCH Akku-Paket GBA 36V 2,0AH H-B | Ersatzteile für Rotak 430 LI | 1607A350PZ
Hersteller: BOSCH
Artikelnummer: EB-3600HA450E-1607A350PZ
Netto: 169,85 € zzgl. MwSt.
zzgl. 6,90 € Versand (brutto)
einmalig pro Bestellung

Lieferzeit: 5 Werktage

Pos.
650
BOSCH Einschub-Akkupaket 36V 2,0 Ah Li | Ersatzteile für Rotak 430 LI | 2607336913
Hersteller: BOSCH
Artikelnummer: EB-3600HA450E-2607336913
nur Informationsartikel
Nie mehr lieferbar
keine Alternativen
Pos.
651
BOSCH Ladegerät EU GAL 3680 CV 230/14,4-36V | Ersatzteile für Rotak 430 LI | 2607226457
Hersteller: BOSCH
Artikelnummer: EB-3600HA450E-2607226457
Netto: 135,20 € zzgl. MwSt.
zzgl. 6,90 € Versand (brutto)
einmalig pro Bestellung

Lieferzeit: 5 Werktage

Pos.
651
BOSCH Schnell-Lader EU 230/18-36V, 1h | Ersatzteile für Rotak 430 LI | 2607225099
Hersteller: BOSCH
Artikelnummer: EB-3600HA450E-2607225099
Netto: 112,88 € zzgl. MwSt.
zzgl. 6,90 € Versand (brutto)
einmalig pro Bestellung

Lieferzeit: 5 Werktage

Pos.
845
BOSCH Abdeckblende | Ersatzteile für Rotak 430 LI | F016104425
Hersteller: BOSCH
Artikelnummer: EB-3600HA450E-F016104425
nur Informationsartikel
Nie mehr lieferbar
keine Alternativen
Pos.
849
BOSCH Gelenkteil | Ersatzteile für Rotak 430 LI | F016104303
Hersteller: BOSCH
Artikelnummer: EB-3600HA450E-F016104303
nur Informationsartikel
Nie mehr lieferbar
keine Alternativen
Pos.
850
BOSCH Rad | Ersatzteile für Rotak 430 LI | F016104422
Hersteller: BOSCH
Artikelnummer: EB-3600HA450E-F016104422
Netto: 8,33 € zzgl. MwSt.
zzgl. 6,90 € Versand (brutto)
einmalig pro Bestellung

Lieferzeit: 63 Werktage

Pos.
860
BOSCH Rad | Ersatzteile für Rotak 430 LI | F016104421
Hersteller: BOSCH
Artikelnummer: EB-3600HA450E-F016104421
Netto: 9,18 € zzgl. MwSt.
zzgl. 6,90 € Versand (brutto)
einmalig pro Bestellung

Lieferzeit: 63 Werktage

Pos.
876
BOSCH Klemmhebel | Ersatzteile für Rotak 430 LI | F016L67530
Hersteller: BOSCH
Artikelnummer: EB-3600HA450E-F016L67530
nur Informationsartikel
Nie mehr lieferbar
keine Alternativen
Pos.
878
BOSCH Untergriff | Ersatzteile für Rotak 430 LI | F016104928
Hersteller: BOSCH
Artikelnummer: EB-3600HA450E-F016104928
nur Informationsartikel
Nie mehr lieferbar
keine Alternativen
Pos.
879
BOSCH Untergriff GRUEN | Ersatzteile für Rotak 430 LI | F016104929
Hersteller: BOSCH
Artikelnummer: EB-3600HA450E-F016104929
nur Informationsartikel
Nie mehr lieferbar
keine Alternativen
Pos.
883
BOSCH Deckel | Ersatzteile für Rotak 430 LI | F016103608
Hersteller: BOSCH
Artikelnummer: EB-3600HA450E-F016103608
Netto: 24,13 € zzgl. MwSt.
zzgl. 6,90 € Versand (brutto)
einmalig pro Bestellung

Lieferzeit: 5 Werktage

Pos.
895
BOSCH Leitungshalter | Ersatzteile für Rotak 430 LI | F016L66895
Hersteller: BOSCH
Artikelnummer: EB-3600HA450E-F016L66895
nur Informationsartikel
Nie mehr lieferbar
keine Alternativen

Angaben zur Produktsicherheit

Hersteller:
Robert Bosch Power Tools GmbH
Postfach 30 02 20
70442 Stuttgart

E-Mail:
kontakt@bosch.de