BOSCH: Versand-Pause / Inventur von 05.12.2025 - 15.12.2025 - es erfolgt kein Versand in dieser Zeit. Bitte addieren Sie das Zeitfenster zu der angegebenen Lieferzeit im Artikel.
BOSCH Etikett | Ersatzteile für ROYALE 20 | F016L12766

Artikelnummer: EB-F016310003-F016L12766

Position: 40/26

Marke: BOSCH


Bitte Kompatibilität prüfen!

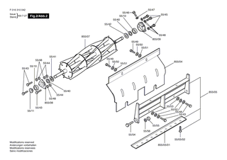
Bitte prüfen Sie unbedingt die 10-stellige Typennummer Ihrer Maschine / Ihres Gerätes. Das Ersatzteil ist nur kompatibel, wenn Sie die Typennummer Ihrer Maschine in der unten stehenden Produktbeschreibung finden.

Bitte prüfen Sie ebenfalls detailliert die Explosionszeichnung mit Ihrem Artikelwunsch und der jeweiligen Pos-Nummer.

Alle Elemente, welche vom schwarzen Strich der Pos-Nummer ausgehend berührt / erfasst werden, gehören zu dieser Pos-Nummer und somit zu diesem Artikel. Jede Pos-Nummer ist ein eigenständiger Artikel, welchen Sie in der Auflistung finden.

Sie erhalten stets die aktuellste, neueste Produktversion zu der gewählten Pos-Nummer seitens des Herstellers. Es kann daher je nach Gerätealter vorkommen, dass Sie ggf. weitere, zugehörige Elemente, welche an diese Pos-Nummer grenzen, ebenfalls mittauschen müssen.

Nähere Informationen finden Sie unter dem Link
Hinweise zu Ihrer BOSCH Ersatzteilsuche

Preisübersicht

Einzelpreis: 6,75 €* (Brutto: 8,03 €)
Gesamtpreis: 6,75 €* 
Position:

Lieferzeit: 64 Werktage


Beschreibung

  • Etikett
  • Original Bosch Zubehör / BOSCH Ersatzteil (F016L12766)
  • im Gerät verbaut: 1
Dieses BOSCH Ersatzteil ist mit folgendem Gerät und Modell kompatibel:
  • BOSCH Gerätename: ROYALE 20
  • BOSCH Explosionszeichnung: Position 40/26
  • BOSCH Typennummer: F016310003
  • BOSCH Typennummer alternative Schreibweisen: F 016 310 003, F016 310 003, F.016.310.003, F-016-310-003
    Bitte prüfen Sie diese Typennummer auf Ihrem Gerät um die Kompatibilität des BOSCH Ersatzteils zu gewährleisten.
Weitere BOSCH Ersatzteile des Gerätes ROYALE 20 (Rasenmäher) mit der Typennummer F016310003 finden Sie in der nachfolgenden Darstellung und im Dropdown zu Ihrer Auswahl:

Pos.
40/106
BOSCH Sicherungsmutter | Ersatzteile für ROYALE 20 | F016L11218
Hersteller: BOSCH
Artikelnummer: EB-F016310003-F016L11218
nur Informationsartikel
Nie mehr lieferbar
keine Alternativen
Pos.
40/11
BOSCH Aufhänger | Ersatzteile für ROYALE 20 | F016L24802
Hersteller: BOSCH
Artikelnummer: EB-F016310003-F016L24802
nur Informationsartikel
Nie mehr lieferbar
keine Alternativen
Pos.
40/15
BOSCH Dichtstreifen | Ersatzteile für ROYALE 20 | F016103678
Hersteller: BOSCH
Artikelnummer: EB-F016310003-F016103678
Netto: 7,22 € zzgl. MwSt.
zzgl. 6,90 € Versand (brutto)
einmalig pro Bestellung

Lieferzeit: 64 Werktage

Pos.
40/16
BOSCH Dichtstreifen | Ersatzteile für ROYALE 20 | F016L32959
Hersteller: BOSCH
Artikelnummer: EB-F016310003-F016L32959
nur Informationsartikel
Nie mehr lieferbar
keine Alternativen
Pos.
40/17/02
BOSCH Platte | Ersatzteile für ROYALE 20 | F016L20319
Hersteller: BOSCH
Artikelnummer: EB-F016310003-F016L20319
nur Informationsartikel
Nie mehr lieferbar
keine Alternativen
Pos.
40/20
BOSCH Haltearm | Ersatzteile für ROYALE 20 | F016L59665
Hersteller: BOSCH
Artikelnummer: EB-F016310003-F016L59665
nur Informationsartikel
Nie mehr lieferbar
keine Alternativen
Pos.
40/22
BOSCH Feder | Ersatzteile für ROYALE 20 | F016L09482
Hersteller: BOSCH
Artikelnummer: EB-F016310003-F016L09482
nur Informationsartikel
Nie mehr lieferbar
keine Alternativen
Pos.
40/24
BOSCH Gabelkopf | Ersatzteile für ROYALE 20 | F016L34489
Hersteller: BOSCH
Artikelnummer: EB-F016310003-F016L34489
nur Informationsartikel
Nie mehr lieferbar
keine Alternativen
Pos.
40/25
BOSCH Beilegring | Ersatzteile für ROYALE 20 | F016L34691
Hersteller: BOSCH
Artikelnummer: EB-F016310003-F016L34691
nur Informationsartikel
Nie mehr lieferbar
keine Alternativen
Pos.
40/36
BOSCH Abziehbild | Ersatzteile für ROYALE 20 | F016L63199
Hersteller: BOSCH
Artikelnummer: EB-F016310003-F016L63199
nur Informationsartikel
Nie mehr lieferbar
keine Alternativen
Pos.
40/44
BOSCH Feder | Ersatzteile für ROYALE 20 | F016L36810
Hersteller: BOSCH
Artikelnummer: EB-F016310003-F016L36810
nur Informationsartikel
Nie mehr lieferbar
keine Alternativen
Pos.
40/49
BOSCH Beilegring | Ersatzteile für ROYALE 20 | F016L36826
Hersteller: BOSCH
Artikelnummer: EB-F016310003-F016L36826
nur Informationsartikel
Nie mehr lieferbar
keine Alternativen
Pos.
40/51
BOSCH Klebeschild | Ersatzteile für ROYALE 20 | F016L37757
Hersteller: BOSCH
Artikelnummer: EB-F016310003-F016L37757
nur Informationsartikel
Nie mehr lieferbar
keine Alternativen
Pos.
40/52
BOSCH Stopfen | Ersatzteile für ROYALE 20 | F016L63091
Hersteller: BOSCH
Artikelnummer: EB-F016310003-F016L63091
nur Informationsartikel
Nie mehr lieferbar
keine Alternativen
Pos.
40/72
BOSCH Sicherungsscheibe | Ersatzteile für ROYALE 20 | F016L11107
Hersteller: BOSCH
Artikelnummer: EB-F016310003-F016L11107
nur Informationsartikel
Nie mehr lieferbar
keine Alternativen
Pos.
40/81
BOSCH Federscheibe | Ersatzteile für ROYALE 20 | F016L18182
Hersteller: BOSCH
Artikelnummer: EB-F016310003-F016L18182
nur Informationsartikel
Nie mehr lieferbar
keine Alternativen
Pos.
40/82
BOSCH Sechskantschraube | Ersatzteile für ROYALE 20 | F016L18408
Hersteller: BOSCH
Artikelnummer: EB-F016310003-F016L18408
nur Informationsartikel
Nie mehr lieferbar
keine Alternativen
Pos.
40/86
BOSCH Schraube | Ersatzteile für ROYALE 20 | F016L20344
Hersteller: BOSCH
Artikelnummer: EB-F016310003-F016L20344
nur Informationsartikel
Nie mehr lieferbar
keine Alternativen
Pos.
40/87
BOSCH Schraube | Ersatzteile für ROYALE 20 | F016L20345
Hersteller: BOSCH
Artikelnummer: EB-F016310003-F016L20345
nur Informationsartikel
Nie mehr lieferbar
keine Alternativen
Pos.
40/92
BOSCH Sicherungsscheibe | Ersatzteile für ROYALE 20 | F016L18185
Hersteller: BOSCH
Artikelnummer: EB-F016310003-F016L18185
nur Informationsartikel
Nie mehr lieferbar
keine Alternativen
Pos.
40/96
BOSCH Sechskantschraube | Ersatzteile für ROYALE 20 | F016W25710
Hersteller: BOSCH
Artikelnummer: EB-F016310003-F016W25710
nur Informationsartikel
Nie mehr lieferbar
keine Alternativen
Pos.
50/01
BOSCH Rollwalze | Ersatzteile für ROYALE 20 | F016L59546
Hersteller: BOSCH
Artikelnummer: EB-F016310003-F016L59546
nur Informationsartikel
Nie mehr lieferbar
keine Alternativen
Pos.
50/03
BOSCH Rollenwelle | Ersatzteile für ROYALE 20 | F016L20437
Hersteller: BOSCH
Artikelnummer: EB-F016310003-F016L20437
nur Informationsartikel
Nie mehr lieferbar
keine Alternativen
Pos.
50/14
BOSCH Lagerhalter | Ersatzteile für ROYALE 20 | F016L20381
Hersteller: BOSCH
Artikelnummer: EB-F016310003-F016L20381
nur Informationsartikel
Nie mehr lieferbar
keine Alternativen
Pos.
50/24
BOSCH Unterlegscheibe | Ersatzteile für ROYALE 20 | F016L09682
Hersteller: BOSCH
Artikelnummer: EB-F016310003-F016L09682
nur Informationsartikel
Nie mehr lieferbar
keine Alternativen
Pos.
55/40
BOSCH Unterlegscheibe | Ersatzteile für ROYALE 20 | F016L13236
Hersteller: BOSCH
Artikelnummer: EB-F016310003-F016L13236
nur Informationsartikel
Nie mehr lieferbar
keine Alternativen
Pos.
55/42
BOSCH Unterlegscheibe | Ersatzteile für ROYALE 20 | F016L12404
Hersteller: BOSCH
Artikelnummer: EB-F016310003-F016L12404
nur Informationsartikel
Nie mehr lieferbar
keine Alternativen
Pos.
55/45
BOSCH Schraube | Ersatzteile für ROYALE 20 | F016L20382
Hersteller: BOSCH
Artikelnummer: EB-F016310003-F016L20382
nur Informationsartikel
Nie mehr lieferbar
keine Alternativen
Pos.
60/16
BOSCH Strebe | Ersatzteile für ROYALE 20 | F016L59907
Hersteller: BOSCH
Artikelnummer: EB-F016310003-F016L59907
nur Informationsartikel
Nie mehr lieferbar
keine Alternativen
Pos.
60/17
BOSCH Verschlussstift | Ersatzteile für ROYALE 20 | F016L59899
Hersteller: BOSCH
Artikelnummer: EB-F016310003-F016L59899
nur Informationsartikel
Nie mehr lieferbar
keine Alternativen
Pos.
60/18
BOSCH Feder | Ersatzteile für ROYALE 20 | F016L59905
Hersteller: BOSCH
Artikelnummer: EB-F016310003-F016L59905
nur Informationsartikel
Nie mehr lieferbar
keine Alternativen
Pos.
60/19
BOSCH Verschlusskappe | Ersatzteile für ROYALE 20 | F016L59904
Hersteller: BOSCH
Artikelnummer: EB-F016310003-F016L59904
nur Informationsartikel
Nie mehr lieferbar
keine Alternativen
Pos.
60/20
BOSCH Platte | Ersatzteile für ROYALE 20 | F016L59908
Hersteller: BOSCH
Artikelnummer: EB-F016310003-F016L59908
nur Informationsartikel
Nie mehr lieferbar
keine Alternativen
Pos.
60/41
BOSCH Sechskantschraube | Ersatzteile für ROYALE 20 | F016W25213
Hersteller: BOSCH
Artikelnummer: EB-F016310003-F016W25213
nur Informationsartikel
Nie mehr lieferbar
keine Alternativen
Pos.
60/51
BOSCH Mutter | Ersatzteile für ROYALE 20 | F016L18018
Hersteller: BOSCH
Artikelnummer: EB-F016310003-F016L18018
nur Informationsartikel
Nie mehr lieferbar
keine Alternativen
Pos.
65/01
BOSCH Motor | Ersatzteile für ROYALE 20 | F016L63176
Hersteller: BOSCH
Artikelnummer: EB-F016310003-F016L63176
nur Informationsartikel
Nie mehr lieferbar
keine Alternativen
Pos.
65/05
BOSCH Antriebs-Kupplung | Ersatzteile für ROYALE 20 | F016L59918
Hersteller: BOSCH
Artikelnummer: EB-F016310003-F016L59918
nur Informationsartikel
Nie mehr lieferbar
keine Alternativen
Pos.
65/07
BOSCH Tülle | Ersatzteile für ROYALE 20 | F016L12716
Hersteller: BOSCH
Artikelnummer: EB-F016310003-F016L12716
nur Informationsartikel
Nie mehr lieferbar
keine Alternativen
Pos.
65/08
BOSCH Batterie-Set | Ersatzteile für ROYALE 20 | F016L32945
Hersteller: BOSCH
Artikelnummer: EB-F016310003-F016L32945
nur Informationsartikel
Nie mehr lieferbar
keine Alternativen
Pos.
65/09
BOSCH Gummieinlage | Ersatzteile für ROYALE 20 | F016L32947
Hersteller: BOSCH
Artikelnummer: EB-F016310003-F016L32947
nur Informationsartikel
Nie mehr lieferbar
keine Alternativen
Pos.
70/03
BOSCH Kettenrad | Ersatzteile für ROYALE 20 | F016103812
Hersteller: BOSCH
Artikelnummer: EB-F016310003-F016103812
nur Informationsartikel
Nie mehr lieferbar
keine Alternativen
Pos.
70/04
BOSCH Kettenrad | Ersatzteile für ROYALE 20 | F016L20321
Hersteller: BOSCH
Artikelnummer: EB-F016310003-F016L20321
nur Informationsartikel
Nie mehr lieferbar
keine Alternativen
Pos.
70/26
BOSCH Lager | Ersatzteile für ROYALE 20 | F016L10233
Hersteller: BOSCH
Artikelnummer: EB-F016310003-F016L10233
nur Informationsartikel
Nie mehr lieferbar
keine Alternativen
Pos.
70/28
BOSCH Bolzen | Ersatzteile für ROYALE 20 | F016L21862
Hersteller: BOSCH
Artikelnummer: EB-F016310003-F016L21862
nur Informationsartikel
Nie mehr lieferbar
keine Alternativen
Pos.
70/30
BOSCH Reibscheibe | Ersatzteile für ROYALE 20 | F016L12661
Hersteller: BOSCH
Artikelnummer: EB-F016310003-F016L12661
nur Informationsartikel
Nie mehr lieferbar
keine Alternativen
Pos.
70/33
BOSCH Antriebsplatte | Ersatzteile für ROYALE 20 | F016L21176
Hersteller: BOSCH
Artikelnummer: EB-F016310003-F016L21176
nur Informationsartikel
Nie mehr lieferbar
keine Alternativen
Pos.
70/40
BOSCH Klauenring | Ersatzteile für ROYALE 20 | F016L13695
Hersteller: BOSCH
Artikelnummer: EB-F016310003-F016L13695
nur Informationsartikel
Nie mehr lieferbar
keine Alternativen
Pos.
70/41
BOSCH Kontaktlasche | Ersatzteile für ROYALE 20 | F016L12380
Hersteller: BOSCH
Artikelnummer: EB-F016310003-F016L12380
nur Informationsartikel
Nie mehr lieferbar
keine Alternativen
Pos.
70/44
BOSCH Lagerzapfen | Ersatzteile für ROYALE 20 | F016L21507
Hersteller: BOSCH
Artikelnummer: EB-F016310003-F016L21507
nur Informationsartikel
Nie mehr lieferbar
keine Alternativen
Pos.
70/49
BOSCH Knopf | Ersatzteile für ROYALE 20 | F016L20418
Hersteller: BOSCH
Artikelnummer: EB-F016310003-F016L20418
nur Informationsartikel
Nie mehr lieferbar
keine Alternativen
Pos.
70/73
BOSCH Unterlegscheibe | Ersatzteile für ROYALE 20 | F016L13233
Hersteller: BOSCH
Artikelnummer: EB-F016310003-F016L13233
nur Informationsartikel
Nie mehr lieferbar
keine Alternativen
Pos.
70/86
BOSCH Laufbolzen | Ersatzteile für ROYALE 20 | F016L20416
Hersteller: BOSCH
Artikelnummer: EB-F016310003-F016L20416
nur Informationsartikel
Nie mehr lieferbar
keine Alternativen
Pos.
75/09
BOSCH Buchse | Ersatzteile für ROYALE 20 | F016L36719
Hersteller: BOSCH
Artikelnummer: EB-F016310003-F016L36719
nur Informationsartikel
Nie mehr lieferbar
keine Alternativen
Pos.
75/13
BOSCH Distanzrohr | Ersatzteile für ROYALE 20 | F016L59668
Hersteller: BOSCH
Artikelnummer: EB-F016310003-F016L59668
nur Informationsartikel
Nie mehr lieferbar
keine Alternativen
Pos.
75/20
BOSCH Drosselklappe | Ersatzteile für ROYALE 20 | F016L63178
Hersteller: BOSCH
Artikelnummer: EB-F016310003-F016L63178
nur Informationsartikel
Nie mehr lieferbar
keine Alternativen
Pos.
75/21
BOSCH Lagerzapfen | Ersatzteile für ROYALE 20 | F016L36829
Hersteller: BOSCH
Artikelnummer: EB-F016310003-F016L36829
nur Informationsartikel
Nie mehr lieferbar
keine Alternativen
Pos.
75/31
BOSCH Sechskantschraube | Ersatzteile für ROYALE 20 | F016W29920
Hersteller: BOSCH
Artikelnummer: EB-F016310003-F016W29920
nur Informationsartikel
Nie mehr lieferbar
keine Alternativen
Pos.
75/38
BOSCH Schraube | Ersatzteile für ROYALE 20 | F016L63197
Hersteller: BOSCH
Artikelnummer: EB-F016310003-F016L63197
nur Informationsartikel
Nie mehr lieferbar
keine Alternativen
Pos.
75/39
BOSCH Kabelhalter | Ersatzteile für ROYALE 20 | F016L11580
Hersteller: BOSCH
Artikelnummer: EB-F016310003-F016L11580
nur Informationsartikel
Nie mehr lieferbar
keine Alternativen
Pos.
80/02
BOSCH Auffangbehälter | Ersatzteile für ROYALE 20 | F016102227
Hersteller: BOSCH
Artikelnummer: EB-F016310003-F016102227
nur Informationsartikel
Nie mehr lieferbar
keine Alternativen
Pos.
80/03
BOSCH Klebeschild | Ersatzteile für ROYALE 20 | F016L59781
Hersteller: BOSCH
Artikelnummer: EB-F016310003-F016L59781
nur Informationsartikel
Nie mehr lieferbar
keine Alternativen
Pos.
840/04
BOSCH Träger | Ersatzteile für ROYALE 20 | F016102677
Hersteller: BOSCH
Artikelnummer: EB-F016310003-F016102677
nur Informationsartikel
Nie mehr lieferbar
keine Alternativen
Pos.
840/05
BOSCH Träger | Ersatzteile für ROYALE 20 | F016101101
Hersteller: BOSCH
Artikelnummer: EB-F016310003-F016101101
nur Informationsartikel
Nie mehr lieferbar
keine Alternativen
Pos.
840/07
BOSCH Motorplatte | Ersatzteile für ROYALE 20 | F016102243
Hersteller: BOSCH
Artikelnummer: EB-F016310003-F016102243
nur Informationsartikel
Nie mehr lieferbar
keine Alternativen
Pos.
840/09
BOSCH Schutzblech | Ersatzteile für ROYALE 20 | F016102734
Hersteller: BOSCH
Artikelnummer: EB-F016310003-F016102734
nur Informationsartikel
Nie mehr lieferbar
keine Alternativen
Pos.
840/14
BOSCH Schutzdeckel | Ersatzteile für ROYALE 20 | F016102735
Hersteller: BOSCH
Artikelnummer: EB-F016310003-F016102735
nur Informationsartikel
Nie mehr lieferbar
keine Alternativen
Pos.
840/19
BOSCH Distanzstück | Ersatzteile für ROYALE 20 | F016100709
Hersteller: BOSCH
Artikelnummer: EB-F016310003-F016100709
nur Informationsartikel
Nie mehr lieferbar
keine Alternativen
Pos.
855/05
BOSCH Bodenplatte | Ersatzteile für ROYALE 20 | F016100757
Hersteller: BOSCH
Artikelnummer: EB-F016310003-F016100757
nur Informationsartikel
Nie mehr lieferbar
keine Alternativen
Pos.
855/09
BOSCH Lagerhalter | Ersatzteile für ROYALE 20 | F016103809
Hersteller: BOSCH
Artikelnummer: EB-F016310003-F016103809
nur Informationsartikel
Nie mehr lieferbar
keine Alternativen
Pos.
865/06
BOSCH Abdeckblende | Ersatzteile für ROYALE 20 | F016101641
Hersteller: BOSCH
Artikelnummer: EB-F016310003-F016101641
nur Informationsartikel
Nie mehr lieferbar
keine Alternativen
Pos.
870/06
BOSCH Kettenschloss | Ersatzteile für ROYALE 20 | F016L21249
Hersteller: BOSCH
Artikelnummer: EB-F016310003-F016L21249
nur Informationsartikel
Nie mehr lieferbar
keine Alternativen
Pos.
870/21
BOSCH Lagerhalter | Ersatzteile für ROYALE 20 | F016101304
Hersteller: BOSCH
Artikelnummer: EB-F016310003-F016101304
nur Informationsartikel
Nie mehr lieferbar
keine Alternativen
Pos.
870/45
BOSCH Zugstangenkopf | Ersatzteile für ROYALE 20 | F016100731
Hersteller: BOSCH
Artikelnummer: EB-F016310003-F016100731
nur Informationsartikel
Nie mehr lieferbar
keine Alternativen
Pos.
870/46
BOSCH Zapfen | Ersatzteile für ROYALE 20 | F016100728
Hersteller: BOSCH
Artikelnummer: EB-F016310003-F016100728
nur Informationsartikel
Nie mehr lieferbar
keine Alternativen
Pos.
875/04
BOSCH Klemmbügel | Ersatzteile für ROYALE 20 | F016102054
Hersteller: BOSCH
Artikelnummer: EB-F016310003-F016102054
nur Informationsartikel
Nie mehr lieferbar
keine Alternativen
Pos.
875/17
BOSCH Gummistreifen | Ersatzteile für ROYALE 20 | F016102366
Hersteller: BOSCH
Artikelnummer: EB-F016310003-F016102366
nur Informationsartikel
Nie mehr lieferbar
keine Alternativen
Pos.
875/23/01
BOSCH Schlüsselschalter | Ersatzteile für ROYALE 20 | F016T56542
Hersteller: BOSCH
Artikelnummer: EB-F016310003-F016T56542
nur Informationsartikel
Nie mehr lieferbar
keine Alternativen
Pos.
875/23/02
BOSCH Mutter | Ersatzteile für ROYALE 20 | F016T56541
Hersteller: BOSCH
Artikelnummer: EB-F016310003-F016T56541
nur Informationsartikel
Nie mehr lieferbar
keine Alternativen
Pos.
875/23/03
BOSCH Schlüssel | Ersatzteile für ROYALE 20 | F016T48490
Hersteller: BOSCH
Artikelnummer: EB-F016310003-F016T48490
nur Informationsartikel
Nie mehr lieferbar
keine Alternativen
Pos.
880/01
BOSCH Halterung | Ersatzteile für ROYALE 20 | F016102230
Hersteller: BOSCH
Artikelnummer: EB-F016310003-F016102230
nur Informationsartikel
Nie mehr lieferbar
keine Alternativen
Pos.
40/17/03
BOSCH Ölbehälter | Ersatzteile für ROYALE 20 | F016L16703
Hersteller: BOSCH
Artikelnummer: EB-F016310003-F016L16703
Netto: 5,65 € zzgl. MwSt.
zzgl. 6,90 € Versand (brutto)
einmalig pro Bestellung

Lieferzeit: 64 Werktage

Pos.
40/18
BOSCH Spezialmutter | Ersatzteile für ROYALE 20 | F016L20336
Hersteller: BOSCH
Artikelnummer: EB-F016310003-F016L20336
Netto: 6,77 € zzgl. MwSt.
zzgl. 6,90 € Versand (brutto)
einmalig pro Bestellung

Lieferzeit: 64 Werktage

Pos.
40/26
BOSCH Etikett | Ersatzteile für ROYALE 20 | F016L12766
Hersteller: BOSCH
Artikelnummer: EB-F016310003-F016L12766
Netto: 6,75 € zzgl. MwSt.
zzgl. 6,90 € Versand (brutto)
einmalig pro Bestellung

Lieferzeit: 64 Werktage

Pos.
40/35
BOSCH Hinweisschild | Ersatzteile für ROYALE 20 | F016L61021
Hersteller: BOSCH
Artikelnummer: EB-F016310003-F016L61021
nur Informationsartikel
Nie mehr lieferbar
keine Alternativen
Pos.
40/38
BOSCH Tülle | Ersatzteile für ROYALE 20 | F016L17922
Hersteller: BOSCH
Artikelnummer: EB-F016310003-F016L17922
Netto: 3,49 € zzgl. MwSt.
zzgl. 6,90 € Versand (brutto)
einmalig pro Bestellung

Lieferzeit: 64 Werktage

Pos.
40/41
BOSCH Sicherungsbügel | Ersatzteile für ROYALE 20 | F016L59709
Hersteller: BOSCH
Artikelnummer: EB-F016310003-F016L59709
Netto: 4,10 € zzgl. MwSt.
zzgl. 6,90 € Versand (brutto)
einmalig pro Bestellung

Lieferzeit: 64 Werktage

Pos.
40/43
BOSCH Klebeschild | Ersatzteile für ROYALE 20 | F016L59921
Hersteller: BOSCH
Artikelnummer: EB-F016310003-F016L59921
Netto: 7,66 € zzgl. MwSt.
zzgl. 6,90 € Versand (brutto)
einmalig pro Bestellung

Lieferzeit: 64 Werktage

Pos.
40/45
BOSCH Gleitstein | Ersatzteile für ROYALE 20 | F016L36813
Hersteller: BOSCH
Artikelnummer: EB-F016310003-F016L36813
Netto: 7,38 € zzgl. MwSt.
zzgl. 6,90 € Versand (brutto)
einmalig pro Bestellung

Lieferzeit: 64 Werktage

Pos.
40/47
BOSCH Exzenterscheibe | Ersatzteile für ROYALE 20 | F016L36820
Hersteller: BOSCH
Artikelnummer: EB-F016310003-F016L36820
Netto: 9,18 € zzgl. MwSt.
zzgl. 6,90 € Versand (brutto)
einmalig pro Bestellung

Lieferzeit: 64 Werktage

Pos.
40/50
BOSCH Feder | Ersatzteile für ROYALE 20 | F016L37756
Hersteller: BOSCH
Artikelnummer: EB-F016310003-F016L37756
Netto: 4,14 € zzgl. MwSt.
zzgl. 6,90 € Versand (brutto)
einmalig pro Bestellung

Lieferzeit: 64 Werktage

Pos.
40/70
BOSCH Sicherungsmutter | Ersatzteile für ROYALE 20 | F016L59926
Hersteller: BOSCH
Artikelnummer: EB-F016310003-F016L59926
Netto: 3,60 € zzgl. MwSt.
zzgl. 6,90 € Versand (brutto)
einmalig pro Bestellung

Lieferzeit: 64 Werktage

Pos.
40/71
BOSCH Unterlegscheibe 1,213X630X028 | Ersatzteile für ROYALE 20 | F016L09685
Hersteller: BOSCH
Artikelnummer: EB-F016310003-F016L09685
Netto: 3,60 € zzgl. MwSt.
zzgl. 6,90 € Versand (brutto)
einmalig pro Bestellung

Lieferzeit: 64 Werktage

Pos.
40/74
BOSCH Unterlegscheibe 0,38 MM | Ersatzteile für ROYALE 20 | F016L12635
Hersteller: BOSCH
Artikelnummer: EB-F016310003-F016L12635
Netto: 3,75 € zzgl. MwSt.
zzgl. 6,90 € Versand (brutto)
einmalig pro Bestellung

Lieferzeit: 64 Werktage

Pos.
40/78
BOSCH Sechskantschraube M6x12 | Ersatzteile für ROYALE 20 | F016L18120
Hersteller: BOSCH
Artikelnummer: EB-F016310003-F016L18120
nur Informationsartikel
Nie mehr lieferbar
keine Alternativen
Pos.
40/88
BOSCH Einstellschraube | Ersatzteile für ROYALE 20 | F016L20375
Hersteller: BOSCH
Artikelnummer: EB-F016310003-F016L20375
Netto: 6,27 € zzgl. MwSt.
zzgl. 6,90 € Versand (brutto)
einmalig pro Bestellung

Lieferzeit: 64 Werktage

Pos.
40/89
BOSCH Lagerzapfen | Ersatzteile für ROYALE 20 | F016L20376
Hersteller: BOSCH
Artikelnummer: EB-F016310003-F016L20376
Netto: 6,75 € zzgl. MwSt.
zzgl. 6,90 € Versand (brutto)
einmalig pro Bestellung

Lieferzeit: 64 Werktage

Pos.
40/90
BOSCH Laufbolzen | Ersatzteile für ROYALE 20 | F016L20388
Hersteller: BOSCH
Artikelnummer: EB-F016310003-F016L20388
Netto: 3,60 € zzgl. MwSt.
zzgl. 6,90 € Versand (brutto)
einmalig pro Bestellung

Lieferzeit: 64 Werktage

Pos.
40/95
BOSCH Laufbolzen | Ersatzteile für ROYALE 20 | F016W25673
Hersteller: BOSCH
Artikelnummer: EB-F016310003-F016W25673
Netto: 3,60 € zzgl. MwSt.
zzgl. 6,90 € Versand (brutto)
einmalig pro Bestellung

Lieferzeit: 64 Werktage

Pos.
50/02
BOSCH Lagerbuchse | Ersatzteile für ROYALE 20 | F016L18490
Hersteller: BOSCH
Artikelnummer: EB-F016310003-F016L18490
Netto: 6,75 € zzgl. MwSt.
zzgl. 6,90 € Versand (brutto)
einmalig pro Bestellung

Lieferzeit: 64 Werktage

Pos.
50/04
BOSCH Schlüssel | Ersatzteile für ROYALE 20 | F016L12378
Hersteller: BOSCH
Artikelnummer: EB-F016310003-F016L12378
Netto: 3,60 € zzgl. MwSt.
zzgl. 6,90 € Versand (brutto)
einmalig pro Bestellung

Lieferzeit: 64 Werktage

Pos.
50/05
BOSCH Ratsche | Ersatzteile für ROYALE 20 | F016L59543
Hersteller: BOSCH
Artikelnummer: EB-F016310003-F016L59543
Netto: 60,58 € zzgl. MwSt.
zzgl. 6,90 € Versand (brutto)
einmalig pro Bestellung

Lieferzeit: 64 Werktage

Pos.
50/06
BOSCH Ratsche | Ersatzteile für ROYALE 20 | F016L59544
Hersteller: BOSCH
Artikelnummer: EB-F016310003-F016L59544
Netto: 45,85 € zzgl. MwSt.
zzgl. 6,90 € Versand (brutto)
einmalig pro Bestellung

Lieferzeit: 64 Werktage

Pos.
50/07
BOSCH Feder | Ersatzteile für ROYALE 20 | F016L59648
Hersteller: BOSCH
Artikelnummer: EB-F016310003-F016L59648
Netto: 4,27 € zzgl. MwSt.
zzgl. 6,90 € Versand (brutto)
einmalig pro Bestellung

Lieferzeit: 64 Werktage

Pos.
50/08
BOSCH Torsionsfeder | Ersatzteile für ROYALE 20 | F016L59549
Hersteller: BOSCH
Artikelnummer: EB-F016310003-F016L59549
Netto: 4,27 € zzgl. MwSt.
zzgl. 6,90 € Versand (brutto)
einmalig pro Bestellung

Lieferzeit: 64 Werktage

Pos.
50/09
BOSCH Zustellklinke | Ersatzteile für ROYALE 20 | F016L12409
Hersteller: BOSCH
Artikelnummer: EB-F016310003-F016L12409
Netto: 5,65 € zzgl. MwSt.
zzgl. 6,90 € Versand (brutto)
einmalig pro Bestellung

Lieferzeit: 64 Werktage

Pos.
50/10
BOSCH Filzring | Ersatzteile für ROYALE 20 | F016L12747
Hersteller: BOSCH
Artikelnummer: EB-F016310003-F016L12747
Netto: 4,56 € zzgl. MwSt.
zzgl. 6,90 € Versand (brutto)
einmalig pro Bestellung

Lieferzeit: 64 Werktage

Pos.
50/23
BOSCH Schraube 1/4 UNF-LH X 1/2 | Ersatzteile für ROYALE 20 | F016L20263
Hersteller: BOSCH
Artikelnummer: EB-F016310003-F016L20263
Netto: 5,17 € zzgl. MwSt.
zzgl. 6,90 € Versand (brutto)
einmalig pro Bestellung

Lieferzeit: 64 Werktage

Pos.
55/05/02
BOSCH Schraube | Ersatzteile für ROYALE 20 | F016L20363
Hersteller: BOSCH
Artikelnummer: EB-F016310003-F016L20363
nur Informationsartikel
Nie mehr lieferbar
keine Alternativen
Pos.
55/10
BOSCH Kugellager | Ersatzteile für ROYALE 20 | F016L13298
Hersteller: BOSCH
Artikelnummer: EB-F016310003-F016L13298
nur Informationsartikel
Nie mehr lieferbar
keine Alternativen
Pos.
55/11
BOSCH Distanzring | Ersatzteile für ROYALE 20 | F016L20310
Hersteller: BOSCH
Artikelnummer: EB-F016310003-F016L20310
Netto: 9,05 € zzgl. MwSt.
zzgl. 6,90 € Versand (brutto)
einmalig pro Bestellung

Lieferzeit: 64 Werktage

Pos.
55/46
BOSCH Schraube | Ersatzteile für ROYALE 20 | F016L20377
Hersteller: BOSCH
Artikelnummer: EB-F016310003-F016L20377
Netto: 3,49 € zzgl. MwSt.
zzgl. 6,90 € Versand (brutto)
einmalig pro Bestellung

Lieferzeit: 64 Werktage

Pos.
55/49
BOSCH Schraube | Ersatzteile für ROYALE 20 | F016L20402
Hersteller: BOSCH
Artikelnummer: EB-F016310003-F016L20402
Netto: 3,75 € zzgl. MwSt.
zzgl. 6,90 € Versand (brutto)
einmalig pro Bestellung

Lieferzeit: 64 Werktage

Pos.
55/52
BOSCH Unterlegscheibe | Ersatzteile für ROYALE 20 | F016L12918
Hersteller: BOSCH
Artikelnummer: EB-F016310003-F016L12918
Netto: 3,60 € zzgl. MwSt.
zzgl. 6,90 € Versand (brutto)
einmalig pro Bestellung

Lieferzeit: 64 Werktage

Pos.
55/54
BOSCH Laufbolzen | Ersatzteile für ROYALE 20 | F016L20334
Hersteller: BOSCH
Artikelnummer: EB-F016310003-F016L20334
Netto: 8,23 € zzgl. MwSt.
zzgl. 6,90 € Versand (brutto)
einmalig pro Bestellung

Lieferzeit: 64 Werktage

Pos.
60/02
BOSCH Spindel | Ersatzteile für ROYALE 20 | F016L59880
Hersteller: BOSCH
Artikelnummer: EB-F016310003-F016L59880
nur Informationsartikel
Nie mehr lieferbar
keine Alternativen
Pos.
60/04
BOSCH Lager | Ersatzteile für ROYALE 20 | F016L17058
Hersteller: BOSCH
Artikelnummer: EB-F016310003-F016L17058
nur Informationsartikel
Nie mehr lieferbar
keine Alternativen
Pos.
60/05
BOSCH Distanzstück | Ersatzteile für ROYALE 20 | F016L59886
Hersteller: BOSCH
Artikelnummer: EB-F016310003-F016L59886
Netto: 12,50 € zzgl. MwSt.
zzgl. 6,90 € Versand (brutto)
einmalig pro Bestellung

Lieferzeit: 64 Werktage

Pos.
60/06
BOSCH Nippel | Ersatzteile für ROYALE 20 | F016L17057
Hersteller: BOSCH
Artikelnummer: EB-F016310003-F016L17057
Netto: 3,94 € zzgl. MwSt.
zzgl. 6,90 € Versand (brutto)
einmalig pro Bestellung

Lieferzeit: 64 Werktage

Pos.
60/07
BOSCH Rollenzapfen | Ersatzteile für ROYALE 20 | F016L59599
Hersteller: BOSCH
Artikelnummer: EB-F016310003-F016L59599
Netto: 4,75 € zzgl. MwSt.
zzgl. 6,90 € Versand (brutto)
einmalig pro Bestellung

Lieferzeit: 64 Werktage

Pos.
60/08
BOSCH Bolzen | Ersatzteile für ROYALE 20 | F016L37200
Hersteller: BOSCH
Artikelnummer: EB-F016310003-F016L37200
Netto: 16,70 € zzgl. MwSt.
zzgl. 6,90 € Versand (brutto)
einmalig pro Bestellung

Lieferzeit: 64 Werktage

Pos.
60/09
BOSCH Gummipuffer | Ersatzteile für ROYALE 20 | F016W25222
Hersteller: BOSCH
Artikelnummer: EB-F016310003-F016W25222
nur Informationsartikel
Nie mehr lieferbar
keine Alternativen
Pos.
60/10
BOSCH Klammer | Ersatzteile für ROYALE 20 | F016L24960
Hersteller: BOSCH
Artikelnummer: EB-F016310003-F016L24960
Netto: 4,14 € zzgl. MwSt.
zzgl. 6,90 € Versand (brutto)
einmalig pro Bestellung

Lieferzeit: 64 Werktage

Pos.
60/11
BOSCH Etikett | Ersatzteile für ROYALE 20 | F016L59658
Hersteller: BOSCH
Artikelnummer: EB-F016310003-F016L59658
Netto: 14,13 € zzgl. MwSt.
zzgl. 6,90 € Versand (brutto)
einmalig pro Bestellung

Lieferzeit: 64 Werktage

Pos.
60/15
BOSCH Ritzel | Ersatzteile für ROYALE 20 | F016L59686
Hersteller: BOSCH
Artikelnummer: EB-F016310003-F016L59686
Netto: 29,05 € zzgl. MwSt.
zzgl. 6,90 € Versand (brutto)
einmalig pro Bestellung

Lieferzeit: 64 Werktage

Pos.
60/21
BOSCH Bolzen | Ersatzteile für ROYALE 20 | F016T48332
Hersteller: BOSCH
Artikelnummer: EB-F016310003-F016T48332
Netto: 3,60 € zzgl. MwSt.
zzgl. 6,90 € Versand (brutto)
einmalig pro Bestellung

Lieferzeit: 64 Werktage

Pos.
60/26
BOSCH Knopf | Ersatzteile für ROYALE 20 | F016L59603
Hersteller: BOSCH
Artikelnummer: EB-F016310003-F016L59603
nur Informationsartikel
Nie mehr lieferbar
keine Alternativen
Pos.
60/32
BOSCH Halteleiste | Ersatzteile für ROYALE 20 | F016L59618
Hersteller: BOSCH
Artikelnummer: EB-F016310003-F016L59618
Netto: 17,42 € zzgl. MwSt.
zzgl. 6,90 € Versand (brutto)
einmalig pro Bestellung

Lieferzeit: 64 Werktage

Pos.
60/33
BOSCH Feder | Ersatzteile für ROYALE 20 | F016A57887
Hersteller: BOSCH
Artikelnummer: EB-F016310003-F016A57887
nur Informationsartikel
Nie mehr lieferbar
keine Alternativen
Pos.
60/34
BOSCH Bolzen | Ersatzteile für ROYALE 20 | F016L59615
Hersteller: BOSCH
Artikelnummer: EB-F016310003-F016L59615
nur Informationsartikel
Nie mehr lieferbar
keine Alternativen
Pos.
60/35
BOSCH Sicherungsbügel 1/2" | Ersatzteile für ROYALE 20 | F016L08585
Hersteller: BOSCH
Artikelnummer: EB-F016310003-F016L08585
Netto: 3,50 € zzgl. MwSt.
zzgl. 6,90 € Versand (brutto)
einmalig pro Bestellung

Lieferzeit: 64 Werktage

Pos.
60/40
BOSCH Schraube | Ersatzteile für ROYALE 20 | F016L20461
Hersteller: BOSCH
Artikelnummer: EB-F016310003-F016L20461
Netto: 4,36 € zzgl. MwSt.
zzgl. 6,90 € Versand (brutto)
einmalig pro Bestellung

Lieferzeit: 64 Werktage

Pos.
60/43
BOSCH Gewindeschneidschraube | Ersatzteile für ROYALE 20 | F016L35326
Hersteller: BOSCH
Artikelnummer: EB-F016310003-F016L35326
Netto: 3,49 € zzgl. MwSt.
zzgl. 6,90 € Versand (brutto)
einmalig pro Bestellung

Lieferzeit: 64 Werktage

Pos.
60/46
BOSCH Scheibe | Ersatzteile für ROYALE 20 | F016L59557
Hersteller: BOSCH
Artikelnummer: EB-F016310003-F016L59557
Netto: 8,23 € zzgl. MwSt.
zzgl. 6,90 € Versand (brutto)
einmalig pro Bestellung

Lieferzeit: 64 Werktage

Pos.
60/52
BOSCH Federscheibe | Ersatzteile für ROYALE 20 | F016L35549
Hersteller: BOSCH
Artikelnummer: EB-F016310003-F016L35549
Netto: 4,27 € zzgl. MwSt.
zzgl. 6,90 € Versand (brutto)
einmalig pro Bestellung

Lieferzeit: 64 Werktage

Pos.
65/02
BOSCH Antriebsglied | Ersatzteile für ROYALE 20 | F016103811
Hersteller: BOSCH
Artikelnummer: EB-F016310003-F016103811
Netto: 35,80 € zzgl. MwSt.
zzgl. 6,90 € Versand (brutto)
einmalig pro Bestellung

Lieferzeit: 64 Werktage

Pos.
65/03
BOSCH Kupplungsstück | Ersatzteile für ROYALE 20 | F016L12721
Hersteller: BOSCH
Artikelnummer: EB-F016310003-F016L12721
Netto: 11,77 € zzgl. MwSt.
zzgl. 6,90 € Versand (brutto)
einmalig pro Bestellung

Lieferzeit: 64 Werktage

Pos.
65/04
BOSCH Keil | Ersatzteile für ROYALE 20 | F016W25059
Hersteller: BOSCH
Artikelnummer: EB-F016310003-F016W25059
Netto: 14,50 € zzgl. MwSt.
zzgl. 6,90 € Versand (brutto)
einmalig pro Bestellung

Lieferzeit: 64 Werktage

Pos.
65/12
BOSCH Lagerbuchse | Ersatzteile für ROYALE 20 | F016L08477
Hersteller: BOSCH
Artikelnummer: EB-F016310003-F016L08477
Netto: 7,22 € zzgl. MwSt.
zzgl. 6,90 € Versand (brutto)
einmalig pro Bestellung

Lieferzeit: 64 Werktage

Pos.
65/20
BOSCH Schraube | Ersatzteile für ROYALE 20 | F016L20896
Hersteller: BOSCH
Artikelnummer: EB-F016310003-F016L20896
Netto: 4,10 € zzgl. MwSt.
zzgl. 6,90 € Versand (brutto)
einmalig pro Bestellung

Lieferzeit: 64 Werktage

Pos.
65/21
BOSCH Laufbolzen M8 | Ersatzteile für ROYALE 20 | F016A58093
Hersteller: BOSCH
Artikelnummer: EB-F016310003-F016A58093
Netto: 3,60 € zzgl. MwSt.
zzgl. 6,90 € Versand (brutto)
einmalig pro Bestellung

Lieferzeit: 64 Werktage

Pos.
65/24
BOSCH Mutter M8 | Ersatzteile für ROYALE 20 | F016L35457
Hersteller: BOSCH
Artikelnummer: EB-F016310003-F016L35457
Netto: 3,60 € zzgl. MwSt.
zzgl. 6,90 € Versand (brutto)
einmalig pro Bestellung

Lieferzeit: 64 Werktage

Pos.
65/25
BOSCH Schraube 5/16 UNPA X3/4 | Ersatzteile für ROYALE 20 | F016L20407
Hersteller: BOSCH
Artikelnummer: EB-F016310003-F016L20407
Netto: 3,49 € zzgl. MwSt.
zzgl. 6,90 € Versand (brutto)
einmalig pro Bestellung

Lieferzeit: 64 Werktage

Pos.
70/01
BOSCH Kettenrad | Ersatzteile für ROYALE 20 | F016L12433
Hersteller: BOSCH
Artikelnummer: EB-F016310003-F016L12433
Netto: 14,13 € zzgl. MwSt.
zzgl. 6,90 € Versand (brutto)
einmalig pro Bestellung

Lieferzeit: 64 Werktage

Pos.
70/02
BOSCH Kettenrad | Ersatzteile für ROYALE 20 | F016L20312
Hersteller: BOSCH
Artikelnummer: EB-F016310003-F016L20312
Netto: 150,24 € zzgl. MwSt.
zzgl. 6,90 € Versand (brutto)
einmalig pro Bestellung

Lieferzeit: 64 Werktage

Pos.
70/05
BOSCH Transportschiene | Ersatzteile für ROYALE 20 | F016L20327
Hersteller: BOSCH
Artikelnummer: EB-F016310003-F016L20327
Netto: 45,85 € zzgl. MwSt.
zzgl. 6,90 € Versand (brutto)
einmalig pro Bestellung

Lieferzeit: 64 Werktage

Pos.
70/06
BOSCH Kette 1/2" n=38 | Ersatzteile für ROYALE 20 | F016L66785
Hersteller: BOSCH
Artikelnummer: EB-F016310003-F016L66785
Netto: 46,22 € zzgl. MwSt.
zzgl. 6,90 € Versand (brutto)
einmalig pro Bestellung

Lieferzeit: 64 Werktage

Pos.
70/07
BOSCH Kette 1/2" n=34 | Ersatzteile für ROYALE 20 | F016L66786
Hersteller: BOSCH
Artikelnummer: EB-F016310003-F016L66786
Netto: 35,13 € zzgl. MwSt.
zzgl. 6,90 € Versand (brutto)
einmalig pro Bestellung

Lieferzeit: 64 Werktage

Pos.
70/08
BOSCH Kette 1/2" n=28 | Ersatzteile für ROYALE 20 | F016L66787
Hersteller: BOSCH
Artikelnummer: EB-F016310003-F016L66787
Netto: 43,44 € zzgl. MwSt.
zzgl. 6,90 € Versand (brutto)
einmalig pro Bestellung

Lieferzeit: 64 Werktage

Pos.
70/09
BOSCH Kette 1/2" n=43 | Ersatzteile für ROYALE 20 | F016L66788
Hersteller: BOSCH
Artikelnummer: EB-F016310003-F016L66788
Netto: 43,44 € zzgl. MwSt.
zzgl. 6,90 € Versand (brutto)
einmalig pro Bestellung

Lieferzeit: 64 Werktage

Pos.
70/10
BOSCH Welle | Ersatzteile für ROYALE 20 | F016L20333
Hersteller: BOSCH
Artikelnummer: EB-F016310003-F016L20333
Netto: 32,16 € zzgl. MwSt.
zzgl. 6,90 € Versand (brutto)
einmalig pro Bestellung

Lieferzeit: 64 Werktage

Pos.
70/11
BOSCH Manschette | Ersatzteile für ROYALE 20 | F016L20315
Hersteller: BOSCH
Artikelnummer: EB-F016310003-F016L20315
Netto: 38,04 € zzgl. MwSt.
zzgl. 6,90 € Versand (brutto)
einmalig pro Bestellung

Lieferzeit: 64 Werktage

Pos.
70/12
BOSCH Mitnehmer | Ersatzteile für ROYALE 20 | F016L20314
Hersteller: BOSCH
Artikelnummer: EB-F016310003-F016L20314
Netto: 29,05 € zzgl. MwSt.
zzgl. 6,90 € Versand (brutto)
einmalig pro Bestellung

Lieferzeit: 64 Werktage

Pos.
70/13
BOSCH Feder | Ersatzteile für ROYALE 20 | F016L12757
Hersteller: BOSCH
Artikelnummer: EB-F016310003-F016L12757
Netto: 4,50 € zzgl. MwSt.
zzgl. 6,90 € Versand (brutto)
einmalig pro Bestellung

Lieferzeit: 64 Werktage

Pos.
70/14
BOSCH Scheibe | Ersatzteile für ROYALE 20 | F016L20316
Hersteller: BOSCH
Artikelnummer: EB-F016310003-F016L20316
Netto: 3,60 € zzgl. MwSt.
zzgl. 6,90 € Versand (brutto)
einmalig pro Bestellung

Lieferzeit: 64 Werktage

Pos.
70/15
BOSCH Kupplungswelle | Ersatzteile für ROYALE 20 | F016L20297
Hersteller: BOSCH
Artikelnummer: EB-F016310003-F016L20297
Netto: 45,85 € zzgl. MwSt.
zzgl. 6,90 € Versand (brutto)
einmalig pro Bestellung

Lieferzeit: 64 Werktage

Pos.
70/16
BOSCH Druckfeder | Ersatzteile für ROYALE 20 | F016L35789
Hersteller: BOSCH
Artikelnummer: EB-F016310003-F016L35789
nur Informationsartikel
Nie mehr lieferbar
keine Alternativen
Pos.
70/17
BOSCH Einstellhülse | Ersatzteile für ROYALE 20 | F016L09422
Hersteller: BOSCH
Artikelnummer: EB-F016310003-F016L09422
Netto: 6,27 € zzgl. MwSt.
zzgl. 6,90 € Versand (brutto)
einmalig pro Bestellung

Lieferzeit: 64 Werktage

Pos.
70/18
BOSCH Kegelstift | Ersatzteile für ROYALE 20 | F016L09498
Hersteller: BOSCH
Artikelnummer: EB-F016310003-F016L09498
Netto: 3,50 € zzgl. MwSt.
zzgl. 6,90 € Versand (brutto)
einmalig pro Bestellung

Lieferzeit: 64 Werktage

Pos.
70/19
BOSCH Kugellager | Ersatzteile für ROYALE 20 | F016L03729
Hersteller: BOSCH
Artikelnummer: EB-F016310003-F016L03729
Netto: 28,93 € zzgl. MwSt.
zzgl. 6,90 € Versand (brutto)
einmalig pro Bestellung

Lieferzeit: 64 Werktage

Pos.
70/24
BOSCH Unterlegscheibe | Ersatzteile für ROYALE 20 | F016L10198
Hersteller: BOSCH
Artikelnummer: EB-F016310003-F016L10198
Netto: 4,45 € zzgl. MwSt.
zzgl. 6,90 € Versand (brutto)
einmalig pro Bestellung

Lieferzeit: 64 Werktage

Pos.
70/25
BOSCH Unterlegscheibe | Ersatzteile für ROYALE 20 | F016L13296
Hersteller: BOSCH
Artikelnummer: EB-F016310003-F016L13296
Netto: 4,10 € zzgl. MwSt.
zzgl. 6,90 € Versand (brutto)
einmalig pro Bestellung

Lieferzeit: 64 Werktage

Pos.
70/31
BOSCH Scheibe | Ersatzteile für ROYALE 20 | F016L12579
Hersteller: BOSCH
Artikelnummer: EB-F016310003-F016L12579
Netto: 8,46 € zzgl. MwSt.
zzgl. 6,90 € Versand (brutto)
einmalig pro Bestellung

Lieferzeit: 64 Werktage

Pos.
70/32
BOSCH Beilegring | Ersatzteile für ROYALE 20 | F016L12662
Hersteller: BOSCH
Artikelnummer: EB-F016310003-F016L12662
Netto: 5,15 € zzgl. MwSt.
zzgl. 6,90 € Versand (brutto)
einmalig pro Bestellung

Lieferzeit: 64 Werktage

Pos.
70/35
BOSCH Buchse | Ersatzteile für ROYALE 20 | F016L13440
Hersteller: BOSCH
Artikelnummer: EB-F016310003-F016L13440
Netto: 6,77 € zzgl. MwSt.
zzgl. 6,90 € Versand (brutto)
einmalig pro Bestellung

Lieferzeit: 64 Werktage

Pos.
70/36
BOSCH Stellring 12 MM T40 | Ersatzteile für ROYALE 20 | F016T49100
Hersteller: BOSCH
Artikelnummer: EB-F016310003-F016T49100
nur Informationsartikel
Nie mehr lieferbar
keine Alternativen
Pos.
70/37
BOSCH Lagerbuchse 19x22x16 MM | Ersatzteile für ROYALE 20 | F016L03958
Hersteller: BOSCH
Artikelnummer: EB-F016310003-F016L03958
Netto: 6,05 € zzgl. MwSt.
zzgl. 6,90 € Versand (brutto)
einmalig pro Bestellung

Lieferzeit: 64 Werktage

Pos.
70/38
BOSCH Bolzen | Ersatzteile für ROYALE 20 | F016L16272
Hersteller: BOSCH
Artikelnummer: EB-F016310003-F016L16272
Netto: 4,36 € zzgl. MwSt.
zzgl. 6,90 € Versand (brutto)
einmalig pro Bestellung

Lieferzeit: 64 Werktage

Pos.
70/39
BOSCH Kupplungsgabel | Ersatzteile für ROYALE 20 | F016100694
Hersteller: BOSCH
Artikelnummer: EB-F016310003-F016100694
Netto: 9,75 € zzgl. MwSt.
zzgl. 6,90 € Versand (brutto)
einmalig pro Bestellung

Lieferzeit: 64 Werktage

Pos.
70/42
BOSCH Feder | Ersatzteile für ROYALE 20 | F016L12656
Hersteller: BOSCH
Artikelnummer: EB-F016310003-F016L12656
Netto: 4,10 € zzgl. MwSt.
zzgl. 6,90 € Versand (brutto)
einmalig pro Bestellung

Lieferzeit: 64 Werktage

Pos.
70/43
BOSCH Federhebel | Ersatzteile für ROYALE 20 | F016L12774
Hersteller: BOSCH
Artikelnummer: EB-F016310003-F016L12774
Netto: 5,65 € zzgl. MwSt.
zzgl. 6,90 € Versand (brutto)
einmalig pro Bestellung

Lieferzeit: 64 Werktage

Pos.
70/50
BOSCH Lagerzapfen WAS 90 | Ersatzteile für ROYALE 20 | F016L12750
Hersteller: BOSCH
Artikelnummer: EB-F016310003-F016L12750
Netto: 3,49 € zzgl. MwSt.
zzgl. 6,90 € Versand (brutto)
einmalig pro Bestellung

Lieferzeit: 64 Werktage

Pos.
70/51
BOSCH Lagerbolzen | Ersatzteile für ROYALE 20 | F016L20305
Hersteller: BOSCH
Artikelnummer: EB-F016310003-F016L20305
Netto: 11,77 € zzgl. MwSt.
zzgl. 6,90 € Versand (brutto)
einmalig pro Bestellung

Lieferzeit: 64 Werktage

Pos.
70/52
BOSCH Splint | Ersatzteile für ROYALE 20 | F016L13230
Hersteller: BOSCH
Artikelnummer: EB-F016310003-F016L13230
Netto: 3,60 € zzgl. MwSt.
zzgl. 6,90 € Versand (brutto)
einmalig pro Bestellung

Lieferzeit: 64 Werktage

Pos.
70/70
BOSCH Sicherungsmutter 5/16 UNF | Ersatzteile für ROYALE 20 | F016L06955
Hersteller: BOSCH
Artikelnummer: EB-F016310003-F016L06955
Netto: 3,75 € zzgl. MwSt.
zzgl. 6,90 € Versand (brutto)
einmalig pro Bestellung

Lieferzeit: 64 Werktage

Pos.
70/71
BOSCH Sicherungsscheibe | Ersatzteile für ROYALE 20 | F016L10273
Hersteller: BOSCH
Artikelnummer: EB-F016310003-F016L10273
Netto: 3,60 € zzgl. MwSt.
zzgl. 6,90 € Versand (brutto)
einmalig pro Bestellung

Lieferzeit: 64 Werktage

Pos.
70/72
BOSCH Sicherungsscheibe | Ersatzteile für ROYALE 20 | F016L12381
Hersteller: BOSCH
Artikelnummer: EB-F016310003-F016L12381
Netto: 3,49 € zzgl. MwSt.
zzgl. 6,90 € Versand (brutto)
einmalig pro Bestellung

Lieferzeit: 64 Werktage

Pos.
70/74
BOSCH Unterlegscheibe | Ersatzteile für ROYALE 20 | F016L13235
Hersteller: BOSCH
Artikelnummer: EB-F016310003-F016L13235
nur Informationsartikel
Nie mehr lieferbar
keine Alternativen
Pos.
70/76
BOSCH Unterlegscheibe | Ersatzteile für ROYALE 20 | F016L13237
Hersteller: BOSCH
Artikelnummer: EB-F016310003-F016L13237
Netto: 4,10 € zzgl. MwSt.
zzgl. 6,90 € Versand (brutto)
einmalig pro Bestellung

Lieferzeit: 64 Werktage

Pos.
70/77
BOSCH Unterlegscheibe | Ersatzteile für ROYALE 20 | F016L13295
Hersteller: BOSCH
Artikelnummer: EB-F016310003-F016L13295
Netto: 3,60 € zzgl. MwSt.
zzgl. 6,90 € Versand (brutto)
einmalig pro Bestellung

Lieferzeit: 64 Werktage

Pos.
70/78
BOSCH Sicherungsscheibe | Ersatzteile für ROYALE 20 | F016L18174
Hersteller: BOSCH
Artikelnummer: EB-F016310003-F016L18174
Netto: 4,14 € zzgl. MwSt.
zzgl. 6,90 € Versand (brutto)
einmalig pro Bestellung

Lieferzeit: 64 Werktage

Pos.
70/79
BOSCH Sicherungsscheibe 1/2" | Ersatzteile für ROYALE 20 | F016L18181
Hersteller: BOSCH
Artikelnummer: EB-F016310003-F016L18181
Netto: 4,36 € zzgl. MwSt.
zzgl. 6,90 € Versand (brutto)
einmalig pro Bestellung

Lieferzeit: 64 Werktage

Pos.
70/80
BOSCH Mutter | Ersatzteile für ROYALE 20 | F016L18609
Hersteller: BOSCH
Artikelnummer: EB-F016310003-F016L18609
Netto: 4,10 € zzgl. MwSt.
zzgl. 6,90 € Versand (brutto)
einmalig pro Bestellung

Lieferzeit: 64 Werktage

Pos.
70/81
BOSCH Schraube | Ersatzteile für ROYALE 20 | F016L18730
Hersteller: BOSCH
Artikelnummer: EB-F016310003-F016L18730
Netto: 3,75 € zzgl. MwSt.
zzgl. 6,90 € Versand (brutto)
einmalig pro Bestellung

Lieferzeit: 64 Werktage

Pos.
70/82
BOSCH Mutter 1/2" | Ersatzteile für ROYALE 20 | F016L20239
Hersteller: BOSCH
Artikelnummer: EB-F016310003-F016L20239
Netto: 4,10 € zzgl. MwSt.
zzgl. 6,90 € Versand (brutto)
einmalig pro Bestellung

Lieferzeit: 64 Werktage

Pos.
70/83
BOSCH Schraube 5/16 UNF X 5/8 | Ersatzteile für ROYALE 20 | F016L20252
Hersteller: BOSCH
Artikelnummer: EB-F016310003-F016L20252
Netto: 3,60 € zzgl. MwSt.
zzgl. 6,90 € Versand (brutto)
einmalig pro Bestellung

Lieferzeit: 64 Werktage

Pos.
70/84
BOSCH Schraube | Ersatzteile für ROYALE 20 | F016L20253
Hersteller: BOSCH
Artikelnummer: EB-F016310003-F016L20253
Netto: 3,60 € zzgl. MwSt.
zzgl. 6,90 € Versand (brutto)
einmalig pro Bestellung

Lieferzeit: 64 Werktage

Pos.
70/85
BOSCH Mutter 5/16-UNF D/C | Ersatzteile für ROYALE 20 | F016L20303
Hersteller: BOSCH
Artikelnummer: EB-F016310003-F016L20303
Netto: 3,60 € zzgl. MwSt.
zzgl. 6,90 € Versand (brutto)
einmalig pro Bestellung

Lieferzeit: 64 Werktage

Pos.
70/87
BOSCH Unterlegscheibe Ø8,15 MM | Ersatzteile für ROYALE 20 | F016T40590
Hersteller: BOSCH
Artikelnummer: EB-F016310003-F016T40590
Netto: 3,94 € zzgl. MwSt.
zzgl. 6,90 € Versand (brutto)
einmalig pro Bestellung

Lieferzeit: 5 Werktage

Pos.
70/88
BOSCH Unterlegscheibe 12,1X6,4X1,5 | Ersatzteile für ROYALE 20 | F016L18129
Hersteller: BOSCH
Artikelnummer: EB-F016310003-F016L18129
Netto: 3,60 € zzgl. MwSt.
zzgl. 6,90 € Versand (brutto)
einmalig pro Bestellung

Lieferzeit: 64 Werktage

Pos.
70/89
BOSCH Schraube 1/4 UNF X 1/2 | Ersatzteile für ROYALE 20 | F016L18167
Hersteller: BOSCH
Artikelnummer: EB-F016310003-F016L18167
Netto: 3,60 € zzgl. MwSt.
zzgl. 6,90 € Versand (brutto)
einmalig pro Bestellung

Lieferzeit: 64 Werktage

Pos.
70/90
BOSCH Klemmutter | Ersatzteile für ROYALE 20 | F016L18723
Hersteller: BOSCH
Artikelnummer: EB-F016310003-F016L18723
Netto: 3,60 € zzgl. MwSt.
zzgl. 6,90 € Versand (brutto)
einmalig pro Bestellung

Lieferzeit: 64 Werktage

Pos.
70/91
BOSCH Klemmutter | Ersatzteile für ROYALE 20 | F016L20338
Hersteller: BOSCH
Artikelnummer: EB-F016310003-F016L20338
Netto: 3,60 € zzgl. MwSt.
zzgl. 6,90 € Versand (brutto)
einmalig pro Bestellung

Lieferzeit: 64 Werktage

Pos.
75/01
BOSCH Handgriff | Ersatzteile für ROYALE 20 | F016L63173
Hersteller: BOSCH
Artikelnummer: EB-F016310003-F016L63173
Netto: 95,11 € zzgl. MwSt.
zzgl. 6,90 € Versand (brutto)
einmalig pro Bestellung

Lieferzeit: 64 Werktage

Pos.
75/08
BOSCH Halter | Ersatzteile für ROYALE 20 | F016L36717
Hersteller: BOSCH
Artikelnummer: EB-F016310003-F016L36717
nur Informationsartikel
Nie mehr lieferbar
keine Alternativen
Pos.
75/10
BOSCH Sicherungskappe Ø8 MM SCHWARZ | Ersatzteile für ROYALE 20 | F016T48990
Hersteller: BOSCH
Artikelnummer: EB-F016310003-F016T48990
Netto: 3,60 € zzgl. MwSt.
zzgl. 6,90 € Versand (brutto)
einmalig pro Bestellung

Lieferzeit: 5 Werktage

Pos.
75/11
BOSCH Seilzug | Ersatzteile für ROYALE 20 | F016L34688
Hersteller: BOSCH
Artikelnummer: EB-F016310003-F016L34688
Netto: 14,13 € zzgl. MwSt.
zzgl. 6,90 € Versand (brutto)
einmalig pro Bestellung

Lieferzeit: 64 Werktage

Pos.
75/15
BOSCH Buchse | Ersatzteile für ROYALE 20 | F016L61006
Hersteller: BOSCH
Artikelnummer: EB-F016310003-F016L61006
Netto: 4,80 € zzgl. MwSt.
zzgl. 6,90 € Versand (brutto)
einmalig pro Bestellung

Lieferzeit: 64 Werktage

Pos.
75/18
BOSCH Scheibe | Ersatzteile für ROYALE 20 | F016L63180
Hersteller: BOSCH
Artikelnummer: EB-F016310003-F016L63180
Netto: 8,23 € zzgl. MwSt.
zzgl. 6,90 € Versand (brutto)
einmalig pro Bestellung

Lieferzeit: 64 Werktage

Pos.
75/19
BOSCH Scheibe | Ersatzteile für ROYALE 20 | F016L63198
Hersteller: BOSCH
Artikelnummer: EB-F016310003-F016L63198
Netto: 3,60 € zzgl. MwSt.
zzgl. 6,90 € Versand (brutto)
einmalig pro Bestellung

Lieferzeit: 64 Werktage

Pos.
75/22
BOSCH Torsionsfeder | Ersatzteile für ROYALE 20 | F016L37684
Hersteller: BOSCH
Artikelnummer: EB-F016310003-F016L37684
Netto: 7,38 € zzgl. MwSt.
zzgl. 6,90 € Versand (brutto)
einmalig pro Bestellung

Lieferzeit: 64 Werktage

Pos.
75/23
BOSCH Tastenschalter | Ersatzteile für ROYALE 20 | F016L35272
Hersteller: BOSCH
Artikelnummer: EB-F016310003-F016L35272
Netto: 38,04 € zzgl. MwSt.
zzgl. 6,90 € Versand (brutto)
einmalig pro Bestellung

Lieferzeit: 64 Werktage

Pos.
75/24
BOSCH Draht | Ersatzteile für ROYALE 20 | F016L63182
Hersteller: BOSCH
Artikelnummer: EB-F016310003-F016L63182
Netto: 24,01 € zzgl. MwSt.
zzgl. 6,90 € Versand (brutto)
einmalig pro Bestellung

Lieferzeit: 64 Werktage

Pos.
75/25
BOSCH Gewindebolzen M8x20 | Ersatzteile für ROYALE 20 | F016L11301
Hersteller: BOSCH
Artikelnummer: EB-F016310003-F016L11301
Netto: 3,60 € zzgl. MwSt.
zzgl. 6,90 € Versand (brutto)
einmalig pro Bestellung

Lieferzeit: 64 Werktage

Pos.
75/26
BOSCH Schraube | Ersatzteile für ROYALE 20 | F016L20472
Hersteller: BOSCH
Artikelnummer: EB-F016310003-F016L20472
Netto: 3,75 € zzgl. MwSt.
zzgl. 6,90 € Versand (brutto)
einmalig pro Bestellung

Lieferzeit: 64 Werktage

Pos.
75/27
BOSCH Gewindeschneidschraube M6 | Ersatzteile für ROYALE 20 | F016L35387
Hersteller: BOSCH
Artikelnummer: EB-F016310003-F016L35387
Netto: 3,60 € zzgl. MwSt.
zzgl. 6,90 € Versand (brutto)
einmalig pro Bestellung

Lieferzeit: 64 Werktage

Pos.
75/28
BOSCH Schraube | Ersatzteile für ROYALE 20 | F016L36835
Hersteller: BOSCH
Artikelnummer: EB-F016310003-F016L36835
Netto: 3,60 € zzgl. MwSt.
zzgl. 6,90 € Versand (brutto)
einmalig pro Bestellung

Lieferzeit: 64 Werktage

Pos.
75/29
BOSCH Mutter M5 | Ersatzteile für ROYALE 20 | F016L36836
Hersteller: BOSCH
Artikelnummer: EB-F016310003-F016L36836
Netto: 3,60 € zzgl. MwSt.
zzgl. 6,90 € Versand (brutto)
einmalig pro Bestellung

Lieferzeit: 64 Werktage

Pos.
75/32
BOSCH Unterlegscheibe | Ersatzteile für ROYALE 20 | F016L09966
Hersteller: BOSCH
Artikelnummer: EB-F016310003-F016L09966
Netto: 4,45 € zzgl. MwSt.
zzgl. 6,90 € Versand (brutto)
einmalig pro Bestellung

Lieferzeit: 64 Werktage

Pos.
75/33
BOSCH Federscheibe | Ersatzteile für ROYALE 20 | F016L18028
Hersteller: BOSCH
Artikelnummer: EB-F016310003-F016L18028
Netto: 3,60 € zzgl. MwSt.
zzgl. 6,90 € Versand (brutto)
einmalig pro Bestellung

Lieferzeit: 64 Werktage

Pos.
75/34
BOSCH Mutter | Ersatzteile für ROYALE 20 | F016L18048
Hersteller: BOSCH
Artikelnummer: EB-F016310003-F016L18048
nur Informationsartikel
Nie mehr lieferbar
keine Alternativen
Pos.
75/35
BOSCH Sicherungsscheibe | Ersatzteile für ROYALE 20 | F016L35389
Hersteller: BOSCH
Artikelnummer: EB-F016310003-F016L35389
Netto: 3,60 € zzgl. MwSt.
zzgl. 6,90 € Versand (brutto)
einmalig pro Bestellung

Lieferzeit: 64 Werktage

Pos.
75/37
BOSCH Unterlegscheibe 8,5 MM | Ersatzteile für ROYALE 20 | F016L35411
Hersteller: BOSCH
Artikelnummer: EB-F016310003-F016L35411
Netto: 3,60 € zzgl. MwSt.
zzgl. 6,90 € Versand (brutto)
einmalig pro Bestellung

Lieferzeit: 64 Werktage

Pos.
75/45
BOSCH Sicherungsmutter M6 | Ersatzteile für ROYALE 20 | F016L35388
Hersteller: BOSCH
Artikelnummer: EB-F016310003-F016L35388
nur Informationsartikel
Nie mehr lieferbar
keine Alternativen
Pos.
75/50
BOSCH Klebeschild | Ersatzteile für ROYALE 20 | F016A58020
Hersteller: BOSCH
Artikelnummer: EB-F016310003-F016A58020
nur Informationsartikel
Nie mehr lieferbar
keine Alternativen
Pos.
75/51
BOSCH Klebeschild | Ersatzteile für ROYALE 20 | F016A58021
Hersteller: BOSCH
Artikelnummer: EB-F016310003-F016A58021
Netto: 3,60 € zzgl. MwSt.
zzgl. 6,90 € Versand (brutto)
einmalig pro Bestellung

Lieferzeit: 64 Werktage

Pos.
75/53
BOSCH Unterlegscheibe | Ersatzteile für ROYALE 20 | F016L13811
Hersteller: BOSCH
Artikelnummer: EB-F016310003-F016L13811
Netto: 3,60 € zzgl. MwSt.
zzgl. 6,90 € Versand (brutto)
einmalig pro Bestellung

Lieferzeit: 64 Werktage

Pos.
80/15
BOSCH Verschlusskappe | Ersatzteile für ROYALE 20 | F016L09623
Hersteller: BOSCH
Artikelnummer: EB-F016310003-F016L09623
Netto: 3,60 € zzgl. MwSt.
zzgl. 6,90 € Versand (brutto)
einmalig pro Bestellung

Lieferzeit: 64 Werktage

Pos.
840/01
BOSCH Seitenblech | Ersatzteile für ROYALE 20 | F016102241
Hersteller: BOSCH
Artikelnummer: EB-F016310003-F016102241
Netto: 108,06 € zzgl. MwSt.
zzgl. 6,90 € Versand (brutto)
einmalig pro Bestellung

Lieferzeit: 64 Werktage

Pos.
840/02
BOSCH Seitenblech | Ersatzteile für ROYALE 20 | F016102733
Hersteller: BOSCH
Artikelnummer: EB-F016310003-F016102733
Netto: 108,06 € zzgl. MwSt.
zzgl. 6,90 € Versand (brutto)
einmalig pro Bestellung

Lieferzeit: 64 Werktage

Pos.
840/03
BOSCH Sperrhebel | Ersatzteile für ROYALE 20 | F016100711
Hersteller: BOSCH
Artikelnummer: EB-F016310003-F016100711
nur Informationsartikel
Nie mehr lieferbar
keine Alternativen
Pos.
840/06
BOSCH Führungsrohr | Ersatzteile für ROYALE 20 | F016102738
Hersteller: BOSCH
Artikelnummer: EB-F016310003-F016102738
Netto: 8,46 € zzgl. MwSt.
zzgl. 6,90 € Versand (brutto)
einmalig pro Bestellung

Lieferzeit: 64 Werktage

Pos.
840/08
BOSCH Abdeckplatte | Ersatzteile für ROYALE 20 | F016102245
Hersteller: BOSCH
Artikelnummer: EB-F016310003-F016102245
Netto: 12,84 € zzgl. MwSt.
zzgl. 6,90 € Versand (brutto)
einmalig pro Bestellung

Lieferzeit: 64 Werktage

Pos.
840/10
BOSCH Batteriedeckel | Ersatzteile für ROYALE 20 | F016102249
Hersteller: BOSCH
Artikelnummer: EB-F016310003-F016102249
Netto: 10,70 € zzgl. MwSt.
zzgl. 6,90 € Versand (brutto)
einmalig pro Bestellung

Lieferzeit: 64 Werktage

Pos.
840/12
BOSCH Kupplungslasche | Ersatzteile für ROYALE 20 | F016100714
Hersteller: BOSCH
Artikelnummer: EB-F016310003-F016100714
Netto: 12,84 € zzgl. MwSt.
zzgl. 6,90 € Versand (brutto)
einmalig pro Bestellung

Lieferzeit: 64 Werktage

Pos.
840/13
BOSCH Stützwinkel | Ersatzteile für ROYALE 20 | F016101642
Hersteller: BOSCH
Artikelnummer: EB-F016310003-F016101642
Netto: 6,05 € zzgl. MwSt.
zzgl. 6,90 € Versand (brutto)
einmalig pro Bestellung

Lieferzeit: 64 Werktage

Pos.
840/17/01
BOSCH Kettenabdeckung | Ersatzteile für ROYALE 20 | F016100719
Hersteller: BOSCH
Artikelnummer: EB-F016310003-F016100719
Netto: 62,62 € zzgl. MwSt.
zzgl. 6,90 € Versand (brutto)
einmalig pro Bestellung

Lieferzeit: 64 Werktage

Pos.
840/21
BOSCH Aufnahmestück | Ersatzteile für ROYALE 20 | F016100343
Hersteller: BOSCH
Artikelnummer: EB-F016310003-F016100343
Netto: 6,45 € zzgl. MwSt.
zzgl. 6,90 € Versand (brutto)
einmalig pro Bestellung

Lieferzeit: 64 Werktage

Pos.
840/23
BOSCH Aufnahmestück | Ersatzteile für ROYALE 20 | F016100394
Hersteller: BOSCH
Artikelnummer: EB-F016310003-F016100394
Netto: 6,05 € zzgl. MwSt.
zzgl. 6,90 € Versand (brutto)
einmalig pro Bestellung

Lieferzeit: 64 Werktage

Pos.
840/37
BOSCH Haltebügel | Ersatzteile für ROYALE 20 | F016102731
Hersteller: BOSCH
Artikelnummer: EB-F016310003-F016102731
Netto: 12,84 € zzgl. MwSt.
zzgl. 6,90 € Versand (brutto)
einmalig pro Bestellung

Lieferzeit: 64 Werktage

Pos.
840/40
BOSCH Bremshebel | Ersatzteile für ROYALE 20 | F016102250
Hersteller: BOSCH
Artikelnummer: EB-F016310003-F016102250
Netto: 31,71 € zzgl. MwSt.
zzgl. 6,90 € Versand (brutto)
einmalig pro Bestellung

Lieferzeit: 64 Werktage

Pos.
840/42
BOSCH Bremshebel | Ersatzteile für ROYALE 20 | F016102252
Hersteller: BOSCH
Artikelnummer: EB-F016310003-F016102252
Netto: 12,84 € zzgl. MwSt.
zzgl. 6,90 € Versand (brutto)
einmalig pro Bestellung

Lieferzeit: 64 Werktage

Pos.
840/46
BOSCH Haltearm | Ersatzteile für ROYALE 20 | F016102251
Hersteller: BOSCH
Artikelnummer: EB-F016310003-F016102251
Netto: 19,77 € zzgl. MwSt.
zzgl. 6,90 € Versand (brutto)
einmalig pro Bestellung

Lieferzeit: 64 Werktage

Pos.
840/48
BOSCH Bremsbacke | Ersatzteile für ROYALE 20 | F016102253
Hersteller: BOSCH
Artikelnummer: EB-F016310003-F016102253
Netto: 28,93 € zzgl. MwSt.
zzgl. 6,90 € Versand (brutto)
einmalig pro Bestellung

Lieferzeit: 64 Werktage

Pos.
850/11
BOSCH Staubschutzdeckel | Ersatzteile für ROYALE 20 | F016L59722
Hersteller: BOSCH
Artikelnummer: EB-F016310003-F016L59722
Netto: 6,77 € zzgl. MwSt.
zzgl. 6,90 € Versand (brutto)
einmalig pro Bestellung

Lieferzeit: 64 Werktage

Pos.
850/15
BOSCH Staubschutzdeckel | Ersatzteile für ROYALE 20 | F016100716
Hersteller: BOSCH
Artikelnummer: EB-F016310003-F016100716
Netto: 6,77 € zzgl. MwSt.
zzgl. 6,90 € Versand (brutto)
einmalig pro Bestellung

Lieferzeit: 64 Werktage

Pos.
855/04
BOSCH Blech | Ersatzteile für ROYALE 20 | F016100753
Hersteller: BOSCH
Artikelnummer: EB-F016310003-F016100753
Netto: 25,97 € zzgl. MwSt.
zzgl. 6,90 € Versand (brutto)
einmalig pro Bestellung

Lieferzeit: 64 Werktage

Pos.
855/05/01
BOSCH Untermesser | Ersatzteile für ROYALE 20 | F016101020
Hersteller: BOSCH
Artikelnummer: EB-F016310003-F016101020
Netto: 34,68 € zzgl. MwSt.
zzgl. 6,90 € Versand (brutto)
einmalig pro Bestellung

Lieferzeit: 64 Werktage

Pos.
855/07
BOSCH Zylinder | Ersatzteile für ROYALE 20 | F016100758
Hersteller: BOSCH
Artikelnummer: EB-F016310003-F016100758
Netto: 194,76 € zzgl. MwSt.
zzgl. 6,90 € Versand (brutto)
einmalig pro Bestellung

Lieferzeit: 64 Werktage

Pos.
855/08
BOSCH Lagerhalter | Ersatzteile für ROYALE 20 | F016100713
Hersteller: BOSCH
Artikelnummer: EB-F016310003-F016100713
nur Informationsartikel
Nie mehr lieferbar
keine Alternativen
Pos.
860/01
BOSCH Rollenträger | Ersatzteile für ROYALE 20 | F016102235
Hersteller: BOSCH
Artikelnummer: EB-F016310003-F016102235
Netto: 24,01 € zzgl. MwSt.
zzgl. 6,90 € Versand (brutto)
einmalig pro Bestellung

Lieferzeit: 64 Werktage

Pos.
860/03
BOSCH Rolle 20" | Ersatzteile für ROYALE 20 | F016103904
Hersteller: BOSCH
Artikelnummer: EB-F016310003-F016103904
Netto: 101,78 € zzgl. MwSt.
zzgl. 6,90 € Versand (brutto)
einmalig pro Bestellung

Lieferzeit: 64 Werktage

Pos.
860/31
BOSCH Halterahmen | Ersatzteile für ROYALE 20 | F016102238
Hersteller: BOSCH
Artikelnummer: EB-F016310003-F016102238
nur Informationsartikel
Nie mehr lieferbar
keine Alternativen
Pos.
865/32
BOSCH Stützwinkel | Ersatzteile für ROYALE 20 | F016102732
Hersteller: BOSCH
Artikelnummer: EB-F016310003-F016102732
Netto: 12,84 € zzgl. MwSt.
zzgl. 6,90 € Versand (brutto)
einmalig pro Bestellung

Lieferzeit: 64 Werktage

Pos.
870/20
BOSCH Aufnahmestück | Ersatzteile für ROYALE 20 | F016100712
Hersteller: BOSCH
Artikelnummer: EB-F016310003-F016100712
Netto: 4,10 € zzgl. MwSt.
zzgl. 6,90 € Versand (brutto)
einmalig pro Bestellung

Lieferzeit: 64 Werktage

Pos.
870/22
BOSCH Klauenring | Ersatzteile für ROYALE 20 | F016100777
Hersteller: BOSCH
Artikelnummer: EB-F016310003-F016100777
Netto: 6,45 € zzgl. MwSt.
zzgl. 6,90 € Versand (brutto)
einmalig pro Bestellung

Lieferzeit: 64 Werktage

Pos.
870/23
BOSCH Kupplungsgabel | Ersatzteile für ROYALE 20 | F016100798
Hersteller: BOSCH
Artikelnummer: EB-F016310003-F016100798
Netto: 6,77 € zzgl. MwSt.
zzgl. 6,90 € Versand (brutto)
einmalig pro Bestellung

Lieferzeit: 64 Werktage

Pos.
870/27
BOSCH Befestigungsbügel | Ersatzteile für ROYALE 20 | F016100697
Hersteller: BOSCH
Artikelnummer: EB-F016310003-F016100697
Netto: 6,05 € zzgl. MwSt.
zzgl. 6,90 € Versand (brutto)
einmalig pro Bestellung

Lieferzeit: 64 Werktage

Pos.
870/29
BOSCH Schaltring | Ersatzteile für ROYALE 20 | F016100703
Hersteller: BOSCH
Artikelnummer: EB-F016310003-F016100703
Netto: 50,53 € zzgl. MwSt.
zzgl. 6,90 € Versand (brutto)
einmalig pro Bestellung

Lieferzeit: 64 Werktage

Pos.
870/34
BOSCH Antriebsvorrichtung | Ersatzteile für ROYALE 20 | F016100702
Hersteller: BOSCH
Artikelnummer: EB-F016310003-F016100702
Netto: 85,91 € zzgl. MwSt.
zzgl. 6,90 € Versand (brutto)
einmalig pro Bestellung

Lieferzeit: 64 Werktage

Pos.
870/47
BOSCH Hebel | Ersatzteile für ROYALE 20 | F016100729
Hersteller: BOSCH
Artikelnummer: EB-F016310003-F016100729
Netto: 5,15 € zzgl. MwSt.
zzgl. 6,90 € Versand (brutto)
einmalig pro Bestellung

Lieferzeit: 64 Werktage

Pos.
870/48
BOSCH Hebel | Ersatzteile für ROYALE 20 | F016100730
Hersteller: BOSCH
Artikelnummer: EB-F016310003-F016100730
Netto: 11,77 € zzgl. MwSt.
zzgl. 6,90 € Versand (brutto)
einmalig pro Bestellung

Lieferzeit: 64 Werktage

Pos.
875/02
BOSCH Handgriff | Ersatzteile für ROYALE 20 | F016102871
Hersteller: BOSCH
Artikelnummer: EB-F016310003-F016102871
nur Informationsartikel
Nie mehr lieferbar
keine Alternativen
Pos.
875/03
BOSCH Klemmbügel | Ersatzteile für ROYALE 20 | F016102053
Hersteller: BOSCH
Artikelnummer: EB-F016310003-F016102053
nur Informationsartikel
Nie mehr lieferbar
keine Alternativen
Pos.
875/06
BOSCH Kupplungshebel | Ersatzteile für ROYALE 20 | F016102218
Hersteller: BOSCH
Artikelnummer: EB-F016310003-F016102218
nur Informationsartikel
Nie mehr lieferbar
keine Alternativen
Pos.
875/14
BOSCH Verschlusshebel | Ersatzteile für ROYALE 20 | F016102081
Hersteller: BOSCH
Artikelnummer: EB-F016310003-F016102081
Netto: 24,01 € zzgl. MwSt.
zzgl. 6,90 € Versand (brutto)
einmalig pro Bestellung

Lieferzeit: 64 Werktage

Pos.
875/16
BOSCH Abdeckplatte | Ersatzteile für ROYALE 20 | F016102680
Hersteller: BOSCH
Artikelnummer: EB-F016310003-F016102680
Netto: 15,85 € zzgl. MwSt.
zzgl. 6,90 € Versand (brutto)
einmalig pro Bestellung

Lieferzeit: 64 Werktage

Angaben zur Produktsicherheit

Hersteller:
Robert Bosch Power Tools GmbH
Postfach 30 02 20
70442 Stuttgart

E-Mail:
kontakt@bosch.de