BOSCH Flachrundschraube DIN 603-M5x20 | Ersatzteile für S 10 | 2910281162

Artikelnummer: EB-0603035201-2910281162

Position: 28

Marke: BOSCH


Bitte Kompatibilität prüfen!

Bitte prüfen Sie unbedingt die 10-stellige Typennummer Ihrer Maschine / Ihres Gerätes. Das Ersatzteil ist nur kompatibel, wenn Sie die Typennummer Ihrer Maschine in der unten stehenden Produktbeschreibung finden.

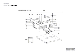
Bitte prüfen Sie ebenfalls detailliert die Explosionszeichnung mit Ihrem Artikelwunsch und der jeweiligen Pos-Nummer.

Alle Elemente, welche vom schwarzen Strich der Pos-Nummer ausgehend berührt / erfasst werden, gehören zu dieser Pos-Nummer und somit zu diesem Artikel. Jede Pos-Nummer ist ein eigenständiger Artikel, welchen Sie in der Auflistung finden.

Sie erhalten stets die aktuellste, neueste Produktversion zu der gewählten Pos-Nummer seitens des Herstellers. Es kann daher je nach Gerätealter vorkommen, dass Sie ggf. weitere, zugehörige Elemente, welche an diese Pos-Nummer grenzen, ebenfalls mittauschen müssen.

Nähere Informationen finden Sie unter dem Link
Hinweise zu Ihrer BOSCH Ersatzteilsuche

Preisübersicht

Einzelpreis: 3,75 €* (Brutto: 4,46 €)
Gesamtpreis: 3,75 €* 
Position:

Lieferzeit: 5 Werktage


Beschreibung

  • Flachrundschraube DIN 603-M5x20
  • Original Bosch Zubehör / BOSCH Ersatzteil (2910281162)
  • im Gerät verbaut: 1
Dieses BOSCH Ersatzteil ist mit folgendem Gerät und Modell kompatibel:
  • BOSCH Gerätename: S 10
  • BOSCH Explosionszeichnung: Position 28
  • BOSCH Typennummer: 0603035201
  • BOSCH Typennummer alternative Schreibweisen: 0 603 035 201, 0603 035 201, 0.603.035.201, 0-603-035-201
    Bitte prüfen Sie diese Typennummer auf Ihrem Gerät um die Kompatibilität des BOSCH Ersatzteils zu gewährleisten.
Weitere BOSCH Ersatzteile des Gerätes S 10 (Sägetisch) mit der Typennummer 0603035201 finden Sie in der nachfolgenden Darstellung und im Dropdown zu Ihrer Auswahl:

Pos.
1
BOSCH Tischplatte | Ersatzteile für S 10 | 1608000077
Hersteller: BOSCH
Artikelnummer: EB-0603035201-1608000077
nur Informationsartikel
Nie mehr lieferbar
keine Alternativen
Pos.
2
BOSCH Abdeckplatte | Ersatzteile für S 10 | 1608000078
Hersteller: BOSCH
Artikelnummer: EB-0603035201-1608000078
nur Informationsartikel
Nie mehr lieferbar
keine Alternativen
Pos.
3
BOSCH Anschlagwinkel | Ersatzteile für S 10 | 1601334001
Hersteller: BOSCH
Artikelnummer: EB-0603035201-1601334001
nur Informationsartikel
Nie mehr lieferbar
keine Alternativen
Pos.
4
BOSCH Tischplatte | Ersatzteile für S 10 | 1608000073
Hersteller: BOSCH
Artikelnummer: EB-0603035201-1608000073
nur Informationsartikel
Nie mehr lieferbar
keine Alternativen
Pos.
5
BOSCH Sterngriff | Ersatzteile für S 10 | 1603349015
Hersteller: BOSCH
Artikelnummer: EB-0603035201-1603349015
nur Informationsartikel
Nie mehr lieferbar
keine Alternativen
Pos.
6
BOSCH Anschlagwinkel | Ersatzteile für S 10 | 1601332016
Hersteller: BOSCH
Artikelnummer: EB-0603035201-1601332016
nur Informationsartikel
Nie mehr lieferbar
keine Alternativen
Pos.
7
BOSCH Parallelanschlag | Ersatzteile für S 10 | 1601334003
Hersteller: BOSCH
Artikelnummer: EB-0603035201-1601334003
nur Informationsartikel
Nie mehr lieferbar
keine Alternativen
Pos.
8
BOSCH Distanzbuchse | Ersatzteile für S 10 | 1600300085
Hersteller: BOSCH
Artikelnummer: EB-0603035201-1600300085
nur Informationsartikel
Nie mehr lieferbar
keine Alternativen
Pos.
9
BOSCH Tischfuss | Ersatzteile für S 10 | 1601334002
Hersteller: BOSCH
Artikelnummer: EB-0603035201-1601334002
nur Informationsartikel
Nie mehr lieferbar
keine Alternativen
Pos.
10
BOSCH Gummiring | Ersatzteile für S 10 | 1602380012
Hersteller: BOSCH
Artikelnummer: EB-0603035201-1602380012
nur Informationsartikel
Nie mehr lieferbar
keine Alternativen
Pos.
11
BOSCH Befestigungswinkel | Ersatzteile für S 10 | 1601321034
Hersteller: BOSCH
Artikelnummer: EB-0603035201-1601321034
nur Informationsartikel
Nie mehr lieferbar
keine Alternativen
Pos.
12
BOSCH Führungsleiste | Ersatzteile für S 10 | 1601098004
Hersteller: BOSCH
Artikelnummer: EB-0603035201-1601098004
nur Informationsartikel
Nie mehr lieferbar
keine Alternativen
Pos.
13
BOSCH Unterlegscheibe | Ersatzteile für S 10 | 1600100022
Hersteller: BOSCH
Artikelnummer: EB-0603035201-1600100022
nur Informationsartikel
Nie mehr lieferbar
keine Alternativen
Pos.
15
BOSCH Senkschraube | Ersatzteile für S 10 | 1603421000
Hersteller: BOSCH
Artikelnummer: EB-0603035201-1603421000
nur Informationsartikel
Nie mehr lieferbar
keine Alternativen
Pos.
16
BOSCH Sechskantmutter DIN 934-M6-8-A | Ersatzteile für S 10 | 2915011007
Hersteller: BOSCH
Artikelnummer: EB-0603035201-2915011007
Netto: 3,60 € zzgl. MwSt.
zzgl. 6,90 € Versand (brutto)
einmalig pro Bestellung

Lieferzeit: 5 Werktage

Pos.
19
BOSCH Sechskantschraube | Ersatzteile für S 10 | 2911051193
Hersteller: BOSCH
Artikelnummer: EB-0603035201-2911051193
Netto: 3,50 € zzgl. MwSt.
zzgl. 6,90 € Versand (brutto)
einmalig pro Bestellung

Lieferzeit: 5 Werktage

Pos.
21
BOSCH Führungsstange | Ersatzteile für S 10 | 1603052011
Hersteller: BOSCH
Artikelnummer: EB-0603035201-1603052011
nur Informationsartikel
Nie mehr lieferbar
keine Alternativen
Pos.
22
BOSCH Senkschraube | Ersatzteile für S 10 | 2910761116
Hersteller: BOSCH
Artikelnummer: EB-0603035201-2910761116
nur Informationsartikel
Nie mehr lieferbar
keine Alternativen
Pos.
24
BOSCH Sicherungsscheibe | Ersatzteile für S 10 | 2916070232
Hersteller: BOSCH
Artikelnummer: EB-0603035201-2916070232
Netto: 3,60 € zzgl. MwSt.
zzgl. 6,90 € Versand (brutto)
einmalig pro Bestellung

Lieferzeit: 5 Werktage

Pos.
25
BOSCH Firmenschild | Ersatzteile für S 10 | 1601110008
Hersteller: BOSCH
Artikelnummer: EB-0603035201-1601110008
nur Informationsartikel
Nie mehr lieferbar
keine Alternativen
Pos.
26
BOSCH Unterlegscheibe | Ersatzteile für S 10 | 2916011884
Hersteller: BOSCH
Artikelnummer: EB-0603035201-2916011884
nur Informationsartikel
Nie mehr lieferbar
keine Alternativen
Pos.
27
BOSCH Lasche | Ersatzteile für S 10 | 1601021004
Hersteller: BOSCH
Artikelnummer: EB-0603035201-1601021004
nur Informationsartikel
Nie mehr lieferbar
keine Alternativen
Pos.
28
BOSCH Flachrundschraube DIN 603-M5x20 | Ersatzteile für S 10 | 2910281162
Hersteller: BOSCH
Artikelnummer: EB-0603035201-2910281162
Netto: 3,75 € zzgl. MwSt.
zzgl. 6,90 € Versand (brutto)
einmalig pro Bestellung

Lieferzeit: 5 Werktage

Pos.
29
BOSCH Distanzstück | Ersatzteile für S 10 | 1601329011
Hersteller: BOSCH
Artikelnummer: EB-0603035201-1601329011
nur Informationsartikel
Nie mehr lieferbar
keine Alternativen
Pos.
30
BOSCH Unterlegscheibe | Ersatzteile für S 10 | 2916011883
Hersteller: BOSCH
Artikelnummer: EB-0603035201-2916011883
nur Informationsartikel
Nie mehr lieferbar
keine Alternativen
Pos.
31
BOSCH Kreuzgriff | Ersatzteile für S 10 | 1603349016
Hersteller: BOSCH
Artikelnummer: EB-0603035201-1603349016
nur Informationsartikel
Nie mehr lieferbar
keine Alternativen
Pos.
32
BOSCH Führungsrohr | Ersatzteile für S 10 | 1600795006
Hersteller: BOSCH
Artikelnummer: EB-0603035201-1600795006
nur Informationsartikel
Nie mehr lieferbar
keine Alternativen
Pos.
101
BOSCH Senkschraube | Ersatzteile für S 10 | 2910775164
Hersteller: BOSCH
Artikelnummer: EB-0603035201-2910775164
nur Informationsartikel
Nie mehr lieferbar
keine Alternativen
Pos.
102
BOSCH Befestigungswinkel | Ersatzteile für S 10 | 1601329012
Hersteller: BOSCH
Artikelnummer: EB-0603035201-1601329012
nur Informationsartikel
Nie mehr lieferbar
keine Alternativen
Pos.
104
BOSCH Flachrundschraube M5x12 MM | Ersatzteile für S 10 | 1603434004
Hersteller: BOSCH
Artikelnummer: EB-0603035201-1603434004
Netto: 3,75 € zzgl. MwSt.
zzgl. 6,90 € Versand (brutto)
einmalig pro Bestellung

Lieferzeit: 5 Werktage

Pos.
105
BOSCH Sechskantmutter | Ersatzteile für S 10 | 2915011006
Hersteller: BOSCH
Artikelnummer: EB-0603035201-2915011006
nur Informationsartikel
Nie mehr lieferbar
keine Alternativen
Pos.
107
BOSCH Unterlegscheibe DIN 433-5,3-ST | Ersatzteile für S 10 | 2916011011
Hersteller: BOSCH
Artikelnummer: EB-0603035201-2916011011
Netto: 3,93 € zzgl. MwSt.
zzgl. 6,90 € Versand (brutto)
einmalig pro Bestellung

Lieferzeit: 21 Werktage

Pos.
108
BOSCH Zylinderschraube | Ersatzteile für S 10 | 2910011168
Hersteller: BOSCH
Artikelnummer: EB-0603035201-2910011168
nur Informationsartikel
Nie mehr lieferbar
keine Alternativen
Pos.
109
BOSCH Firmenschild | Ersatzteile für S 10 | 1601110016
Hersteller: BOSCH
Artikelnummer: EB-0603035201-1601110016
nur Informationsartikel
Nie mehr lieferbar
keine Alternativen
Pos.
110
BOSCH Schutzhaube | Ersatzteile für S 10 | 1609255009
Hersteller: BOSCH
Artikelnummer: EB-0603035201-1609255009
nur Informationsartikel
Nie mehr lieferbar
keine Alternativen
Pos.
111
BOSCH Spannstift | Ersatzteile für S 10 | 2917760083
Hersteller: BOSCH
Artikelnummer: EB-0603035201-2917760083
nur Informationsartikel
Nie mehr lieferbar
keine Alternativen
Pos.
112
BOSCH Flügelmutter M6 DIN 315-G-GTW-40 | Ersatzteile für S 10 | 2915191006
Hersteller: BOSCH
Artikelnummer: EB-0603035201-2915191006
nur Informationsartikel
Nie mehr lieferbar
keine Alternativen
Pos.
113
BOSCH Unterlegscheibe DIN 125-A 6,4-ST | Ersatzteile für S 10 | 2916011014
Hersteller: BOSCH
Artikelnummer: EB-0603035201-2916011014
Netto: 3,60 € zzgl. MwSt.
zzgl. 6,90 € Versand (brutto)
einmalig pro Bestellung

Lieferzeit: 64 Werktage

Pos.
114
BOSCH Flachrundschraube DIN 603-M6x35 | Ersatzteile für S 10 | 2910281207
Hersteller: BOSCH
Artikelnummer: EB-0603035201-2910281207
Netto: 3,60 € zzgl. MwSt.
zzgl. 6,90 € Versand (brutto)
einmalig pro Bestellung

Lieferzeit: 5 Werktage

Pos.
115
BOSCH Spaltkeil | Ersatzteile für S 10 | 1609200813
Hersteller: BOSCH
Artikelnummer: EB-0603035201-1609200813
nur Informationsartikel
Nie mehr lieferbar
keine Alternativen
Pos.
650
BOSCH Teilesatz | Ersatzteile für S 10 | 1607000185
Hersteller: BOSCH
Artikelnummer: EB-0603035201-1607000185
nur Informationsartikel
Nie mehr lieferbar
keine Alternativen
Pos.
651
BOSCH Doppelmaulschlüssel | Ersatzteile für S 10 | 1607950524
Hersteller: BOSCH
Artikelnummer: EB-0603035201-1607950524
nur Informationsartikel
Nie mehr lieferbar
keine Alternativen
Pos.
652
BOSCH Abdeckplatte | Ersatzteile für S 10 | 1608000079
Hersteller: BOSCH
Artikelnummer: EB-0603035201-1608000079
nur Informationsartikel
Nie mehr lieferbar
keine Alternativen
Pos.
653
BOSCH Schutzhaube | Ersatzteile für S 10 | 1609200539
Hersteller: BOSCH
Artikelnummer: EB-0603035201-1609200539
nur Informationsartikel
Nie mehr lieferbar
keine Alternativen
Pos.
702
BOSCH Anschlagplatte | Ersatzteile für S 10 | 1602388019
Hersteller: BOSCH
Artikelnummer: EB-0603035201-1602388019
nur Informationsartikel
Nie mehr lieferbar
keine Alternativen
Pos.
702/02
BOSCH Torx-Senkschraube M4x20 | Ersatzteile für S 10 | 3603435051
Hersteller: BOSCH
Artikelnummer: EB-0603035201-3603435051
Netto: 3,93 € zzgl. MwSt.
zzgl. 6,90 € Versand (brutto)
einmalig pro Bestellung

Lieferzeit: 5 Werktage

Pos.
702/03
BOSCH Flügelmutter | Ersatzteile für S 10 | 2915191004
Hersteller: BOSCH
Artikelnummer: EB-0603035201-2915191004
nur Informationsartikel
Nie mehr lieferbar
keine Alternativen
Pos.
704
BOSCH Teilesatz | Ersatzteile für S 10 | 1607000104
Hersteller: BOSCH
Artikelnummer: EB-0603035201-1607000104
nur Informationsartikel
Nie mehr lieferbar
keine Alternativen
Pos.
705
BOSCH Teilesatz | Ersatzteile für S 10 | 1609200821
Hersteller: BOSCH
Artikelnummer: EB-0603035201-1609200821
nur Informationsartikel
Nie mehr lieferbar
keine Alternativen
Pos.
706
BOSCH Befestigungsplatte | Ersatzteile für S 10 | 1607000103
Hersteller: BOSCH
Artikelnummer: EB-0603035201-1607000103
nur Informationsartikel
Nie mehr lieferbar
keine Alternativen

Angaben zur Produktsicherheit

Hersteller:
Robert Bosch Power Tools GmbH
Postfach 30 02 20
70442 Stuttgart

E-Mail:
kontakt@bosch.de