BOSCH Unterlegscheibe DIN 125-A10,5-ST | Ersatzteile für SHO 160 | 2916011017

Artikelnummer: EB-0600700003-2916011017

Position: 97

Marke: BOSCH


Bitte Kompatibilität prüfen!

Bitte prüfen Sie unbedingt die 10-stellige Typennummer Ihrer Maschine / Ihres Gerätes. Das Ersatzteil ist nur kompatibel, wenn Sie die Typennummer Ihrer Maschine in der unten stehenden Produktbeschreibung finden.

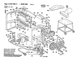
Bitte prüfen Sie ebenfalls detailliert die Explosionszeichnung mit Ihrem Artikelwunsch und der jeweiligen Pos-Nummer.

Alle Elemente, welche vom schwarzen Strich der Pos-Nummer ausgehend berührt / erfasst werden, gehören zu dieser Pos-Nummer und somit zu diesem Artikel. Jede Pos-Nummer ist ein eigenständiger Artikel, welchen Sie in der Auflistung finden.

Sie erhalten stets die aktuellste, neueste Produktversion zu der gewählten Pos-Nummer seitens des Herstellers. Es kann daher je nach Gerätealter vorkommen, dass Sie ggf. weitere, zugehörige Elemente, welche an diese Pos-Nummer grenzen, ebenfalls mittauschen müssen.

Nähere Informationen finden Sie unter dem Link
Hinweise zu Ihrer BOSCH Ersatzteilsuche

Preisübersicht

Einzelpreis: 3,94 €* (Brutto: 4,69 €)
Gesamtpreis: 3,94 €* 
Position:

Lieferzeit: 49 Werktage


Beschreibung

  • Unterlegscheibe DIN 125-A10,5-ST
  • Original Bosch Zubehör / BOSCH Ersatzteil (2916011017)
  • im Gerät verbaut: 1
Dieses BOSCH Ersatzteil ist mit folgendem Gerät und Modell kompatibel:
  • BOSCH Gerätename: SHO 160
  • BOSCH Explosionszeichnung: Position 97
  • BOSCH Typennummer: 0600700003
  • BOSCH Typennummer alternative Schreibweisen: 0 600 700 003, 0600 700 003, 0.600.700.003, 0-600-700-003
    Bitte prüfen Sie diese Typennummer auf Ihrem Gerät um die Kompatibilität des BOSCH Ersatzteils zu gewährleisten.
Weitere BOSCH Ersatzteile des Gerätes SHO 160 (Abricht/Dickenhobel) mit der Typennummer 0600700003 finden Sie in der nachfolgenden Darstellung und im Dropdown zu Ihrer Auswahl:

Pos.
1
BOSCH Anbaumotor | Ersatzteile für SHO 160 | 0601906603
Hersteller: BOSCH
Artikelnummer: EB-0600700003-0601906603
nur Informationsartikel
Nie mehr lieferbar
keine Alternativen
Pos.
1/80
BOSCH Typschild | Ersatzteile für SHO 160 | 160111A3H3
Hersteller: BOSCH
Artikelnummer: EB-0600700003-3601106003
Netto: 4,53 € zzgl. MwSt.
zzgl. 6,90 € Versand (brutto)
einmalig pro Bestellung

Lieferzeit: 5 Werktage

Pos.
1/10
BOSCH Motorgehäuse SCHWARZ | Ersatzteile für SHO 160 | 3605108069
Hersteller: BOSCH
Artikelnummer: EB-0600700003-3605108069
nur Informationsartikel
Nie mehr lieferbar
keine Alternativen
Pos.
1/110
BOSCH Spiralfeder | Ersatzteile für SHO 160 | 1604652006
Hersteller: BOSCH
Artikelnummer: EB-0600700003-1604652006
Netto: 3,94 € zzgl. MwSt.
zzgl. 6,90 € Versand (brutto)
einmalig pro Bestellung

Lieferzeit: 5 Werktage

Pos.
1/130
BOSCH Kugellager 7x19x6 | Ersatzteile für SHO 160 | 2600905032
Hersteller: BOSCH
Artikelnummer: EB-0600700003-2600905032
Netto: 6,15 € zzgl. MwSt.
zzgl. 6,90 € Versand (brutto)
einmalig pro Bestellung

Lieferzeit: 14 Werktage

Pos.
1/160
BOSCH Bürstenhalter | Ersatzteile für SHO 160 | 1607000189
Hersteller: BOSCH
Artikelnummer: EB-0600700003-3604336012
Netto: 6,45 € zzgl. MwSt.
zzgl. 6,90 € Versand (brutto)
einmalig pro Bestellung

Lieferzeit: 5 Werktage

Pos.
1/140
BOSCH Rillenkugellager 9x26x8 | Ersatzteile für SHO 160 | 1610905009
Hersteller: BOSCH
Artikelnummer: EB-0600700003-1610905009
nur Informationsartikel
Nie mehr lieferbar
keine Alternativen
Pos.
1/20
BOSCH Polschuh 220-230V | Ersatzteile für SHO 160 | 1604220354
Hersteller: BOSCH
Artikelnummer: EB-0600700003-1604220354
Netto: 29,45 € zzgl. MwSt.
zzgl. 6,90 € Versand (brutto)
einmalig pro Bestellung

Lieferzeit: 5 Werktage

Pos.
1/200
BOSCH Leitungsführung | Ersatzteile für SHO 160 | 1601025001
Hersteller: BOSCH
Artikelnummer: EB-0600700003-3601025003
Netto: 3,94 € zzgl. MwSt.
zzgl. 6,90 € Versand (brutto)
einmalig pro Bestellung

Lieferzeit: 5 Werktage

Pos.
1/210
BOSCH Flachstecker | Ersatzteile für SHO 160 | 1604477001
Hersteller: BOSCH
Artikelnummer: EB-0600700003-1604477001
Netto: 3,94 € zzgl. MwSt.
zzgl. 6,90 € Versand (brutto)
einmalig pro Bestellung

Lieferzeit: 5 Werktage

Pos.
1/220
BOSCH Zylinderschraube DIN 84-AM4x8-8.8 | Ersatzteile für SHO 160 | 2910021118
Hersteller: BOSCH
Artikelnummer: EB-0600700003-2910021118
Netto: 3,63 € zzgl. MwSt.
zzgl. 6,90 € Versand (brutto)
einmalig pro Bestellung

Lieferzeit: 5 Werktage

Pos.
1/230
BOSCH Lagerflansch | Ersatzteile für SHO 160 | 3605700083
Hersteller: BOSCH
Artikelnummer: EB-0600700003-3605700083
nur Informationsartikel
Nie mehr lieferbar
keine Alternativen
Pos.
1/240
BOSCH Riemenscheibe | Ersatzteile für SHO 160 | 3600300022
Hersteller: BOSCH
Artikelnummer: EB-0600700003-3600300022
nur Informationsartikel
Nie mehr lieferbar
keine Alternativen
Pos.
1/280
BOSCH Verbindungsleitung | Ersatzteile für SHO 160 | 3604431017
Hersteller: BOSCH
Artikelnummer: EB-0600700003-3604431017
nur Informationsartikel
Nie mehr lieferbar
keine Alternativen
Pos.
1/290
BOSCH Luftleitring | Ersatzteile für SHO 160 | 1600502014
Hersteller: BOSCH
Artikelnummer: EB-0600700003-1600502014
nur Informationsartikel
Nie mehr lieferbar
keine Alternativen
Pos.
1/30
BOSCH Anker 220V | Ersatzteile für SHO 160 | 3604010018
Hersteller: BOSCH
Artikelnummer: EB-0600700003-3604010018
nur Informationsartikel
Nie mehr lieferbar
keine Alternativen
Pos.
1/30/50
BOSCH Lüfter | Ersatzteile für SHO 160 | 1606610122
Hersteller: BOSCH
Artikelnummer: EB-0600700003-1606610122
Netto: 4,82 € zzgl. MwSt.
zzgl. 6,90 € Versand (brutto)
einmalig pro Bestellung

Lieferzeit: 5 Werktage

Pos.
1/300
BOSCH Druckfeder | Ersatzteile für SHO 160 | 1604613006
Hersteller: BOSCH
Artikelnummer: EB-0600700003-1604613006
Netto: 3,94 € zzgl. MwSt.
zzgl. 6,90 € Versand (brutto)
einmalig pro Bestellung

Lieferzeit: 5 Werktage

Pos.
1/310
BOSCH Verschlussdeckel BLAU | Ersatzteile für SHO 160 | 1605500089
Hersteller: BOSCH
Artikelnummer: EB-0600700003-1605500089
nur Informationsartikel
Nie mehr lieferbar
keine Alternativen
Pos.
1/320
BOSCH Zwischenring | Ersatzteile für SHO 160 | 1600502011
Hersteller: BOSCH
Artikelnummer: EB-0600700003-1600502011
Netto: 4,53 € zzgl. MwSt.
zzgl. 6,90 € Versand (brutto)
einmalig pro Bestellung

Lieferzeit: 5 Werktage

Pos.
1/330
BOSCH Verschlussdeckel | Ersatzteile für SHO 160 | 3605500049
Hersteller: BOSCH
Artikelnummer: EB-0600700003-3605500049
nur Informationsartikel
Nie mehr lieferbar
keine Alternativen
Pos.
1/340
BOSCH Verbindungsleitung L=290 MM WEISS | Ersatzteile für SHO 160 | 1604438017
Hersteller: BOSCH
Artikelnummer: EB-0600700003-1604438017
Netto: 4,83 € zzgl. MwSt.
zzgl. 6,90 € Versand (brutto)
einmalig pro Bestellung

Lieferzeit: 5 Werktage

Pos.
1/350
BOSCH Drehzahlregler 230-240V | Ersatzteile für SHO 160 | 3608300009
Hersteller: BOSCH
Artikelnummer: EB-0600700003-3608300009
nur Informationsartikel
Nie mehr lieferbar
keine Alternativen
Pos.
1/360
BOSCH Blechschraube DIN 7971-ST3,9x16-F | Ersatzteile für SHO 160 | 2910211019
Hersteller: BOSCH
Artikelnummer: EB-0600700003-2910211019
Netto: 3,63 € zzgl. MwSt.
zzgl. 6,90 € Versand (brutto)
einmalig pro Bestellung

Lieferzeit: 5 Werktage

Pos.
1/370
BOSCH Blechschraube DIN 7971-ST3,9x13-F | Ersatzteile für SHO 160 | 2910211018
Hersteller: BOSCH
Artikelnummer: EB-0600700003-2910211018
Netto: 3,63 € zzgl. MwSt.
zzgl. 6,90 € Versand (brutto)
einmalig pro Bestellung

Lieferzeit: 5 Werktage

Pos.
1/390
BOSCH Schraube B 4,8x45 MM | Ersatzteile für SHO 160 | 3603415560
Hersteller: BOSCH
Artikelnummer: EB-0600700003-3603415560
Netto: 3,63 € zzgl. MwSt.
zzgl. 6,90 € Versand (brutto)
einmalig pro Bestellung

Lieferzeit: 5 Werktage

Pos.
1/410
BOSCH Tülle | Ersatzteile für SHO 160 | 3600312005
Hersteller: BOSCH
Artikelnummer: EB-0600700003-3600312005
nur Informationsartikel
Nie mehr lieferbar
keine Alternativen
Pos.
1/420
BOSCH Sicherungsblech | Ersatzteile für SHO 160 | 1601030022
Hersteller: BOSCH
Artikelnummer: EB-0600700003-1601030022
Netto: 3,94 € zzgl. MwSt.
zzgl. 6,90 € Versand (brutto)
einmalig pro Bestellung

Lieferzeit: 5 Werktage

Pos.
1/80
BOSCH Typschild 26x52 MM | Ersatzteile für SHO 160 | 1601106032
Hersteller: BOSCH
Artikelnummer: EB-0600700003-1601106032
nur Informationsartikel
Nie mehr lieferbar
keine Alternativen
Pos.
1/810
BOSCH Kohlebürste | Ersatzteile für SHO 160 | 1607014125
Hersteller: BOSCH
Artikelnummer: EB-0600700003-1607014125
nur Informationsartikel
Nie mehr lieferbar
keine Alternativen
Pos.
1/90
BOSCH Firmenschild | Ersatzteile für SHO 160 | 1601110545
Hersteller: BOSCH
Artikelnummer: EB-0600700003-1601110545
nur Informationsartikel
Nie mehr lieferbar
keine Alternativen
Pos.
1/90
BOSCH Klebeschild | Ersatzteile für SHO 160 | 1601110046
Hersteller: BOSCH
Artikelnummer: EB-0600700003-1601110046
nur Informationsartikel
Nie mehr lieferbar
keine Alternativen
Pos.
2
BOSCH Abdeckhaube | Ersatzteile für SHO 160 | 1609201822
Hersteller: BOSCH
Artikelnummer: EB-0600700003-1609201822
nur Informationsartikel
Nie mehr lieferbar
keine Alternativen
Pos.
3
BOSCH Hobelwelle | Ersatzteile für SHO 160 | 1609201823
Hersteller: BOSCH
Artikelnummer: EB-0600700003-1609201823
nur Informationsartikel
Nie mehr lieferbar
keine Alternativen
Pos.
4
BOSCH Spannbacken | Ersatzteile für SHO 160 | 1609201824
Hersteller: BOSCH
Artikelnummer: EB-0600700003-1609201824
nur Informationsartikel
Nie mehr lieferbar
keine Alternativen
Pos.
4/20
BOSCH Spiralspannstift DIN 7346 5x8 | Ersatzteile für SHO 160 | 2917780116
Hersteller: BOSCH
Artikelnummer: EB-0600700003-2917780116
nur Informationsartikel
Nie mehr lieferbar
keine Alternativen
Pos.
4/30
BOSCH Tischplatte | Ersatzteile für SHO 160 | 1609201825
Hersteller: BOSCH
Artikelnummer: EB-0600700003-1609201825
nur Informationsartikel
Nie mehr lieferbar
keine Alternativen
Pos.
4/40
BOSCH Gewindestift 5x8 MM | Ersatzteile für SHO 160 | 1609202233
Hersteller: BOSCH
Artikelnummer: EB-0600700003-1609202233
nur Informationsartikel
Nie mehr lieferbar
keine Alternativen
Pos.
6
BOSCH Tischplatte | Ersatzteile für SHO 160 | 1609201826
Hersteller: BOSCH
Artikelnummer: EB-0600700003-1609201826
nur Informationsartikel
Nie mehr lieferbar
keine Alternativen
Pos.
7
BOSCH Spannhebel | Ersatzteile für SHO 160 | 1609201827
Hersteller: BOSCH
Artikelnummer: EB-0600700003-1609201827
nur Informationsartikel
Nie mehr lieferbar
keine Alternativen
Pos.
8
BOSCH Gehäuserückteil | Ersatzteile für SHO 160 | 1609201828
Hersteller: BOSCH
Artikelnummer: EB-0600700003-1609201828
nur Informationsartikel
Nie mehr lieferbar
keine Alternativen
Pos.
9
BOSCH Gewindespindel M6 | Ersatzteile für SHO 160 | 1609201829
Hersteller: BOSCH
Artikelnummer: EB-0600700003-1609201829
nur Informationsartikel
Nie mehr lieferbar
keine Alternativen
Pos.
12
BOSCH Tischplatte | Ersatzteile für SHO 160 | 1609201830
Hersteller: BOSCH
Artikelnummer: EB-0600700003-1609201830
nur Informationsartikel
Nie mehr lieferbar
keine Alternativen
Pos.
13
BOSCH Tischplatte | Ersatzteile für SHO 160 | 1609201831
Hersteller: BOSCH
Artikelnummer: EB-0600700003-1609201831
nur Informationsartikel
Nie mehr lieferbar
keine Alternativen
Pos.
16
BOSCH Führungsschiene | Ersatzteile für SHO 160 | 1609201832
Hersteller: BOSCH
Artikelnummer: EB-0600700003-1609201832
nur Informationsartikel
Nie mehr lieferbar
keine Alternativen
Pos.
17
BOSCH Gehäusevorderteil | Ersatzteile für SHO 160 | 1609201833
Hersteller: BOSCH
Artikelnummer: EB-0600700003-1609201833
nur Informationsartikel
Nie mehr lieferbar
keine Alternativen
Pos.
19
BOSCH Kettenrad Z=7 | Ersatzteile für SHO 160 | 1609201834
Hersteller: BOSCH
Artikelnummer: EB-0600700003-1609201834
nur Informationsartikel
Nie mehr lieferbar
keine Alternativen
Pos.
20
BOSCH Kettenrad Z=6 | Ersatzteile für SHO 160 | 1609201835
Hersteller: BOSCH
Artikelnummer: EB-0600700003-1609201835
nur Informationsartikel
Nie mehr lieferbar
keine Alternativen
Pos.
21
BOSCH Kettenrad Z=12 | Ersatzteile für SHO 160 | 1609201836
Hersteller: BOSCH
Artikelnummer: EB-0600700003-1609201836
nur Informationsartikel
Nie mehr lieferbar
keine Alternativen
Pos.
23
BOSCH Distanzscheibe | Ersatzteile für SHO 160 | 1609201837
Hersteller: BOSCH
Artikelnummer: EB-0600700003-1609201837
nur Informationsartikel
Nie mehr lieferbar
keine Alternativen
Pos.
24
BOSCH Lagerschale | Ersatzteile für SHO 160 | 1609201838
Hersteller: BOSCH
Artikelnummer: EB-0600700003-1609201838
nur Informationsartikel
Nie mehr lieferbar
keine Alternativen
Pos.
25
BOSCH Leitblech | Ersatzteile für SHO 160 | 1609201839
Hersteller: BOSCH
Artikelnummer: EB-0600700003-1609201839
nur Informationsartikel
Nie mehr lieferbar
keine Alternativen
Pos.
26
BOSCH Sperrklinke | Ersatzteile für SHO 160 | 1609201840
Hersteller: BOSCH
Artikelnummer: EB-0600700003-1609201840
nur Informationsartikel
Nie mehr lieferbar
keine Alternativen
Pos.
27
BOSCH Unterlegscheibe | Ersatzteile für SHO 160 | 1609202232
Hersteller: BOSCH
Artikelnummer: EB-0600700003-1609202232
nur Informationsartikel
Nie mehr lieferbar
keine Alternativen
Pos.
28
BOSCH Haltewinkel | Ersatzteile für SHO 160 | 1609202245
Hersteller: BOSCH
Artikelnummer: EB-0600700003-1609202245
nur Informationsartikel
Nie mehr lieferbar
keine Alternativen
Pos.
32
BOSCH Lagerbuchse | Ersatzteile für SHO 160 | 1609201841
Hersteller: BOSCH
Artikelnummer: EB-0600700003-1609201841
nur Informationsartikel
Nie mehr lieferbar
keine Alternativen
Pos.
33
BOSCH Schutzhaube | Ersatzteile für SHO 160 | 1609201842
Hersteller: BOSCH
Artikelnummer: EB-0600700003-1609201842
nur Informationsartikel
Nie mehr lieferbar
keine Alternativen
Pos.
34
BOSCH Riemenscheibe Z=16 | Ersatzteile für SHO 160 | 1609201843
Hersteller: BOSCH
Artikelnummer: EB-0600700003-1609201843
nur Informationsartikel
Nie mehr lieferbar
keine Alternativen
Pos.
35
BOSCH Zahnrad Z=86 | Ersatzteile für SHO 160 | 1609201844
Hersteller: BOSCH
Artikelnummer: EB-0600700003-1609201844
nur Informationsartikel
Nie mehr lieferbar
keine Alternativen
Pos.
36
BOSCH Gehäusedeckel | Ersatzteile für SHO 160 | 1609201845
Hersteller: BOSCH
Artikelnummer: EB-0600700003-1609201845
nur Informationsartikel
Nie mehr lieferbar
keine Alternativen
Pos.
38
BOSCH Zeiger | Ersatzteile für SHO 160 | 1609201846
Hersteller: BOSCH
Artikelnummer: EB-0600700003-1609201846
nur Informationsartikel
Nie mehr lieferbar
keine Alternativen
Pos.
39
BOSCH Gehäusedeckel | Ersatzteile für SHO 160 | 1609201847
Hersteller: BOSCH
Artikelnummer: EB-0600700003-1609201847
nur Informationsartikel
Nie mehr lieferbar
keine Alternativen
Pos.
40
BOSCH Halteklammer | Ersatzteile für SHO 160 | 1609201848
Hersteller: BOSCH
Artikelnummer: EB-0600700003-1609201848
nur Informationsartikel
Nie mehr lieferbar
keine Alternativen
Pos.
45
BOSCH Gewindespindel TR 12x3 | Ersatzteile für SHO 160 | 1609201849
Hersteller: BOSCH
Artikelnummer: EB-0600700003-1609201849
nur Informationsartikel
Nie mehr lieferbar
keine Alternativen
Pos.
46
BOSCH Gewindespindel TR 12x3 | Ersatzteile für SHO 160 | 1609201850
Hersteller: BOSCH
Artikelnummer: EB-0600700003-1609201850
nur Informationsartikel
Nie mehr lieferbar
keine Alternativen
Pos.
47
BOSCH Einzugwalze | Ersatzteile für SHO 160 | 1609201851
Hersteller: BOSCH
Artikelnummer: EB-0600700003-1609201851
nur Informationsartikel
Nie mehr lieferbar
keine Alternativen
Pos.
48
BOSCH Vorschubwalze | Ersatzteile für SHO 160 | 1609201852
Hersteller: BOSCH
Artikelnummer: EB-0600700003-1609201852
nur Informationsartikel
Nie mehr lieferbar
keine Alternativen
Pos.
49
BOSCH Strebe M5 | Ersatzteile für SHO 160 | 1609201853
Hersteller: BOSCH
Artikelnummer: EB-0600700003-1609201853
nur Informationsartikel
Nie mehr lieferbar
keine Alternativen
Pos.
50
BOSCH Distanzhülse | Ersatzteile für SHO 160 | 1609201854
Hersteller: BOSCH
Artikelnummer: EB-0600700003-1609201854
nur Informationsartikel
Nie mehr lieferbar
keine Alternativen
Pos.
51
BOSCH Achse | Ersatzteile für SHO 160 | 1609201855
Hersteller: BOSCH
Artikelnummer: EB-0600700003-1609201855
nur Informationsartikel
Nie mehr lieferbar
keine Alternativen
Pos.
52
BOSCH Distanzhülse | Ersatzteile für SHO 160 | 1609201856
Hersteller: BOSCH
Artikelnummer: EB-0600700003-1609201856
nur Informationsartikel
Nie mehr lieferbar
keine Alternativen
Pos.
53
BOSCH Haltebolzen | Ersatzteile für SHO 160 | 1609201857
Hersteller: BOSCH
Artikelnummer: EB-0600700003-1609201857
nur Informationsartikel
Nie mehr lieferbar
keine Alternativen
Pos.
54
BOSCH Achse | Ersatzteile für SHO 160 | 1609201858
Hersteller: BOSCH
Artikelnummer: EB-0600700003-1609201858
nur Informationsartikel
Nie mehr lieferbar
keine Alternativen
Pos.
55
BOSCH Distanzhülse | Ersatzteile für SHO 160 | 1609201859
Hersteller: BOSCH
Artikelnummer: EB-0600700003-1609201859
nur Informationsartikel
Nie mehr lieferbar
keine Alternativen
Pos.
60
BOSCH Anschlag 90° | Ersatzteile für SHO 160 | 1609201860
Hersteller: BOSCH
Artikelnummer: EB-0600700003-1609201860
nur Informationsartikel
Nie mehr lieferbar
keine Alternativen
Pos.
65
BOSCH Gummipuffer | Ersatzteile für SHO 160 | 1609201862
Hersteller: BOSCH
Artikelnummer: EB-0600700003-1609201862
nur Informationsartikel
Nie mehr lieferbar
keine Alternativen
Pos.
67
BOSCH Zugfeder | Ersatzteile für SHO 160 | 1609201863
Hersteller: BOSCH
Artikelnummer: EB-0600700003-1609201863
nur Informationsartikel
Nie mehr lieferbar
keine Alternativen
Pos.
68
BOSCH Zugfeder | Ersatzteile für SHO 160 | 1609201864
Hersteller: BOSCH
Artikelnummer: EB-0600700003-1609201864
nur Informationsartikel
Nie mehr lieferbar
keine Alternativen
Pos.
70
BOSCH Schutzhaube | Ersatzteile für SHO 160 | 1609201865
Hersteller: BOSCH
Artikelnummer: EB-0600700003-1609201865
nur Informationsartikel
Nie mehr lieferbar
keine Alternativen
Pos.
71
BOSCH Riemenscheibe | Ersatzteile für SHO 160 | 1609201866
Hersteller: BOSCH
Artikelnummer: EB-0600700003-1609201866
nur Informationsartikel
Nie mehr lieferbar
keine Alternativen
Pos.
72
BOSCH Führungsbuchse | Ersatzteile für SHO 160 | 1609201867
Hersteller: BOSCH
Artikelnummer: EB-0600700003-1609201867
nur Informationsartikel
Nie mehr lieferbar
keine Alternativen
Pos.
75
BOSCH Hinweisschild | Ersatzteile für SHO 160 | 1601110532
Hersteller: BOSCH
Artikelnummer: EB-0600700003-1601110532
nur Informationsartikel
Nie mehr lieferbar
keine Alternativen
Pos.
76
BOSCH Hinweisschild | Ersatzteile für SHO 160 | 1601110533
Hersteller: BOSCH
Artikelnummer: EB-0600700003-1601110533
nur Informationsartikel
Nie mehr lieferbar
keine Alternativen
Pos.
78
BOSCH Gewindefurchschraube M4x8 | Ersatzteile für SHO 160 | 2603410048
Hersteller: BOSCH
Artikelnummer: EB-0600700003-2603410048
Netto: 3,94 € zzgl. MwSt.
zzgl. 6,90 € Versand (brutto)
einmalig pro Bestellung

Lieferzeit: 5 Werktage

Pos.
79
BOSCH Zylinderschraube M5x5 | Ersatzteile für SHO 160 | 1609201868
Hersteller: BOSCH
Artikelnummer: EB-0600700003-1609201868
nur Informationsartikel
Nie mehr lieferbar
keine Alternativen
Pos.
80
BOSCH Gewindefurchschraube DIN 7500 CM 5x8 | Ersatzteile für SHO 160 | 2914411056
Hersteller: BOSCH
Artikelnummer: EB-0600700003-2914411056
nur Informationsartikel
Nie mehr lieferbar
keine Alternativen
Pos.
81
BOSCH Zylinderschraube DIN 7500 CM 4x20 | Ersatzteile für SHO 160 | 2914411051
Hersteller: BOSCH
Artikelnummer: EB-0600700003-2914411051
nur Informationsartikel
Nie mehr lieferbar
keine Alternativen
Pos.
82
BOSCH Gewindefurchschraube DIN 7500 CM 5x16 | Ersatzteile für SHO 160 | 2914411060
Hersteller: BOSCH
Artikelnummer: EB-0600700003-2914411060
nur Informationsartikel
Nie mehr lieferbar
keine Alternativen
Pos.
83
BOSCH Gewindefurchschraube DIN 7500 AM 6x10 | Ersatzteile für SHO 160 | 2914401070
Hersteller: BOSCH
Artikelnummer: EB-0600700003-2914401070
nur Informationsartikel
Nie mehr lieferbar
keine Alternativen
Pos.
84
BOSCH Gewindefurchschraube | Ersatzteile für SHO 160 | 2603435042
Hersteller: BOSCH
Artikelnummer: EB-0600700003-2603435042
Netto: 3,94 € zzgl. MwSt.
zzgl. 6,90 € Versand (brutto)
einmalig pro Bestellung

Lieferzeit: 5 Werktage

Pos.
85
BOSCH Sechskantschraube DIN 933 8x16-8.8 | Ersatzteile für SHO 160 | 2911061238
Hersteller: BOSCH
Artikelnummer: EB-0600700003-2911061238
nur Informationsartikel
Nie mehr lieferbar
keine Alternativen
Pos.
86
BOSCH Gewindefurchschraube DIN 7500-M5x10MM | Ersatzteile für SHO 160 | 2914411057
Hersteller: BOSCH
Artikelnummer: EB-0600700003-2914411057
nur Informationsartikel
Nie mehr lieferbar
keine Alternativen
Pos.
87
BOSCH Blechschraube DIN 7981 ST 3,9x19-F-H | Ersatzteile für SHO 160 | 2910611420
Hersteller: BOSCH
Artikelnummer: EB-0600700003-2910611420
nur Informationsartikel
Nie mehr lieferbar
keine Alternativen
Pos.
88
BOSCH Kreuzschlitzschraube DIN 7981-ST 3,9x13-F-H | Ersatzteile für SHO 160 | 2910611418
Hersteller: BOSCH
Artikelnummer: EB-0600700003-2910611418
nur Informationsartikel
Nie mehr lieferbar
keine Alternativen
Pos.
89
BOSCH Blechschraube BZ4,8x63 MM | Ersatzteile für SHO 160 | 1603435008
Hersteller: BOSCH
Artikelnummer: EB-0600700003-1603435008
Netto: 3,75 € zzgl. MwSt.
zzgl. 6,90 € Versand (brutto)
einmalig pro Bestellung

Lieferzeit: 5 Werktage

Pos.
90
BOSCH Sechskantmutter DIN 934-M 5-m-8 | Ersatzteile für SHO 160 | 2915011006
Hersteller: BOSCH
Artikelnummer: EB-0600700003-2915011006
nur Informationsartikel
Nie mehr lieferbar
keine Alternativen
Pos.
91
BOSCH Sechskantmutter M5 | Ersatzteile für SHO 160 | 1609201873
Hersteller: BOSCH
Artikelnummer: EB-0600700003-1609201873
nur Informationsartikel
Nie mehr lieferbar
keine Alternativen
Pos.
92
BOSCH Sechskantmutter DIN 439-AM6-04 | Ersatzteile für SHO 160 | 2915051106
Hersteller: BOSCH
Artikelnummer: EB-0600700003-2915051106
Netto: 3,60 € zzgl. MwSt.
zzgl. 6,90 € Versand (brutto)
einmalig pro Bestellung

Lieferzeit: 5 Werktage

Pos.
93
BOSCH Sechskantmutter | Ersatzteile für SHO 160 | 1609202234
Hersteller: BOSCH
Artikelnummer: EB-0600700003-1609202234
nur Informationsartikel
Nie mehr lieferbar
keine Alternativen
Pos.
94
BOSCH Distanzscheibe | Ersatzteile für SHO 160 | 1609202235
Hersteller: BOSCH
Artikelnummer: EB-0600700003-1609202235
nur Informationsartikel
Nie mehr lieferbar
keine Alternativen
Pos.
95
BOSCH Passscheibe | Ersatzteile für SHO 160 | 1609201874
Hersteller: BOSCH
Artikelnummer: EB-0600700003-1609201874
nur Informationsartikel
Nie mehr lieferbar
keine Alternativen
Pos.
96
BOSCH Unterlegscheibe DIN 9021-B 8,4-ST | Ersatzteile für SHO 160 | 2916011895
Hersteller: BOSCH
Artikelnummer: EB-0600700003-2916011895
Netto: 3,63 € zzgl. MwSt.
zzgl. 6,90 € Versand (brutto)
einmalig pro Bestellung

Lieferzeit: 5 Werktage

Pos.
97
BOSCH Unterlegscheibe DIN 125-A10,5-ST | Ersatzteile für SHO 160 | 2916011017
Hersteller: BOSCH
Artikelnummer: EB-0600700003-2916011017
Netto: 3,94 € zzgl. MwSt.
zzgl. 6,90 € Versand (brutto)
einmalig pro Bestellung

Lieferzeit: 49 Werktage

Pos.
98
BOSCH Unterlegscheibe DIN 433-5,3-ST | Ersatzteile für SHO 160 | 2916011011
Hersteller: BOSCH
Artikelnummer: EB-0600700003-2916011011
Netto: 3,94 € zzgl. MwSt.
zzgl. 6,90 € Versand (brutto)
einmalig pro Bestellung

Lieferzeit: 5 Werktage

Pos.
99
BOSCH Sicherungsscheibe Ø5 MM | Ersatzteile für SHO 160 | 1609202066
Hersteller: BOSCH
Artikelnummer: EB-0600700003-1609202066
nur Informationsartikel
Nie mehr lieferbar
keine Alternativen
Pos.
101
BOSCH Federring DIN 127-A 8 | Ersatzteile für SHO 160 | 2916680035
Hersteller: BOSCH
Artikelnummer: EB-0600700003-2916680035
nur Informationsartikel
Nie mehr lieferbar
keine Alternativen
Pos.
102
BOSCH Sicherungsring DIN 471-6x0,7-FSt | Ersatzteile für SHO 160 | 2916640003
Hersteller: BOSCH
Artikelnummer: EB-0600700003-2916640003
Netto: 3,63 € zzgl. MwSt.
zzgl. 6,90 € Versand (brutto)
einmalig pro Bestellung

Lieferzeit: 5 Werktage

Pos.
103
BOSCH Sicherungsring DIN 471-12x1-FSt | Ersatzteile für SHO 160 | 2916650003
Hersteller: BOSCH
Artikelnummer: EB-0600700003-2916650003
Netto: 3,94 € zzgl. MwSt.
zzgl. 6,90 € Versand (brutto)
einmalig pro Bestellung

Lieferzeit: 5 Werktage

Pos.
104
BOSCH Sicherungsring DIN 471-10x1MM-FSt | Ersatzteile für SHO 160 | 2916650001
Hersteller: BOSCH
Artikelnummer: EB-0600700003-2916650001
Netto: 4,53 € zzgl. MwSt.
zzgl. 6,90 € Versand (brutto)
einmalig pro Bestellung

Lieferzeit: 5 Werktage

Pos.
106
BOSCH Nadelbüchse | Ersatzteile für SHO 160 | 1600910019
Hersteller: BOSCH
Artikelnummer: EB-0600700003-1600910019
nur Informationsartikel
Nie mehr lieferbar
keine Alternativen
Pos.
107
BOSCH Rillenkugellager 10x26x8 | Ersatzteile für SHO 160 | 1900905120
Hersteller: BOSCH
Artikelnummer: EB-0600700003-1900905120
nur Informationsartikel
Nie mehr lieferbar
keine Alternativen
Pos.
109
BOSCH Kette | Ersatzteile für SHO 160 | 1609202236
Hersteller: BOSCH
Artikelnummer: EB-0600700003-1609202236
nur Informationsartikel
Nie mehr lieferbar
keine Alternativen
Pos.
110
BOSCH Kabelklemme | Ersatzteile für SHO 160 | 1609202237
Hersteller: BOSCH
Artikelnummer: EB-0600700003-1609202237
nur Informationsartikel
Nie mehr lieferbar
keine Alternativen
Pos.
111
BOSCH Gelenkkette | Ersatzteile für SHO 160 | 1609201877
Hersteller: BOSCH
Artikelnummer: EB-0600700003-1609201877
nur Informationsartikel
Nie mehr lieferbar
keine Alternativen
Pos.
112
BOSCH Gelenkkette | Ersatzteile für SHO 160 | 1609201878
Hersteller: BOSCH
Artikelnummer: EB-0600700003-1609201878
nur Informationsartikel
Nie mehr lieferbar
keine Alternativen
Pos.
113
BOSCH Flachriemen 586x15 MM | Ersatzteile für SHO 160 | 1609201879
Hersteller: BOSCH
Artikelnummer: EB-0600700003-1609201879
nur Informationsartikel
Nie mehr lieferbar
keine Alternativen
Pos.
114
BOSCH Flachriemen 160x10x3 MM | Ersatzteile für SHO 160 | 1609201880
Hersteller: BOSCH
Artikelnummer: EB-0600700003-1609201880
nur Informationsartikel
Nie mehr lieferbar
keine Alternativen
Pos.
115
BOSCH Befestigungsschelle | Ersatzteile für SHO 160 | 1609202238
Hersteller: BOSCH
Artikelnummer: EB-0600700003-1609202238
nur Informationsartikel
Nie mehr lieferbar
keine Alternativen
Pos.
116
BOSCH Zugentlastung | Ersatzteile für SHO 160 | 1609201881
Hersteller: BOSCH
Artikelnummer: EB-0600700003-1609201881
nur Informationsartikel
Nie mehr lieferbar
keine Alternativen
Pos.
117
BOSCH Ein/Aus-Schalter | Ersatzteile für SHO 160 | 1609201882
Hersteller: BOSCH
Artikelnummer: EB-0600700003-1609201882
nur Informationsartikel
Nie mehr lieferbar
keine Alternativen
Pos.
117/100
BOSCH Blechschraube DIN 7971-B4,8x19 | Ersatzteile für SHO 160 | 2910211234
Hersteller: BOSCH
Artikelnummer: EB-0600700003-2910211234
Netto: 3,94 € zzgl. MwSt.
zzgl. 6,90 € Versand (brutto)
einmalig pro Bestellung

Lieferzeit: 5 Werktage

Pos.
117/70
BOSCH Netzanschlussleitung EU 4,15m 2 x 1,0mm H07 RN-F | Ersatzteile für SHO 160 | 1607000227
Hersteller: BOSCH
Artikelnummer: EB-0600700003-1607000227
Netto: 21,16 € zzgl. MwSt.
zzgl. 6,90 € Versand (brutto)
einmalig pro Bestellung

Lieferzeit: 5 Werktage

Pos.
118
BOSCH Entstörfilter | Ersatzteile für SHO 160 | 1607328034
Hersteller: BOSCH
Artikelnummer: EB-0600700003-1607328034
Netto: 5,67 € zzgl. MwSt.
zzgl. 6,90 € Versand (brutto)
einmalig pro Bestellung

Lieferzeit: 5 Werktage

Pos.
119
BOSCH Klemmenleiste | Ersatzteile für SHO 160 | 1609201883
Hersteller: BOSCH
Artikelnummer: EB-0600700003-1609201883
nur Informationsartikel
Nie mehr lieferbar
keine Alternativen
Pos.
120
BOSCH Tülle | Ersatzteile für SHO 160 | 1609202282
Hersteller: BOSCH
Artikelnummer: EB-0600700003-1609202282
nur Informationsartikel
Nie mehr lieferbar
keine Alternativen
Pos.
650
BOSCH Einmaulschlüssel | Ersatzteile für SHO 160 | 2607950504
Hersteller: BOSCH
Artikelnummer: EB-0600700003-2607950504
Netto: 4,32 € zzgl. MwSt.
zzgl. 6,90 € Versand (brutto)
einmalig pro Bestellung

Lieferzeit: 5 Werktage

Pos.
651
BOSCH Handkurbel | Ersatzteile für SHO 160 | 1609201884
Hersteller: BOSCH
Artikelnummer: EB-0600700003-1609201884
nur Informationsartikel
Nie mehr lieferbar
keine Alternativen
Pos.
651/10
BOSCH Hinweisschild | Ersatzteile für SHO 160 | 1601110531
Hersteller: BOSCH
Artikelnummer: EB-0600700003-1601110531
nur Informationsartikel
Nie mehr lieferbar
keine Alternativen
Pos.
652
BOSCH Absaugvorrichtung | Ersatzteile für SHO 160 | 1609201819
Hersteller: BOSCH
Artikelnummer: EB-0600700003-1609201819
nur Informationsartikel
Nie mehr lieferbar
keine Alternativen
Pos.
656
BOSCH Winkelschraubendreher DIN 911 SW2,5 | Ersatzteile für SHO 160 | 1907950003
Hersteller: BOSCH
Artikelnummer: EB-0600700003-1907950003
Netto: 4,53 € zzgl. MwSt.
zzgl. 6,90 € Versand (brutto)
einmalig pro Bestellung

Lieferzeit: 5 Werktage

Pos.
701
BOSCH Gleitmittel 100 GR. | Ersatzteile für SHO 160 | 1609201816
Hersteller: BOSCH
Artikelnummer: EB-0600700003-1609201816
nur Informationsartikel
Nie mehr lieferbar
keine Alternativen
Pos.
702
BOSCH Druckstück | Ersatzteile für SHO 160 | 1609201815
Hersteller: BOSCH
Artikelnummer: EB-0600700003-1609201815
nur Informationsartikel
Nie mehr lieferbar
keine Alternativen
Pos.
703
BOSCH Messersatz | Ersatzteile für SHO 160 | 1609201817
Hersteller: BOSCH
Artikelnummer: EB-0600700003-1609201817
nur Informationsartikel
Nie mehr lieferbar
keine Alternativen
Pos.
704
BOSCH Anschlag 45-90° | Ersatzteile für SHO 160 | 1609201821
Hersteller: BOSCH
Artikelnummer: EB-0600700003-1609201821
nur Informationsartikel
Nie mehr lieferbar
keine Alternativen
Pos.
710
BOSCH Untergestell | Ersatzteile für SHO 160 | 1609201814
Hersteller: BOSCH
Artikelnummer: EB-0600700003-1609201814
nur Informationsartikel
Nie mehr lieferbar
keine Alternativen

Angaben zur Produktsicherheit

Hersteller:
Robert Bosch Power Tools GmbH
Postfach 30 02 20
70442 Stuttgart

E-Mail:
kontakt@bosch.de