BOSCH Schraube | Ersatzteile für SPT77WML | 1619X06749

Artikelnummer: EB-F012771200-1619X06749

Position: 91

Marke: BOSCH


Bitte Kompatibilität prüfen!

Bitte prüfen Sie unbedingt die 10-stellige Typennummer Ihrer Maschine / Ihres Gerätes. Das Ersatzteil ist nur kompatibel, wenn Sie die Typennummer Ihrer Maschine in der unten stehenden Produktbeschreibung finden.

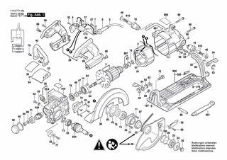
Bitte prüfen Sie ebenfalls detailliert die Explosionszeichnung mit Ihrem Artikelwunsch und der jeweiligen Pos-Nummer.

Alle Elemente, welche vom schwarzen Strich der Pos-Nummer ausgehend berührt / erfasst werden, gehören zu dieser Pos-Nummer und somit zu diesem Artikel. Jede Pos-Nummer ist ein eigenständiger Artikel, welchen Sie in der Auflistung finden.

Sie erhalten stets die aktuellste, neueste Produktversion zu der gewählten Pos-Nummer seitens des Herstellers. Es kann daher je nach Gerätealter vorkommen, dass Sie ggf. weitere, zugehörige Elemente, welche an diese Pos-Nummer grenzen, ebenfalls mittauschen müssen.

Nähere Informationen finden Sie unter dem Link
Hinweise zu Ihrer BOSCH Ersatzteilsuche

Preisübersicht

Einzelpreis: 3,63 €* (Brutto: 4,32 €)
Gesamtpreis: 3,63 €* 
Position:

Lieferzeit: 5 Werktage


Beschreibung

  • Schraube
  • Original Bosch Zubehör / BOSCH Ersatzteil (1619X06749)
  • im Gerät verbaut: 1
Dieses BOSCH Ersatzteil ist mit folgendem Gerät und Modell kompatibel:
  • BOSCH Gerätename: SPT77WML
  • BOSCH Explosionszeichnung: Position 91
  • BOSCH Typennummer: F012771200
  • BOSCH Typennummer alternative Schreibweisen: F 012 771 200, F012 771 200, F.012.771.200, F-012-771-200
    Bitte prüfen Sie diese Typennummer auf Ihrem Gerät um die Kompatibilität des BOSCH Ersatzteils zu gewährleisten.
Weitere BOSCH Ersatzteile des Gerätes SPT77WML (Kreissäge) mit der Typennummer F012771200 finden Sie in der nachfolgenden Darstellung und im Dropdown zu Ihrer Auswahl:

Pos.
25/4
BOSCH O-Ring | Ersatzteile für SPT77WML | 1616B10364
Hersteller: BOSCH
Artikelnummer: EB-F012771200-1616B10364
nur Informationsartikel
Nie mehr lieferbar
keine Alternativen
Pos.
2
BOSCH Polschuh 115V | Ersatzteile für SPT77WML | 1619P08102
Hersteller: BOSCH
Artikelnummer: EB-F012771200-1619P08102
Netto: 26,41 € zzgl. MwSt.
zzgl. 6,90 € Versand (brutto)
einmalig pro Bestellung

Lieferzeit: 5 Werktage

Pos.
3
BOSCH Anker 115V | Ersatzteile für SPT77WML | 1619P08002
Hersteller: BOSCH
Artikelnummer: EB-F012771200-1619P08002
Netto: 42,08 € zzgl. MwSt.
zzgl. 6,90 € Versand (brutto)
einmalig pro Bestellung

Lieferzeit: 5 Werktage

Pos.
4
BOSCH Schalter | Ersatzteile für SPT77WML | 1619X08653
Hersteller: BOSCH
Artikelnummer: EB-F012771200-1619X08653
nur Informationsartikel
Nie mehr lieferbar
keine Alternativen
Pos.
5
BOSCH Netzanschlussleitung | Ersatzteile für SPT77WML | 1619X08527
Hersteller: BOSCH
Artikelnummer: EB-F012771200-1619X08527
Netto: 15,75 € zzgl. MwSt.
zzgl. 6,90 € Versand (brutto)
einmalig pro Bestellung

Lieferzeit: 5 Werktage

Pos.
6
BOSCH Tülle | Ersatzteile für SPT77WML | 1619X08308
Hersteller: BOSCH
Artikelnummer: EB-F012771200-1619X08308
nur Informationsartikel
Nie mehr lieferbar
keine Alternativen
Pos.
7
BOSCH Kabelklemme | Ersatzteile für SPT77WML | 1619X04671
Hersteller: BOSCH
Artikelnummer: EB-F012771200-1619X04671
Netto: 3,63 € zzgl. MwSt.
zzgl. 6,90 € Versand (brutto)
einmalig pro Bestellung

Lieferzeit: 5 Werktage

Pos.
9
BOSCH Klebeschild | Ersatzteile für SPT77WML | 1619X09203
Hersteller: BOSCH
Artikelnummer: EB-F012771200-1619X09203
nur Informationsartikel
Nie mehr lieferbar
keine Alternativen
Pos.
13
BOSCH Kugellager | Ersatzteile für SPT77WML | 2610024748
Hersteller: BOSCH
Artikelnummer: EB-F012771200-2610024748
Netto: 9,18 € zzgl. MwSt.
zzgl. 6,90 € Versand (brutto)
einmalig pro Bestellung

Lieferzeit: 5 Werktage

Pos.
14
BOSCH Kugellager | Ersatzteile für SPT77WML | 1619X04676
Hersteller: BOSCH
Artikelnummer: EB-F012771200-1619X04676
nur Informationsartikel
Nie mehr lieferbar
keine Alternativen
Pos.
16
BOSCH Bürstenhalter | Ersatzteile für SPT77WML | 1619X04708
Hersteller: BOSCH
Artikelnummer: EB-F012771200-1619X04708
Netto: 5,19 € zzgl. MwSt.
zzgl. 6,90 € Versand (brutto)
einmalig pro Bestellung

Lieferzeit: 5 Werktage

Pos.
20
BOSCH Warnschild | Ersatzteile für SPT77WML | 1619X04679
Hersteller: BOSCH
Artikelnummer: EB-F012771200-1619X04679
nur Informationsartikel
Nie mehr lieferbar
keine Alternativen
Pos.
22
BOSCH Haube | Ersatzteile für SPT77WML | 1619X09219
Hersteller: BOSCH
Artikelnummer: EB-F012771200-1619X09219
Netto: 3,94 € zzgl. MwSt.
zzgl. 6,90 € Versand (brutto)
einmalig pro Bestellung

Lieferzeit: 5 Werktage

Pos.
23
BOSCH Scheibe | Ersatzteile für SPT77WML | 1619X01249
Hersteller: BOSCH
Artikelnummer: EB-F012771200-1619X01249
nur Informationsartikel
Nie mehr lieferbar
keine Alternativen
Pos.
24
BOSCH Vorlegscheibe | Ersatzteile für SPT77WML | 1619X04683
Hersteller: BOSCH
Artikelnummer: EB-F012771200-1619X04683
Netto: 7,26 € zzgl. MwSt.
zzgl. 6,90 € Versand (brutto)
einmalig pro Bestellung

Lieferzeit: 5 Werktage

Pos.
25
BOSCH Oelablassschraube | Ersatzteile für SPT77WML | 1619X04684
Hersteller: BOSCH
Artikelnummer: EB-F012771200-1619X04684
nur Informationsartikel
Nie mehr lieferbar
keine Alternativen
Pos.
26
BOSCH Rollen-Bundbolzen | Ersatzteile für SPT77WML | 1619X03643
Hersteller: BOSCH
Artikelnummer: EB-F012771200-1619X03643
Netto: 7,79 € zzgl. MwSt.
zzgl. 6,90 € Versand (brutto)
einmalig pro Bestellung

Lieferzeit: 5 Werktage

Pos.
27
BOSCH Stiftschraube | Ersatzteile für SPT77WML | 1619X01262
Hersteller: BOSCH
Artikelnummer: EB-F012771200-1619X01262
nur Informationsartikel
Nie mehr lieferbar
keine Alternativen
Pos.
28
BOSCH Schutzunterteil | Ersatzteile für SPT77WML | 1619X04693
Hersteller: BOSCH
Artikelnummer: EB-F012771200-1619X04693
Netto: 15,15 € zzgl. MwSt.
zzgl. 6,90 € Versand (brutto)
einmalig pro Bestellung

Lieferzeit: 5 Werktage

Pos.
29
BOSCH Handgriff-Set | Ersatzteile für SPT77WML | 1619X04709
Hersteller: BOSCH
Artikelnummer: EB-F012771200-1619X04709
nur Informationsartikel
Nie mehr lieferbar
keine Alternativen
Pos.
31
BOSCH Kugellager | Ersatzteile für SPT77WML | 2610017875
Hersteller: BOSCH
Artikelnummer: EB-F012771200-2610017875
nur Informationsartikel
Nie mehr lieferbar
keine Alternativen
Pos.
32
BOSCH Schraube | Ersatzteile für SPT77WML | 2610901971
Hersteller: BOSCH
Artikelnummer: EB-F012771200-2610901971
nur Informationsartikel
Nie mehr lieferbar
keine Alternativen
Pos.
33
BOSCH Zugfeder | Ersatzteile für SPT77WML | 1619X04765
Hersteller: BOSCH
Artikelnummer: EB-F012771200-1619X04765
Netto: 4,36 € zzgl. MwSt.
zzgl. 6,90 € Versand (brutto)
einmalig pro Bestellung

Lieferzeit: 5 Werktage

Pos.
35
BOSCH Anschlag | Ersatzteile für SPT77WML | 2610319494
Hersteller: BOSCH
Artikelnummer: EB-F012771200-2610319494
Netto: 4,32 € zzgl. MwSt.
zzgl. 6,90 € Versand (brutto)
einmalig pro Bestellung

Lieferzeit: 5 Werktage

Pos.
36
BOSCH Sicherungsring | Ersatzteile für SPT77WML | 2610341359
Hersteller: BOSCH
Artikelnummer: EB-F012771200-2610341359
nur Informationsartikel
Nie mehr lieferbar
keine Alternativen
Pos.
37
BOSCH Isolierrohr | Ersatzteile für SPT77WML | 1619X07782
Hersteller: BOSCH
Artikelnummer: EB-F012771200-1619X07782
nur Informationsartikel
Nie mehr lieferbar
keine Alternativen
Pos.
38
BOSCH Schutzoberteil | Ersatzteile für SPT77WML | 1619X09205
Hersteller: BOSCH
Artikelnummer: EB-F012771200-1619X09205
nur Informationsartikel
Nie mehr lieferbar
keine Alternativen
Pos.
39
BOSCH Hebel | Ersatzteile für SPT77WML | 1619X07688
Hersteller: BOSCH
Artikelnummer: EB-F012771200-1619X07688
Netto: 3,94 € zzgl. MwSt.
zzgl. 6,90 € Versand (brutto)
einmalig pro Bestellung

Lieferzeit: 5 Werktage

Pos.
40
BOSCH Handgriff | Ersatzteile für SPT77WML | 1619X04707
Hersteller: BOSCH
Artikelnummer: EB-F012771200-1619X04707
nur Informationsartikel
Nie mehr lieferbar
keine Alternativen
Pos.
42
BOSCH Tragplatte | Ersatzteile für SPT77WML | 1619X01253
Hersteller: BOSCH
Artikelnummer: EB-F012771200-1619X01253
nur Informationsartikel
Nie mehr lieferbar
keine Alternativen
Pos.
43
BOSCH Schutzblech | Ersatzteile für SPT77WML | 1619X01255
Hersteller: BOSCH
Artikelnummer: EB-F012771200-1619X01255
Netto: 4,77 € zzgl. MwSt.
zzgl. 6,90 € Versand (brutto)
einmalig pro Bestellung

Lieferzeit: 5 Werktage

Pos.
45
BOSCH Abdeckung | Ersatzteile für SPT77WML | 1619X04783
Hersteller: BOSCH
Artikelnummer: EB-F012771200-1619X04783
Netto: 5,67 € zzgl. MwSt.
zzgl. 6,90 € Versand (brutto)
einmalig pro Bestellung

Lieferzeit: 5 Werktage

Pos.
46
BOSCH Gerätekappe | Ersatzteile für SPT77WML | 1619X01268
Hersteller: BOSCH
Artikelnummer: EB-F012771200-1619X01268
nur Informationsartikel
Nie mehr lieferbar
keine Alternativen
Pos.
47
BOSCH O-Ring | Ersatzteile für SPT77WML | 1619X04712
Hersteller: BOSCH
Artikelnummer: EB-F012771200-1619X04712
nur Informationsartikel
Nie mehr lieferbar
keine Alternativen
Pos.
48
BOSCH Klauenring | Ersatzteile für SPT77WML | 1619X04780
Hersteller: BOSCH
Artikelnummer: EB-F012771200-1619X04780
nur Informationsartikel
Nie mehr lieferbar
keine Alternativen
Pos.
51
BOSCH Scheibe | Ersatzteile für SPT77WML | 2610004341
Hersteller: BOSCH
Artikelnummer: EB-F012771200-2610004341
nur Informationsartikel
Nie mehr lieferbar
keine Alternativen
Pos.
52
BOSCH Scheibe | Ersatzteile für SPT77WML | 2610912616
Hersteller: BOSCH
Artikelnummer: EB-F012771200-2610912616
Netto: 3,63 € zzgl. MwSt.
zzgl. 6,90 € Versand (brutto)
einmalig pro Bestellung

Lieferzeit: 5 Werktage

Pos.
53
BOSCH Sicherungsring | Ersatzteile für SPT77WML | 2610968747
Hersteller: BOSCH
Artikelnummer: EB-F012771200-2610968747
Netto: 3,63 € zzgl. MwSt.
zzgl. 6,90 € Versand (brutto)
einmalig pro Bestellung

Lieferzeit: 5 Werktage

Pos.
54
BOSCH Sperrhebel | Ersatzteile für SPT77WML | 1619X04719
Hersteller: BOSCH
Artikelnummer: EB-F012771200-1619X04719
Netto: 4,32 € zzgl. MwSt.
zzgl. 6,90 € Versand (brutto)
einmalig pro Bestellung

Lieferzeit: 5 Werktage

Pos.
55
BOSCH Rillenkugellager | Ersatzteile für SPT77WML | 2610017348
Hersteller: BOSCH
Artikelnummer: EB-F012771200-2610017348
nur Informationsartikel
Nie mehr lieferbar
keine Alternativen
Pos.
56
BOSCH Gewindestift | Ersatzteile für SPT77WML | 2610027039
Hersteller: BOSCH
Artikelnummer: EB-F012771200-2610027039
nur Informationsartikel
Nie mehr lieferbar
keine Alternativen
Pos.
57
BOSCH Schraube | Ersatzteile für SPT77WML | 2610315299
Hersteller: BOSCH
Artikelnummer: EB-F012771200-2610315299
nur Informationsartikel
Nie mehr lieferbar
keine Alternativen
Pos.
58
BOSCH Schraube | Ersatzteile für SPT77WML | 2610315380
Hersteller: BOSCH
Artikelnummer: EB-F012771200-2610315380
Netto: 3,94 € zzgl. MwSt.
zzgl. 6,90 € Versand (brutto)
einmalig pro Bestellung

Lieferzeit: 5 Werktage

Pos.
59
BOSCH Schraube | Ersatzteile für SPT77WML | 1619X03644
Hersteller: BOSCH
Artikelnummer: EB-F012771200-1619X03644
nur Informationsartikel
Nie mehr lieferbar
keine Alternativen
Pos.
60
BOSCH O-Ring | Ersatzteile für SPT77WML | 1619X06222
Hersteller: BOSCH
Artikelnummer: EB-F012771200-1619X06222
nur Informationsartikel
Nie mehr lieferbar
keine Alternativen
Pos.
62
BOSCH Scheibe | Ersatzteile für SPT77WML | 1619X07724
Hersteller: BOSCH
Artikelnummer: EB-F012771200-1619X07724
Netto: 4,32 € zzgl. MwSt.
zzgl. 6,90 € Versand (brutto)
einmalig pro Bestellung

Lieferzeit: 5 Werktage

Pos.
63
BOSCH Schraube | Ersatzteile für SPT77WML | 2610329955
Hersteller: BOSCH
Artikelnummer: EB-F012771200-2610329955
nur Informationsartikel
Nie mehr lieferbar
keine Alternativen
Pos.
64
BOSCH Kontaktschraube | Ersatzteile für SPT77WML | 1619X01786
Hersteller: BOSCH
Artikelnummer: EB-F012771200-1619X01786
nur Informationsartikel
Nie mehr lieferbar
keine Alternativen
Pos.
65
BOSCH Scheibe | Ersatzteile für SPT77WML | 2610306355
Hersteller: BOSCH
Artikelnummer: EB-F012771200-2610306355
nur Informationsartikel
Nie mehr lieferbar
keine Alternativen
Pos.
66
BOSCH Stiftschraube | Ersatzteile für SPT77WML | 1619X01263
Hersteller: BOSCH
Artikelnummer: EB-F012771200-1619X01263
Netto: 1,39 € zzgl. MwSt.
zzgl. 6,90 € Versand (brutto)
einmalig pro Bestellung

Lieferzeit: 5 Werktage

Pos.
67
BOSCH O-Ring | Ersatzteile für SPT77WML | 1619X04687
Hersteller: BOSCH
Artikelnummer: EB-F012771200-1619X04687
nur Informationsartikel
Nie mehr lieferbar
keine Alternativen
Pos.
68
BOSCH Schraube | Ersatzteile für SPT77WML | 2610932332
Hersteller: BOSCH
Artikelnummer: EB-F012771200-2610932332
Netto: 0,62 € zzgl. MwSt.
zzgl. 6,90 € Versand (brutto)
einmalig pro Bestellung

Lieferzeit: 5 Werktage

Pos.
69
BOSCH Sicherungsmutter | Ersatzteile für SPT77WML | 2610932460
Hersteller: BOSCH
Artikelnummer: EB-F012771200-2610932460
nur Informationsartikel
Nie mehr lieferbar
keine Alternativen
Pos.
71
BOSCH Schraube | Ersatzteile für SPT77WML | 2610027002
Hersteller: BOSCH
Artikelnummer: EB-F012771200-2610027002
nur Informationsartikel
Nie mehr lieferbar
keine Alternativen
Pos.
72
BOSCH Bolzen | Ersatzteile für SPT77WML | 2610911837
Hersteller: BOSCH
Artikelnummer: EB-F012771200-2610911837
Netto: 0,62 € zzgl. MwSt.
zzgl. 6,90 € Versand (brutto)
einmalig pro Bestellung

Lieferzeit: 5 Werktage

Pos.
73
BOSCH Federscheibe | Ersatzteile für SPT77WML | 2610004459
Hersteller: BOSCH
Artikelnummer: EB-F012771200-2610004459
nur Informationsartikel
Nie mehr lieferbar
keine Alternativen
Pos.
74
BOSCH Gummidichtung | Ersatzteile für SPT77WML | 1619X01257
Hersteller: BOSCH
Artikelnummer: EB-F012771200-1619X01257
Netto: 0,95 € zzgl. MwSt.
zzgl. 6,90 € Versand (brutto)
einmalig pro Bestellung

Lieferzeit: 5 Werktage

Pos.
75
BOSCH Verschlussplombe | Ersatzteile für SPT77WML | 1619X07731
Hersteller: BOSCH
Artikelnummer: EB-F012771200-1619X07731
nur Informationsartikel
Nie mehr lieferbar
keine Alternativen
Pos.
78
BOSCH Verschlussplombe | Ersatzteile für SPT77WML | 1619X04740
Hersteller: BOSCH
Artikelnummer: EB-F012771200-1619X04740
nur Informationsartikel
Nie mehr lieferbar
keine Alternativen
Pos.
79
BOSCH Schraube | Ersatzteile für SPT77WML | 1619X04738
Hersteller: BOSCH
Artikelnummer: EB-F012771200-1619X04738
Netto: 3,60 € zzgl. MwSt.
zzgl. 6,90 € Versand (brutto)
einmalig pro Bestellung

Lieferzeit: 5 Werktage

Pos.
81
BOSCH Schraube | Ersatzteile für SPT77WML | 1619X04754
Hersteller: BOSCH
Artikelnummer: EB-F012771200-1619X04754
nur Informationsartikel
Nie mehr lieferbar
keine Alternativen
Pos.
82
BOSCH Mattendichtung | Ersatzteile für SPT77WML | 1619X01258
Hersteller: BOSCH
Artikelnummer: EB-F012771200-1619X01258
Netto: 0,62 € zzgl. MwSt.
zzgl. 6,90 € Versand (brutto)
einmalig pro Bestellung

Lieferzeit: 5 Werktage

Pos.
83
BOSCH Scheibe | Ersatzteile für SPT77WML | 1619X05847
Hersteller: BOSCH
Artikelnummer: EB-F012771200-1619X05847
Netto: 3,59 € zzgl. MwSt.
zzgl. 6,90 € Versand (brutto)
einmalig pro Bestellung

Lieferzeit: 5 Werktage

Pos.
84
BOSCH Mutter | Ersatzteile für SPT77WML | 2610318324
Hersteller: BOSCH
Artikelnummer: EB-F012771200-2610318324
nur Informationsartikel
Nie mehr lieferbar
keine Alternativen
Pos.
85
BOSCH Schraube | Ersatzteile für SPT77WML | 1619X06294
Hersteller: BOSCH
Artikelnummer: EB-F012771200-1619X06294
nur Informationsartikel
Nie mehr lieferbar
keine Alternativen
Pos.
86
BOSCH Schraube | Ersatzteile für SPT77WML | 1619X04746
Hersteller: BOSCH
Artikelnummer: EB-F012771200-1619X04746
nur Informationsartikel
Nie mehr lieferbar
keine Alternativen
Pos.
87
BOSCH Lagerbuchse | Ersatzteile für SPT77WML | 1619X06242
Hersteller: BOSCH
Artikelnummer: EB-F012771200-1619X06242
Netto: 3,94 € zzgl. MwSt.
zzgl. 6,90 € Versand (brutto)
einmalig pro Bestellung

Lieferzeit: 5 Werktage

Pos.
88
BOSCH Scheibe | Ersatzteile für SPT77WML | 1619X06254
Hersteller: BOSCH
Artikelnummer: EB-F012771200-1619X06254
Netto: 3,94 € zzgl. MwSt.
zzgl. 6,90 € Versand (brutto)
einmalig pro Bestellung

Lieferzeit: 5 Werktage

Pos.
90
BOSCH Lagerabdeckung | Ersatzteile für SPT77WML | 1619X05948
Hersteller: BOSCH
Artikelnummer: EB-F012771200-1619X05948
nur Informationsartikel
Nie mehr lieferbar
keine Alternativen
Pos.
91
BOSCH Schraube | Ersatzteile für SPT77WML | 1619X06749
Hersteller: BOSCH
Artikelnummer: EB-F012771200-1619X06749
Netto: 3,63 € zzgl. MwSt.
zzgl. 6,90 € Versand (brutto)
einmalig pro Bestellung

Lieferzeit: 5 Werktage

Pos.
92
BOSCH Schraube | Ersatzteile für SPT77WML | 2610932218
Hersteller: BOSCH
Artikelnummer: EB-F012771200-2610932218
Netto: 0,95 € zzgl. MwSt.
zzgl. 6,90 € Versand (brutto)
einmalig pro Bestellung

Lieferzeit: 5 Werktage

Pos.
93
BOSCH Mutter | Ersatzteile für SPT77WML | 1619X01283
Hersteller: BOSCH
Artikelnummer: EB-F012771200-1619X01283
Netto: 4,82 € zzgl. MwSt.
zzgl. 6,90 € Versand (brutto)
einmalig pro Bestellung

Lieferzeit: 5 Werktage

Pos.
107
BOSCH Gewindestift | Ersatzteile für SPT77WML | 2610911889
Hersteller: BOSCH
Artikelnummer: EB-F012771200-2610911889
nur Informationsartikel
Nie mehr lieferbar
keine Alternativen
Pos.
310
BOSCH Gewindestift | Ersatzteile für SPT77WML | 1619X04768
Hersteller: BOSCH
Artikelnummer: EB-F012771200-1619X04768
nur Informationsartikel
Nie mehr lieferbar
keine Alternativen
Pos.
320
BOSCH Feder | Ersatzteile für SPT77WML | 1619X04669
Hersteller: BOSCH
Artikelnummer: EB-F012771200-1619X04669
nur Informationsartikel
Nie mehr lieferbar
keine Alternativen
Pos.
651
BOSCH Steckschlüsseleinsatz | Ersatzteile für SPT77WML | 1619X04755
Hersteller: BOSCH
Artikelnummer: EB-F012771200-1619X04755
Netto: 6,15 € zzgl. MwSt.
zzgl. 6,90 € Versand (brutto)
einmalig pro Bestellung

Lieferzeit: 5 Werktage

Pos.
801
BOSCH Motorgehäuse | Ersatzteile für SPT77WML | 1619X09235
Hersteller: BOSCH
Artikelnummer: EB-F012771200-1619X09235
nur Informationsartikel
Nie mehr lieferbar
keine Alternativen
Pos.
808
BOSCH Typschild | Ersatzteile für SPT77WML | 1619X09217
Hersteller: BOSCH
Artikelnummer: EB-F012771200-1619X09218
nur Informationsartikel
Nie mehr lieferbar
keine Alternativen
Pos.
810
BOSCH Kohlebürstensatz | Ersatzteile für SPT77WML | 1619X07410
Hersteller: BOSCH
Artikelnummer: EB-F012771200-1619X07410
Netto: 32,16 € zzgl. MwSt.
zzgl. 6,90 € Versand (brutto)
einmalig pro Bestellung

Lieferzeit: 5 Werktage

Pos.
819
BOSCH Getriebegehäuse | Ersatzteile für SPT77WML | 1619X06299
Hersteller: BOSCH
Artikelnummer: EB-F012771200-1619X06299
Netto: 268,24 € zzgl. MwSt.
zzgl. 6,90 € Versand (brutto)
einmalig pro Bestellung

Lieferzeit: 5 Werktage

Pos.
830
BOSCH Fussplatte | Ersatzteile für SPT77WML | 1619X07411
Hersteller: BOSCH
Artikelnummer: EB-F012771200-1619X07411
Netto: 51,18 € zzgl. MwSt.
zzgl. 6,90 € Versand (brutto)
einmalig pro Bestellung

Lieferzeit: 5 Werktage

Pos.
834
BOSCH Zahnradsatz | Ersatzteile für SPT77WML | 1619X07035
Hersteller: BOSCH
Artikelnummer: EB-F012771200-1619X07035
Netto: 301,21 € zzgl. MwSt.
zzgl. 6,90 € Versand (brutto)
einmalig pro Bestellung

Lieferzeit: 5 Werktage

Pos.
867
BOSCH Rillenkugellager | Ersatzteile für SPT77WML | 1619X09014
Hersteller: BOSCH
Artikelnummer: EB-F012771200-1619X09014
nur Informationsartikel
Nie mehr lieferbar
keine Alternativen

Angaben zur Produktsicherheit

Hersteller:
Robert Bosch Power Tools GmbH
Postfach 30 02 20
70442 Stuttgart

E-Mail:
kontakt@bosch.de