BOSCH Leitungshalter | Ersatzteile für Stichsäge | 2601035001

Artikelnummer: EB-0600576009-2601035001

Position: 128

Marke: BOSCH


Bitte Kompatibilität prüfen!

Bitte prüfen Sie unbedingt die 10-stellige Typennummer Ihrer Maschine / Ihres Gerätes. Das Ersatzteil ist nur kompatibel, wenn Sie die Typennummer Ihrer Maschine in der unten stehenden Produktbeschreibung finden.

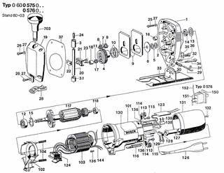
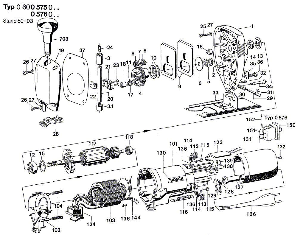
Bitte prüfen Sie ebenfalls detailliert die Explosionszeichnung mit Ihrem Artikelwunsch und der jeweiligen Pos-Nummer.

Alle Elemente, welche vom schwarzen Strich der Pos-Nummer ausgehend berührt / erfasst werden, gehören zu dieser Pos-Nummer und somit zu diesem Artikel. Jede Pos-Nummer ist ein eigenständiger Artikel, welchen Sie in der Auflistung finden.

Sie erhalten stets die aktuellste, neueste Produktversion zu der gewählten Pos-Nummer seitens des Herstellers. Es kann daher je nach Gerätealter vorkommen, dass Sie ggf. weitere, zugehörige Elemente, welche an diese Pos-Nummer grenzen, ebenfalls mittauschen müssen.

Nähere Informationen finden Sie unter dem Link
Hinweise zu Ihrer BOSCH Ersatzteilsuche

Preisübersicht

Einzelpreis: 3,94 €* (Brutto: 4,69 €)
Gesamtpreis: 3,94 €* 
Position:

Lieferzeit: 5 Werktage


Beschreibung

  • Leitungshalter
  • Original Bosch Zubehör / BOSCH Ersatzteil (2601035001)
  • im Gerät verbaut: 1
Dieses BOSCH Ersatzteil ist mit folgendem Gerät und Modell kompatibel:
  • BOSCH Gerätename: Stichsäge
  • BOSCH Explosionszeichnung: Position 128
  • BOSCH Typennummer: 0600576009
  • BOSCH Typennummer alternative Schreibweisen: 0 600 576 009, 0600 576 009, 0.600.576.009, 0-600-576-009
    Bitte prüfen Sie diese Typennummer auf Ihrem Gerät um die Kompatibilität des BOSCH Ersatzteils zu gewährleisten.
Weitere BOSCH Ersatzteile des Gerätes Stichsäge mit der Typennummer 0600576009 finden Sie in der nachfolgenden Darstellung und im Dropdown zu Ihrer Auswahl:

Pos.
1
BOSCH Getriebedeckel | Ersatzteile für Stichsäge | 2605808907
Hersteller: BOSCH
Artikelnummer: EB-0600576009-2605808907
nur Informationsartikel
Nie mehr lieferbar
keine Alternativen
Pos.
2
BOSCH Zylinderstift DIN 6325-8m6x36 | Ersatzteile für Stichsäge | 2917530182
Hersteller: BOSCH
Artikelnummer: EB-0600576009-2917530182
nur Informationsartikel
Nie mehr lieferbar
keine Alternativen
Pos.
3
BOSCH Lagerbuchse | Ersatzteile für Stichsäge | 2600301001
Hersteller: BOSCH
Artikelnummer: EB-0600576009-2600301001
nur Informationsartikel
Nie mehr lieferbar
keine Alternativen
Pos.
4
BOSCH Stirnrad Z=50 | Ersatzteile für Stichsäge | 2606319029
Hersteller: BOSCH
Artikelnummer: EB-0600576009-2606319029
nur Informationsartikel
Nie mehr lieferbar
keine Alternativen
Pos.
5
BOSCH Federscheibe | Ersatzteile für Stichsäge | 2600150050
Hersteller: BOSCH
Artikelnummer: EB-0600576009-2600150050
Netto: 3,94 € zzgl. MwSt.
zzgl. 6,90 € Versand (brutto)
einmalig pro Bestellung

Lieferzeit: 5 Werktage

Pos.
6
BOSCH Ausgleichscheibe | Ersatzteile für Stichsäge | 2600100614
Hersteller: BOSCH
Artikelnummer: EB-0600576009-2600100614
nur Informationsartikel
Nie mehr lieferbar
keine Alternativen
Pos.
7
BOSCH Nadelkäfig | Ersatzteile für Stichsäge | 2600409011
Hersteller: BOSCH
Artikelnummer: EB-0600576009-2600409011
nur Informationsartikel
Nie mehr lieferbar
keine Alternativen
Pos.
9
BOSCH Schwingplatte | Ersatzteile für Stichsäge | 2601000015
Hersteller: BOSCH
Artikelnummer: EB-0600576009-2601000015
nur Informationsartikel
Nie mehr lieferbar
keine Alternativen
Pos.
10
BOSCH Ausgleichscheibe 0,3 MM | Ersatzteile für Stichsäge | 2600102613
Hersteller: BOSCH
Artikelnummer: EB-0600576009-2600102613
nur Informationsartikel
Nie mehr lieferbar
keine Alternativen
Pos.
10
BOSCH Ausgleichscheibe 0,5 MM | Ersatzteile für Stichsäge | 2600102614
Hersteller: BOSCH
Artikelnummer: EB-0600576009-2600102614
Netto: 3,51 € zzgl. MwSt.
zzgl. 6,90 € Versand (brutto)
einmalig pro Bestellung

Lieferzeit: 5 Werktage

Pos.
11
BOSCH Nadelrolle 1,5x5,8 MM | Ersatzteile für Stichsäge | 2603201037
Hersteller: BOSCH
Artikelnummer: EB-0600576009-2603201037
Netto: 4,53 € zzgl. MwSt.
zzgl. 6,90 € Versand (brutto)
einmalig pro Bestellung

Lieferzeit: 5 Werktage

Pos.
12
BOSCH Rillenkugellager 10 MM DIN 625 | Ersatzteile für Stichsäge | 2600905007
Hersteller: BOSCH
Artikelnummer: EB-0600576009-2600905007
nur Informationsartikel
Nie mehr lieferbar
keine Alternativen
Pos.
13
BOSCH Tellerscheibe | Ersatzteile für Stichsäge | 2600500008
Hersteller: BOSCH
Artikelnummer: EB-0600576009-2600500008
nur Informationsartikel
Nie mehr lieferbar
keine Alternativen
Pos.
14
BOSCH Filzscheibe | Ersatzteile für Stichsäge | 2600108020
Hersteller: BOSCH
Artikelnummer: EB-0600576009-2600108020
nur Informationsartikel
Nie mehr lieferbar
keine Alternativen
Pos.
15
BOSCH Sicherungsring DIN 472-26x1,2 MM | Ersatzteile für Stichsäge | 2916660010
Hersteller: BOSCH
Artikelnummer: EB-0600576009-2916660010
Netto: 3,63 € zzgl. MwSt.
zzgl. 6,90 € Versand (brutto)
einmalig pro Bestellung

Lieferzeit: 5 Werktage

Pos.
16
BOSCH Lagerhülse | Ersatzteile für Stichsäge | 2600300043
Hersteller: BOSCH
Artikelnummer: EB-0600576009-2600300043
nur Informationsartikel
Nie mehr lieferbar
keine Alternativen
Pos.
17
BOSCH Nadelkäfig | Ersatzteile für Stichsäge | 2600913010
Hersteller: BOSCH
Artikelnummer: EB-0600576009-2600913010
nur Informationsartikel
Nie mehr lieferbar
keine Alternativen
Pos.
18
BOSCH Nadelhülse | Ersatzteile für Stichsäge | 2600917900
Hersteller: BOSCH
Artikelnummer: EB-0600576009-2600917900
nur Informationsartikel
Nie mehr lieferbar
keine Alternativen
Pos.
19
BOSCH Getriebedeckel | Ersatzteile für Stichsäge | 2605808906
Hersteller: BOSCH
Artikelnummer: EB-0600576009-2605808906
nur Informationsartikel
Nie mehr lieferbar
keine Alternativen
Pos.
20
BOSCH Hubstange | Ersatzteile für Stichsäge | 2600780004
Hersteller: BOSCH
Artikelnummer: EB-0600576009-2600780004
nur Informationsartikel
Nie mehr lieferbar
keine Alternativen
Pos.
21
BOSCH Gleitstück | Ersatzteile für Stichsäge | 2601321036
Hersteller: BOSCH
Artikelnummer: EB-0600576009-2601321036
nur Informationsartikel
Nie mehr lieferbar
keine Alternativen
Pos.
22
BOSCH Klemmbügel | Ersatzteile für Stichsäge | 2602329011
Hersteller: BOSCH
Artikelnummer: EB-0600576009-2602329011
Netto: 5,19 € zzgl. MwSt.
zzgl. 6,90 € Versand (brutto)
einmalig pro Bestellung

Lieferzeit: 5 Werktage

Pos.
23
BOSCH Senkschraube DIN 7962-M3,5x8-10.9 | Ersatzteile für Stichsäge | 2603421040
Hersteller: BOSCH
Artikelnummer: EB-0600576009-2603421040
Netto: 3,94 € zzgl. MwSt.
zzgl. 6,90 € Versand (brutto)
einmalig pro Bestellung

Lieferzeit: 5 Werktage

Pos.
24
BOSCH Klemmschraube | Ersatzteile für Stichsäge | 2603400000
Hersteller: BOSCH
Artikelnummer: EB-0600576009-2603400000
Netto: 5,67 € zzgl. MwSt.
zzgl. 6,90 € Versand (brutto)
einmalig pro Bestellung

Lieferzeit: 5 Werktage

Pos.
25
BOSCH Zylinderschraube DIN 84-AM4x18-5.8 | Ersatzteile für Stichsäge | 2910011128
Hersteller: BOSCH
Artikelnummer: EB-0600576009-2910011128
Netto: 3,63 € zzgl. MwSt.
zzgl. 6,90 € Versand (brutto)
einmalig pro Bestellung

Lieferzeit: 5 Werktage

Pos.
26
BOSCH Zylinderschraube DIN 84-AM4x12-8.8 | Ersatzteile für Stichsäge | 2910021122
Hersteller: BOSCH
Artikelnummer: EB-0600576009-2910021122
Netto: 4,32 € zzgl. MwSt.
zzgl. 6,90 € Versand (brutto)
einmalig pro Bestellung

Lieferzeit: 5 Werktage

Pos.
27
BOSCH Federring DIN 128-A4-FST | Ersatzteile für Stichsäge | 2916690003
Hersteller: BOSCH
Artikelnummer: EB-0600576009-2916690003
Netto: 3,63 € zzgl. MwSt.
zzgl. 6,90 € Versand (brutto)
einmalig pro Bestellung

Lieferzeit: 5 Werktage

Pos.
28
BOSCH Leitrolle | Ersatzteile für Stichsäge | 2608135910
Hersteller: BOSCH
Artikelnummer: EB-0600576009-2608135910
nur Informationsartikel
Nie mehr lieferbar
keine Alternativen
Pos.
29
BOSCH Exzenterbolzen | Ersatzteile für Stichsäge | 2603180003
Hersteller: BOSCH
Artikelnummer: EB-0600576009-2603180003
nur Informationsartikel
Nie mehr lieferbar
keine Alternativen
Pos.
31
BOSCH Sicherungsscheibe DIN 6799-2,3 | Ersatzteile für Stichsäge | 2916080005
Hersteller: BOSCH
Artikelnummer: EB-0600576009-2916080005
Netto: 8,72 € zzgl. MwSt.
zzgl. 6,90 € Versand (brutto)
einmalig pro Bestellung

Lieferzeit: 5 Werktage

Pos.
31
BOSCH Rollensatz | Ersatzteile für Jig Saw | 1619P01375
Hersteller: BOSCH
Artikelnummer: EB-0600576009-1619P01375
Netto: 9,95 € zzgl. MwSt.
zzgl. 6,90 € Versand (brutto)
einmalig pro Bestellung

Lieferzeit: 5 Werktage

Pos.
32
BOSCH Zylinderschraube DIN 84-AM4x8-8.8 | Ersatzteile für Stichsäge | 2910021118
Hersteller: BOSCH
Artikelnummer: EB-0600576009-2910021118
Netto: 3,63 € zzgl. MwSt.
zzgl. 6,90 € Versand (brutto)
einmalig pro Bestellung

Lieferzeit: 5 Werktage

Pos.
33
BOSCH Fussplatte | Ersatzteile für Stichsäge | 2601016002
Hersteller: BOSCH
Artikelnummer: EB-0600576009-2601016002
nur Informationsartikel
Nie mehr lieferbar
keine Alternativen
Pos.
34
BOSCH Flachkopfschraube | Ersatzteile für Stichsäge | 2603412001
Hersteller: BOSCH
Artikelnummer: EB-0600576009-2603412001
nur Informationsartikel
Nie mehr lieferbar
keine Alternativen
Pos.
35
BOSCH Lochplatte | Ersatzteile für Stichsäge | 2601032001
Hersteller: BOSCH
Artikelnummer: EB-0600576009-2601032001
nur Informationsartikel
Nie mehr lieferbar
keine Alternativen
Pos.
36
BOSCH Zylinderschraube DIN 84-AM6x16-5.8 | Ersatzteile für Stichsäge | 2910011191
Hersteller: BOSCH
Artikelnummer: EB-0600576009-2910011191
nur Informationsartikel
Nie mehr lieferbar
keine Alternativen
Pos.
37
BOSCH Dichtplatte | Ersatzteile für Stichsäge | 2601010019
Hersteller: BOSCH
Artikelnummer: EB-0600576009-2601010019
nur Informationsartikel
Nie mehr lieferbar
keine Alternativen
Pos.
101
BOSCH Motorgehäuse | Ersatzteile für Stichsäge | 2605108900
Hersteller: BOSCH
Artikelnummer: EB-0600576009-2605108900
nur Informationsartikel
Nie mehr lieferbar
keine Alternativen
Pos.
102
BOSCH Gehäusedeckel | Ersatzteile für Stichsäge | 2605500032
Hersteller: BOSCH
Artikelnummer: EB-0600576009-2605500032
nur Informationsartikel
Nie mehr lieferbar
keine Alternativen
Pos.
104
BOSCH Druckfeder | Ersatzteile für Stichsäge | 2604611024
Hersteller: BOSCH
Artikelnummer: EB-0600576009-2604611024
Netto: 4,32 € zzgl. MwSt.
zzgl. 6,90 € Versand (brutto)
einmalig pro Bestellung

Lieferzeit: 5 Werktage

Pos.
113
BOSCH Spiralfeder | Ersatzteile für Stichsäge | 2604652000
Hersteller: BOSCH
Artikelnummer: EB-0600576009-2604652000
nur Informationsartikel
Nie mehr lieferbar
keine Alternativen
Pos.
114
BOSCH Kohlebürstensatz | Ersatzteile für Stichsäge | 2604320902
Hersteller: BOSCH
Artikelnummer: EB-0600576009-2604320902
nur Informationsartikel
Nie mehr lieferbar
keine Alternativen
Pos.
115
BOSCH Zylinderschraube | Ersatzteile für Stichsäge | 2603410010
Hersteller: BOSCH
Artikelnummer: EB-0600576009-2603410010
nur Informationsartikel
Nie mehr lieferbar
keine Alternativen
Pos.
118
BOSCH Rillenkugellager 6x19x6 | Ersatzteile für Stichsäge | 1900905019
Hersteller: BOSCH
Artikelnummer: EB-0600576009-1900905019
Netto: 12,98 € zzgl. MwSt.
zzgl. 6,90 € Versand (brutto)
einmalig pro Bestellung

Lieferzeit: 5 Werktage

Pos.
123
BOSCH Entstörkondensator | Ersatzteile für Stichsäge | 2607329085
Hersteller: BOSCH
Artikelnummer: EB-0600576009-2607329085
nur Informationsartikel
Nie mehr lieferbar
keine Alternativen
Pos.
124
BOSCH Ein/Aus-Schalter | Ersatzteile für Stichsäge | 2607200019
Hersteller: BOSCH
Artikelnummer: EB-0600576009-2607200019
nur Informationsartikel
Nie mehr lieferbar
keine Alternativen
Pos.
126
BOSCH Netzanschlussleitung EU 4,15m 2 x 1,0mm H07 RN-F | Ersatzteile für Stichsäge | 1607000227
Hersteller: BOSCH
Artikelnummer: EB-0600576009-1607000227
Netto: 21,16 € zzgl. MwSt.
zzgl. 6,90 € Versand (brutto)
einmalig pro Bestellung

Lieferzeit: 5 Werktage

Pos.
127
BOSCH Tülle Ø6,5-Ø6,9x95 MM | Ersatzteile für Stichsäge | 2600703012
Hersteller: BOSCH
Artikelnummer: EB-0600576009-2600703012
Netto: 4,82 € zzgl. MwSt.
zzgl. 6,90 € Versand (brutto)
einmalig pro Bestellung

Lieferzeit: 5 Werktage

Pos.
127
BOSCH Tülle Ø7,6-Ø8,2x95 MM | Ersatzteile für Stichsäge | 2600703013
Hersteller: BOSCH
Artikelnummer: EB-0600576009-2600703013
Netto: 4,53 € zzgl. MwSt.
zzgl. 6,90 € Versand (brutto)
einmalig pro Bestellung

Lieferzeit: 5 Werktage

Pos.
127
BOSCH Tülle Ø8,3-Ø9,4x95 MM | Ersatzteile für Stichsäge | 2600703011
Hersteller: BOSCH
Artikelnummer: EB-0600576009-2600703011
Netto: 4,82 € zzgl. MwSt.
zzgl. 6,90 € Versand (brutto)
einmalig pro Bestellung

Lieferzeit: 5 Werktage

Pos.
128
BOSCH Leitungshalter | Ersatzteile für Stichsäge | 2601035001
Hersteller: BOSCH
Artikelnummer: EB-0600576009-2601035001
Netto: 3,94 € zzgl. MwSt.
zzgl. 6,90 € Versand (brutto)
einmalig pro Bestellung

Lieferzeit: 5 Werktage

Pos.
129
BOSCH Blechschraube DIN 7971-ST3,9x16-F | Ersatzteile für Stichsäge | 2910211019
Hersteller: BOSCH
Artikelnummer: EB-0600576009-2910211019
Netto: 3,63 € zzgl. MwSt.
zzgl. 6,90 € Versand (brutto)
einmalig pro Bestellung

Lieferzeit: 5 Werktage

Pos.
130
BOSCH Firmenschild | Ersatzteile für Stichsäge | 1601110013
Hersteller: BOSCH
Artikelnummer: EB-0600576009-1601110013
nur Informationsartikel
Nie mehr lieferbar
keine Alternativen
Pos.
130
BOSCH Typschild | Ersatzteile für Stichsäge | 160111A3H3
Hersteller: BOSCH
Artikelnummer: EB-0600576009-160111A3H3
Netto: 4,53 € zzgl. MwSt.
zzgl. 6,90 € Versand (brutto)
einmalig pro Bestellung

Lieferzeit: 5 Werktage

Pos.
130
BOSCH Typschild 26x52 MM | Ersatzteile für Stichsäge | 1601106032
Hersteller: BOSCH
Artikelnummer: EB-0600576009-1601106032
nur Informationsartikel
Nie mehr lieferbar
keine Alternativen
Pos.
131
BOSCH Gehäusedeckel BLAU | Ersatzteile für Stichsäge | 2600508028
Hersteller: BOSCH
Artikelnummer: EB-0600576009-2600508028
nur Informationsartikel
Nie mehr lieferbar
keine Alternativen
Pos.
132
BOSCH Senkblechschraube BZ 3,9x19 DIN 7972 | Ersatzteile für Stichsäge | 2910601020
Hersteller: BOSCH
Artikelnummer: EB-0600576009-2910601020
nur Informationsartikel
Nie mehr lieferbar
keine Alternativen
Pos.
136
BOSCH Blechschraube DIN 7971-BZ2,9x6,5 | Ersatzteile für Stichsäge | 2910211004
Hersteller: BOSCH
Artikelnummer: EB-0600576009-2910211004
nur Informationsartikel
Nie mehr lieferbar
keine Alternativen
Pos.
138
BOSCH Anschlussklemme | Ersatzteile für Stichsäge | 2604490003
Hersteller: BOSCH
Artikelnummer: EB-0600576009-2604490003
nur Informationsartikel
Nie mehr lieferbar
keine Alternativen
Pos.
139
BOSCH Zylinderschraube M3x6,5-4.8 | Ersatzteile für Stichsäge | 2603410001
Hersteller: BOSCH
Artikelnummer: EB-0600576009-2603410001
Netto: 3,94 € zzgl. MwSt.
zzgl. 6,90 € Versand (brutto)
einmalig pro Bestellung

Lieferzeit: 5 Werktage

Pos.
144
BOSCH Verbindungsleitung | Ersatzteile für Stichsäge | 2604411041
Hersteller: BOSCH
Artikelnummer: EB-0600576009-2604411041
nur Informationsartikel
Nie mehr lieferbar
keine Alternativen
Pos.
150
BOSCH Ein/Aus-Schalter | Ersatzteile für Stichsäge | 2607200907
Hersteller: BOSCH
Artikelnummer: EB-0600576009-2607200907
nur Informationsartikel
Nie mehr lieferbar
keine Alternativen
Pos.
151
BOSCH Si-Diode | Ersatzteile für Stichsäge | 2607320008
Hersteller: BOSCH
Artikelnummer: EB-0600576009-2607320008
nur Informationsartikel
Nie mehr lieferbar
keine Alternativen
Pos.
152
BOSCH Elektr Leitung | Ersatzteile für Stichsäge | 1604411002
Hersteller: BOSCH
Artikelnummer: EB-0600576009-1604411002
nur Informationsartikel
Nie mehr lieferbar
keine Alternativen
Pos.
152
BOSCH Elektr Leitung L=173 MM WEISS | Ersatzteile für Stichsäge | 2604413014
Hersteller: BOSCH
Artikelnummer: EB-0600576009-2604413014
nur Informationsartikel
Nie mehr lieferbar
keine Alternativen
Pos.
703
BOSCH Zusatzhandgriff | Ersatzteile für Stichsäge | 2602025003
Hersteller: BOSCH
Artikelnummer: EB-0600576009-2602025003
nur Informationsartikel
Nie mehr lieferbar
keine Alternativen

Angaben zur Produktsicherheit

Hersteller:
Robert Bosch Power Tools GmbH
Postfach 30 02 20
70442 Stuttgart

E-Mail:
kontakt@bosch.de