BOSCH Innensechskantschraube DIN 912-M8x25-8.8 | Ersatzteile für UBH 12/50 | 2910141244

Artikelnummer: EB-0611209003-2910141244

Position: 101

Marke: BOSCH


Bitte Kompatibilität prüfen!

Bitte prüfen Sie unbedingt die 10-stellige Typennummer Ihrer Maschine / Ihres Gerätes. Das Ersatzteil ist nur kompatibel, wenn Sie die Typennummer Ihrer Maschine in der unten stehenden Produktbeschreibung finden.

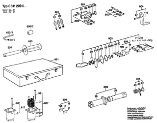
Bitte prüfen Sie ebenfalls detailliert die Explosionszeichnung mit Ihrem Artikelwunsch und der jeweiligen Pos-Nummer.

Alle Elemente, welche vom schwarzen Strich der Pos-Nummer ausgehend berührt / erfasst werden, gehören zu dieser Pos-Nummer und somit zu diesem Artikel. Jede Pos-Nummer ist ein eigenständiger Artikel, welchen Sie in der Auflistung finden.

Sie erhalten stets die aktuellste, neueste Produktversion zu der gewählten Pos-Nummer seitens des Herstellers. Es kann daher je nach Gerätealter vorkommen, dass Sie ggf. weitere, zugehörige Elemente, welche an diese Pos-Nummer grenzen, ebenfalls mittauschen müssen.

Nähere Informationen finden Sie unter dem Link
Hinweise zu Ihrer BOSCH Ersatzteilsuche

Preisübersicht

Einzelpreis: 3,94 €* (Brutto: 4,69 €)
Gesamtpreis: 3,94 €* 
Position:

Lieferzeit: 5 Werktage


Beschreibung

  • Innensechskantschraube DIN 912-M8x25-8.8
  • Original Bosch Zubehör / BOSCH Ersatzteil (2910141244)
  • im Gerät verbaut: 4
Dieses BOSCH Ersatzteil ist mit folgendem Gerät und Modell kompatibel:
  • BOSCH Gerätename: UBH 12/50
  • BOSCH Explosionszeichnung: Position 101
  • BOSCH Typennummer: 0611209003
  • BOSCH Typennummer alternative Schreibweisen: 0 611 209 003, 0611 209 003, 0.611.209.003, 0-611-209-003
    Bitte prüfen Sie diese Typennummer auf Ihrem Gerät um die Kompatibilität des BOSCH Ersatzteils zu gewährleisten.
Weitere BOSCH Ersatzteile des Gerätes UBH 12/50 (Bohrhammer) mit der Typennummer 0611209003 finden Sie in der nachfolgenden Darstellung und im Dropdown zu Ihrer Auswahl:

Pos.
1
BOSCH Motorgehäuse | Ersatzteile für UBH 12/50 | 1615106036
Hersteller: BOSCH
Artikelnummer: EB-0611209003-1615106036
nur Informationsartikel
Nie mehr lieferbar
keine Alternativen
Pos.
5
BOSCH Dichtscheibe | Ersatzteile für UBH 12/50 | 1610108012
Hersteller: BOSCH
Artikelnummer: EB-0611209003-1610108012
Netto: 3,94 € zzgl. MwSt.
zzgl. 6,90 € Versand (brutto)
einmalig pro Bestellung

Lieferzeit: 5 Werktage

Pos.
2
BOSCH Polschuh 220-230V | Ersatzteile für UBH 12/50 | 1617031009
Hersteller: BOSCH
Artikelnummer: EB-0611209003-1617031009
nur Informationsartikel
Nie mehr lieferbar
keine Alternativen
Pos.
6
BOSCH Ausgleichscheibe 1,0 MM DICK | Ersatzteile für UBH 12/50 | 1610102013
Hersteller: BOSCH
Artikelnummer: EB-0611209003-1610102013
Netto: 3,60 € zzgl. MwSt.
zzgl. 6,90 € Versand (brutto)
einmalig pro Bestellung

Lieferzeit: 5 Werktage

Pos.
10
BOSCH Radwelle | Ersatzteile für UBH 12/50 | 1613159007
Hersteller: BOSCH
Artikelnummer: EB-0611209003-1613159007
Netto: 32,16 € zzgl. MwSt.
zzgl. 6,90 € Versand (brutto)
einmalig pro Bestellung

Lieferzeit: 5 Werktage

Pos.
13
BOSCH Dichtrahmen | Ersatzteile für UBH 12/50 | 1611015023
Hersteller: BOSCH
Artikelnummer: EB-0611209003-1611015023
nur Informationsartikel
Nie mehr lieferbar
keine Alternativen
Pos.
4
BOSCH Anker 220-230V | Ersatzteile für UBH 12/50 | 1614011019
Hersteller: BOSCH
Artikelnummer: EB-0611209003-1614011019
nur Informationsartikel
Nie mehr lieferbar
keine Alternativen
Pos.
14
BOSCH Getriebedeckel | Ersatzteile für UBH 12/50 | 1615808050
Hersteller: BOSCH
Artikelnummer: EB-0611209003-1615808050
Netto: 45,41 € zzgl. MwSt.
zzgl. 6,90 € Versand (brutto)
einmalig pro Bestellung

Lieferzeit: 5 Werktage

Pos.
15
BOSCH Verschlussdeckel | Ersatzteile für UBH 12/50 | 1615500168
Hersteller: BOSCH
Artikelnummer: EB-0611209003-1615500168
Netto: 4,36 € zzgl. MwSt.
zzgl. 6,90 € Versand (brutto)
einmalig pro Bestellung

Lieferzeit: 5 Werktage

Pos.
16
BOSCH Lüfterdeckel | Ersatzteile für UBH 12/50 | 1615500276
Hersteller: BOSCH
Artikelnummer: EB-0611209003-1615500276
nur Informationsartikel
Nie mehr lieferbar
keine Alternativen
Pos.
7
BOSCH Lagerflansch | Ersatzteile für UBH 12/50 | 1615805060
Hersteller: BOSCH
Artikelnummer: EB-0611209003-1615805060
nur Informationsartikel
Nie mehr lieferbar
keine Alternativen
Pos.
17
BOSCH Schalterdeckel | Ersatzteile für UBH 12/50 | 1615500261
Hersteller: BOSCH
Artikelnummer: EB-0611209003-1615500261
Netto: 7,26 € zzgl. MwSt.
zzgl. 6,90 € Versand (brutto)
einmalig pro Bestellung

Lieferzeit: 5 Werktage

Pos.
8
BOSCH Lüfter | Ersatzteile für UBH 12/50 | 1616610047
Hersteller: BOSCH
Artikelnummer: EB-0611209003-1616610047
nur Informationsartikel
Nie mehr lieferbar
keine Alternativen
Pos.
18
BOSCH Verschlussdeckel | Ersatzteile für UBH 12/50 | 1615500282
Hersteller: BOSCH
Artikelnummer: EB-0611209003-1615500282
nur Informationsartikel
Nie mehr lieferbar
keine Alternativen
Pos.
21
BOSCH Gummiplatte | Ersatzteile für UBH 12/50 | 1612392001
Hersteller: BOSCH
Artikelnummer: EB-0611209003-1612392001
nur Informationsartikel
Nie mehr lieferbar
keine Alternativen
Pos.
11
BOSCH Stirnrad Z=45 | Ersatzteile für UBH 12/50 | 1616317029
Hersteller: BOSCH
Artikelnummer: EB-0611209003-1616317029
nur Informationsartikel
Nie mehr lieferbar
keine Alternativen
Pos.
22
BOSCH Gummiplatte | Ersatzteile für UBH 12/50 | 1612392000
Hersteller: BOSCH
Artikelnummer: EB-0611209003-1612392000
nur Informationsartikel
Nie mehr lieferbar
keine Alternativen
Pos.
12
BOSCH Stirnrad Z=47/21 | Ersatzteile für UBH 12/50 | 1616328025
Hersteller: BOSCH
Artikelnummer: EB-0611209003-1616328025
nur Informationsartikel
Nie mehr lieferbar
keine Alternativen
Pos.
23
BOSCH Handgriff SCHWARZ | Ersatzteile für UBH 12/50 | 1615133025
Hersteller: BOSCH
Artikelnummer: EB-0611209003-1615133025
Netto: 20,80 € zzgl. MwSt.
zzgl. 6,90 € Versand (brutto)
einmalig pro Bestellung

Lieferzeit: 5 Werktage

Pos.
25
BOSCH Mitnehmer Z=11/31 | Ersatzteile für UBH 12/50 | 1616490024
Hersteller: BOSCH
Artikelnummer: EB-0611209003-1616490024
Netto: 61,64 € zzgl. MwSt.
zzgl. 6,90 € Versand (brutto)
einmalig pro Bestellung

Lieferzeit: 5 Werktage

Pos.
26
BOSCH Schläger | Ersatzteile für UBH 12/50 | 1618710058
Hersteller: BOSCH
Artikelnummer: EB-0611209003-1618710058
Netto: 35,13 € zzgl. MwSt.
zzgl. 6,90 € Versand (brutto)
einmalig pro Bestellung

Lieferzeit: 5 Werktage

Pos.
27
BOSCH Hammerkolben | Ersatzteile für UBH 12/50 | 1618700047
Hersteller: BOSCH
Artikelnummer: EB-0611209003-1618700047
Netto: 23,72 € zzgl. MwSt.
zzgl. 6,90 € Versand (brutto)
einmalig pro Bestellung

Lieferzeit: 5 Werktage

Pos.
30
BOSCH Bohrhalter Z=12 | Ersatzteile für UBH 12/50 | 1618598100
Hersteller: BOSCH
Artikelnummer: EB-0611209003-1618598100
nur Informationsartikel
Nie mehr lieferbar
keine Alternativen
Pos.
37
BOSCH Pleuelstange | Ersatzteile für UBH 12/50 | 1612001029
Hersteller: BOSCH
Artikelnummer: EB-0611209003-1612001029
nur Informationsartikel
Nie mehr lieferbar
keine Alternativen
Pos.
40
BOSCH Distanzhülse | Ersatzteile für UBH 12/50 | 1610400020
Hersteller: BOSCH
Artikelnummer: EB-0611209003-1610400020
nur Informationsartikel
Nie mehr lieferbar
keine Alternativen
Pos.
20
BOSCH Spiralfeder | Ersatzteile für UBH 12/50 | 1614652000
Hersteller: BOSCH
Artikelnummer: EB-0611209003-1614652000
nur Informationsartikel
Nie mehr lieferbar
keine Alternativen
Pos.
44
BOSCH Kupplungsteil SW22 | Ersatzteile für UBH 12/50 | 1616409005
Hersteller: BOSCH
Artikelnummer: EB-0611209003-1616409005
Netto: 67,29 € zzgl. MwSt.
zzgl. 6,90 € Versand (brutto)
einmalig pro Bestellung

Lieferzeit: 5 Werktage

Pos.
46
BOSCH Ausgleichscheibe Ø40,2xØ60x0,3 MM | Ersatzteile für UBH 12/50 | 1610134004
Hersteller: BOSCH
Artikelnummer: EB-0611209003-1610134004
nur Informationsartikel
Nie mehr lieferbar
keine Alternativen
Pos.
48
BOSCH Zahnwelle Z= 8/8 | Ersatzteile für UBH 12/50 | 1613060009
Hersteller: BOSCH
Artikelnummer: EB-0611209003-1613060009
Netto: 61,64 € zzgl. MwSt.
zzgl. 6,90 € Versand (brutto)
einmalig pro Bestellung

Lieferzeit: 5 Werktage

Pos.
49
BOSCH Kolbenbolzen | Ersatzteile für UBH 12/50 | 1610300058
Hersteller: BOSCH
Artikelnummer: EB-0611209003-1610300058
Netto: 4,80 € zzgl. MwSt.
zzgl. 6,90 € Versand (brutto)
einmalig pro Bestellung

Lieferzeit: 5 Werktage

Pos.
50
BOSCH Verschlussschraube | Ersatzteile für UBH 12/50 | 1613465003
Hersteller: BOSCH
Artikelnummer: EB-0611209003-1613465003
Netto: 11,58 € zzgl. MwSt.
zzgl. 6,90 € Versand (brutto)
einmalig pro Bestellung

Lieferzeit: 5 Werktage

Pos.
51
BOSCH Dichtring | Ersatzteile für UBH 12/50 | 1610210048
Hersteller: BOSCH
Artikelnummer: EB-0611209003-1610210048
Netto: 4,80 € zzgl. MwSt.
zzgl. 6,90 € Versand (brutto)
einmalig pro Bestellung

Lieferzeit: 5 Werktage

Pos.
54
BOSCH Abdeckscheibe Ø12xØ26x2,0 MM | Ersatzteile für UBH 12/50 | 1610113005
Hersteller: BOSCH
Artikelnummer: EB-0611209003-1610113005
Netto: 3,94 € zzgl. MwSt.
zzgl. 6,90 € Versand (brutto)
einmalig pro Bestellung

Lieferzeit: 5 Werktage

Pos.
55
BOSCH Lagerbolzen | Ersatzteile für UBH 12/50 | 1610300052
Hersteller: BOSCH
Artikelnummer: EB-0611209003-1610300052
Netto: 6,27 € zzgl. MwSt.
zzgl. 6,90 € Versand (brutto)
einmalig pro Bestellung

Lieferzeit: 5 Werktage

Pos.
56
BOSCH Lagerbolzen | Ersatzteile für UBH 12/50 | 1610300057
Hersteller: BOSCH
Artikelnummer: EB-0611209003-1610300057
nur Informationsartikel
Nie mehr lieferbar
keine Alternativen
Pos.
29
BOSCH Schutzrohr | Ersatzteile für UBH 12/50 | 1615190006
Hersteller: BOSCH
Artikelnummer: EB-0611209003-1615190006
nur Informationsartikel
Nie mehr lieferbar
keine Alternativen
Pos.
57
BOSCH Typschild 26x52 MM | Ersatzteile für UBH 12/50 | 1601106032
Hersteller: BOSCH
Artikelnummer: EB-0611209003-1601106032
nur Informationsartikel
Nie mehr lieferbar
keine Alternativen
Pos.
58
BOSCH Halbrundkerbnagel 2x6 DIN 1476-ST | Ersatzteile für UBH 12/50 | 2917721034
Hersteller: BOSCH
Artikelnummer: EB-0611209003-2917721034
Netto: 3,60 € zzgl. MwSt.
zzgl. 6,90 € Versand (brutto)
einmalig pro Bestellung

Lieferzeit: 5 Werktage

Pos.
31
BOSCH Anschlagscheibe | Ersatzteile für UBH 12/50 | 1610114015
Hersteller: BOSCH
Artikelnummer: EB-0611209003-3606100101
nur Informationsartikel
Nie mehr lieferbar
keine Alternativen
Pos.
59
BOSCH Splint 3,2x18 DIN 94-ST | Ersatzteile für UBH 12/50 | 1904681350
Hersteller: BOSCH
Artikelnummer: EB-0611209003-1904681350
Netto: 3,94 € zzgl. MwSt.
zzgl. 6,90 € Versand (brutto)
einmalig pro Bestellung

Lieferzeit: 5 Werktage

Pos.
32
BOSCH Werkzeughalter | Ersatzteile für UBH 12/50 | 1618597036
Hersteller: BOSCH
Artikelnummer: EB-0611209003-1618597036
nur Informationsartikel
Nie mehr lieferbar
keine Alternativen
Pos.
60
BOSCH Abdeckscheibe 2,0 MM DICK | Ersatzteile für UBH 12/50 | 1610101010
Hersteller: BOSCH
Artikelnummer: EB-0611209003-1610101010
nur Informationsartikel
Nie mehr lieferbar
keine Alternativen
Pos.
61
BOSCH Netzanschlussleitung EU 4,15m 2 x 1,5mm H07 RN-F | Ersatzteile für UBH 12/50 | 1607000228
Hersteller: BOSCH
Artikelnummer: EB-0611209003-1607000228
Netto: 20,80 € zzgl. MwSt.
zzgl. 6,90 € Versand (brutto)
einmalig pro Bestellung

Lieferzeit: 5 Werktage

Pos.
61/02
BOSCH Aderendhülse DIN 46 228-A1-6 | Ersatzteile für UBH 12/50 | 1900452012
Hersteller: BOSCH
Artikelnummer: EB-0611209003-1900452012
Netto: 3,94 € zzgl. MwSt.
zzgl. 6,90 € Versand (brutto)
einmalig pro Bestellung

Lieferzeit: 5 Werktage

Pos.
62
BOSCH Tülle Ø9,2-Ø12x120 MM | Ersatzteile für UBH 12/50 | 3600703011
Hersteller: BOSCH
Artikelnummer: EB-0611209003-3600703011
Netto: 4,80 € zzgl. MwSt.
zzgl. 6,90 € Versand (brutto)
einmalig pro Bestellung

Lieferzeit: 5 Werktage

Pos.
66
BOSCH Anschlussklemme 2-POLIG | Ersatzteile für UBH 12/50 | 1611091002
Hersteller: BOSCH
Artikelnummer: EB-0611209003-1611091002
Netto: 3,60 € zzgl. MwSt.
zzgl. 6,90 € Versand (brutto)
einmalig pro Bestellung

Lieferzeit: 5 Werktage

Pos.
67
BOSCH Rillenkugellager 17x35x10 | Ersatzteile für UBH 12/50 | 1900905163
Hersteller: BOSCH
Artikelnummer: EB-0611209003-1900905163
Netto: 9,75 € zzgl. MwSt.
zzgl. 6,90 € Versand (brutto)
einmalig pro Bestellung

Lieferzeit: 5 Werktage

Pos.
68
BOSCH Rillenkugellager 10x32x12 | Ersatzteile für UBH 12/50 | 1610905001
Hersteller: BOSCH
Artikelnummer: EB-0611209003-1610905001
Netto: 12,50 € zzgl. MwSt.
zzgl. 6,90 € Versand (brutto)
einmalig pro Bestellung

Lieferzeit: 5 Werktage

Pos.
39
BOSCH Dichtring | Ersatzteile für UBH 12/50 | 1610280004
Hersteller: BOSCH
Artikelnummer: EB-0611209003-1610280004
nur Informationsartikel
Nie mehr lieferbar
keine Alternativen
Pos.
70
BOSCH Nadellager | Ersatzteile für UBH 12/50 | 1610910049
Hersteller: BOSCH
Artikelnummer: EB-0611209003-1610910049
Netto: 32,16 € zzgl. MwSt.
zzgl. 6,90 € Versand (brutto)
einmalig pro Bestellung

Lieferzeit: 5 Werktage

Pos.
71
BOSCH Nadellager | Ersatzteile für UBH 12/50 | 1610910060
Hersteller: BOSCH
Artikelnummer: EB-0611209003-1610910060
Netto: 25,97 € zzgl. MwSt.
zzgl. 6,90 € Versand (brutto)
einmalig pro Bestellung

Lieferzeit: 5 Werktage

Pos.
41
BOSCH Lagerbuchse | Ersatzteile für UBH 12/50 | 1615801022
Hersteller: BOSCH
Artikelnummer: EB-0611209003-1615801022
nur Informationsartikel
Nie mehr lieferbar
keine Alternativen
Pos.
72
BOSCH Nadellager | Ersatzteile für UBH 12/50 | 1610910007
Hersteller: BOSCH
Artikelnummer: EB-0611209003-1610910007
Netto: 18,86 € zzgl. MwSt.
zzgl. 6,90 € Versand (brutto)
einmalig pro Bestellung

Lieferzeit: 5 Werktage

Pos.
73
BOSCH Nadelkranz | Ersatzteile für UBH 12/50 | 1610913001
Hersteller: BOSCH
Artikelnummer: EB-0611209003-1610913001
nur Informationsartikel
Nie mehr lieferbar
keine Alternativen
Pos.
74
BOSCH Axialnadelkranz | Ersatzteile für UBH 12/50 | 1600920000
Hersteller: BOSCH
Artikelnummer: EB-0611209003-1600920000
Netto: 6,27 € zzgl. MwSt.
zzgl. 6,90 € Versand (brutto)
einmalig pro Bestellung

Lieferzeit: 5 Werktage

Pos.
75
BOSCH Sicherungsbügel DIN 472-32x1,2 MM | Ersatzteile für UBH 12/50 | 2916660013
Hersteller: BOSCH
Artikelnummer: EB-0611209003-2916660013
Netto: 4,36 € zzgl. MwSt.
zzgl. 6,90 € Versand (brutto)
einmalig pro Bestellung

Lieferzeit: 5 Werktage

Pos.
45
BOSCH Druckfeder | Ersatzteile für UBH 12/50 | 1614619006
Hersteller: BOSCH
Artikelnummer: EB-0611209003-1614619006
nur Informationsartikel
Nie mehr lieferbar
keine Alternativen
Pos.
76
BOSCH Sicherungsring DIN 472-26x1,2 MM | Ersatzteile für UBH 12/50 | 2916660010
Hersteller: BOSCH
Artikelnummer: EB-0611209003-2916660010
Netto: 3,60 € zzgl. MwSt.
zzgl. 6,90 € Versand (brutto)
einmalig pro Bestellung

Lieferzeit: 5 Werktage

Pos.
78
BOSCH Rillenkugellager 10x26x8 | Ersatzteile für UBH 12/50 | 1900905159
Hersteller: BOSCH
Artikelnummer: EB-0611209003-1900905159
Netto: 23,72 € zzgl. MwSt.
zzgl. 6,90 € Versand (brutto)
einmalig pro Bestellung

Lieferzeit: 5 Werktage

Pos.
81
BOSCH Federscheibe DIN 137-A4 | Ersatzteile für UBH 12/50 | 1600150006
Hersteller: BOSCH
Artikelnummer: EB-0611209003-1600150006
nur Informationsartikel
Nie mehr lieferbar
keine Alternativen
Pos.
83
BOSCH O-Ring 35x2,5MM | Ersatzteile für UBH 12/50 | 1900210136
Hersteller: BOSCH
Artikelnummer: EB-0611209003-1900210136
Netto: 5,17 € zzgl. MwSt.
zzgl. 6,90 € Versand (brutto)
einmalig pro Bestellung

Lieferzeit: 5 Werktage

Pos.
84
BOSCH O-Ring 70x3 MM | Ersatzteile für UBH 12/50 | 1900210160
Hersteller: BOSCH
Artikelnummer: EB-0611209003-1900210160
Netto: 6,75 € zzgl. MwSt.
zzgl. 6,90 € Versand (brutto)
einmalig pro Bestellung

Lieferzeit: 5 Werktage

Pos.
85
BOSCH O-Ring 55x3 MM | Ersatzteile für UBH 12/50 | 1900210152
Hersteller: BOSCH
Artikelnummer: EB-0611209003-1900210152
Netto: 5,17 € zzgl. MwSt.
zzgl. 6,90 € Versand (brutto)
einmalig pro Bestellung

Lieferzeit: 5 Werktage

Pos.
86
BOSCH O-Ring 30x2 MM | Ersatzteile für UBH 12/50 | 1900210130
Hersteller: BOSCH
Artikelnummer: EB-0611209003-1900210130
Netto: 5,17 € zzgl. MwSt.
zzgl. 6,90 € Versand (brutto)
einmalig pro Bestellung

Lieferzeit: 5 Werktage

Pos.
52
BOSCH Getriebegehäuse | Ersatzteile für UBH 12/50 | 1615806040
Hersteller: BOSCH
Artikelnummer: EB-0611209003-1615806040
nur Informationsartikel
Nie mehr lieferbar
keine Alternativen
Pos.
88
BOSCH O-Ring 22,0x6,0 MM | Ersatzteile für UBH 12/50 | 1610210042
Hersteller: BOSCH
Artikelnummer: EB-0611209003-1610210042
Netto: 3,94 € zzgl. MwSt.
zzgl. 6,90 € Versand (brutto)
einmalig pro Bestellung

Lieferzeit: 5 Werktage

Pos.
53
BOSCH Getriebegehäuse | Ersatzteile für UBH 12/50 | 1615806042
Hersteller: BOSCH
Artikelnummer: EB-0611209003-1615806042
nur Informationsartikel
Nie mehr lieferbar
keine Alternativen
Pos.
89
BOSCH Wellendichtring A 30x42x7 DIN 3760 | Ersatzteile für UBH 12/50 | 2916740053
Hersteller: BOSCH
Artikelnummer: EB-0611209003-2916740053
Netto: 10,47 € zzgl. MwSt.
zzgl. 6,90 € Versand (brutto)
einmalig pro Bestellung

Lieferzeit: 5 Werktage

Pos.
90
BOSCH Sechskantmutter DIN 985-M8-8 | Ersatzteile für UBH 12/50 | 2915061005
Hersteller: BOSCH
Artikelnummer: EB-0611209003-2915061005
Netto: 4,56 € zzgl. MwSt.
zzgl. 6,90 € Versand (brutto)
einmalig pro Bestellung

Lieferzeit: 5 Werktage

Pos.
91
BOSCH Nadelkranz | Ersatzteile für UBH 12/50 | 1610913006
Hersteller: BOSCH
Artikelnummer: EB-0611209003-1610913006
Netto: 5,17 € zzgl. MwSt.
zzgl. 6,90 € Versand (brutto)
einmalig pro Bestellung

Lieferzeit: 5 Werktage

Pos.
93
BOSCH Innensechskantschraube DIN 912-M 4x12-8.8 | Ersatzteile für UBH 12/50 | 2910141122
Hersteller: BOSCH
Artikelnummer: EB-0611209003-2910141122
Netto: 4,36 € zzgl. MwSt.
zzgl. 6,90 € Versand (brutto)
einmalig pro Bestellung

Lieferzeit: 5 Werktage

Pos.
57
BOSCH Typschild | Ersatzteile für UBH 12/50 | 160111A3H3
Hersteller: BOSCH
Artikelnummer: EB-0611209003-160111A3H3
Netto: 4,56 € zzgl. MwSt.
zzgl. 6,90 € Versand (brutto)
einmalig pro Bestellung

Lieferzeit: 5 Werktage

Pos.
93
BOSCH Innensechskantschraube DIN 912-M5x12-8.8 | Ersatzteile für UBH 12/50 | 2910141154
Hersteller: BOSCH
Artikelnummer: EB-0611209003-2910141154
Netto: 3,94 € zzgl. MwSt.
zzgl. 6,90 € Versand (brutto)
einmalig pro Bestellung

Lieferzeit: 5 Werktage

Pos.
94
BOSCH Sprengring DIN 9045-24 | Ersatzteile für UBH 12/50 | 2916601012
Hersteller: BOSCH
Artikelnummer: EB-0611209003-2916601012
Netto: 4,36 € zzgl. MwSt.
zzgl. 6,90 € Versand (brutto)
einmalig pro Bestellung

Lieferzeit: 5 Werktage

Pos.
96
BOSCH Zylinderschraube DIN 84-AM4x8-8.8 | Ersatzteile für UBH 12/50 | 2910021118
Hersteller: BOSCH
Artikelnummer: EB-0611209003-2910021118
Netto: 3,60 € zzgl. MwSt.
zzgl. 6,90 € Versand (brutto)
einmalig pro Bestellung

Lieferzeit: 5 Werktage

Pos.
99
BOSCH Zylinderschraube DIN 84-AM6x28-8.8 | Ersatzteile für UBH 12/50 | 2910021204
Hersteller: BOSCH
Artikelnummer: EB-0611209003-2910021204
nur Informationsartikel
Nie mehr lieferbar
keine Alternativen
Pos.
100
BOSCH Innensechskantschraube DIN 912-M6x18-8.8 | Ersatzteile für UBH 12/50 | 2910141199
Hersteller: BOSCH
Artikelnummer: EB-0611209003-2910141199
Netto: 5,17 € zzgl. MwSt.
zzgl. 6,90 € Versand (brutto)
einmalig pro Bestellung

Lieferzeit: 5 Werktage

Pos.
101
BOSCH Innensechskantschraube DIN 912-M8x25-8.8 | Ersatzteile für UBH 12/50 | 2910141244
Hersteller: BOSCH
Artikelnummer: EB-0611209003-2910141244
Netto: 3,94 € zzgl. MwSt.
zzgl. 6,90 € Versand (brutto)
einmalig pro Bestellung

Lieferzeit: 5 Werktage

Pos.
102
BOSCH Innensechskantschraube DIN 912-M5X16-8.8 | Ersatzteile für UBH 12/50 | 2910141158
Hersteller: BOSCH
Artikelnummer: EB-0611209003-2910141158
Netto: 3,60 € zzgl. MwSt.
zzgl. 6,90 € Versand (brutto)
einmalig pro Bestellung

Lieferzeit: 5 Werktage

Pos.
63
BOSCH Befestigungsschelle | Ersatzteile für UBH 12/50 | 1611302006
Hersteller: BOSCH
Artikelnummer: EB-0611209003-1611302006
nur Informationsartikel
Nie mehr lieferbar
keine Alternativen
Pos.
103
BOSCH Senkschraube M 8x16 DIN 7991-8.8 | Ersatzteile für UBH 12/50 | 2910540238
Hersteller: BOSCH
Artikelnummer: EB-0611209003-2910540238
nur Informationsartikel
Nie mehr lieferbar
keine Alternativen
Pos.
64
BOSCH Entstörfilter | Ersatzteile für UBH 12/50 | 1617328002
Hersteller: BOSCH
Artikelnummer: EB-0611209003-1617328002
nur Informationsartikel
Nie mehr lieferbar
keine Alternativen
Pos.
105
BOSCH Hinweisschild DOPPELT ISOLIERT | Ersatzteile für UBH 12/50 | 1601110058
Hersteller: BOSCH
Artikelnummer: EB-0611209003-1601110058
Netto: 3,94 € zzgl. MwSt.
zzgl. 6,90 € Versand (brutto)
einmalig pro Bestellung

Lieferzeit: 5 Werktage

Pos.
65
BOSCH Ein/Aus-Schalter | Ersatzteile für UBH 12/50 | 1617200017
Hersteller: BOSCH
Artikelnummer: EB-0611209003-1617200017
nur Informationsartikel
Nie mehr lieferbar
keine Alternativen
Pos.
112
BOSCH Stirnrad Z=31 | Ersatzteile für UBH 12/50 | 1616317027
Hersteller: BOSCH
Artikelnummer: EB-0611209003-1616317027
nur Informationsartikel
Nie mehr lieferbar
keine Alternativen
Pos.
113
BOSCH Zylinderschraube DIN 84-AM4x10-8.8 | Ersatzteile für UBH 12/50 | 2910021120
Hersteller: BOSCH
Artikelnummer: EB-0611209003-2910021120
Netto: 3,60 € zzgl. MwSt.
zzgl. 6,90 € Versand (brutto)
einmalig pro Bestellung

Lieferzeit: 5 Werktage

Pos.
114
BOSCH Ausgleichscheibe 0,3 MM DICK | Ersatzteile für UBH 12/50 | 1600101641
Hersteller: BOSCH
Artikelnummer: EB-0611209003-1600101641
Netto: 5,17 € zzgl. MwSt.
zzgl. 6,90 € Versand (brutto)
einmalig pro Bestellung

Lieferzeit: 5 Werktage

Pos.
115
BOSCH Sicherungsring DIN 472-45x1,75MM | Ersatzteile für UBH 12/50 | 2916660020
Hersteller: BOSCH
Artikelnummer: EB-0611209003-2916660020
Netto: 3,93 € zzgl. MwSt.
zzgl. 6,90 € Versand (brutto)
einmalig pro Bestellung

Lieferzeit: 5 Werktage

Pos.
69
BOSCH Rillenkugellager 12x32x10 | Ersatzteile für UBH 12/50 | 1900900302
Hersteller: BOSCH
Artikelnummer: EB-0611209003-1900900302
nur Informationsartikel
Nie mehr lieferbar
keine Alternativen
Pos.
650/1
BOSCH Winkelschraubendreher DIN 911;SW6 | Ersatzteile für UBH 12/50 | 1907950007
Hersteller: BOSCH
Artikelnummer: EB-0611209003-1907950007
Netto: 6,27 € zzgl. MwSt.
zzgl. 6,90 € Versand (brutto)
einmalig pro Bestellung

Lieferzeit: 5 Werktage

Pos.
652
BOSCH Schutzkappe | Ersatzteile für UBH 12/50 | 2600508019
Hersteller: BOSCH
Artikelnummer: EB-0611209003-2600508019
Netto: 3,94 € zzgl. MwSt.
zzgl. 6,90 € Versand (brutto)
einmalig pro Bestellung

Lieferzeit: 5 Werktage

Pos.
653
BOSCH Zusatzhandgriff M14 SCHWARZ | Ersatzteile für UBH 12/50 | 1602025022
Hersteller: BOSCH
Artikelnummer: EB-0611209003-1602025022
Netto: 11,41 € zzgl. MwSt.
zzgl. 6,90 € Versand (brutto)
einmalig pro Bestellung

Lieferzeit: 5 Werktage

Pos.
653
BOSCH Zusatzhandgriff M14, Ø37x115 MM SCHWARZ | Ersatzteile für UBH 12/50 | 1602025030
Hersteller: BOSCH
Artikelnummer: EB-0611209003-1602025030
Netto: 14,92 € zzgl. MwSt.
zzgl. 6,90 € Versand (brutto)
einmalig pro Bestellung

Lieferzeit: 5 Werktage

Pos.
802
BOSCH Sperrbolzen-Set | Ersatzteile für UBH 12/50 | 1617000014
Hersteller: BOSCH
Artikelnummer: EB-0611209003-1617000014
nur Informationsartikel
Nie mehr lieferbar
keine Alternativen
Pos.
808
BOSCH Kohlebürstensatz | Ersatzteile für UBH 12/50 | 1617014110
Hersteller: BOSCH
Artikelnummer: EB-0611209003-1617014110
Netto: 15,15 € zzgl. MwSt.
zzgl. 6,90 € Versand (brutto)
einmalig pro Bestellung

Lieferzeit: 5 Werktage

Pos.
810
BOSCH Exzenterzahnrad Z=36 | Ersatzteile für UBH 12/50 | 1616110029
Hersteller: BOSCH
Artikelnummer: EB-0611209003-1616110029
nur Informationsartikel
Nie mehr lieferbar
keine Alternativen
Pos.
811
BOSCH Kegelrad Z=28 | Ersatzteile für UBH 12/50 | 1616333016
Hersteller: BOSCH
Artikelnummer: EB-0611209003-1616333016
Netto: 61,64 € zzgl. MwSt.
zzgl. 6,90 € Versand (brutto)
einmalig pro Bestellung

Lieferzeit: 5 Werktage

Pos.
816
BOSCH Teilesatz | Ersatzteile für UBH 12/50 | 1617000091
Hersteller: BOSCH
Artikelnummer: EB-0611209003-1617000091
Netto: 74,05 € zzgl. MwSt.
zzgl. 6,90 € Versand (brutto)
einmalig pro Bestellung

Lieferzeit: 5 Werktage

Pos.
80
BOSCH Federring DIN 127-B 5 | Ersatzteile für UBH 12/50 | 2916680006
Hersteller: BOSCH
Artikelnummer: EB-0611209003-2916680006
nur Informationsartikel
Nie mehr lieferbar
keine Alternativen
Pos.
95
BOSCH Blechschraube DIN 7971-B 3,9x19 | Ersatzteile für UBH 12/50 | 2910211220
Hersteller: BOSCH
Artikelnummer: EB-0611209003-2910211220
nur Informationsartikel
Nie mehr lieferbar
keine Alternativen
Pos.
98
BOSCH Zylinderschraube DIN 84-B5x65-5.8 | Ersatzteile für UBH 12/50 | 2910011179
Hersteller: BOSCH
Artikelnummer: EB-0611209003-2910011179
nur Informationsartikel
Nie mehr lieferbar
keine Alternativen
Pos.
104
BOSCH Firmenschild | Ersatzteile für UBH 12/50 | 1611110162
Hersteller: BOSCH
Artikelnummer: EB-0611209003-1611110162
nur Informationsartikel
Nie mehr lieferbar
keine Alternativen
Pos.
651
BOSCH Tragkasten | Ersatzteile für UBH 12/50 | 1615438107
Hersteller: BOSCH
Artikelnummer: EB-0611209003-1615438107
nur Informationsartikel
Nie mehr lieferbar
keine Alternativen
Pos.
653
BOSCH Zusatzhandgriff | Ersatzteile für UBH 12/50 | 160202509Z
Hersteller: BOSCH
Artikelnummer: EB-0611209003-16020250A1
Netto: 13,81 € zzgl. MwSt.
zzgl. 6,90 € Versand (brutto)
einmalig pro Bestellung

Lieferzeit: 5 Werktage

Pos.
801
BOSCH Werkzeughalter-Set | Ersatzteile für UBH 12/50 | 1617000056
Hersteller: BOSCH
Artikelnummer: EB-0611209003-1617000056
nur Informationsartikel
Nie mehr lieferbar
keine Alternativen
Pos.
803
BOSCH Teilesatz | Ersatzteile für UBH 12/50 | 1617000055
Hersteller: BOSCH
Artikelnummer: EB-0611209003-1617000055
nur Informationsartikel
Nie mehr lieferbar
keine Alternativen
Pos.
804
BOSCH Teilesatz | Ersatzteile für UBH 12/50 | 1617000080
Hersteller: BOSCH
Artikelnummer: EB-0611209003-1617000080
nur Informationsartikel
Nie mehr lieferbar
keine Alternativen
Pos.
805
BOSCH Teilesatz | Ersatzteile für UBH 12/50 | 1617000081
Hersteller: BOSCH
Artikelnummer: EB-0611209003-1617000081
nur Informationsartikel
Nie mehr lieferbar
keine Alternativen
Pos.
809
BOSCH Teilesatz | Ersatzteile für UBH 12/50 | 1617031014
Hersteller: BOSCH
Artikelnummer: EB-0611209003-1617031014
nur Informationsartikel
Nie mehr lieferbar
keine Alternativen
Pos.
812
BOSCH Polgehäuse | Ersatzteile für UBH 12/50 | 1617000059
Hersteller: BOSCH
Artikelnummer: EB-0611209003-1617000059
nur Informationsartikel
Nie mehr lieferbar
keine Alternativen

Angaben zur Produktsicherheit

Hersteller:
Robert Bosch Power Tools GmbH
Postfach 30 02 20
70442 Stuttgart

E-Mail:
kontakt@bosch.de