BOSCH Rollenkranz | Ersatzteile für UBH 2/20 RLE | 1610920003

Artikelnummer: EB-0611210532-1610920003

Position: 41

Marke: BOSCH


Bitte Kompatibilität prüfen!

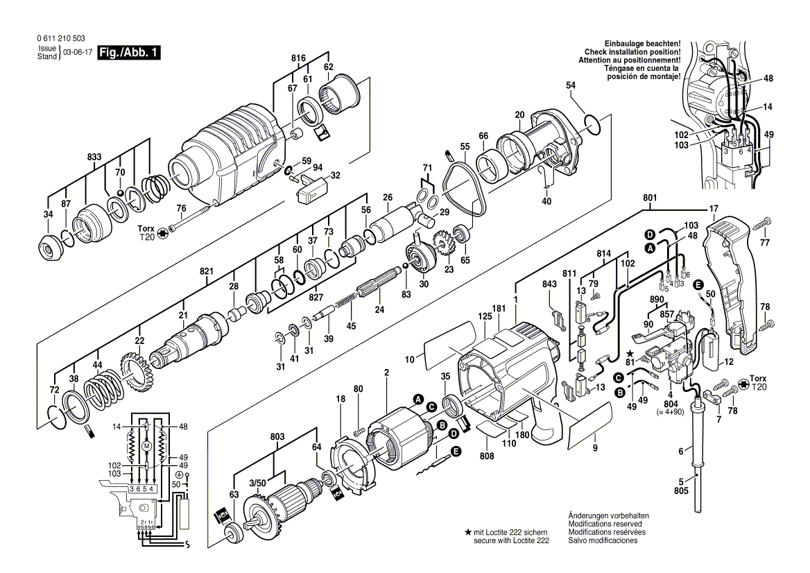
Bitte prüfen Sie unbedingt die 10-stellige Typennummer Ihrer Maschine / Ihres Gerätes. Das Ersatzteil ist nur kompatibel, wenn Sie die Typennummer Ihrer Maschine in der unten stehenden Produktbeschreibung finden.

Bitte prüfen Sie ebenfalls detailliert die Explosionszeichnung mit Ihrem Artikelwunsch und der jeweiligen Pos-Nummer.

Alle Elemente, welche vom schwarzen Strich der Pos-Nummer ausgehend berührt / erfasst werden, gehören zu dieser Pos-Nummer und somit zu diesem Artikel. Jede Pos-Nummer ist ein eigenständiger Artikel, welchen Sie in der Auflistung finden.

Sie erhalten stets die aktuellste, neueste Produktversion zu der gewählten Pos-Nummer seitens des Herstellers. Es kann daher je nach Gerätealter vorkommen, dass Sie ggf. weitere, zugehörige Elemente, welche an diese Pos-Nummer grenzen, ebenfalls mittauschen müssen.

Nähere Informationen finden Sie unter dem Link
Hinweise zu Ihrer BOSCH Ersatzteilsuche

Preisübersicht

Einzelpreis: 5,67 €* (Brutto: 6,75 €)
Gesamtpreis: 5,67 €* 
Position:

Lieferzeit: 5 Werktage


Beschreibung

  • Rollenkranz
  • Original Bosch Zubehör / BOSCH Ersatzteil (1610920003)
  • im Gerät verbaut: 1
Dieses BOSCH Ersatzteil ist mit folgendem Gerät und Modell kompatibel:
  • BOSCH Gerätename: UBH 2/20 RLE
  • BOSCH Explosionszeichnung: Position 41
  • BOSCH Typennummer: 0611210532
  • BOSCH Typennummer alternative Schreibweisen: 0 611 210 532, 0611 210 532, 0.611.210.532, 0-611-210-532
    Bitte prüfen Sie diese Typennummer auf Ihrem Gerät um die Kompatibilität des BOSCH Ersatzteils zu gewährleisten.
Weitere BOSCH Ersatzteile des Gerätes UBH 2/20 RLE (Gw-Bohrhammer) mit der Typennummer 0611210532 finden Sie in der nachfolgenden Darstellung und im Dropdown zu Ihrer Auswahl:

Pos.
123/1
BOSCH Spannband Ø43 MM | Ersatzteile für UBH 2/20 RLE | 1611316003
Hersteller: BOSCH
Artikelnummer: EB-0611210532-1611316003
Netto: 4,53 € zzgl. MwSt.
zzgl. 6,90 € Versand (brutto)
einmalig pro Bestellung

Lieferzeit: 5 Werktage

Pos.
3/50
BOSCH Lüfter SCHWARZ | Ersatzteile für UBH 2/20 RLE | 1616610072
Hersteller: BOSCH
Artikelnummer: EB-0611210532-1616610072
Netto: 4,32 € zzgl. MwSt.
zzgl. 6,90 € Versand (brutto)
einmalig pro Bestellung

Lieferzeit: 5 Werktage

Pos.
700/20
BOSCH Senkschraube M6x27 LINKSGEWINDE | Ersatzteile für UBH 2/20 RLE | 2603421226
Hersteller: BOSCH
Artikelnummer: EB-0611210532-2603421226
Netto: 3,94 € zzgl. MwSt.
zzgl. 6,90 € Versand (brutto)
einmalig pro Bestellung

Lieferzeit: 5 Werktage

Pos.
701/7
BOSCH Bohrfutterschlüssel SG2, SW4 | Ersatzteile für UBH 2/20 RLE | 1607950044
Hersteller: BOSCH
Artikelnummer: EB-0611210532-1607950044
Netto: 9,12 € zzgl. MwSt.
zzgl. 6,90 € Versand (brutto)
einmalig pro Bestellung

Lieferzeit: 5 Werktage

Pos.
711/10/2
BOSCH Sprengring | Ersatzteile für UBH 2/20 RLE | 2604601004
Hersteller: BOSCH
Artikelnummer: EB-0611210532-2604601004
nur Informationsartikel
Nie mehr lieferbar
keine Alternativen
Pos.
711/20
BOSCH Schrauberklinge NR.2,1/4 Zoll | Ersatzteile für UBH 2/20 RLE | 1608521004
Hersteller: BOSCH
Artikelnummer: EB-0611210532-1608521004
nur Informationsartikel
Nie mehr lieferbar
keine Alternativen
Pos.
711/30
BOSCH Schraubendrehereinsatz 3 STUECK | Ersatzteile für UBH 2/20 RLE | 2607000248
Hersteller: BOSCH
Artikelnummer: EB-0611210532-2607000248
nur Informationsartikel
Nie mehr lieferbar
keine Alternativen
Pos.
711/40
BOSCH Schrauberklinge GR.1,0x6, 1/4 Zoll | Ersatzteile für UBH 2/20 RLE | 1608511020
Hersteller: BOSCH
Artikelnummer: EB-0611210532-1608511020
nur Informationsartikel
Nie mehr lieferbar
keine Alternativen
Pos.
720/8
BOSCH Teilesatz | Ersatzteile für UBH 2/20 RLE | 1617000925
Hersteller: BOSCH
Artikelnummer: EB-0611210532-1617000925
nur Informationsartikel
Nie mehr lieferbar
keine Alternativen
Pos.
2
BOSCH Polschuh 220-230V | Ersatzteile für UBH 2/20 RLE | 2604220429
Hersteller: BOSCH
Artikelnummer: EB-0611210532-2604220429
Netto: 21,16 € zzgl. MwSt.
zzgl. 6,90 € Versand (brutto)
einmalig pro Bestellung

Lieferzeit: 5 Werktage

Pos.
4
BOSCH Schalter | Ersatzteile für UBH 2/20 RLE | 2607200209
Hersteller: BOSCH
Artikelnummer: EB-0611210532-2607200209
Netto: 35,77 € zzgl. MwSt.
zzgl. 6,90 € Versand (brutto)
einmalig pro Bestellung

Lieferzeit: 5 Werktage

Pos.
5
BOSCH Netzanschlussleitung CH 230V 4,15m 2 x 1,0mm H05 RN-F | Ersatzteile für UBH 2/20 RLE | 1604460440
Hersteller: BOSCH
Artikelnummer: EB-0611210532-1604460440
Netto: 17,38 € zzgl. MwSt.
zzgl. 6,90 € Versand (brutto)
einmalig pro Bestellung

Lieferzeit: 5 Werktage

Pos.
6
BOSCH Tülle Ø8,3-Ø9,4x95 MM | Ersatzteile für UBH 2/20 RLE | 2600703011
Hersteller: BOSCH
Artikelnummer: EB-0611210532-2600703011
Netto: 4,82 € zzgl. MwSt.
zzgl. 6,90 € Versand (brutto)
einmalig pro Bestellung

Lieferzeit: 5 Werktage

Pos.
7
BOSCH Leitungshalter | Ersatzteile für UBH 2/20 RLE | 2601035001
Hersteller: BOSCH
Artikelnummer: EB-0611210532-2601035001
Netto: 3,94 € zzgl. MwSt.
zzgl. 6,90 € Versand (brutto)
einmalig pro Bestellung

Lieferzeit: 5 Werktage

Pos.
9
BOSCH Firmenschild | Ersatzteile für UBH 2/20 RLE | 1611110416
Hersteller: BOSCH
Artikelnummer: EB-0611210532-1611110416
nur Informationsartikel
Nie mehr lieferbar
keine Alternativen
Pos.
10
BOSCH Hinweisschild | Ersatzteile für UBH 2/20 RLE | 1611110417
Hersteller: BOSCH
Artikelnummer: EB-0611210532-1611110417
nur Informationsartikel
Nie mehr lieferbar
keine Alternativen
Pos.
12
BOSCH Entstörfilter | Ersatzteile für UBH 2/20 RLE | 2607329096
Hersteller: BOSCH
Artikelnummer: EB-0611210532-2607329096
Netto: 7,76 € zzgl. MwSt.
zzgl. 6,90 € Versand (brutto)
einmalig pro Bestellung

Lieferzeit: 5 Werktage

Pos.
17
BOSCH Gehäusedeckel SCHWARZ | Ersatzteile für UBH 2/20 RLE | 1615132031
Hersteller: BOSCH
Artikelnummer: EB-0611210532-1615132034
nur Informationsartikel
Nie mehr lieferbar
keine Alternativen
Pos.
18
BOSCH Luftleitring | Ersatzteile für UBH 2/20 RLE | 1610522008
Hersteller: BOSCH
Artikelnummer: EB-0611210532-1610522008
Netto: 3,63 € zzgl. MwSt.
zzgl. 6,90 € Versand (brutto)
einmalig pro Bestellung

Lieferzeit: 5 Werktage

Pos.
20
BOSCH Zwischenflansch | Ersatzteile für UBH 2/20 RLE | 1615700037
Hersteller: BOSCH
Artikelnummer: EB-0611210532-1615700037
Netto: 35,77 € zzgl. MwSt.
zzgl. 6,90 € Versand (brutto)
einmalig pro Bestellung

Lieferzeit: 5 Werktage

Pos.
21
BOSCH Rasthülse SDS-PLUS | Ersatzteile für UBH 2/20 RLE | 1616490058
Hersteller: BOSCH
Artikelnummer: EB-0611210532-1616490058
Netto: 189,11 € zzgl. MwSt.
zzgl. 6,90 € Versand (brutto)
einmalig pro Bestellung

Lieferzeit: 5 Werktage

Pos.
22
BOSCH Stirnrad Z=46 | Ersatzteile für UBH 2/20 RLE | 1616320007
Hersteller: BOSCH
Artikelnummer: EB-0611210532-1616320007
Netto: 7,76 € zzgl. MwSt.
zzgl. 6,90 € Versand (brutto)
einmalig pro Bestellung

Lieferzeit: 5 Werktage

Pos.
23
BOSCH Stirnrad Z=6/21 | Ersatzteile für UBH 2/20 RLE | 1616320006
Hersteller: BOSCH
Artikelnummer: EB-0611210532-1616320006
nur Informationsartikel
Nie mehr lieferbar
keine Alternativen
Pos.
24
BOSCH Zahnwelle Z=6/10 | Ersatzteile für UBH 2/20 RLE | 1613060010
Hersteller: BOSCH
Artikelnummer: EB-0611210532-1613060010
Netto: 47,09 € zzgl. MwSt.
zzgl. 6,90 € Versand (brutto)
einmalig pro Bestellung

Lieferzeit: 5 Werktage

Pos.
26
BOSCH Hammerkolben | Ersatzteile für UBH 2/20 RLE | 1618700052
Hersteller: BOSCH
Artikelnummer: EB-0611210532-1618700052
Netto: 11,92 € zzgl. MwSt.
zzgl. 6,90 € Versand (brutto)
einmalig pro Bestellung

Lieferzeit: 5 Werktage

Pos.
28
BOSCH Schlagbolzen | Ersatzteile für UBH 2/20 RLE | 1613124026
Hersteller: BOSCH
Artikelnummer: EB-0611210532-1613124026
Netto: 4,82 € zzgl. MwSt.
zzgl. 6,90 € Versand (brutto)
einmalig pro Bestellung

Lieferzeit: 5 Werktage

Pos.
29
BOSCH Kolbenbolzen | Ersatzteile für UBH 2/20 RLE | 1613105012
Hersteller: BOSCH
Artikelnummer: EB-0611210532-1613105012
Netto: 5,19 € zzgl. MwSt.
zzgl. 6,90 € Versand (brutto)
einmalig pro Bestellung

Lieferzeit: 5 Werktage

Pos.
30
BOSCH Antriebslager | Ersatzteile für UBH 2/20 RLE | 1615819005
Hersteller: BOSCH
Artikelnummer: EB-0611210532-1615819005
Netto: 26,88 € zzgl. MwSt.
zzgl. 6,90 € Versand (brutto)
einmalig pro Bestellung

Lieferzeit: 5 Werktage

Pos.
31
BOSCH Lagerscheibe 0,8 MM DICK | Ersatzteile für UBH 2/20 RLE | 1610100003
Hersteller: BOSCH
Artikelnummer: EB-0611210532-1610100003
Netto: 3,94 € zzgl. MwSt.
zzgl. 6,90 € Versand (brutto)
einmalig pro Bestellung

Lieferzeit: 5 Werktage

Pos.
32
BOSCH Knebelgriff SCHWARZ | Ersatzteile für UBH 2/20 RLE | 1612026023
Hersteller: BOSCH
Artikelnummer: EB-0611210532-1612026023
Netto: 4,53 € zzgl. MwSt.
zzgl. 6,90 € Versand (brutto)
einmalig pro Bestellung

Lieferzeit: 5 Werktage

Pos.
34
BOSCH Schutzkappe L=17 MM, SDS-PLUS | Ersatzteile für UBH 2/20 RLE | 1610508008
Hersteller: BOSCH
Artikelnummer: EB-0611210532-1610508008
nur Informationsartikel
Nie mehr lieferbar
keine Alternativen
Pos.
35
BOSCH Gummiring | Ersatzteile für UBH 2/20 RLE | 1610206021
Hersteller: BOSCH
Artikelnummer: EB-0611210532-1610206021
Netto: 3,94 € zzgl. MwSt.
zzgl. 6,90 € Versand (brutto)
einmalig pro Bestellung

Lieferzeit: 5 Werktage

Pos.
37
BOSCH Dämpfungsbuchse | Ersatzteile für UBH 2/20 RLE | 1610390011
Hersteller: BOSCH
Artikelnummer: EB-0611210532-1610390011
Netto: 5,19 € zzgl. MwSt.
zzgl. 6,90 € Versand (brutto)
einmalig pro Bestellung

Lieferzeit: 5 Werktage

Pos.
38
BOSCH Stützscheibe | Ersatzteile für UBH 2/20 RLE | 1610102022
Hersteller: BOSCH
Artikelnummer: EB-0611210532-1610102022
Netto: 4,32 € zzgl. MwSt.
zzgl. 6,90 € Versand (brutto)
einmalig pro Bestellung

Lieferzeit: 5 Werktage

Pos.
39
BOSCH Zylinderstift | Ersatzteile für UBH 2/20 RLE | 1613100013
Hersteller: BOSCH
Artikelnummer: EB-0611210532-1613100013
Netto: 4,32 € zzgl. MwSt.
zzgl. 6,90 € Versand (brutto)
einmalig pro Bestellung

Lieferzeit: 5 Werktage

Pos.
40
BOSCH Haltefeder | Ersatzteile für UBH 2/20 RLE | 1614690001
Hersteller: BOSCH
Artikelnummer: EB-0611210532-1614690001
Netto: 3,63 € zzgl. MwSt.
zzgl. 6,90 € Versand (brutto)
einmalig pro Bestellung

Lieferzeit: 5 Werktage

Pos.
41
BOSCH Rollenkranz | Ersatzteile für UBH 2/20 RLE | 1610920003
Hersteller: BOSCH
Artikelnummer: EB-0611210532-1610920003
Netto: 5,67 € zzgl. MwSt.
zzgl. 6,90 € Versand (brutto)
einmalig pro Bestellung

Lieferzeit: 5 Werktage

Pos.
44
BOSCH Druckfeder | Ersatzteile für UBH 2/20 RLE | 1614633001
Hersteller: BOSCH
Artikelnummer: EB-0611210532-1614633001
Netto: 4,32 € zzgl. MwSt.
zzgl. 6,90 € Versand (brutto)
einmalig pro Bestellung

Lieferzeit: 5 Werktage

Pos.
45
BOSCH Druckfeder | Ersatzteile für UBH 2/20 RLE | 1614614001
Hersteller: BOSCH
Artikelnummer: EB-0611210532-1614614001
Netto: 3,63 € zzgl. MwSt.
zzgl. 6,90 € Versand (brutto)
einmalig pro Bestellung

Lieferzeit: 5 Werktage

Pos.
48
BOSCH Verbindungsleitung L=90 MM WEISS | Ersatzteile für UBH 2/20 RLE | 1614431023
Hersteller: BOSCH
Artikelnummer: EB-0611210532-1614431023
nur Informationsartikel
Nie mehr lieferbar
keine Alternativen
Pos.
49
BOSCH Elektr Leitung L=130 MM WEISS | Ersatzteile für UBH 2/20 RLE | 2604448005
Hersteller: BOSCH
Artikelnummer: EB-0611210532-2604448005
Netto: 3,94 € zzgl. MwSt.
zzgl. 6,90 € Versand (brutto)
einmalig pro Bestellung

Lieferzeit: 5 Werktage

Pos.
50
BOSCH Elektr Leitung | Ersatzteile für UBH 2/20 RLE | 2604448003
Hersteller: BOSCH
Artikelnummer: EB-0611210532-2604448003
nur Informationsartikel
Nie mehr lieferbar
keine Alternativen
Pos.
54
BOSCH O-Ring 24,0x2,5 MM | Ersatzteile für UBH 2/20 RLE | 1610210068
Hersteller: BOSCH
Artikelnummer: EB-0611210532-1610210068
Netto: 3,94 € zzgl. MwSt.
zzgl. 6,90 € Versand (brutto)
einmalig pro Bestellung

Lieferzeit: 5 Werktage

Pos.
55
BOSCH Dichtring | Ersatzteile für UBH 2/20 RLE | 1610206023
Hersteller: BOSCH
Artikelnummer: EB-0611210532-1610206023
Netto: 4,82 € zzgl. MwSt.
zzgl. 6,90 € Versand (brutto)
einmalig pro Bestellung

Lieferzeit: 5 Werktage

Pos.
56
BOSCH O-Ring 14,0x3,0 MM | Ersatzteile für UBH 2/20 RLE | 1610210070
Hersteller: BOSCH
Artikelnummer: EB-0611210532-1610210070
Netto: 4,53 € zzgl. MwSt.
zzgl. 6,90 € Versand (brutto)
einmalig pro Bestellung

Lieferzeit: 5 Werktage

Pos.
58
BOSCH O-Ring 18,0x3,0 MM | Ersatzteile für UBH 2/20 RLE | 1610210058
Hersteller: BOSCH
Artikelnummer: EB-0611210532-1610210058
Netto: 4,53 € zzgl. MwSt.
zzgl. 6,90 € Versand (brutto)
einmalig pro Bestellung

Lieferzeit: 5 Werktage

Pos.
59
BOSCH O-Ring 6,0x2,5 MM | Ersatzteile für UBH 2/20 RLE | 1610210069
Hersteller: BOSCH
Artikelnummer: EB-0611210532-1610210069
Netto: 3,63 € zzgl. MwSt.
zzgl. 6,90 € Versand (brutto)
einmalig pro Bestellung

Lieferzeit: 5 Werktage

Pos.
60
BOSCH O-Ring 10,0x3,5 MM | Ersatzteile für UBH 2/20 RLE | 1610210073
Hersteller: BOSCH
Artikelnummer: EB-0611210532-1610210073
Netto: 4,32 € zzgl. MwSt.
zzgl. 6,90 € Versand (brutto)
einmalig pro Bestellung

Lieferzeit: 5 Werktage

Pos.
61
BOSCH Radial-Wellendichtring | Ersatzteile für UBH 2/20 RLE | 1610283017
Hersteller: BOSCH
Artikelnummer: EB-0611210532-1610283017
Netto: 7,76 € zzgl. MwSt.
zzgl. 6,90 € Versand (brutto)
einmalig pro Bestellung

Lieferzeit: 5 Werktage

Pos.
62
BOSCH Gleitlager | Ersatzteile für UBH 2/20 RLE | 1610202026
Hersteller: BOSCH
Artikelnummer: EB-0611210532-1610202026
Netto: 6,15 € zzgl. MwSt.
zzgl. 6,90 € Versand (brutto)
einmalig pro Bestellung

Lieferzeit: 5 Werktage

Pos.
63
BOSCH Rillenkugellager 9x24x7 | Ersatzteile für UBH 2/20 RLE | 1610905048
Hersteller: BOSCH
Artikelnummer: EB-0611210532-1610905048
Netto: 8,33 € zzgl. MwSt.
zzgl. 6,90 € Versand (brutto)
einmalig pro Bestellung

Lieferzeit: 5 Werktage

Pos.
64
BOSCH Kugellager 7x19x6 | Ersatzteile für UBH 2/20 RLE | 2600905032
Hersteller: BOSCH
Artikelnummer: EB-0611210532-2600905032
Netto: 6,15 € zzgl. MwSt.
zzgl. 6,90 € Versand (brutto)
einmalig pro Bestellung

Lieferzeit: 39 Werktage

Pos.
65
BOSCH Rillenkugellager 8x22x7 | Ersatzteile für UBH 2/20 RLE | 1900900228
Hersteller: BOSCH
Artikelnummer: EB-0611210532-1900900228
Netto: 6,75 € zzgl. MwSt.
zzgl. 6,90 € Versand (brutto)
einmalig pro Bestellung

Lieferzeit: 5 Werktage

Pos.
66
BOSCH Nadelhülse Ø30xØ37x12 MM | Ersatzteile für UBH 2/20 RLE | 1610910063
Hersteller: BOSCH
Artikelnummer: EB-0611210532-1610910063
Netto: 6,70 € zzgl. MwSt.
zzgl. 6,90 € Versand (brutto)
einmalig pro Bestellung

Lieferzeit: 5 Werktage

Pos.
67
BOSCH Nadelhülse | Ersatzteile für UBH 2/20 RLE | 1610910064
Hersteller: BOSCH
Artikelnummer: EB-0611210532-1610910064
nur Informationsartikel
Nie mehr lieferbar
keine Alternativen
Pos.
68
BOSCH Rollenkranz | Ersatzteile für UBH 2/20 RLE | 1610920004
Hersteller: BOSCH
Artikelnummer: EB-0611210532-1610920004
Netto: 4,32 € zzgl. MwSt.
zzgl. 6,90 € Versand (brutto)
einmalig pro Bestellung

Lieferzeit: 5 Werktage

Pos.
69
BOSCH Lagerscheibe 1,0 MM DICK | Ersatzteile für UBH 2/20 RLE | 1610102618
Hersteller: BOSCH
Artikelnummer: EB-0611210532-1610102618
nur Informationsartikel
Nie mehr lieferbar
keine Alternativen
Pos.
70
BOSCH Kugel DIN 5401-Ø7MM-III-ST | Ersatzteile für UBH 2/20 RLE | 1903230013
Hersteller: BOSCH
Artikelnummer: EB-0611210532-1903230013
Netto: 4,32 € zzgl. MwSt.
zzgl. 6,90 € Versand (brutto)
einmalig pro Bestellung

Lieferzeit: 32 Werktage

Pos.
71
BOSCH Distanzscheibe 1,2 MM DICK | Ersatzteile für UBH 2/20 RLE | 1610101011
Hersteller: BOSCH
Artikelnummer: EB-0611210532-1610101011
Netto: 3,94 € zzgl. MwSt.
zzgl. 6,90 € Versand (brutto)
einmalig pro Bestellung

Lieferzeit: 5 Werktage

Pos.
72
BOSCH Sprengring DIN 7993-A32 | Ersatzteile für UBH 2/20 RLE | 2916540018
Hersteller: BOSCH
Artikelnummer: EB-0611210532-2916540018
Netto: 5,19 € zzgl. MwSt.
zzgl. 6,90 € Versand (brutto)
einmalig pro Bestellung

Lieferzeit: 5 Werktage

Pos.
73
BOSCH Sprengring DIN 9045-24 | Ersatzteile für UBH 2/20 RLE | 1614601009
Hersteller: BOSCH
Artikelnummer: EB-0611210532-1614601009
Netto: 3,63 € zzgl. MwSt.
zzgl. 6,90 € Versand (brutto)
einmalig pro Bestellung

Lieferzeit: 5 Werktage

Pos.
76
BOSCH Blechschraube ST-4,8x57,5-TORX,T20 | Ersatzteile für UBH 2/20 RLE | 1613435009
Hersteller: BOSCH
Artikelnummer: EB-0611210532-1613435009
Netto: 3,94 € zzgl. MwSt.
zzgl. 6,90 € Versand (brutto)
einmalig pro Bestellung

Lieferzeit: 5 Werktage

Pos.
77
BOSCH Blechschraube DIN 7971-ST3,9x22-F | Ersatzteile für UBH 2/20 RLE | 2910211021
Hersteller: BOSCH
Artikelnummer: EB-0611210532-2910211021
Netto: 3,94 € zzgl. MwSt.
zzgl. 6,90 € Versand (brutto)
einmalig pro Bestellung

Lieferzeit: 5 Werktage

Pos.
78
BOSCH Blechschraube ST3,9x19-TORX,T20 | Ersatzteile für UBH 2/20 RLE | 1603435050
Hersteller: BOSCH
Artikelnummer: EB-0611210532-1603435050
Netto: 3,94 € zzgl. MwSt.
zzgl. 6,90 € Versand (brutto)
einmalig pro Bestellung

Lieferzeit: 5 Werktage

Pos.
79
BOSCH Blechschraube DIN 7971-ST2,9x9,5-F | Ersatzteile für UBH 2/20 RLE | 2910211005
Hersteller: BOSCH
Artikelnummer: EB-0611210532-2910211005
nur Informationsartikel
Nie mehr lieferbar
keine Alternativen
Pos.
80
BOSCH Kreuzschlitzschraube DIN 7981-ST3,5x9,5-F | Ersatzteile für UBH 2/20 RLE | 2603435015
Hersteller: BOSCH
Artikelnummer: EB-0611210532-2603435015
Netto: 4,32 € zzgl. MwSt.
zzgl. 6,90 € Versand (brutto)
einmalig pro Bestellung

Lieferzeit: 5 Werktage

Pos.
81
BOSCH Zylinderschraube M3x6,5-4.8 | Ersatzteile für UBH 2/20 RLE | 2603410001
Hersteller: BOSCH
Artikelnummer: EB-0611210532-2603410001
Netto: 3,94 € zzgl. MwSt.
zzgl. 6,90 € Versand (brutto)
einmalig pro Bestellung

Lieferzeit: 5 Werktage

Pos.
83
BOSCH Kugel 5 MM V DIN 5401 | Ersatzteile für UBH 2/20 RLE | 1903230309
Hersteller: BOSCH
Artikelnummer: EB-0611210532-1903230309
Netto: 3,94 € zzgl. MwSt.
zzgl. 6,90 € Versand (brutto)
einmalig pro Bestellung

Lieferzeit: 5 Werktage

Pos.
87
BOSCH Sprengring DIN 7993-A22 | Ersatzteile für UBH 2/20 RLE | 2916540012
Hersteller: BOSCH
Artikelnummer: EB-0611210532-2916540012
Netto: 4,83 € zzgl. MwSt.
zzgl. 6,90 € Versand (brutto)
einmalig pro Bestellung

Lieferzeit: 5 Werktage

Pos.
90
BOSCH Schalter | Ersatzteile für UBH 2/20 RLE | 1617200042
Hersteller: BOSCH
Artikelnummer: EB-0611210532-1617200042
Netto: 14,36 € zzgl. MwSt.
zzgl. 6,90 € Versand (brutto)
einmalig pro Bestellung

Lieferzeit: 5 Werktage

Pos.
94
BOSCH Rastbolzen | Ersatzteile für UBH 2/20 RLE | 1613120017
Hersteller: BOSCH
Artikelnummer: EB-0611210532-1613120017
Netto: 3,94 € zzgl. MwSt.
zzgl. 6,90 € Versand (brutto)
einmalig pro Bestellung

Lieferzeit: 5 Werktage

Pos.
102
BOSCH Entstörfilter L=126 MM WEISS | Ersatzteile für UBH 2/20 RLE | 2604465097
Hersteller: BOSCH
Artikelnummer: EB-0611210532-2604465097
Netto: 6,70 € zzgl. MwSt.
zzgl. 6,90 € Versand (brutto)
einmalig pro Bestellung

Lieferzeit: 5 Werktage

Pos.
103
BOSCH Verbindungsleitung L=55 MM WEISS | Ersatzteile für UBH 2/20 RLE | 1614448017
Hersteller: BOSCH
Artikelnummer: EB-0611210532-1614448017
Netto: 4,32 € zzgl. MwSt.
zzgl. 6,90 € Versand (brutto)
einmalig pro Bestellung

Lieferzeit: 5 Werktage

Pos.
120
BOSCH Zusatzhandgriff M8 | Ersatzteile für UBH 2/20 RLE | 1612025019
Hersteller: BOSCH
Artikelnummer: EB-0611210532-1612025019
Netto: 7,30 € zzgl. MwSt.
zzgl. 6,90 € Versand (brutto)
einmalig pro Bestellung

Lieferzeit: 5 Werktage

Pos.
121
BOSCH Klemmhalter Ø43 MM | Ersatzteile für UBH 2/20 RLE | 1618040048
Hersteller: BOSCH
Artikelnummer: EB-0611210532-1618040048
Netto: 8,33 € zzgl. MwSt.
zzgl. 6,90 € Versand (brutto)
einmalig pro Bestellung

Lieferzeit: 5 Werktage

Pos.
122
BOSCH Hammerschraube M8x40 MM | Ersatzteile für UBH 2/20 RLE | 1613490002
Hersteller: BOSCH
Artikelnummer: EB-0611210532-1613490002
Netto: 5,67 € zzgl. MwSt.
zzgl. 6,90 € Versand (brutto)
einmalig pro Bestellung

Lieferzeit: 5 Werktage

Pos.
123
BOSCH Spannband Ø43 MM | Ersatzteile für UBH 2/20 RLE | 1611316006
Hersteller: BOSCH
Artikelnummer: EB-0611210532-1611316006
Netto: 4,53 € zzgl. MwSt.
zzgl. 6,90 € Versand (brutto)
einmalig pro Bestellung

Lieferzeit: 5 Werktage

Pos.
124
BOSCH Zylinderstift | Ersatzteile für UBH 2/20 RLE | 1613100012
Hersteller: BOSCH
Artikelnummer: EB-0611210532-1613100012
Netto: 4,53 € zzgl. MwSt.
zzgl. 6,90 € Versand (brutto)
einmalig pro Bestellung

Lieferzeit: 5 Werktage

Pos.
125
BOSCH Firmenschild ARBEITSHINWEIS | Ersatzteile für UBH 2/20 RLE | 1611110345
Hersteller: BOSCH
Artikelnummer: EB-0611210532-1611110345
nur Informationsartikel
Nie mehr lieferbar
keine Alternativen
Pos.
691
BOSCH Tragkasten BLAU | Ersatzteile für UBH 2/20 RLE | 1615438366
Hersteller: BOSCH
Artikelnummer: EB-0611210532-1615438366
nur Informationsartikel
Nie mehr lieferbar
keine Alternativen
Pos.
700
BOSCH Bohrfutterschaft SDS-PLUS | Ersatzteile für UBH 2/20 RLE | 1617000132
Hersteller: BOSCH
Artikelnummer: EB-0611210532-1617000132
Netto: 27,20 € zzgl. MwSt.
zzgl. 6,90 € Versand (brutto)
einmalig pro Bestellung

Lieferzeit: 5 Werktage

Pos.
701
BOSCH Zahnkranzbohrfutter R/L Ø13 MM, 1/2 Zoll-20 UNF | Ersatzteile für UBH 2/20 RLE | 1608571062
Hersteller: BOSCH
Artikelnummer: EB-0611210532-1608571062
Netto: 41,84 € zzgl. MwSt.
zzgl. 6,90 € Versand (brutto)
einmalig pro Bestellung

Lieferzeit: 5 Werktage

Pos.
711
BOSCH Teilesatz | Ersatzteile für UBH 2/20 RLE | 1617000133
Hersteller: BOSCH
Artikelnummer: EB-0611210532-1617000133
nur Informationsartikel
Nie mehr lieferbar
keine Alternativen
Pos.
720
BOSCH Zusatzhandgriff Ø43 MM | Ersatzteile für UBH 2/20 RLE | 2602025070
Hersteller: BOSCH
Artikelnummer: EB-0611210532-2602025070
nur Informationsartikel
Nie mehr lieferbar
keine Alternativen
Pos.
751
BOSCH Tiefenanschlag SW 6x210 MM | Ersatzteile für UBH 2/20 RLE | 1613001010
Hersteller: BOSCH
Artikelnummer: EB-0611210532-1613001010
Netto: 7,03 € zzgl. MwSt.
zzgl. 6,90 € Versand (brutto)
einmalig pro Bestellung

Lieferzeit: 5 Werktage

Pos.
801
BOSCH Teilesatz BLAU | Ersatzteile für UBH 2/20 RLE | 1615108045
Hersteller: BOSCH
Artikelnummer: EB-0611210532-1615108045
nur Informationsartikel
Nie mehr lieferbar
keine Alternativen
Pos.
803
BOSCH Anker Mit Lüfter 220-230V | Ersatzteile für UBH 2/20 RLE | 1614010039
Hersteller: BOSCH
Artikelnummer: EB-0611210532-1614010039
nur Informationsartikel
Nie mehr lieferbar
keine Alternativen
Pos.
804
BOSCH Schaltersatz | Ersatzteile für UBH 2/20 RLE | 1617000915
Hersteller: BOSCH
Artikelnummer: EB-0611210532-1617000915
nur Informationsartikel
Nie mehr lieferbar
keine Alternativen
Pos.
808
BOSCH Typschild | Ersatzteile für UBH 2/20 RLE | 160111A3H5
Hersteller: BOSCH
Artikelnummer: EB-0611210532-160111A3H5
Netto: 4,53 € zzgl. MwSt.
zzgl. 6,90 € Versand (brutto)
einmalig pro Bestellung

Lieferzeit: 5 Werktage

Pos.
811
BOSCH Kohlebürste | Ersatzteile für UBH 2/20 RLE | 1617014114
Hersteller: BOSCH
Artikelnummer: EB-0611210532-1617014114
Netto: 9,18 € zzgl. MwSt.
zzgl. 6,90 € Versand (brutto)
einmalig pro Bestellung

Lieferzeit: 11 Werktage

Pos.
814
BOSCH Teilesatz | Ersatzteile für UBH 2/20 RLE | 1617000136
Hersteller: BOSCH
Artikelnummer: EB-0611210532-1617000136
nur Informationsartikel
Nie mehr lieferbar
keine Alternativen
Pos.
816
BOSCH Getriebegehäuse SCHWARZ | Ersatzteile für UBH 2/20 RLE | 1615806077
Hersteller: BOSCH
Artikelnummer: EB-0611210532-1615806077
Netto: 39,11 € zzgl. MwSt.
zzgl. 6,90 € Versand (brutto)
einmalig pro Bestellung

Lieferzeit: 5 Werktage

Pos.
821
BOSCH Rasthülse | Ersatzteile für UBH 2/20 RLE | 1617000931
Hersteller: BOSCH
Artikelnummer: EB-0611210532-1617000931
nur Informationsartikel
Nie mehr lieferbar
keine Alternativen
Pos.
827
BOSCH Schläger | Ersatzteile für UBH 2/20 RLE | 1617000338
Hersteller: BOSCH
Artikelnummer: EB-0611210532-1617000338
Netto: 24,13 € zzgl. MwSt.
zzgl. 6,90 € Versand (brutto)
einmalig pro Bestellung

Lieferzeit: 5 Werktage

Pos.
833
BOSCH Schutzhülse SDS-PLUS | Ersatzteile für UBH 2/20 RLE | 1617000163
Hersteller: BOSCH
Artikelnummer: EB-0611210532-1617000163
Netto: 7,76 € zzgl. MwSt.
zzgl. 6,90 € Versand (brutto)
einmalig pro Bestellung

Lieferzeit: 5 Werktage

Pos.
843
BOSCH Bürstenplatte | Ersatzteile für UBH 2/20 RLE | 2601015047
Hersteller: BOSCH
Artikelnummer: EB-0611210532-2601015047
nur Informationsartikel
Nie mehr lieferbar
keine Alternativen
Pos.
857
BOSCH O-Ring 34,0x2,0 MM | Ersatzteile für UBH 2/20 RLE | 1610210084
Hersteller: BOSCH
Artikelnummer: EB-0611210532-1610210084
Netto: 3,94 € zzgl. MwSt.
zzgl. 6,90 € Versand (brutto)
einmalig pro Bestellung

Lieferzeit: 5 Werktage

Pos.
890
BOSCH Umbausatz 110-240V | Ersatzteile für UBH 2/20 RLE | 1617000134
Hersteller: BOSCH
Artikelnummer: EB-0611210532-1617000134
nur Informationsartikel
Nie mehr lieferbar
keine Alternativen

Angaben zur Produktsicherheit

Hersteller:
Robert Bosch Power Tools GmbH
Postfach 30 02 20
70442 Stuttgart

E-Mail:
kontakt@bosch.de