BOSCH Blechschraube DIN 7971-ST3,9x13-F | Ersatzteile für UBH 3/20 SE | 2910211018

Artikelnummer: EB-0611207733-2910211018

Position: 73

Marke: BOSCH


Bitte Kompatibilität prüfen!

Bitte prüfen Sie unbedingt die 10-stellige Typennummer Ihrer Maschine / Ihres Gerätes. Das Ersatzteil ist nur kompatibel, wenn Sie die Typennummer Ihrer Maschine in der unten stehenden Produktbeschreibung finden.

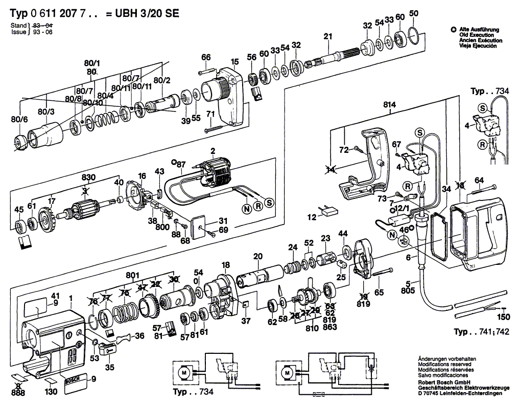
Bitte prüfen Sie ebenfalls detailliert die Explosionszeichnung mit Ihrem Artikelwunsch und der jeweiligen Pos-Nummer.

Alle Elemente, welche vom schwarzen Strich der Pos-Nummer ausgehend berührt / erfasst werden, gehören zu dieser Pos-Nummer und somit zu diesem Artikel. Jede Pos-Nummer ist ein eigenständiger Artikel, welchen Sie in der Auflistung finden.

Sie erhalten stets die aktuellste, neueste Produktversion zu der gewählten Pos-Nummer seitens des Herstellers. Es kann daher je nach Gerätealter vorkommen, dass Sie ggf. weitere, zugehörige Elemente, welche an diese Pos-Nummer grenzen, ebenfalls mittauschen müssen.

Nähere Informationen finden Sie unter dem Link
Hinweise zu Ihrer BOSCH Ersatzteilsuche

Preisübersicht

Einzelpreis: 3,63 €* (Brutto: 4,32 €)
Gesamtpreis: 3,63 €* 
Position:

Lieferzeit: 5 Werktage


Beschreibung

  • Blechschraube DIN 7971-ST3,9x13-F
  • Original Bosch Zubehör / BOSCH Ersatzteil (2910211018)
  • im Gerät verbaut: 1
Dieses BOSCH Ersatzteil ist mit folgendem Gerät und Modell kompatibel:
  • BOSCH Gerätename: UBH 3/20 SE
  • BOSCH Explosionszeichnung: Position 73
  • BOSCH Typennummer: 0611207733
  • BOSCH Typennummer alternative Schreibweisen: 0 611 207 733, 0611 207 733, 0.611.207.733, 0-611-207-733
    Bitte prüfen Sie diese Typennummer auf Ihrem Gerät um die Kompatibilität des BOSCH Ersatzteils zu gewährleisten.
Weitere BOSCH Ersatzteile des Gerätes UBH 3/20 SE (.) mit der Typennummer 0611207733 finden Sie in der nachfolgenden Darstellung und im Dropdown zu Ihrer Auswahl:

Pos.
1
BOSCH Motorgehäuse | Ersatzteile für UBH 3/20 SE | 1615108008
Hersteller: BOSCH
Artikelnummer: EB-0611207733-1615108008
nur Informationsartikel
Nie mehr lieferbar
keine Alternativen
Pos.
700/20
BOSCH Senkschraube M6x27 LINKSGEWINDE | Ersatzteile für UBH 3/20 SE | 2603421226
Hersteller: BOSCH
Artikelnummer: EB-0611207733-2603421226
Netto: 3,94 € zzgl. MwSt.
zzgl. 6,90 € Versand (brutto)
einmalig pro Bestellung

Lieferzeit: 5 Werktage

Pos.
80/10
BOSCH Bohrhalter | Ersatzteile für UBH 3/20 SE | 1618598131
Hersteller: BOSCH
Artikelnummer: EB-0611207733-1618598131
nur Informationsartikel
Nie mehr lieferbar
keine Alternativen
Pos.
80/20
BOSCH Schutzhülse | Ersatzteile für UBH 3/20 SE | 1610499009
Hersteller: BOSCH
Artikelnummer: EB-0611207733-1610499009
nur Informationsartikel
Nie mehr lieferbar
keine Alternativen
Pos.
80/30
BOSCH Druckfeder | Ersatzteile für UBH 3/20 SE | 1614632000
Hersteller: BOSCH
Artikelnummer: EB-0611207733-1614632000
nur Informationsartikel
Nie mehr lieferbar
keine Alternativen
Pos.
80/40
BOSCH Schutzkappe L=17 MM, SDS-PLUS | Ersatzteile für UBH 3/20 SE | 1610508008
Hersteller: BOSCH
Artikelnummer: EB-0611207733-1610508008
nur Informationsartikel
Nie mehr lieferbar
keine Alternativen
Pos.
80/50
BOSCH Kugel DIN 5401-Ø7MM-III-ST | Ersatzteile für UBH 3/20 SE | 1903230013
Hersteller: BOSCH
Artikelnummer: EB-0611207733-1903230013
Netto: 4,32 € zzgl. MwSt.
zzgl. 6,90 € Versand (brutto)
einmalig pro Bestellung

Lieferzeit: 26 Werktage

Pos.
80/60
BOSCH Anlaufring | Ersatzteile für UBH 3/20 SE | 1610251002
Hersteller: BOSCH
Artikelnummer: EB-0611207733-1610251002
nur Informationsartikel
Nie mehr lieferbar
keine Alternativen
Pos.
80/70
BOSCH Halteblech | Ersatzteile für UBH 3/20 SE | 1610190007
Hersteller: BOSCH
Artikelnummer: EB-0611207733-1610190007
nur Informationsartikel
Nie mehr lieferbar
keine Alternativen
Pos.
80/80
BOSCH Haltering | Ersatzteile für UBH 3/20 SE | 1610250003
Hersteller: BOSCH
Artikelnummer: EB-0611207733-1610250003
nur Informationsartikel
Nie mehr lieferbar
keine Alternativen
Pos.
80/90
BOSCH Sprengring DIN 7993-A22 | Ersatzteile für UBH 3/20 SE | 2916540012
Hersteller: BOSCH
Artikelnummer: EB-0611207733-2916540012
Netto: 4,83 € zzgl. MwSt.
zzgl. 6,90 € Versand (brutto)
einmalig pro Bestellung

Lieferzeit: 5 Werktage

Pos.
2
BOSCH Polschuh 220V | Ersatzteile für UBH 3/20 SE | 1614220070
Hersteller: BOSCH
Artikelnummer: EB-0611207733-1614220070
nur Informationsartikel
Nie mehr lieferbar
keine Alternativen
Pos.
4
BOSCH Ein/Aus-Schalter | Ersatzteile für UBH 3/20 SE | 2607200371
Hersteller: BOSCH
Artikelnummer: EB-0611207733-2607200371
nur Informationsartikel
Nie mehr lieferbar
keine Alternativen
Pos.
6
BOSCH Tülle Ø9,2-Ø12x120 MM | Ersatzteile für UBH 3/20 SE | 3600703011
Hersteller: BOSCH
Artikelnummer: EB-0611207733-3600703011
Netto: 4,82 € zzgl. MwSt.
zzgl. 6,90 € Versand (brutto)
einmalig pro Bestellung

Lieferzeit: 5 Werktage

Pos.
7
BOSCH Befestigungsschelle | Ersatzteile für UBH 3/20 SE | 1601302014
Hersteller: BOSCH
Artikelnummer: EB-0611207733-1601302014
Netto: 3,94 € zzgl. MwSt.
zzgl. 6,90 € Versand (brutto)
einmalig pro Bestellung

Lieferzeit: 5 Werktage

Pos.
9
BOSCH Firmenschild | Ersatzteile für UBH 3/20 SE | 1611110154
Hersteller: BOSCH
Artikelnummer: EB-0611207733-1611110154
nur Informationsartikel
Nie mehr lieferbar
keine Alternativen
Pos.
12
BOSCH Entstörfilter | Ersatzteile für UBH 3/20 SE | 1607328028
Hersteller: BOSCH
Artikelnummer: EB-0611207733-1607328028
Netto: 6,15 € zzgl. MwSt.
zzgl. 6,90 € Versand (brutto)
einmalig pro Bestellung

Lieferzeit: 5 Werktage

Pos.
15
BOSCH Gehäusedeckel | Ersatzteile für UBH 3/20 SE | 1615500277
Hersteller: BOSCH
Artikelnummer: EB-0611207733-1615500277
nur Informationsartikel
Nie mehr lieferbar
keine Alternativen
Pos.
16
BOSCH Luftleitring | Ersatzteile für UBH 3/20 SE | 1615820059
Hersteller: BOSCH
Artikelnummer: EB-0611207733-1615820059
nur Informationsartikel
Nie mehr lieferbar
keine Alternativen
Pos.
17
BOSCH Lüfter | Ersatzteile für UBH 3/20 SE | 2606610059
Hersteller: BOSCH
Artikelnummer: EB-0611207733-2606610059
nur Informationsartikel
Nie mehr lieferbar
keine Alternativen
Pos.
18
BOSCH Lagerbock | Ersatzteile für UBH 3/20 SE | 1615820058
Hersteller: BOSCH
Artikelnummer: EB-0611207733-1615820058
nur Informationsartikel
Nie mehr lieferbar
keine Alternativen
Pos.
20
BOSCH Führungsrohr | Ersatzteile für UBH 3/20 SE | 1615806031
Hersteller: BOSCH
Artikelnummer: EB-0611207733-1615806031
nur Informationsartikel
Nie mehr lieferbar
keine Alternativen
Pos.
21
BOSCH Bohrspindel | Ersatzteile für UBH 3/20 SE | 1618597030
Hersteller: BOSCH
Artikelnummer: EB-0611207733-1618597030
nur Informationsartikel
Nie mehr lieferbar
keine Alternativen
Pos.
23
BOSCH Hammerkolben | Ersatzteile für UBH 3/20 SE | 1618700045
Hersteller: BOSCH
Artikelnummer: EB-0611207733-1618700045
nur Informationsartikel
Nie mehr lieferbar
keine Alternativen
Pos.
24
BOSCH Schlagbolzen | Ersatzteile für UBH 3/20 SE | 1618710040
Hersteller: BOSCH
Artikelnummer: EB-0611207733-1618710040
nur Informationsartikel
Nie mehr lieferbar
keine Alternativen
Pos.
25
BOSCH Kolbenbolzen | Ersatzteile für UBH 3/20 SE | 1613105012
Hersteller: BOSCH
Artikelnummer: EB-0611207733-1613105012
Netto: 5,19 € zzgl. MwSt.
zzgl. 6,90 € Versand (brutto)
einmalig pro Bestellung

Lieferzeit: 5 Werktage

Pos.
31
BOSCH Verschlussdeckel | Ersatzteile für UBH 3/20 SE | 1615500278
Hersteller: BOSCH
Artikelnummer: EB-0611207733-1615500278
nur Informationsartikel
Nie mehr lieferbar
keine Alternativen
Pos.
32
BOSCH Distanzbuchse | Ersatzteile für UBH 3/20 SE | 1610329000
Hersteller: BOSCH
Artikelnummer: EB-0611207733-1610329000
nur Informationsartikel
Nie mehr lieferbar
keine Alternativen
Pos.
33
BOSCH Stützscheibe 2,0 MM DICK | Ersatzteile für UBH 3/20 SE | 1610101611
Hersteller: BOSCH
Artikelnummer: EB-0611207733-1610101611
nur Informationsartikel
Nie mehr lieferbar
keine Alternativen
Pos.
34
BOSCH Dichtrahmen | Ersatzteile für UBH 3/20 SE | 1611015022
Hersteller: BOSCH
Artikelnummer: EB-0611207733-1611015022
nur Informationsartikel
Nie mehr lieferbar
keine Alternativen
Pos.
35
BOSCH Knebelgriff SCHWARZ | Ersatzteile für UBH 3/20 SE | 1612026017
Hersteller: BOSCH
Artikelnummer: EB-0611207733-1612026017
nur Informationsartikel
Nie mehr lieferbar
keine Alternativen
Pos.
36
BOSCH Haltefeder | Ersatzteile für UBH 3/20 SE | 1614680002
Hersteller: BOSCH
Artikelnummer: EB-0611207733-1614680002
nur Informationsartikel
Nie mehr lieferbar
keine Alternativen
Pos.
37
BOSCH Dichtplatte | Ersatzteile für UBH 3/20 SE | 1611031004
Hersteller: BOSCH
Artikelnummer: EB-0611207733-1611031004
nur Informationsartikel
Nie mehr lieferbar
keine Alternativen
Pos.
38
BOSCH Bürstenhalter | Ersatzteile für UBH 3/20 SE | 1614336003
Hersteller: BOSCH
Artikelnummer: EB-0611207733-1614336003
nur Informationsartikel
Nie mehr lieferbar
keine Alternativen
Pos.
39
BOSCH Stützring | Ersatzteile für UBH 3/20 SE | 1610508006
Hersteller: BOSCH
Artikelnummer: EB-0611207733-1610508006
nur Informationsartikel
Nie mehr lieferbar
keine Alternativen
Pos.
40
BOSCH Zwischenring | Ersatzteile für UBH 3/20 SE | 1610200011
Hersteller: BOSCH
Artikelnummer: EB-0611207733-1610200011
nur Informationsartikel
Nie mehr lieferbar
keine Alternativen
Pos.
43
BOSCH Gummipuffer | Ersatzteile für UBH 3/20 SE | 1611091004
Hersteller: BOSCH
Artikelnummer: EB-0611207733-1611091004
nur Informationsartikel
Nie mehr lieferbar
keine Alternativen
Pos.
44
BOSCH Gummiring | Ersatzteile für UBH 3/20 SE | 1610109015
Hersteller: BOSCH
Artikelnummer: EB-0611207733-1610109015
nur Informationsartikel
Nie mehr lieferbar
keine Alternativen
Pos.
45
BOSCH Gummiring | Ersatzteile für UBH 3/20 SE | 1610206017
Hersteller: BOSCH
Artikelnummer: EB-0611207733-1610206017
nur Informationsartikel
Nie mehr lieferbar
keine Alternativen
Pos.
46
BOSCH Kontaktfeder | Ersatzteile für UBH 3/20 SE | 1611329003
Hersteller: BOSCH
Artikelnummer: EB-0611207733-1611329003
nur Informationsartikel
Nie mehr lieferbar
keine Alternativen
Pos.
50
BOSCH O-Ring 33,0x3,5 MM | Ersatzteile für UBH 3/20 SE | 1610210087
Hersteller: BOSCH
Artikelnummer: EB-0611207733-1610210087
Netto: 3,94 € zzgl. MwSt.
zzgl. 6,90 € Versand (brutto)
einmalig pro Bestellung

Lieferzeit: 5 Werktage

Pos.
52
BOSCH O-Ring 16,0x3,15 MM | Ersatzteile für UBH 3/20 SE | 1610210038
Hersteller: BOSCH
Artikelnummer: EB-0611207733-1610210038
nur Informationsartikel
Nie mehr lieferbar
keine Alternativen
Pos.
53
BOSCH O-Ring 10,5x2,7 MM | Ersatzteile für UBH 3/20 SE | 1610210046
Hersteller: BOSCH
Artikelnummer: EB-0611207733-1610210046
Netto: 4,32 € zzgl. MwSt.
zzgl. 6,90 € Versand (brutto)
einmalig pro Bestellung

Lieferzeit: 5 Werktage

Pos.
54
BOSCH O-Ring 16,0x5,0 MM | Ersatzteile für UBH 3/20 SE | 1610210040
Hersteller: BOSCH
Artikelnummer: EB-0611207733-1610210040
nur Informationsartikel
Nie mehr lieferbar
keine Alternativen
Pos.
55
BOSCH O-Ring 11,0x7,0 MM | Ersatzteile für UBH 3/20 SE | 1610210035
Hersteller: BOSCH
Artikelnummer: EB-0611207733-1610210035
nur Informationsartikel
Nie mehr lieferbar
keine Alternativen
Pos.
56
BOSCH Radial-Wellendichtring Ø 26x15x7,5 MM | Ersatzteile für UBH 3/20 SE | 1610283015
Hersteller: BOSCH
Artikelnummer: EB-0611207733-1610283015
nur Informationsartikel
Nie mehr lieferbar
keine Alternativen
Pos.
57
BOSCH Radial-Wellendichtring Ø13,8xØ26x7,5 MM | Ersatzteile für UBH 3/20 SE | 1610283014
Hersteller: BOSCH
Artikelnummer: EB-0611207733-1610283014
nur Informationsartikel
Nie mehr lieferbar
keine Alternativen
Pos.
58
BOSCH Tellerfeder | Ersatzteile für UBH 3/20 SE | 1610550026
Hersteller: BOSCH
Artikelnummer: EB-0611207733-1610550026
nur Informationsartikel
Nie mehr lieferbar
keine Alternativen
Pos.
60
BOSCH Rillenkugellager 15x32x9 | Ersatzteile für UBH 3/20 SE | 1900900272
Hersteller: BOSCH
Artikelnummer: EB-0611207733-1900900272
nur Informationsartikel
Nie mehr lieferbar
keine Alternativen
Pos.
61
BOSCH Kugellager 9x26x8 | Ersatzteile für UBH 3/20 SE | 1900905025
Hersteller: BOSCH
Artikelnummer: EB-0611207733-1900905025
Netto: 17,38 € zzgl. MwSt.
zzgl. 6,90 € Versand (brutto)
einmalig pro Bestellung

Lieferzeit: 5 Werktage

Pos.
62
BOSCH Rillenkugellager 12x28x8 | Ersatzteile für UBH 3/20 SE | 1900900287
Hersteller: BOSCH
Artikelnummer: EB-0611207733-1900900287
Netto: 19,18 € zzgl. MwSt.
zzgl. 6,90 € Versand (brutto)
einmalig pro Bestellung

Lieferzeit: 5 Werktage

Pos.
64
BOSCH Innensechskantschraube M 5x50 DIN 912-8.8 | Ersatzteile für UBH 3/20 SE | 2910141174
Hersteller: BOSCH
Artikelnummer: EB-0611207733-2910141174
nur Informationsartikel
Nie mehr lieferbar
keine Alternativen
Pos.
66
BOSCH Innensechskantschraube DIN 912-M 5x35-8.8 | Ersatzteile für UBH 3/20 SE | 2910141168
Hersteller: BOSCH
Artikelnummer: EB-0611207733-2910141168
Netto: 4,82 € zzgl. MwSt.
zzgl. 6,90 € Versand (brutto)
einmalig pro Bestellung

Lieferzeit: 5 Werktage

Pos.
67
BOSCH Zylinderschraube M3x6,5-4.8 | Ersatzteile für UBH 3/20 SE | 2603410001
Hersteller: BOSCH
Artikelnummer: EB-0611207733-2603410001
Netto: 3,94 € zzgl. MwSt.
zzgl. 6,90 € Versand (brutto)
einmalig pro Bestellung

Lieferzeit: 5 Werktage

Pos.
68
BOSCH Zylinderschraube DIN 84-AM4x8-8.8 | Ersatzteile für UBH 3/20 SE | 2910021118
Hersteller: BOSCH
Artikelnummer: EB-0611207733-2910021118
Netto: 3,63 € zzgl. MwSt.
zzgl. 6,90 € Versand (brutto)
einmalig pro Bestellung

Lieferzeit: 5 Werktage

Pos.
69
BOSCH Blechschraube BZ 3,9x13 DIN 7972 | Ersatzteile für UBH 3/20 SE | 2910601018
Hersteller: BOSCH
Artikelnummer: EB-0611207733-2910601018
nur Informationsartikel
Nie mehr lieferbar
keine Alternativen
Pos.
71
BOSCH Blechschraube DIN 7971-ST4,8x38-F | Ersatzteile für UBH 3/20 SE | 2910211038
Hersteller: BOSCH
Artikelnummer: EB-0611207733-2910211038
Netto: 3,94 € zzgl. MwSt.
zzgl. 6,90 € Versand (brutto)
einmalig pro Bestellung

Lieferzeit: 5 Werktage

Pos.
72
BOSCH Blechschraube DIN 7971-ST3,9x22-F | Ersatzteile für UBH 3/20 SE | 2910211021
Hersteller: BOSCH
Artikelnummer: EB-0611207733-2910211021
Netto: 3,94 € zzgl. MwSt.
zzgl. 6,90 € Versand (brutto)
einmalig pro Bestellung

Lieferzeit: 5 Werktage

Pos.
73
BOSCH Blechschraube DIN 7971-ST3,9x13-F | Ersatzteile für UBH 3/20 SE | 2910211018
Hersteller: BOSCH
Artikelnummer: EB-0611207733-2910211018
Netto: 3,63 € zzgl. MwSt.
zzgl. 6,90 € Versand (brutto)
einmalig pro Bestellung

Lieferzeit: 5 Werktage

Pos.
81
BOSCH Schmierfilz | Ersatzteile für UBH 3/20 SE | 1610205003
Hersteller: BOSCH
Artikelnummer: EB-0611207733-1610205003
nur Informationsartikel
Nie mehr lieferbar
keine Alternativen
Pos.
87
BOSCH Verbindungsleitung | Ersatzteile für UBH 3/20 SE | 1614448000
Hersteller: BOSCH
Artikelnummer: EB-0611207733-1614448000
nur Informationsartikel
Nie mehr lieferbar
keine Alternativen
Pos.
88
BOSCH Federring DIN 128-A4-FST | Ersatzteile für UBH 3/20 SE | 2916690003
Hersteller: BOSCH
Artikelnummer: EB-0611207733-2916690003
Netto: 3,63 € zzgl. MwSt.
zzgl. 6,90 € Versand (brutto)
einmalig pro Bestellung

Lieferzeit: 5 Werktage

Pos.
121
BOSCH Klemmhalter | Ersatzteile für UBH 3/20 SE | 1618040077
Hersteller: BOSCH
Artikelnummer: EB-0611207733-1618040077
nur Informationsartikel
Nie mehr lieferbar
keine Alternativen
Pos.
122
BOSCH Gewindebolzen M8 | Ersatzteile für UBH 3/20 SE | 1613521001
Hersteller: BOSCH
Artikelnummer: EB-0611207733-1613521001
Netto: 6,70 € zzgl. MwSt.
zzgl. 6,90 € Versand (brutto)
einmalig pro Bestellung

Lieferzeit: 5 Werktage

Pos.
123
BOSCH Spannband Ø43 MM | Ersatzteile für UBH 3/20 SE | 1611316003
Hersteller: BOSCH
Artikelnummer: EB-0611207733-1611316003
Netto: 4,53 € zzgl. MwSt.
zzgl. 6,90 € Versand (brutto)
einmalig pro Bestellung

Lieferzeit: 5 Werktage

Pos.
124
BOSCH Zylinderstift | Ersatzteile für UBH 3/20 SE | 1613100012
Hersteller: BOSCH
Artikelnummer: EB-0611207733-1613100012
Netto: 4,53 € zzgl. MwSt.
zzgl. 6,90 € Versand (brutto)
einmalig pro Bestellung

Lieferzeit: 5 Werktage

Pos.
125
BOSCH Flügelschraube M6x25 MM | Ersatzteile für UBH 3/20 SE | 1613480009
Hersteller: BOSCH
Artikelnummer: EB-0611207733-1613480009
Netto: 3,94 € zzgl. MwSt.
zzgl. 6,90 € Versand (brutto)
einmalig pro Bestellung

Lieferzeit: 5 Werktage

Pos.
126
BOSCH Sechskantmutter M6 | Ersatzteile für UBH 3/20 SE | 1613300006
Hersteller: BOSCH
Artikelnummer: EB-0611207733-1613300006
nur Informationsartikel
Nie mehr lieferbar
keine Alternativen
Pos.
127
BOSCH Spannplatte | Ersatzteile für UBH 3/20 SE | 1611030009
Hersteller: BOSCH
Artikelnummer: EB-0611207733-1611030009
nur Informationsartikel
Nie mehr lieferbar
keine Alternativen
Pos.
130
BOSCH Warnschild ACHTUNG | Ersatzteile für BOHRHAMMER | 3601119137
Hersteller: BOSCH
Artikelnummer: EB-0611207733-3601119137
Netto: 5,19 € zzgl. MwSt.
zzgl. 6,90 € Versand (brutto)
einmalig pro Bestellung

Lieferzeit: 5 Werktage

Pos.
700
BOSCH Bohrfutterschaft SDS-PLUS | Ersatzteile für UBH 3/20 SE | 1617000132
Hersteller: BOSCH
Artikelnummer: EB-0611207733-1617000132
Netto: 27,20 € zzgl. MwSt.
zzgl. 6,90 € Versand (brutto)
einmalig pro Bestellung

Lieferzeit: 5 Werktage

Pos.
701
BOSCH Bohrfutter Ø1,5-13 MM, 1/2" | Ersatzteile für UBH 3/20 SE | 1608571069
Hersteller: BOSCH
Artikelnummer: EB-0611207733-1608571069
Netto: 21,16 € zzgl. MwSt.
zzgl. 6,90 € Versand (brutto)
einmalig pro Bestellung

Lieferzeit: 5 Werktage

Pos.
701
BOSCH Bohrfutterschlüssel SG2 | Ersatzteile für UBH 3/20 SE | 2607950007
Hersteller: BOSCH
Artikelnummer: EB-0611207733-2607950007
Netto: 7,30 € zzgl. MwSt.
zzgl. 6,90 € Versand (brutto)
einmalig pro Bestellung

Lieferzeit: 5 Werktage

Pos.
715
BOSCH Tiefenanschlag SW 6x210 MM | Ersatzteile für UBH 3/20 SE | 1613001009
Hersteller: BOSCH
Artikelnummer: EB-0611207733-1613001009
Netto: 5,19 € zzgl. MwSt.
zzgl. 6,90 € Versand (brutto)
einmalig pro Bestellung

Lieferzeit: 5 Werktage

Pos.
720
BOSCH Zusatzhandgriff Ø43 MM | Ersatzteile für UBH 3/20 SE | 1612025020
Hersteller: BOSCH
Artikelnummer: EB-0611207733-1612025020
Netto: 38,64 € zzgl. MwSt.
zzgl. 6,90 € Versand (brutto)
einmalig pro Bestellung

Lieferzeit: 5 Werktage

Pos.
750
BOSCH Tragkasten | Ersatzteile für UBH 3/20 SE | 1615438077
Hersteller: BOSCH
Artikelnummer: EB-0611207733-1615438077
nur Informationsartikel
Nie mehr lieferbar
keine Alternativen
Pos.
800
BOSCH Kohlebürste | Ersatzteile für UBH 3/20 SE | 1617014112
Hersteller: BOSCH
Artikelnummer: EB-0611207733-1617014112
nur Informationsartikel
Nie mehr lieferbar
keine Alternativen
Pos.
801
BOSCH Überlastungskupplung | Ersatzteile für UBH 3/20 SE | 1617031017
Hersteller: BOSCH
Artikelnummer: EB-0611207733-1617031017
nur Informationsartikel
Nie mehr lieferbar
keine Alternativen
Pos.
810
BOSCH Ersatzteilgruppe | Ersatzteile für UBH 3/20 SE | 1617000902
Hersteller: BOSCH
Artikelnummer: EB-0611207733-1617000902
nur Informationsartikel
Nie mehr lieferbar
keine Alternativen
Pos.
814
BOSCH Teilesatz | Ersatzteile für UBH 3/20 SE | 1617000924
Hersteller: BOSCH
Artikelnummer: EB-0611207733-1617000924
nur Informationsartikel
Nie mehr lieferbar
keine Alternativen
Pos.
815
BOSCH Teilesatz | Ersatzteile für UBH 3/20 SE | 1617000038
Hersteller: BOSCH
Artikelnummer: EB-0611207733-1617000038
nur Informationsartikel
Nie mehr lieferbar
keine Alternativen
Pos.
819
BOSCH Teilesatz | Ersatzteile für UBH 3/20 SE | 1617000926
Hersteller: BOSCH
Artikelnummer: EB-0611207733-1617000926
nur Informationsartikel
Nie mehr lieferbar
keine Alternativen
Pos.
830
BOSCH Anker Mit Lüfter 220V | Ersatzteile für UBH 3/20 SE | 1614010031
Hersteller: BOSCH
Artikelnummer: EB-0611207733-1614010031
nur Informationsartikel
Nie mehr lieferbar
keine Alternativen
Pos.
863
BOSCH Rillenkugellager 12x32x10 | Ersatzteile für UBH 3/20 SE | 1900900302
Hersteller: BOSCH
Artikelnummer: EB-0611207733-1900900302
nur Informationsartikel
Nie mehr lieferbar
keine Alternativen
Pos.
888
BOSCH Typschild | Ersatzteile für UBH 3/20 SE | 160111A3H3
Hersteller: BOSCH
Artikelnummer: EB-0611207733-160111A3H3
Netto: 4,53 € zzgl. MwSt.
zzgl. 6,90 € Versand (brutto)
einmalig pro Bestellung

Lieferzeit: 5 Werktage

Angaben zur Produktsicherheit

Hersteller:
Robert Bosch Power Tools GmbH
Postfach 30 02 20
70442 Stuttgart

E-Mail:
kontakt@bosch.de