BOSCH Platine | Ersatzteile für VAC140AH | 2609200383

Artikelnummer: EB-3601JC3511-2609200383

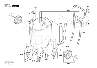
Position: 8305

Marke: BOSCH


Bitte Kompatibilität prüfen!

Bitte prüfen Sie unbedingt die 10-stellige Typennummer Ihrer Maschine / Ihres Gerätes. Das Ersatzteil ist nur kompatibel, wenn Sie die Typennummer Ihrer Maschine in der unten stehenden Produktbeschreibung finden.

Bitte prüfen Sie ebenfalls detailliert die Explosionszeichnung mit Ihrem Artikelwunsch und der jeweiligen Pos-Nummer.

Alle Elemente, welche vom schwarzen Strich der Pos-Nummer ausgehend berührt / erfasst werden, gehören zu dieser Pos-Nummer und somit zu diesem Artikel. Jede Pos-Nummer ist ein eigenständiger Artikel, welchen Sie in der Auflistung finden.

Sie erhalten stets die aktuellste, neueste Produktversion zu der gewählten Pos-Nummer seitens des Herstellers. Es kann daher je nach Gerätealter vorkommen, dass Sie ggf. weitere, zugehörige Elemente, welche an diese Pos-Nummer grenzen, ebenfalls mittauschen müssen.

Nähere Informationen finden Sie unter dem Link
Hinweise zu Ihrer BOSCH Ersatzteilsuche

Preisübersicht

Einzelpreis: 35,77 €* (Brutto: 42,57 €)
Gesamtpreis: 35,77 €* 
Position:

Lieferzeit: 5 Werktage


Beschreibung

  • Platine
  • Original Bosch Zubehör / BOSCH Ersatzteil (2609200383)
  • im Gerät verbaut: 1
Dieses BOSCH Ersatzteil ist mit folgendem Gerät und Modell kompatibel:
  • BOSCH Gerätename: VAC140AH
  • BOSCH Explosionszeichnung: Position 8305
  • BOSCH Typennummer: 3601JC3511
  • BOSCH Typennummer alternative Schreibweisen: 3 601 JC3 511, 3601 JC3 511, 3.601.JC3.511, 3-601-JC3-511
    Bitte prüfen Sie diese Typennummer auf Ihrem Gerät um die Kompatibilität des BOSCH Ersatzteils zu gewährleisten.
Weitere BOSCH Ersatzteile des Gerätes VAC140AH (Allzwecksauger) mit der Typennummer 3601JC3511 finden Sie in der nachfolgenden Darstellung und im Dropdown zu Ihrer Auswahl:

Pos.
24
BOSCH Verschlussstück | Ersatzteile für VAC140AH | 2609200425
Hersteller: BOSCH
Artikelnummer: EB-3601JC3511-2609200425
Netto: 8,33 € zzgl. MwSt.
zzgl. 6,90 € Versand (brutto)
einmalig pro Bestellung

Lieferzeit: 5 Werktage

Pos.
27
BOSCH Magnet | Ersatzteile für VAC140AH | 2609200401
Hersteller: BOSCH
Artikelnummer: EB-3601JC3511-2609200401
Netto: 7,76 € zzgl. MwSt.
zzgl. 6,90 € Versand (brutto)
einmalig pro Bestellung

Lieferzeit: 5 Werktage

Pos.
28
BOSCH Klemmstück | Ersatzteile für VAC140AH | 2609200423
Hersteller: BOSCH
Artikelnummer: EB-3601JC3511-2609200423
Netto: 7,76 € zzgl. MwSt.
zzgl. 6,90 € Versand (brutto)
einmalig pro Bestellung

Lieferzeit: 5 Werktage

Pos.
29
BOSCH Halter | Ersatzteile für VAC140AH | 2609200390
Hersteller: BOSCH
Artikelnummer: EB-3601JC3511-2609200390
Netto: 10,92 € zzgl. MwSt.
zzgl. 6,90 € Versand (brutto)
einmalig pro Bestellung

Lieferzeit: 5 Werktage

Pos.
37
BOSCH Sensor | Ersatzteile für VAC140AH | 2609200427
Hersteller: BOSCH
Artikelnummer: EB-3601JC3511-2609200427
Netto: 5,19 € zzgl. MwSt.
zzgl. 6,90 € Versand (brutto)
einmalig pro Bestellung

Lieferzeit: 5 Werktage

Pos.
47
BOSCH Feder | Ersatzteile für VAC140AH | 2609200483
Hersteller: BOSCH
Artikelnummer: EB-3601JC3511-2609200483
Netto: 9,18 € zzgl. MwSt.
zzgl. 6,90 € Versand (brutto)
einmalig pro Bestellung

Lieferzeit: 5 Werktage

Pos.
53
BOSCH Halter | Ersatzteile für VAC140AH | 2609200464
Hersteller: BOSCH
Artikelnummer: EB-3601JC3511-2609200464
Netto: 14,36 € zzgl. MwSt.
zzgl. 6,90 € Versand (brutto)
einmalig pro Bestellung

Lieferzeit: 5 Werktage

Pos.
54
BOSCH Halter | Ersatzteile für VAC140AH | 2609200465
Hersteller: BOSCH
Artikelnummer: EB-3601JC3511-2609200465
Netto: 9,95 € zzgl. MwSt.
zzgl. 6,90 € Versand (brutto)
einmalig pro Bestellung

Lieferzeit: 5 Werktage

Pos.
57
BOSCH Bügelgriff | Ersatzteile für VAC140AH | 2609200466
Hersteller: BOSCH
Artikelnummer: EB-3601JC3511-2609200466
Netto: 57,47 € zzgl. MwSt.
zzgl. 6,90 € Versand (brutto)
einmalig pro Bestellung

Lieferzeit: 5 Werktage

Pos.
72
BOSCH Dichtung | Ersatzteile für VAC140AH | 2609200420
Hersteller: BOSCH
Artikelnummer: EB-3601JC3511-2609200420
Netto: 9,95 € zzgl. MwSt.
zzgl. 6,90 € Versand (brutto)
einmalig pro Bestellung

Lieferzeit: 5 Werktage

Pos.
80
BOSCH Motorgehäuse | Ersatzteile für VAC140AH | 2610033209
Hersteller: BOSCH
Artikelnummer: EB-3601JC3511-2610033209
nur Informationsartikel
Nie mehr lieferbar
keine Alternativen
Pos.
85
BOSCH Schlauchhalter | Ersatzteile für VAC140AH | 2609200436
Hersteller: BOSCH
Artikelnummer: EB-3601JC3511-2609200436
Netto: 29,45 € zzgl. MwSt.
zzgl. 6,90 € Versand (brutto)
einmalig pro Bestellung

Lieferzeit: 5 Werktage

Pos.
99
BOSCH Schnur | Ersatzteile für VAC140AH | 2609200424
Hersteller: BOSCH
Artikelnummer: EB-3601JC3511-2609200424
Netto: 8,33 € zzgl. MwSt.
zzgl. 6,90 € Versand (brutto)
einmalig pro Bestellung

Lieferzeit: 5 Werktage

Pos.
100
BOSCH O-Ring | Ersatzteile für VAC140AH | 2609200392
Hersteller: BOSCH
Artikelnummer: EB-3601JC3511-2609200392
Netto: 3,94 € zzgl. MwSt.
zzgl. 6,90 € Versand (brutto)
einmalig pro Bestellung

Lieferzeit: 19 Werktage

Pos.
113
BOSCH Stopfen | Ersatzteile für VAC140AH | 2609200406
Hersteller: BOSCH
Artikelnummer: EB-3601JC3511-2609200406
Netto: 3,63 € zzgl. MwSt.
zzgl. 6,90 € Versand (brutto)
einmalig pro Bestellung

Lieferzeit: 5 Werktage

Pos.
154
BOSCH Netzanschlussleitung | Ersatzteile für VAC140AH | 2610033210
Hersteller: BOSCH
Artikelnummer: EB-3601JC3511-2610033210
nur Informationsartikel
Nie mehr lieferbar
keine Alternativen
Pos.
162
BOSCH Elektr Leitung | Ersatzteile für VAC140AH | 2610033211
Hersteller: BOSCH
Artikelnummer: EB-3601JC3511-2610033211
nur Informationsartikel
Nie mehr lieferbar
keine Alternativen
Pos.
170
BOSCH Magnet | Ersatzteile für VAC140AH | 2609200555
Hersteller: BOSCH
Artikelnummer: EB-3601JC3511-2609200555
Netto: 70,50 € zzgl. MwSt.
zzgl. 6,90 € Versand (brutto)
einmalig pro Bestellung

Lieferzeit: 5 Werktage

Pos.
190
BOSCH Filter | Ersatzteile für VAC140AH | 1600A01317
Hersteller: BOSCH
Artikelnummer: EB-3601JC3511-1600A01317
nur Informationsartikel
Nie mehr lieferbar
keine Alternativen
Pos.
199
BOSCH Schraube | Ersatzteile für VAC140AH | 2609200422
Hersteller: BOSCH
Artikelnummer: EB-3601JC3511-2609200422
Netto: 3,63 € zzgl. MwSt.
zzgl. 6,90 € Versand (brutto)
einmalig pro Bestellung

Lieferzeit: 5 Werktage

Pos.
201
BOSCH Schraube | Ersatzteile für VAC140AH | 2609200410
Hersteller: BOSCH
Artikelnummer: EB-3601JC3511-2609200410
Netto: 3,63 € zzgl. MwSt.
zzgl. 6,90 € Versand (brutto)
einmalig pro Bestellung

Lieferzeit: 5 Werktage

Pos.
204
BOSCH Schraube | Ersatzteile für VAC140AH | 2609200470
Hersteller: BOSCH
Artikelnummer: EB-3601JC3511-2609200470
Netto: 3,63 € zzgl. MwSt.
zzgl. 6,90 € Versand (brutto)
einmalig pro Bestellung

Lieferzeit: 5 Werktage

Pos.
205
BOSCH Schraube | Ersatzteile für VAC140AH | 2609200400
Hersteller: BOSCH
Artikelnummer: EB-3601JC3511-2609200400
Netto: 3,94 € zzgl. MwSt.
zzgl. 6,90 € Versand (brutto)
einmalig pro Bestellung

Lieferzeit: 5 Werktage

Pos.
206
BOSCH Fixierbauteil | Ersatzteile für VAC140AH | 2609200414
Hersteller: BOSCH
Artikelnummer: EB-3601JC3511-2609200414
Netto: 3,63 € zzgl. MwSt.
zzgl. 6,90 € Versand (brutto)
einmalig pro Bestellung

Lieferzeit: 5 Werktage

Pos.
210
BOSCH Fächerscheibe | Ersatzteile für VAC140AH | 2609200399
Hersteller: BOSCH
Artikelnummer: EB-3601JC3511-2609200399
Netto: 3,63 € zzgl. MwSt.
zzgl. 6,90 € Versand (brutto)
einmalig pro Bestellung

Lieferzeit: 5 Werktage

Pos.
215
BOSCH Linsenkopfschraube | Ersatzteile für VAC140AH | 2609200397
Hersteller: BOSCH
Artikelnummer: EB-3601JC3511-2609200397
Netto: 3,63 € zzgl. MwSt.
zzgl. 6,90 € Versand (brutto)
einmalig pro Bestellung

Lieferzeit: 5 Werktage

Pos.
239
BOSCH Schraube | Ersatzteile für VAC140AH | 2609200469
Hersteller: BOSCH
Artikelnummer: EB-3601JC3511-16034300AN
Netto: 3,63 € zzgl. MwSt.
zzgl. 6,90 € Versand (brutto)
einmalig pro Bestellung

Lieferzeit: 5 Werktage

Pos.
250
BOSCH Spannring | Ersatzteile für VAC140AH | 2609200454
Hersteller: BOSCH
Artikelnummer: EB-3601JC3511-2609200454
Netto: 4,32 € zzgl. MwSt.
zzgl. 6,90 € Versand (brutto)
einmalig pro Bestellung

Lieferzeit: 5 Werktage

Pos.
251
BOSCH Saugrohr | Ersatzteile für VAC140AH | 2609200497
Hersteller: BOSCH
Artikelnummer: EB-3601JC3511-2609200497
Netto: 9,18 € zzgl. MwSt.
zzgl. 6,90 € Versand (brutto)
einmalig pro Bestellung

Lieferzeit: 5 Werktage

Pos.
259
BOSCH Düse | Ersatzteile für VAC140AH | 2609200462
Hersteller: BOSCH
Artikelnummer: EB-3601JC3511-2609200462
Netto: 9,18 € zzgl. MwSt.
zzgl. 6,90 € Versand (brutto)
einmalig pro Bestellung

Lieferzeit: 5 Werktage

Pos.
260
BOSCH Adapter | Ersatzteile für VAC140AH | 1600A030KS
Hersteller: BOSCH
Artikelnummer: EB-3601JC3511-1600A030KS
Netto: 6,70 € zzgl. MwSt.
zzgl. 6,90 € Versand (brutto)
einmalig pro Bestellung

Lieferzeit: 5 Werktage

Pos.
260
BOSCH Muffe | Ersatzteile für VAC140AH | 2609200496
Hersteller: BOSCH
Artikelnummer: EB-3601JC3511-2609200496
Netto: 35,77 € zzgl. MwSt.
zzgl. 6,90 € Versand (brutto)
einmalig pro Bestellung

Lieferzeit: 5 Werktage

Pos.
300
BOSCH Drehknopf | Ersatzteile für VAC140AH | 2609200445
Hersteller: BOSCH
Artikelnummer: EB-3601JC3511-2609200445
Netto: 3,94 € zzgl. MwSt.
zzgl. 6,90 € Versand (brutto)
einmalig pro Bestellung

Lieferzeit: 5 Werktage

Pos.
307
BOSCH Warnzettel | Ersatzteile für VAC140AH | 2610033191
Hersteller: BOSCH
Artikelnummer: EB-3601JC3511-2610033191
nur Informationsartikel
Nie mehr lieferbar
keine Alternativen
Pos.
308
BOSCH Schraube | Ersatzteile für VAC140AH | 2609200438
Hersteller: BOSCH
Artikelnummer: EB-3601JC3511-2609200438
Netto: 3,63 € zzgl. MwSt.
zzgl. 6,90 € Versand (brutto)
einmalig pro Bestellung

Lieferzeit: 5 Werktage

Pos.
313
BOSCH Elektr Leitung | Ersatzteile für VAC140AH | 2610033193
Hersteller: BOSCH
Artikelnummer: EB-3601JC3511-2610033193
nur Informationsartikel
Nie mehr lieferbar
keine Alternativen
Pos.
320
BOSCH Bolzen | Ersatzteile für VAC140AH | 2609200456
Hersteller: BOSCH
Artikelnummer: EB-3601JC3511-2609200456
Netto: 4,53 € zzgl. MwSt.
zzgl. 6,90 € Versand (brutto)
einmalig pro Bestellung

Lieferzeit: 5 Werktage

Pos.
322
BOSCH Befestigungsteil | Ersatzteile für VAC140AH | 2609200461
Hersteller: BOSCH
Artikelnummer: EB-3601JC3511-2609200461
Netto: 3,63 € zzgl. MwSt.
zzgl. 6,90 € Versand (brutto)
einmalig pro Bestellung

Lieferzeit: 5 Werktage

Pos.
414
BOSCH Einklebeblatt | Ersatzteile für VAC140AH | 2610033194
Hersteller: BOSCH
Artikelnummer: EB-3601JC3511-2610033194
nur Informationsartikel
Nie mehr lieferbar
keine Alternativen
Pos.
416
BOSCH Einklebeblatt | Ersatzteile für VAC140AH | 2610033204
Hersteller: BOSCH
Artikelnummer: EB-3601JC3511-2610033204
nur Informationsartikel
Nie mehr lieferbar
keine Alternativen
Pos.
417
BOSCH Warnzettel | Ersatzteile für VAC140AH | 2610033206
Hersteller: BOSCH
Artikelnummer: EB-3601JC3511-2610033206
nur Informationsartikel
Nie mehr lieferbar
keine Alternativen
Pos.
419
BOSCH Warnzettel | Ersatzteile für VAC140AH | 2610034325
Hersteller: BOSCH
Artikelnummer: EB-3601JC3511-2610034325
nur Informationsartikel
Nie mehr lieferbar
keine Alternativen
Pos.
420
BOSCH Einklebeblatt | Ersatzteile für VAC140AH | 2610027620
Hersteller: BOSCH
Artikelnummer: EB-3601JC3511-2610027620
nur Informationsartikel
Nie mehr lieferbar
keine Alternativen
Pos.
422
BOSCH Warnzettel | Ersatzteile für VAC140AH | 2610033205
Hersteller: BOSCH
Artikelnummer: EB-3601JC3511-2610033205
nur Informationsartikel
Nie mehr lieferbar
keine Alternativen
Pos.
8021
BOSCH Schalter | Ersatzteile für VAC140AH | 2609200388
Hersteller: BOSCH
Artikelnummer: EB-3601JC3511-2609200388
Netto: 39,11 € zzgl. MwSt.
zzgl. 6,90 € Versand (brutto)
einmalig pro Bestellung

Lieferzeit: 5 Werktage

Pos.
8022
BOSCH Kontakt | Ersatzteile für VAC140AH | 2610034324
Hersteller: BOSCH
Artikelnummer: EB-3601JC3511-2610034324
nur Informationsartikel
Nie mehr lieferbar
keine Alternativen
Pos.
8025
BOSCH Halter | Ersatzteile für VAC140AH | 2609200473
Hersteller: BOSCH
Artikelnummer: EB-3601JC3511-2609200473
Netto: 10,92 € zzgl. MwSt.
zzgl. 6,90 € Versand (brutto)
einmalig pro Bestellung

Lieferzeit: 5 Werktage

Pos.
8030
BOSCH Ventilteller | Ersatzteile für VAC140AH | 2610033225
Hersteller: BOSCH
Artikelnummer: EB-3601JC3511-1607000F51
nur Informationsartikel
Nie mehr lieferbar
keine Alternativen
Pos.
8031
BOSCH Gehäuse | Ersatzteile für VAC140AH | 2609200493
Hersteller: BOSCH
Artikelnummer: EB-3601JC3511-2609200493
Netto: 96,32 € zzgl. MwSt.
zzgl. 6,90 € Versand (brutto)
einmalig pro Bestellung

Lieferzeit: 5 Werktage

Pos.
8032
BOSCH Gehäusedeckel | Ersatzteile für VAC140AH | 2610034327
Hersteller: BOSCH
Artikelnummer: EB-3601JC3511-2610034327
nur Informationsartikel
Nie mehr lieferbar
keine Alternativen
Pos.
8033
BOSCH Deckel | Ersatzteile für VAC140AH | 2609200391
Hersteller: BOSCH
Artikelnummer: EB-3601JC3511-2609200391
Netto: 42,86 € zzgl. MwSt.
zzgl. 6,90 € Versand (brutto)
einmalig pro Bestellung

Lieferzeit: 5 Werktage

Pos.
8034
BOSCH Gerätegehäuse | Ersatzteile für VAC140AH | 2610033020
Hersteller: BOSCH
Artikelnummer: EB-3601JC3511-2610033020
nur Informationsartikel
Nie mehr lieferbar
keine Alternativen
Pos.
8035
BOSCH Staubkasten | Ersatzteile für VAC140AH | 2610033231
Hersteller: BOSCH
Artikelnummer: EB-3601JC3511-1600A0292G
nur Informationsartikel
Nie mehr lieferbar
keine Alternativen
Pos.
8036
BOSCH Achse | Ersatzteile für VAC140AH | 2609200458
Hersteller: BOSCH
Artikelnummer: EB-3601JC3511-2609200458
Netto: 14,36 € zzgl. MwSt.
zzgl. 6,90 € Versand (brutto)
einmalig pro Bestellung

Lieferzeit: 5 Werktage

Pos.
8039
BOSCH Griff | Ersatzteile für VAC140AH | 2609200444
Hersteller: BOSCH
Artikelnummer: EB-3601JC3511-2609200444
Netto: 15,75 € zzgl. MwSt.
zzgl. 6,90 € Versand (brutto)
einmalig pro Bestellung

Lieferzeit: 5 Werktage

Pos.
8048
BOSCH Befestigungssatz | Ersatzteile für VAC140AH | 2609200468
Hersteller: BOSCH
Artikelnummer: EB-3601JC3511-2609200468
Netto: 10,92 € zzgl. MwSt.
zzgl. 6,90 € Versand (brutto)
einmalig pro Bestellung

Lieferzeit: 5 Werktage

Pos.
8049
BOSCH Typschild | Ersatzteile für VAC140AH | 2610047953
Hersteller: BOSCH
Artikelnummer: EB-3601JC3511-2610047953
nur Informationsartikel
Nie mehr lieferbar
keine Alternativen
Pos.
8058
BOSCH Lenkrolle | Ersatzteile für VAC140AH | 2609200419
Hersteller: BOSCH
Artikelnummer: EB-3601JC3511-1600A028XW
Netto: 38,40 € zzgl. MwSt.
zzgl. 6,90 € Versand (brutto)
einmalig pro Bestellung

Lieferzeit: 5 Werktage

Pos.
8068
BOSCH Dichtungssatz | Ersatzteile für VAC140AH | 2609200431
Hersteller: BOSCH
Artikelnummer: EB-3601JC3511-2609200431
Netto: 24,13 € zzgl. MwSt.
zzgl. 6,90 € Versand (brutto)
einmalig pro Bestellung

Lieferzeit: 5 Werktage

Pos.
8081
BOSCH Halter | Ersatzteile für VAC140AH | 2609200472
Hersteller: BOSCH
Artikelnummer: EB-3601JC3511-2609200472
Netto: 12,98 € zzgl. MwSt.
zzgl. 6,90 € Versand (brutto)
einmalig pro Bestellung

Lieferzeit: 5 Werktage

Pos.
8090
BOSCH Schalldaemmatte | Ersatzteile für VAC140AH | 2609200413
Hersteller: BOSCH
Artikelnummer: EB-3601JC3511-2609200413
Netto: 19,18 € zzgl. MwSt.
zzgl. 6,90 € Versand (brutto)
einmalig pro Bestellung

Lieferzeit: 5 Werktage

Pos.
8092
BOSCH Schalldaemmatte | Ersatzteile für VAC140AH | 2610033195
Hersteller: BOSCH
Artikelnummer: EB-3601JC3511-2610033195
nur Informationsartikel
Nie mehr lieferbar
keine Alternativen
Pos.
8093
BOSCH Schalldaemmatte | Ersatzteile für VAC140AH | 2610033232
Hersteller: BOSCH
Artikelnummer: EB-3601JC3511-2610033232
nur Informationsartikel
Nie mehr lieferbar
keine Alternativen
Pos.
8103
BOSCH Rad | Ersatzteile für VAC140AH | 2610033229
Hersteller: BOSCH
Artikelnummer: EB-3601JC3511-2610033229
nur Informationsartikel
Nie mehr lieferbar
keine Alternativen
Pos.
8106
BOSCH Lenkrolle | Ersatzteile für VAC140AH | 2609200471
Hersteller: BOSCH
Artikelnummer: EB-3601JC3511-2609200471
Netto: 35,77 € zzgl. MwSt.
zzgl. 6,90 € Versand (brutto)
einmalig pro Bestellung

Lieferzeit: 5 Werktage

Pos.
8107
BOSCH Elektromotor | Ersatzteile für VAC140AH | 2610033213
Hersteller: BOSCH
Artikelnummer: EB-3601JC3511-2610033213
nur Informationsartikel
Nie mehr lieferbar
keine Alternativen
Pos.
8110
BOSCH Halterung | Ersatzteile für VAC140AH | 2609200435
Hersteller: BOSCH
Artikelnummer: EB-3601JC3511-2609200435
Netto: 14,36 € zzgl. MwSt.
zzgl. 6,90 € Versand (brutto)
einmalig pro Bestellung

Lieferzeit: 5 Werktage

Pos.
8111
BOSCH Halterung | Ersatzteile für VAC140AH | 2609200407
Hersteller: BOSCH
Artikelnummer: EB-3601JC3511-2609200407
Netto: 14,36 € zzgl. MwSt.
zzgl. 6,90 € Versand (brutto)
einmalig pro Bestellung

Lieferzeit: 5 Werktage

Pos.
8113
BOSCH Befestigungssatz | Ersatzteile für VAC140AH | 2609200405
Hersteller: BOSCH
Artikelnummer: EB-3601JC3511-2609200405
Netto: 12,98 € zzgl. MwSt.
zzgl. 6,90 € Versand (brutto)
einmalig pro Bestellung

Lieferzeit: 5 Werktage

Pos.
8115
BOSCH Filterdeckel | Ersatzteile für VAC140AH | 2609200393
Hersteller: BOSCH
Artikelnummer: EB-3601JC3511-2609200393
Netto: 19,18 € zzgl. MwSt.
zzgl. 6,90 € Versand (brutto)
einmalig pro Bestellung

Lieferzeit: 5 Werktage

Pos.
8160
BOSCH Magnet | Ersatzteile für VAC140AH | 2610033226
Hersteller: BOSCH
Artikelnummer: EB-3601JC3511-2610033226
nur Informationsartikel
Nie mehr lieferbar
keine Alternativen
Pos.
8161
BOSCH Elektr Leitung | Ersatzteile für VAC140AH | 2610033212
Hersteller: BOSCH
Artikelnummer: EB-3601JC3511-2610033212
nur Informationsartikel
Nie mehr lieferbar
keine Alternativen
Pos.
8162
BOSCH Kabel | Ersatzteile für VAC140AH | 1600A01A4P
Hersteller: BOSCH
Artikelnummer: EB-3601JC3511-1600A01A4P
nur Informationsartikel
Nie mehr lieferbar
keine Alternativen
Pos.
8175
BOSCH Platine | Ersatzteile für VAC140AH | 2609200561
Hersteller: BOSCH
Artikelnummer: EB-3601JC3511-2609200561
Netto: 189,11 € zzgl. MwSt.
zzgl. 6,90 € Versand (brutto)
einmalig pro Bestellung

Lieferzeit: 5 Werktage

Pos.
8211
BOSCH Befestigungssatz | Ersatzteile für VAC140AH | 2609200418
Hersteller: BOSCH
Artikelnummer: EB-3601JC3511-2609200418
Netto: 14,36 € zzgl. MwSt.
zzgl. 6,90 € Versand (brutto)
einmalig pro Bestellung

Lieferzeit: 5 Werktage

Pos.
8257
BOSCH Schlauch | Ersatzteile für VAC140AH | 2608000A09
Hersteller: BOSCH
Artikelnummer: EB-3601JC3511-2608000A09
Netto: 70,50 € zzgl. MwSt.
zzgl. 6,90 € Versand (brutto)
einmalig pro Bestellung

Lieferzeit: 5 Werktage

Pos.
8301
BOSCH Bedienungstafel | Ersatzteile für VAC140AH | 2610033199
Hersteller: BOSCH
Artikelnummer: EB-3601JC3511-2610033199
nur Informationsartikel
Nie mehr lieferbar
keine Alternativen
Pos.
8303
BOSCH Steckdose | Ersatzteile für VAC140AH | 2610033197
Hersteller: BOSCH
Artikelnummer: EB-3601JC3511-2610033197
nur Informationsartikel
Nie mehr lieferbar
keine Alternativen
Pos.
8305
BOSCH Platine | Ersatzteile für VAC140AH | 2609200383
Hersteller: BOSCH
Artikelnummer: EB-3601JC3511-2609200383
Netto: 35,77 € zzgl. MwSt.
zzgl. 6,90 € Versand (brutto)
einmalig pro Bestellung

Lieferzeit: 5 Werktage

Pos.
8310
BOSCH Ablassstutzen | Ersatzteile für VAC140AH | 2609200395
Hersteller: BOSCH
Artikelnummer: EB-3601JC3511-2609200395
Netto: 32,74 € zzgl. MwSt.
zzgl. 6,90 € Versand (brutto)
einmalig pro Bestellung

Lieferzeit: 5 Werktage

Pos.
8321
BOSCH Federgehäuse | Ersatzteile für VAC140AH | 2609200428
Hersteller: BOSCH
Artikelnummer: EB-3601JC3511-2609200428
Netto: 15,75 € zzgl. MwSt.
zzgl. 6,90 € Versand (brutto)
einmalig pro Bestellung

Lieferzeit: 5 Werktage

Pos.
8417
BOSCH Folientastatur | Ersatzteile für VAC140AH | 2609200387
Hersteller: BOSCH
Artikelnummer: EB-3601JC3511-2609200387
Netto: 42,86 € zzgl. MwSt.
zzgl. 6,90 € Versand (brutto)
einmalig pro Bestellung

Lieferzeit: 5 Werktage

Angaben zur Produktsicherheit

Hersteller:
Robert Bosch Power Tools GmbH
Postfach 30 02 20
70442 Stuttgart

E-Mail:
kontakt@bosch.de