BOSCH Kugel DIN 5401-4 MM-III-ST | Ersatzteile für Vorsatzgetriebe | 1903230007

Artikelnummer: EB-0607958904-1903230007

Position: 3/16

Marke: BOSCH


Bitte Kompatibilität prüfen!

Bitte prüfen Sie unbedingt die 10-stellige Typennummer Ihrer Maschine / Ihres Gerätes. Das Ersatzteil ist nur kompatibel, wenn Sie die Typennummer Ihrer Maschine in der unten stehenden Produktbeschreibung finden.

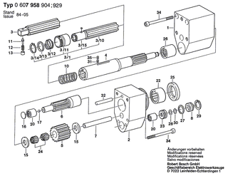
Bitte prüfen Sie ebenfalls detailliert die Explosionszeichnung mit Ihrem Artikelwunsch und der jeweiligen Pos-Nummer.

Alle Elemente, welche vom schwarzen Strich der Pos-Nummer ausgehend berührt / erfasst werden, gehören zu dieser Pos-Nummer und somit zu diesem Artikel. Jede Pos-Nummer ist ein eigenständiger Artikel, welchen Sie in der Auflistung finden.

Sie erhalten stets die aktuellste, neueste Produktversion zu der gewählten Pos-Nummer seitens des Herstellers. Es kann daher je nach Gerätealter vorkommen, dass Sie ggf. weitere, zugehörige Elemente, welche an diese Pos-Nummer grenzen, ebenfalls mittauschen müssen.

Nähere Informationen finden Sie unter dem Link
Hinweise zu Ihrer BOSCH Ersatzteilsuche

Preisübersicht

Einzelpreis: 3,94 €* (Brutto: 4,69 €)
Gesamtpreis: 3,94 €* 
Position:

Lieferzeit: 5 Werktage


Beschreibung

  • Kugel DIN 5401-4 MM-III-ST
  • Original Bosch Zubehör / BOSCH Ersatzteil (1903230007)
  • im Gerät verbaut: 1
Dieses BOSCH Ersatzteil ist mit folgendem Gerät und Modell kompatibel:
  • BOSCH Gerätename: Vorsatzgetriebe
  • BOSCH Explosionszeichnung: Position 3/16
  • BOSCH Typennummer: 0607958904
  • BOSCH Typennummer alternative Schreibweisen: 0 607 958 904, 0607 958 904, 0.607.958.904, 0-607-958-904
    Bitte prüfen Sie diese Typennummer auf Ihrem Gerät um die Kompatibilität des BOSCH Ersatzteils zu gewährleisten.
Weitere BOSCH Ersatzteile des Gerätes Vorsatzgetriebe mit der Typennummer 0607958904 finden Sie in der nachfolgenden Darstellung und im Dropdown zu Ihrer Auswahl:

Pos.
1
BOSCH Getriebegehäuse | Ersatzteile für Vorsatzgetriebe | 3605106002
Hersteller: BOSCH
Artikelnummer: EB-0607958904-3605106002
nur Informationsartikel
Nie mehr lieferbar
keine Alternativen
Pos.
3/12
BOSCH Klemmhülse | Ersatzteile für Vorsatzgetriebe | 3600311015
Hersteller: BOSCH
Artikelnummer: EB-0607958904-3600311015
Netto: 26,88 € zzgl. MwSt.
zzgl. 6,90 € Versand (brutto)
einmalig pro Bestellung

Lieferzeit: 5 Werktage

Pos.
2
BOSCH Getriebegehäuse | Ersatzteile für Vorsatzgetriebe | 3605106003
Hersteller: BOSCH
Artikelnummer: EB-0607958904-3605106003
nur Informationsartikel
Nie mehr lieferbar
keine Alternativen
Pos.
3/13
BOSCH Druckfeder | Ersatzteile für Vorsatzgetriebe | 3604615001
Hersteller: BOSCH
Artikelnummer: EB-0607958904-3604615001
Netto: 4,53 € zzgl. MwSt.
zzgl. 6,90 € Versand (brutto)
einmalig pro Bestellung

Lieferzeit: 5 Werktage

Pos.
3/14
BOSCH Unterlegscheibe | Ersatzteile für Vorsatzgetriebe | 3600101055
Hersteller: BOSCH
Artikelnummer: EB-0607958904-3600101055
Netto: 10,92 € zzgl. MwSt.
zzgl. 6,90 € Versand (brutto)
einmalig pro Bestellung

Lieferzeit: 5 Werktage

Pos.
3/15
BOSCH Sprengring | Ersatzteile für Vorsatzgetriebe | 3600224001
Hersteller: BOSCH
Artikelnummer: EB-0607958904-3600224001
Netto: 5,19 € zzgl. MwSt.
zzgl. 6,90 € Versand (brutto)
einmalig pro Bestellung

Lieferzeit: 5 Werktage

Pos.
4
BOSCH Hohlwelle | Ersatzteile für Vorsatzgetriebe | 3600700004
Hersteller: BOSCH
Artikelnummer: EB-0607958904-3600700004
nur Informationsartikel
Nie mehr lieferbar
keine Alternativen
Pos.
3/16
BOSCH Kugel DIN 5401-4 MM-III-ST | Ersatzteile für Vorsatzgetriebe | 1903230007
Hersteller: BOSCH
Artikelnummer: EB-0607958904-1903230007
Netto: 3,94 € zzgl. MwSt.
zzgl. 6,90 € Versand (brutto)
einmalig pro Bestellung

Lieferzeit: 5 Werktage

Pos.
5
BOSCH Stirnrad | Ersatzteile für Vorsatzgetriebe | 3606316017
Hersteller: BOSCH
Artikelnummer: EB-0607958904-3606316017
nur Informationsartikel
Nie mehr lieferbar
keine Alternativen
Pos.
11
BOSCH Rastbolzen | Ersatzteile für Vorsatzgetriebe | 1603124085
Hersteller: BOSCH
Artikelnummer: EB-0607958904-1603124085
Netto: 5,19 € zzgl. MwSt.
zzgl. 6,90 € Versand (brutto)
einmalig pro Bestellung

Lieferzeit: 5 Werktage

Pos.
6
BOSCH Zahnwelle | Ersatzteile für Vorsatzgetriebe | 3606309003
Hersteller: BOSCH
Artikelnummer: EB-0607958904-3606309003
nur Informationsartikel
Nie mehr lieferbar
keine Alternativen
Pos.
12
BOSCH Druckfeder | Ersatzteile für Vorsatzgetriebe | 1604611019
Hersteller: BOSCH
Artikelnummer: EB-0607958904-1604611019
Netto: 4,82 € zzgl. MwSt.
zzgl. 6,90 € Versand (brutto)
einmalig pro Bestellung

Lieferzeit: 5 Werktage

Pos.
7
BOSCH Achse | Ersatzteile für Vorsatzgetriebe | 3603000001
Hersteller: BOSCH
Artikelnummer: EB-0607958904-3603000001
nur Informationsartikel
Nie mehr lieferbar
keine Alternativen
Pos.
13
BOSCH Führungshülse | Ersatzteile für Vorsatzgetriebe | 1600506009
Hersteller: BOSCH
Artikelnummer: EB-0607958904-1600506009
Netto: 7,76 € zzgl. MwSt.
zzgl. 6,90 € Versand (brutto)
einmalig pro Bestellung

Lieferzeit: 5 Werktage

Pos.
8
BOSCH Verschlussdeckel | Ersatzteile für Vorsatzgetriebe | 3603211001
Hersteller: BOSCH
Artikelnummer: EB-0607958904-3603211001
nur Informationsartikel
Nie mehr lieferbar
keine Alternativen
Pos.
17
BOSCH Kugel DIN 5401-5 G28 | Ersatzteile für Vorsatzgetriebe | 1903230009
Hersteller: BOSCH
Artikelnummer: EB-0607958904-1903230009
Netto: 3,63 € zzgl. MwSt.
zzgl. 6,90 € Versand (brutto)
einmalig pro Bestellung

Lieferzeit: 5 Werktage

Pos.
10
BOSCH Druckfeder | Ersatzteile für Vorsatzgetriebe | 3604615007
Hersteller: BOSCH
Artikelnummer: EB-0607958904-3604615007
nur Informationsartikel
Nie mehr lieferbar
keine Alternativen
Pos.
24
BOSCH Nadelkranz | Ersatzteile für Vorsatzgetriebe | 3600913001
Hersteller: BOSCH
Artikelnummer: EB-0607958904-3600913001
Netto: 9,95 € zzgl. MwSt.
zzgl. 6,90 € Versand (brutto)
einmalig pro Bestellung

Lieferzeit: 5 Werktage

Pos.
29
BOSCH Sicherungsring DIN 472-24x1,2 MM | Ersatzteile für Vorsatzgetriebe | 2916660008
Hersteller: BOSCH
Artikelnummer: EB-0607958904-2916660008
Netto: 4,32 € zzgl. MwSt.
zzgl. 6,90 € Versand (brutto)
einmalig pro Bestellung

Lieferzeit: 5 Werktage

Pos.
30
BOSCH Sicherungsring DIN 471-10x1MM-FSt | Ersatzteile für Vorsatzgetriebe | 2916650001
Hersteller: BOSCH
Artikelnummer: EB-0607958904-2916650001
Netto: 4,53 € zzgl. MwSt.
zzgl. 6,90 € Versand (brutto)
einmalig pro Bestellung

Lieferzeit: 5 Werktage

Pos.
15
BOSCH Stützscheibe | Ersatzteile für Vorsatzgetriebe | 1610101611
Hersteller: BOSCH
Artikelnummer: EB-0607958904-1610101611
nur Informationsartikel
Nie mehr lieferbar
keine Alternativen
Pos.
16
BOSCH Anlaufscheibe | Ersatzteile für Vorsatzgetriebe | 3600000002
Hersteller: BOSCH
Artikelnummer: EB-0607958904-3600000002
nur Informationsartikel
Nie mehr lieferbar
keine Alternativen
Pos.
20
BOSCH Nadelhülse | Ersatzteile für Vorsatzgetriebe | 3600917005
Hersteller: BOSCH
Artikelnummer: EB-0607958904-3600917005
nur Informationsartikel
Nie mehr lieferbar
keine Alternativen
Pos.
22
BOSCH Nadellager | Ersatzteile für Vorsatzgetriebe | 1410920001
Hersteller: BOSCH
Artikelnummer: EB-0607958904-1410920001
nur Informationsartikel
Nie mehr lieferbar
keine Alternativen
Pos.
23
BOSCH Axialrillenkugellager | Ersatzteile für Vorsatzgetriebe | 1900920005
Hersteller: BOSCH
Artikelnummer: EB-0607958904-1900920005
nur Informationsartikel
Nie mehr lieferbar
keine Alternativen
Pos.
25
BOSCH Radialdichtring | Ersatzteile für Vorsatzgetriebe | 3600283011
Hersteller: BOSCH
Artikelnummer: EB-0607958904-3600283011
nur Informationsartikel
Nie mehr lieferbar
keine Alternativen
Pos.
26
BOSCH Nadelhülse | Ersatzteile für Vorsatzgetriebe | 3600917006
Hersteller: BOSCH
Artikelnummer: EB-0607958904-3600917006
nur Informationsartikel
Nie mehr lieferbar
keine Alternativen
Pos.
27
BOSCH O-Ring | Ersatzteile für Vorsatzgetriebe | 1900210018
Hersteller: BOSCH
Artikelnummer: EB-0607958904-1900210018
nur Informationsartikel
Nie mehr lieferbar
keine Alternativen
Pos.
28
BOSCH Unterlegscheibe | Ersatzteile für Vorsatzgetriebe | 1600101653
Hersteller: BOSCH
Artikelnummer: EB-0607958904-1600101653
nur Informationsartikel
Nie mehr lieferbar
keine Alternativen
Pos.
31
BOSCH Spannstift | Ersatzteile für Vorsatzgetriebe | 2917760093
Hersteller: BOSCH
Artikelnummer: EB-0607958904-2917760093
nur Informationsartikel
Nie mehr lieferbar
keine Alternativen
Pos.
32
BOSCH Zylinderstift | Ersatzteile für Vorsatzgetriebe | 2917570121
Hersteller: BOSCH
Artikelnummer: EB-0607958904-2917570121
nur Informationsartikel
Nie mehr lieferbar
keine Alternativen
Pos.
34
BOSCH Zylinderschraube | Ersatzteile für Vorsatzgetriebe | 2910151219
Hersteller: BOSCH
Artikelnummer: EB-0607958904-2910151219
nur Informationsartikel
Nie mehr lieferbar
keine Alternativen
Pos.
35
BOSCH Spiralspannstift | Ersatzteile für Vorsatzgetriebe | 2917760055
Hersteller: BOSCH
Artikelnummer: EB-0607958904-2917760055
nur Informationsartikel
Nie mehr lieferbar
keine Alternativen
Pos.
700
BOSCH Druckfeder | Ersatzteile für Vorsatzgetriebe | 3604615006
Hersteller: BOSCH
Artikelnummer: EB-0607958904-3604615006
Nie mehr lieferbar
keine Alternativen
Pos.
701
BOSCH Zwischenplatte | Ersatzteile für Vorsatzgetriebe | 3601072000
Hersteller: BOSCH
Artikelnummer: EB-0607958904-3601072000
Nie mehr lieferbar
keine Alternativen
Pos.
801
BOSCH Keilwelle | Ersatzteile für Vorsatzgetriebe | 3603161019
Hersteller: BOSCH
Artikelnummer: EB-0607958904-3603161019
Nie mehr lieferbar
keine Alternativen

Angaben zur Produktsicherheit

Hersteller:
Robert Bosch Power Tools GmbH
Postfach 30 02 20
70442 Stuttgart

E-Mail:
kontakt@bosch.de