BOSCH Bohrfutterschlüssel SG2 | Ersatzteile für VSR 3/8" | 2607950007

Artikelnummer: EB-0601160734-2607950007

Position: 40

Marke: BOSCH


Bitte Kompatibilität prüfen!

Bitte prüfen Sie unbedingt die 10-stellige Typennummer Ihrer Maschine / Ihres Gerätes. Das Ersatzteil ist nur kompatibel, wenn Sie die Typennummer Ihrer Maschine in der unten stehenden Produktbeschreibung finden.

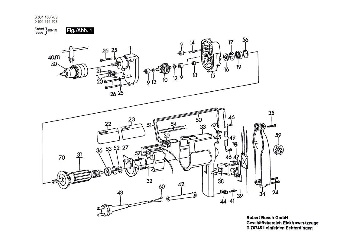
Bitte prüfen Sie ebenfalls detailliert die Explosionszeichnung mit Ihrem Artikelwunsch und der jeweiligen Pos-Nummer.

Alle Elemente, welche vom schwarzen Strich der Pos-Nummer ausgehend berührt / erfasst werden, gehören zu dieser Pos-Nummer und somit zu diesem Artikel. Jede Pos-Nummer ist ein eigenständiger Artikel, welchen Sie in der Auflistung finden.

Sie erhalten stets die aktuellste, neueste Produktversion zu der gewählten Pos-Nummer seitens des Herstellers. Es kann daher je nach Gerätealter vorkommen, dass Sie ggf. weitere, zugehörige Elemente, welche an diese Pos-Nummer grenzen, ebenfalls mittauschen müssen.

Nähere Informationen finden Sie unter dem Link
Hinweise zu Ihrer BOSCH Ersatzteilsuche

Preisübersicht

Einzelpreis: 7,30 €* (Brutto: 8,69 €)
Gesamtpreis: 7,30 €* 
Position:

Lieferzeit: 5 Werktage


Beschreibung

  • Bohrfutterschlüssel SG2
  • Original Bosch Zubehör / BOSCH Ersatzteil (2607950007)
  • im Gerät verbaut: 1
Dieses BOSCH Ersatzteil ist mit folgendem Gerät und Modell kompatibel:
  • BOSCH Gerätename: VSR 3/8""
  • BOSCH Explosionszeichnung: Position 40
  • BOSCH Typennummer: 0601160734
  • BOSCH Typennummer alternative Schreibweisen: 0 601 160 734, 0601 160 734, 0.601.160.734, 0-601-160-734
    Bitte prüfen Sie diese Typennummer auf Ihrem Gerät um die Kompatibilität des BOSCH Ersatzteils zu gewährleisten.
Weitere BOSCH Ersatzteile des Gerätes VSR 3/8"" (Bohrmaschine) mit der Typennummer 0601160734 finden Sie in der nachfolgenden Darstellung und im Dropdown zu Ihrer Auswahl:

Pos.
1
BOSCH Getriebegehäuse | Ersatzteile für VSR 3/8" | 2605806965
Hersteller: BOSCH
Artikelnummer: EB-0601160734-2605806965
nur Informationsartikel
Nie mehr lieferbar
keine Alternativen
Pos.
9
BOSCH Nadellager Ø6 MM | Ersatzteile für VSR 3/8" | 2600914010
Hersteller: BOSCH
Artikelnummer: EB-0601160734-2600914010
Netto: 4,82 € zzgl. MwSt.
zzgl. 6,90 € Versand (brutto)
einmalig pro Bestellung

Lieferzeit: 5 Werktage

Pos.
10
BOSCH Zahnwelle Z=10/41 | Ersatzteile für VSR 3/8" | 2606311905
Hersteller: BOSCH
Artikelnummer: EB-0601160734-2606311905
nur Informationsartikel
Nie mehr lieferbar
keine Alternativen
Pos.
12
BOSCH Ausgleichscheibe 0,3 MM | Ersatzteile für VSR 3/8" | 2600100607
Hersteller: BOSCH
Artikelnummer: EB-0601160734-2600100607
Netto: 3,94 € zzgl. MwSt.
zzgl. 6,90 € Versand (brutto)
einmalig pro Bestellung

Lieferzeit: 5 Werktage

Pos.
14
BOSCH Nadelrolle DIN 5402-A3x11,8-G2 | Ersatzteile für VSR 3/8" | 1903201042
Hersteller: BOSCH
Artikelnummer: EB-0601160734-1903201042
Netto: 4,32 € zzgl. MwSt.
zzgl. 6,90 € Versand (brutto)
einmalig pro Bestellung

Lieferzeit: 5 Werktage

Pos.
15
BOSCH Zwischenflansch | Ersatzteile für VSR 3/8" | 2605700929
Hersteller: BOSCH
Artikelnummer: EB-0601160734-2605700929
nur Informationsartikel
Nie mehr lieferbar
keine Alternativen
Pos.
16
BOSCH Filzscheibe | Ersatzteile für VSR 3/8" | 2600108000
Hersteller: BOSCH
Artikelnummer: EB-0601160734-2600108000
nur Informationsartikel
Nie mehr lieferbar
keine Alternativen
Pos.
17
BOSCH Tellerscheibe | Ersatzteile für VSR 3/8" | 2600500030
Hersteller: BOSCH
Artikelnummer: EB-0601160734-2600500030
nur Informationsartikel
Nie mehr lieferbar
keine Alternativen
Pos.
18
BOSCH Dichtbuchse | Ersatzteile für VSR 3/8" | 2600300049
Hersteller: BOSCH
Artikelnummer: EB-0601160734-2600300049
nur Informationsartikel
Nie mehr lieferbar
keine Alternativen
Pos.
19
BOSCH Kugellager 8x22x7 | Ersatzteile für VSR 3/8" | 1900905029
Hersteller: BOSCH
Artikelnummer: EB-0601160734-1900905029
Netto: 17,38 € zzgl. MwSt.
zzgl. 6,90 € Versand (brutto)
einmalig pro Bestellung

Lieferzeit: 5 Werktage

Pos.
20
BOSCH Kerbnagel 2x4 DIN 1476-ST | Ersatzteile für VSR 3/8" | 2917724032
Hersteller: BOSCH
Artikelnummer: EB-0601160734-2917724032
nur Informationsartikel
Nie mehr lieferbar
keine Alternativen
Pos.
22
BOSCH Klebeschild | Ersatzteile für VSR 3/8" | 2601110209
Hersteller: BOSCH
Artikelnummer: EB-0601160734-2601110209
nur Informationsartikel
Nie mehr lieferbar
keine Alternativen
Pos.
23
BOSCH Klebeschild | Ersatzteile für VSR 3/8" | 2601110228
Hersteller: BOSCH
Artikelnummer: EB-0601160734-2601110228
nur Informationsartikel
Nie mehr lieferbar
keine Alternativen
Pos.
24
BOSCH Blechschraube DIN 7971-ST3,9x22-F | Ersatzteile für VSR 3/8" | 2910211021
Hersteller: BOSCH
Artikelnummer: EB-0601160734-2910211021
Netto: 3,94 € zzgl. MwSt.
zzgl. 6,90 € Versand (brutto)
einmalig pro Bestellung

Lieferzeit: 5 Werktage

Pos.
25
BOSCH Federring DIN 128-A4-FST | Ersatzteile für VSR 3/8" | 2916690003
Hersteller: BOSCH
Artikelnummer: EB-0601160734-2916690003
Netto: 3,63 € zzgl. MwSt.
zzgl. 6,90 € Versand (brutto)
einmalig pro Bestellung

Lieferzeit: 5 Werktage

Pos.
26
BOSCH Kombi-Schraube DIN 84-BM 4x35-Z4-8.8 | Ersatzteile für VSR 3/8" | 2914501027
Hersteller: BOSCH
Artikelnummer: EB-0601160734-2914501027
nur Informationsartikel
Nie mehr lieferbar
keine Alternativen
Pos.
27
BOSCH Abdeckscheibe | Ersatzteile für VSR 3/8" | 2601328041
Hersteller: BOSCH
Artikelnummer: EB-0601160734-2601328041
nur Informationsartikel
Nie mehr lieferbar
keine Alternativen
Pos.
30
BOSCH Umschalter | Ersatzteile für VSR 3/8" | 2607200114
Hersteller: BOSCH
Artikelnummer: EB-0601160734-2607200114
nur Informationsartikel
Nie mehr lieferbar
keine Alternativen
Pos.
31
BOSCH Anker 110-115V | Ersatzteile für VSR 3/8" | 2604010532
Hersteller: BOSCH
Artikelnummer: EB-0601160734-2604010532
nur Informationsartikel
Nie mehr lieferbar
keine Alternativen
Pos.
32
BOSCH Polschuh 110-115V | Ersatzteile für VSR 3/8" | 2604222301
Hersteller: BOSCH
Artikelnummer: EB-0601160734-2604222301
nur Informationsartikel
Nie mehr lieferbar
keine Alternativen
Pos.
33
BOSCH Motorgehäuse BLAU | Ersatzteile für VSR 3/8" | 2605104954
Hersteller: BOSCH
Artikelnummer: EB-0601160734-2605104954
nur Informationsartikel
Nie mehr lieferbar
keine Alternativen
Pos.
34
BOSCH Gehäusedeckel BLAU | Ersatzteile für VSR 3/8" | 2605132017
Hersteller: BOSCH
Artikelnummer: EB-0601160734-2605132017
nur Informationsartikel
Nie mehr lieferbar
keine Alternativen
Pos.
35
BOSCH Blechschraube DIN 7971-BZ3,9x19 | Ersatzteile für VSR 3/8" | 2910211020
Hersteller: BOSCH
Artikelnummer: EB-0601160734-2910211020
Netto: 4,32 € zzgl. MwSt.
zzgl. 6,90 € Versand (brutto)
einmalig pro Bestellung

Lieferzeit: 5 Werktage

Pos.
36
BOSCH Kugellager 7x22x7 | Ersatzteile für VSR 3/8" | 1900905018
Hersteller: BOSCH
Artikelnummer: EB-0601160734-1900905018
Netto: 15,75 € zzgl. MwSt.
zzgl. 6,90 € Versand (brutto)
einmalig pro Bestellung

Lieferzeit: 5 Werktage

Pos.
38
BOSCH Schalter | Ersatzteile für VSR 3/8" | 2607200148
Hersteller: BOSCH
Artikelnummer: EB-0601160734-2607200148
nur Informationsartikel
Nie mehr lieferbar
keine Alternativen
Pos.
39
BOSCH Zylinderschraube M3x10 MM | Ersatzteile für VSR 3/8" | 2603410023
Hersteller: BOSCH
Artikelnummer: EB-0601160734-2603410023
nur Informationsartikel
Nie mehr lieferbar
keine Alternativen
Pos.
40
BOSCH Bohrfutterschlüssel SG2 | Ersatzteile für VSR 3/8" | 2607950007
Hersteller: BOSCH
Artikelnummer: EB-0601160734-2607950007
Netto: 7,30 € zzgl. MwSt.
zzgl. 6,90 € Versand (brutto)
einmalig pro Bestellung

Lieferzeit: 5 Werktage

Pos.
40
BOSCH Zahnkranzbohrfutter | Ersatzteile für 601160734 | 1607000F3W
Hersteller: BOSCH
Artikelnummer: EB-0601160734-1607000F3W
Netto: 29,45 € zzgl. MwSt.
zzgl. 6,90 € Versand (brutto)
einmalig pro Bestellung

Lieferzeit: 5 Werktage

Pos.
40
BOSCH Zahnkranzbohrfutter Ø1-10 MM, 3/8" | Ersatzteile für VSR 3/8" | 1608571020
Hersteller: BOSCH
Artikelnummer: EB-0601160734-1608571020
nur Informationsartikel
Nie mehr lieferbar
keine Alternativen
Pos.
41
BOSCH Blechschraube DIN 7971-ST3,9x16-F | Ersatzteile für VSR 3/8" | 2910211019
Hersteller: BOSCH
Artikelnummer: EB-0601160734-2910211019
Netto: 3,63 € zzgl. MwSt.
zzgl. 6,90 € Versand (brutto)
einmalig pro Bestellung

Lieferzeit: 5 Werktage

Pos.
42
BOSCH Tülle Ø7,6-Ø8,2x95 MM | Ersatzteile für VSR 3/8" | 2600703013
Hersteller: BOSCH
Artikelnummer: EB-0601160734-2600703013
Netto: 4,53 € zzgl. MwSt.
zzgl. 6,90 € Versand (brutto)
einmalig pro Bestellung

Lieferzeit: 5 Werktage

Pos.
43
BOSCH Netzanschlussleitung | Ersatzteile für VSR 3/8" | 2604460056
Hersteller: BOSCH
Artikelnummer: EB-0601160734-2604460056
nur Informationsartikel
Nie mehr lieferbar
keine Alternativen
Pos.
44
BOSCH Leitungshalter | Ersatzteile für VSR 3/8" | 2601035001
Hersteller: BOSCH
Artikelnummer: EB-0601160734-2601035001
Netto: 3,94 € zzgl. MwSt.
zzgl. 6,90 € Versand (brutto)
einmalig pro Bestellung

Lieferzeit: 5 Werktage

Pos.
45
BOSCH Blechschraube 2,2x6,5 | Ersatzteile für VSR 3/8" | 2603435016
Hersteller: BOSCH
Artikelnummer: EB-0601160734-2603435016
nur Informationsartikel
Nie mehr lieferbar
keine Alternativen
Pos.
46
BOSCH Kombi-Schraube DIN7985-M3x6-Z1-4.8 | Ersatzteile für VSR 3/8" | 2914501011
Hersteller: BOSCH
Artikelnummer: EB-0601160734-2914501011
Netto: 3,63 € zzgl. MwSt.
zzgl. 6,90 € Versand (brutto)
einmalig pro Bestellung

Lieferzeit: 5 Werktage

Pos.
47
BOSCH Spiralfeder | Ersatzteile für VSR 3/8" | 2604652003
Hersteller: BOSCH
Artikelnummer: EB-0601160734-2604652003
nur Informationsartikel
Nie mehr lieferbar
keine Alternativen
Pos.
50
BOSCH Elektr Leitung | Ersatzteile für VSR 3/8" | 2604411530
Hersteller: BOSCH
Artikelnummer: EB-0601160734-2604411530
nur Informationsartikel
Nie mehr lieferbar
keine Alternativen
Pos.
51
BOSCH Elektr Leitung | Ersatzteile für VSR 3/8" | 2604411523
Hersteller: BOSCH
Artikelnummer: EB-0601160734-2604411523
Netto: 3,95 € zzgl. MwSt.
zzgl. 6,90 € Versand (brutto)
einmalig pro Bestellung

Lieferzeit: 5 Werktage

Pos.
52
BOSCH Ausgleichscheibe | Ersatzteile für VSR 3/8" | 2600150004
Hersteller: BOSCH
Artikelnummer: EB-0601160734-2600150004
Netto: 4,32 € zzgl. MwSt.
zzgl. 6,90 € Versand (brutto)
einmalig pro Bestellung

Lieferzeit: 5 Werktage

Pos.
53
BOSCH Ausgleichscheibe 0,2 MM | Ersatzteile für VSR 3/8" | 2600101022
Hersteller: BOSCH
Artikelnummer: EB-0601160734-2600101022
Netto: 3,94 € zzgl. MwSt.
zzgl. 6,90 € Versand (brutto)
einmalig pro Bestellung

Lieferzeit: 5 Werktage

Pos.
53
BOSCH Ausgleichscheibe 0,3 MM | Ersatzteile für VSR 3/8" | 2600101023
Hersteller: BOSCH
Artikelnummer: EB-0601160734-2600101023
Netto: 3,94 € zzgl. MwSt.
zzgl. 6,90 € Versand (brutto)
einmalig pro Bestellung

Lieferzeit: 5 Werktage

Pos.
53
BOSCH Ausgleichscheibe 0,5 MM | Ersatzteile für VSR 3/8" | 2600101020
Hersteller: BOSCH
Artikelnummer: EB-0601160734-2600101020
Netto: 3,94 € zzgl. MwSt.
zzgl. 6,90 € Versand (brutto)
einmalig pro Bestellung

Lieferzeit: 5 Werktage

Pos.
54
BOSCH Elektr Leitung | Ersatzteile für VSR 3/8" | 2604411524
Hersteller: BOSCH
Artikelnummer: EB-0601160734-2604411524
nur Informationsartikel
Nie mehr lieferbar
keine Alternativen
Pos.
56
BOSCH Sicherungsring | Ersatzteile für VSR 3/8" | 2600119000
Hersteller: BOSCH
Artikelnummer: EB-0601160734-2600119000
Netto: 3,94 € zzgl. MwSt.
zzgl. 6,90 € Versand (brutto)
einmalig pro Bestellung

Lieferzeit: 5 Werktage

Pos.
57
BOSCH Druckfeder | Ersatzteile für VSR 3/8" | 2604611026
Hersteller: BOSCH
Artikelnummer: EB-0601160734-2604611026
nur Informationsartikel
Nie mehr lieferbar
keine Alternativen
Pos.
59
BOSCH Klebeschild GELB | Ersatzteile für VSR 3/8" | 2601110041
Hersteller: BOSCH
Artikelnummer: EB-0601160734-2601110041
nur Informationsartikel
Nie mehr lieferbar
keine Alternativen
Pos.
60
BOSCH Aderendhülse DIN 46 228-A1-6 | Ersatzteile für VSR 3/8" | 1900452012
Hersteller: BOSCH
Artikelnummer: EB-0601160734-1900452012
Netto: 3,94 € zzgl. MwSt.
zzgl. 6,90 € Versand (brutto)
einmalig pro Bestellung

Lieferzeit: 5 Werktage

Pos.
61
BOSCH Zentrierhülse | Ersatzteile für VSR 3/8" | 2600409013
Hersteller: BOSCH
Artikelnummer: EB-0601160734-2600409013
nur Informationsartikel
Nie mehr lieferbar
keine Alternativen
Pos.
70
BOSCH Lüfter | Ersatzteile für VSR 3/8" | 2606610021
Hersteller: BOSCH
Artikelnummer: EB-0601160734-2606610021
nur Informationsartikel
Nie mehr lieferbar
keine Alternativen
Pos.
849
BOSCH Kohlebürstensatz | Ersatzteile für VSR 3/8" | 2604320902
Hersteller: BOSCH
Artikelnummer: EB-0601160734-2604320902
nur Informationsartikel
Nie mehr lieferbar
keine Alternativen
Pos.
888
BOSCH Typschild | Ersatzteile für VSR 3/8" | 160111A3H3
Hersteller: BOSCH
Artikelnummer: EB-0601160734-160111A3H3
Netto: 4,53 € zzgl. MwSt.
zzgl. 6,90 € Versand (brutto)
einmalig pro Bestellung

Lieferzeit: 5 Werktage

Angaben zur Produktsicherheit

Hersteller:
Robert Bosch Power Tools GmbH
Postfach 30 02 20
70442 Stuttgart

E-Mail:
kontakt@bosch.de