BOSCH Bürstenhalter | Ersatzteile für Winkelschleifer | 3604336012

Artikelnummer: EB-0600301060-3604336012

Position: 16

Marke: BOSCH


Bitte Kompatibilität prüfen!

Bitte prüfen Sie unbedingt die 10-stellige Typennummer Ihrer Maschine / Ihres Gerätes. Das Ersatzteil ist nur kompatibel, wenn Sie die Typennummer Ihrer Maschine in der unten stehenden Produktbeschreibung finden.

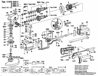
Bitte prüfen Sie ebenfalls detailliert die Explosionszeichnung mit Ihrem Artikelwunsch und der jeweiligen Pos-Nummer.

Alle Elemente, welche vom schwarzen Strich der Pos-Nummer ausgehend berührt / erfasst werden, gehören zu dieser Pos-Nummer und somit zu diesem Artikel. Jede Pos-Nummer ist ein eigenständiger Artikel, welchen Sie in der Auflistung finden.

Sie erhalten stets die aktuellste, neueste Produktversion zu der gewählten Pos-Nummer seitens des Herstellers. Es kann daher je nach Gerätealter vorkommen, dass Sie ggf. weitere, zugehörige Elemente, welche an diese Pos-Nummer grenzen, ebenfalls mittauschen müssen.

Nähere Informationen finden Sie unter dem Link
Hinweise zu Ihrer BOSCH Ersatzteilsuche

Preisübersicht

Einzelpreis: 6,70 €* (Brutto: 7,97 €)
Gesamtpreis: 6,70 €* 
Position:

Lieferzeit: 5 Werktage


Beschreibung

  • Bürstenhalter
  • Original Bosch Zubehör / BOSCH Ersatzteil (3604336012)
  • im Gerät verbaut: 1
Dieses BOSCH Ersatzteil ist mit folgendem Gerät und Modell kompatibel:
  • BOSCH Gerätename: Winkelschleifer
  • BOSCH Explosionszeichnung: Position 16
  • BOSCH Typennummer: 0600301060
  • BOSCH Typennummer alternative Schreibweisen: 0 600 301 060, 0600 301 060, 0.600.301.060, 0-600-301-060
    Bitte prüfen Sie diese Typennummer auf Ihrem Gerät um die Kompatibilität des BOSCH Ersatzteils zu gewährleisten.
Weitere BOSCH Ersatzteile des Gerätes Winkelschleifer mit der Typennummer 0600301060 finden Sie in der nachfolgenden Darstellung und im Dropdown zu Ihrer Auswahl:

Pos.
1
BOSCH Motorgehäuse BLAU | Ersatzteile für Winkelschleifer | 3605108088
Hersteller: BOSCH
Artikelnummer: EB-0600301060-3605108088
nur Informationsartikel
Nie mehr lieferbar
keine Alternativen
Pos.
19/01
BOSCH Filzring | Ersatzteile für Winkelschleifer | 1600205019
Hersteller: BOSCH
Artikelnummer: EB-0600301060-1600205019
Netto: 3,94 € zzgl. MwSt.
zzgl. 6,90 € Versand (brutto)
einmalig pro Bestellung

Lieferzeit: 5 Werktage

Pos.
4/00/04
BOSCH Flachkopfschraube DIN 85-AM4x8-4.8 | Ersatzteile für Winkelschleifer | 2910091118
Hersteller: BOSCH
Artikelnummer: EB-0600301060-2910091118
Netto: 3,60 € zzgl. MwSt.
zzgl. 6,90 € Versand (brutto)
einmalig pro Bestellung

Lieferzeit: 5 Werktage

Pos.
652/00/02
BOSCH Innensechskantschraube DIN 912-M8x20-8.8 | Ersatzteile für Winkelschleifer | 2910141242
Hersteller: BOSCH
Artikelnummer: EB-0600301060-2910141242
Netto: 3,94 € zzgl. MwSt.
zzgl. 6,90 € Versand (brutto)
einmalig pro Bestellung

Lieferzeit: 5 Werktage

Pos.
2
BOSCH Polschuh 220-230V | Ersatzteile für Winkelschleifer | 1604220122
Hersteller: BOSCH
Artikelnummer: EB-0600301060-1604220122
nur Informationsartikel
Nie mehr lieferbar
keine Alternativen
Pos.
3
BOSCH Anker 220-230V | Ersatzteile für Winkelschleifer | 1604011236
Hersteller: BOSCH
Artikelnummer: EB-0600301060-1604011236
nur Informationsartikel
Nie mehr lieferbar
keine Alternativen
Pos.
6
BOSCH Tülle Ø11,5-Ø15,0x150 MM | Ersatzteile für Winkelschleifer | 1600703009
Hersteller: BOSCH
Artikelnummer: EB-0600301060-1600703009
Netto: 6,70 € zzgl. MwSt.
zzgl. 6,90 € Versand (brutto)
einmalig pro Bestellung

Lieferzeit: 5 Werktage

Pos.
6
BOSCH Tülle Ø9,2-Ø12x120 MM | Ersatzteile für Winkelschleifer | 3600703011
Hersteller: BOSCH
Artikelnummer: EB-0600301060-3600703011
Netto: 4,82 € zzgl. MwSt.
zzgl. 6,90 € Versand (brutto)
einmalig pro Bestellung

Lieferzeit: 5 Werktage

Pos.
7
BOSCH Befestigungsschelle | Ersatzteile für Winkelschleifer | 1601302013
Hersteller: BOSCH
Artikelnummer: EB-0600301060-1601302013
Netto: 3,94 € zzgl. MwSt.
zzgl. 6,90 € Versand (brutto)
einmalig pro Bestellung

Lieferzeit: 5 Werktage

Pos.
9
BOSCH Firmenschild | Ersatzteile für Winkelschleifer | 1601110005
Hersteller: BOSCH
Artikelnummer: EB-0600301060-1601110005
nur Informationsartikel
Nie mehr lieferbar
keine Alternativen
Pos.
9
BOSCH Netzanschlussleitung EU 4,15m 2 x 1,5mm H07 RN-F | Ersatzteile für Winkelschleifer | 1607000228
Hersteller: BOSCH
Artikelnummer: EB-0600301060-1607000228
Netto: 21,16 € zzgl. MwSt.
zzgl. 6,90 € Versand (brutto)
einmalig pro Bestellung

Lieferzeit: 5 Werktage

Pos.
11
BOSCH Entstörfilter | Ersatzteile für Winkelschleifer | 1607328034
Hersteller: BOSCH
Artikelnummer: EB-0600301060-1607328034
Netto: 5,67 € zzgl. MwSt.
zzgl. 6,90 € Versand (brutto)
einmalig pro Bestellung

Lieferzeit: 5 Werktage

Pos.
15
BOSCH Dichtung | Ersatzteile für Winkelschleifer | 1600113002
Hersteller: BOSCH
Artikelnummer: EB-0600301060-1600113002
Netto: 3,94 € zzgl. MwSt.
zzgl. 6,90 € Versand (brutto)
einmalig pro Bestellung

Lieferzeit: 5 Werktage

Pos.
16
BOSCH Bürstenhalter | Ersatzteile für Winkelschleifer | 3604336012
Hersteller: BOSCH
Artikelnummer: EB-0600301060-3604336012
Netto: 6,70 € zzgl. MwSt.
zzgl. 6,90 € Versand (brutto)
einmalig pro Bestellung

Lieferzeit: 5 Werktage

Pos.
17
BOSCH Abdeckplatte | Ersatzteile für Winkelschleifer | 1601037006
Hersteller: BOSCH
Artikelnummer: EB-0600301060-1601037006
nur Informationsartikel
Nie mehr lieferbar
keine Alternativen
Pos.
18
BOSCH Profilstreifen 3,4x7x240 MM | Ersatzteile für Winkelschleifer | 1601014005
Hersteller: BOSCH
Artikelnummer: EB-0600301060-1601014005
nur Informationsartikel
Nie mehr lieferbar
keine Alternativen
Pos.
19
BOSCH Schalthebel | Ersatzteile für Winkelschleifer | 1602026041
Hersteller: BOSCH
Artikelnummer: EB-0600301060-1602026041
nur Informationsartikel
Nie mehr lieferbar
keine Alternativen
Pos.
20
BOSCH Lagerdeckel | Ersatzteile für Winkelschleifer | 1605808054
Hersteller: BOSCH
Artikelnummer: EB-0600301060-1605808054
nur Informationsartikel
Nie mehr lieferbar
keine Alternativen
Pos.
21
BOSCH Abdeckscheibe | Ersatzteile für Winkelschleifer | 1600102012
Hersteller: BOSCH
Artikelnummer: EB-0600301060-1600102012
nur Informationsartikel
Nie mehr lieferbar
keine Alternativen
Pos.
22
BOSCH Schleifspindel M14, L=101 MM | Ersatzteile für Winkelschleifer | 1603523090
Hersteller: BOSCH
Artikelnummer: EB-0600301060-1603523090
nur Informationsartikel
Nie mehr lieferbar
keine Alternativen
Pos.
23
BOSCH Dichtscheibe | Ersatzteile für Winkelschleifer | 1600108055
Hersteller: BOSCH
Artikelnummer: EB-0600301060-1600108055
Netto: 3,63 € zzgl. MwSt.
zzgl. 6,90 € Versand (brutto)
einmalig pro Bestellung

Lieferzeit: 5 Werktage

Pos.
24
BOSCH Lagerflansch | Ersatzteile für Winkelschleifer | 1607000229
Hersteller: BOSCH
Artikelnummer: EB-0600301060-1607000229
nur Informationsartikel
Nie mehr lieferbar
keine Alternativen
Pos.
25
BOSCH Tülle | Ersatzteile für Winkelschleifer | 1600306001
Hersteller: BOSCH
Artikelnummer: EB-0600301060-1600306001
Netto: 4,53 € zzgl. MwSt.
zzgl. 6,90 € Versand (brutto)
einmalig pro Bestellung

Lieferzeit: 5 Werktage

Pos.
26
BOSCH Motorgehäuse | Ersatzteile für Winkelschleifer | 1605806375
Hersteller: BOSCH
Artikelnummer: EB-0600301060-1605806375
nur Informationsartikel
Nie mehr lieferbar
keine Alternativen
Pos.
27
BOSCH Nadellager Ø14 MM | Ersatzteile für Winkelschleifer | 2600910001
Hersteller: BOSCH
Artikelnummer: EB-0600301060-2600910001
Netto: 5,67 € zzgl. MwSt.
zzgl. 6,90 € Versand (brutto)
einmalig pro Bestellung

Lieferzeit: 5 Werktage

Pos.
28
BOSCH Gummiring 7 MM BREIT | Ersatzteile für Winkelschleifer | 1600206020
Hersteller: BOSCH
Artikelnummer: EB-0600301060-1600206020
Netto: 3,94 € zzgl. MwSt.
zzgl. 6,90 € Versand (brutto)
einmalig pro Bestellung

Lieferzeit: 5 Werktage

Pos.
29
BOSCH Luftleitring | Ersatzteile für Winkelschleifer | 1600502009
Hersteller: BOSCH
Artikelnummer: EB-0600301060-1600502009
nur Informationsartikel
Nie mehr lieferbar
keine Alternativen
Pos.
30
BOSCH Sicherungsring DIN 472 38X1,5MM | Ersatzteile für Winkelschleifer | 2916660017
Hersteller: BOSCH
Artikelnummer: EB-0600301060-2916660017
Netto: 5,67 € zzgl. MwSt.
zzgl. 6,90 € Versand (brutto)
einmalig pro Bestellung

Lieferzeit: 5 Werktage

Pos.
31
BOSCH Spiralfeder | Ersatzteile für Winkelschleifer | 1604652006
Hersteller: BOSCH
Artikelnummer: EB-0600301060-1604652006
Netto: 3,94 € zzgl. MwSt.
zzgl. 6,90 € Versand (brutto)
einmalig pro Bestellung

Lieferzeit: 5 Werktage

Pos.
32
BOSCH Radial-Wellendichtring WEISS | Ersatzteile für Winkelschleifer | 1600290008
Hersteller: BOSCH
Artikelnummer: EB-0600301060-1600290008
Netto: 4,53 € zzgl. MwSt.
zzgl. 6,90 € Versand (brutto)
einmalig pro Bestellung

Lieferzeit: 5 Werktage

Pos.
34
BOSCH Ausgleichscheibe 0,1 MM DICK | Ersatzteile für Winkelschleifer | 1600190004
Hersteller: BOSCH
Artikelnummer: EB-0600301060-1600190004
nur Informationsartikel
Nie mehr lieferbar
keine Alternativen
Pos.
34
BOSCH Ausgleichscheibe 0,2 MM DICK | Ersatzteile für Winkelschleifer | 1600190005
Hersteller: BOSCH
Artikelnummer: EB-0600301060-1600190005
nur Informationsartikel
Nie mehr lieferbar
keine Alternativen
Pos.
35
BOSCH Sicherungsblech | Ersatzteile für Winkelschleifer | 1601030022
Hersteller: BOSCH
Artikelnummer: EB-0600301060-1601030022
Netto: 3,94 € zzgl. MwSt.
zzgl. 6,90 € Versand (brutto)
einmalig pro Bestellung

Lieferzeit: 5 Werktage

Pos.
36
BOSCH Gummibuchse | Ersatzteile für Winkelschleifer | 1600502006
Hersteller: BOSCH
Artikelnummer: EB-0600301060-1600502006
nur Informationsartikel
Nie mehr lieferbar
keine Alternativen
Pos.
40
BOSCH Federscheibe Ø27,5x38,4 MM | Ersatzteile für Winkelschleifer | 1600150007
Hersteller: BOSCH
Artikelnummer: EB-0600301060-1600150007
nur Informationsartikel
Nie mehr lieferbar
keine Alternativen
Pos.
41
BOSCH Verschlussdeckel BLAU | Ersatzteile für Winkelschleifer | 1605500089
Hersteller: BOSCH
Artikelnummer: EB-0600301060-1605500089
nur Informationsartikel
Nie mehr lieferbar
keine Alternativen
Pos.
42
BOSCH Handgriff BLAU | Ersatzteile für Winkelschleifer | 1605132079
Hersteller: BOSCH
Artikelnummer: EB-0600301060-1605132079
nur Informationsartikel
Nie mehr lieferbar
keine Alternativen
Pos.
50
BOSCH Rillenkugellager 17x40x12 | Ersatzteile für Winkelschleifer | 1900905281
Hersteller: BOSCH
Artikelnummer: EB-0600301060-1900905281
Netto: 26,88 € zzgl. MwSt.
zzgl. 6,90 € Versand (brutto)
einmalig pro Bestellung

Lieferzeit: 5 Werktage

Pos.
51
BOSCH Sprengring Ø22 MM | Ersatzteile für Winkelschleifer | 2916620011
Hersteller: BOSCH
Artikelnummer: EB-0600301060-2916620011
Netto: 3,94 € zzgl. MwSt.
zzgl. 6,90 € Versand (brutto)
einmalig pro Bestellung

Lieferzeit: 5 Werktage

Pos.
52
BOSCH Rillenkugellager 15x35x11 | Ersatzteile für Winkelschleifer | 1900905234
Hersteller: BOSCH
Artikelnummer: EB-0600301060-1900905234
Netto: 26,88 € zzgl. MwSt.
zzgl. 6,90 € Versand (brutto)
einmalig pro Bestellung

Lieferzeit: 5 Werktage

Pos.
53
BOSCH Rillenkugellager 10x26x8 | Ersatzteile für Winkelschleifer | 1900900407
Hersteller: BOSCH
Artikelnummer: EB-0600301060-1900900407
nur Informationsartikel
Nie mehr lieferbar
keine Alternativen
Pos.
54
BOSCH Zylinderschraube DIN 84-AM4x8-8.8 | Ersatzteile für Winkelschleifer | 2910021118
Hersteller: BOSCH
Artikelnummer: EB-0600301060-2910021118
Netto: 3,63 € zzgl. MwSt.
zzgl. 6,90 € Versand (brutto)
einmalig pro Bestellung

Lieferzeit: 5 Werktage

Pos.
55
BOSCH Blechschraube DIN 7971-BZ2,9x13 | Ersatzteile für Winkelschleifer | 2910211006
Hersteller: BOSCH
Artikelnummer: EB-0600301060-2910211006
Netto: 3,63 € zzgl. MwSt.
zzgl. 6,90 € Versand (brutto)
einmalig pro Bestellung

Lieferzeit: 5 Werktage

Pos.
56
BOSCH Unterlegscheibe DIN 433-3,2-ST 50 | Ersatzteile für Winkelschleifer | 2916011005
Hersteller: BOSCH
Artikelnummer: EB-0600301060-2916011005
Netto: 3,63 € zzgl. MwSt.
zzgl. 6,90 € Versand (brutto)
einmalig pro Bestellung

Lieferzeit: 5 Werktage

Pos.
57
BOSCH Zylinderschraube DIN 84-AM5x15-5.8 | Ersatzteile für Winkelschleifer | 2910011157
Hersteller: BOSCH
Artikelnummer: EB-0600301060-2910011157
nur Informationsartikel
Nie mehr lieferbar
keine Alternativen
Pos.
58
BOSCH Sechskantmutter DIN 934 -M4-m-8 | Ersatzteile für Winkelschleifer | 2915011005
Hersteller: BOSCH
Artikelnummer: EB-0600301060-2915011005
Netto: 3,63 € zzgl. MwSt.
zzgl. 6,90 € Versand (brutto)
einmalig pro Bestellung

Lieferzeit: 5 Werktage

Pos.
59
BOSCH Schraube B 4,8x45 MM | Ersatzteile für Winkelschleifer | 3603415560
Hersteller: BOSCH
Artikelnummer: EB-0600301060-3603415560
Netto: 3,63 € zzgl. MwSt.
zzgl. 6,90 € Versand (brutto)
einmalig pro Bestellung

Lieferzeit: 5 Werktage

Pos.
60
BOSCH Blechschraube DIN 7971-ST4,8x25-F | Ersatzteile für Winkelschleifer | 2910211036
Hersteller: BOSCH
Artikelnummer: EB-0600301060-2910211036
Netto: 3,63 € zzgl. MwSt.
zzgl. 6,90 € Versand (brutto)
einmalig pro Bestellung

Lieferzeit: 5 Werktage

Pos.
61
BOSCH Zylinderschraube DIN 84-AM5x20-5.8 | Ersatzteile für Winkelschleifer | 2910011162
Hersteller: BOSCH
Artikelnummer: EB-0600301060-2910011162
Netto: 3,63 € zzgl. MwSt.
zzgl. 6,90 € Versand (brutto)
einmalig pro Bestellung

Lieferzeit: 5 Werktage

Pos.
63
BOSCH Blechschraube ST-4,8x57,5-TORX,T20 | Ersatzteile für Winkelschleifer | 1613435009
Hersteller: BOSCH
Artikelnummer: EB-0600301060-1613435009
Netto: 3,94 € zzgl. MwSt.
zzgl. 6,90 € Versand (brutto)
einmalig pro Bestellung

Lieferzeit: 5 Werktage

Pos.
66
BOSCH Zylinderschraube DIN 84-AM4x12-8.8 | Ersatzteile für Winkelschleifer | 2910021122
Hersteller: BOSCH
Artikelnummer: EB-0600301060-2910021122
Netto: 4,32 € zzgl. MwSt.
zzgl. 6,90 € Versand (brutto)
einmalig pro Bestellung

Lieferzeit: 5 Werktage

Pos.
69
BOSCH Blechschraube DIN 7971-BZ3,5x13 | Ersatzteile für Winkelschleifer | 2910211011
Hersteller: BOSCH
Artikelnummer: EB-0600301060-2910211011
Netto: 3,63 € zzgl. MwSt.
zzgl. 6,90 € Versand (brutto)
einmalig pro Bestellung

Lieferzeit: 5 Werktage

Pos.
76
BOSCH Hinweisschild | Ersatzteile für Winkelschleifer | 3601119236
Hersteller: BOSCH
Artikelnummer: EB-0600301060-3601119236
Netto: 5,19 € zzgl. MwSt.
zzgl. 6,90 € Versand (brutto)
einmalig pro Bestellung

Lieferzeit: 5 Werktage

Pos.
78
BOSCH Aderendhülse | Ersatzteile für Winkelschleifer | 3604477009
Hersteller: BOSCH
Artikelnummer: EB-0600301060-3604477009
Netto: 4,53 € zzgl. MwSt.
zzgl. 6,90 € Versand (brutto)
einmalig pro Bestellung

Lieferzeit: 5 Werktage

Pos.
650
BOSCH Zusatzhandgriff | Ersatzteile für Angle Grinder | 160202509Z
Hersteller: BOSCH
Artikelnummer: EB-0600301060-16020250A1
Netto: 14,36 € zzgl. MwSt.
zzgl. 6,90 € Versand (brutto)
einmalig pro Bestellung

Lieferzeit: 5 Werktage

Pos.
650
BOSCH Zusatzhandgriff M14 SCHWARZ | Ersatzteile für Winkelschleifer | 1602025022
Hersteller: BOSCH
Artikelnummer: EB-0600301060-1602025022
Netto: 11,41 € zzgl. MwSt.
zzgl. 6,90 € Versand (brutto)
einmalig pro Bestellung

Lieferzeit: 5 Werktage

Pos.
650
BOSCH Zusatzhandgriff M14, Ø37x115 MM SCHWARZ | Ersatzteile für Winkelschleifer | 1602025030
Hersteller: BOSCH
Artikelnummer: EB-0600301060-1602025030
Netto: 14,92 € zzgl. MwSt.
zzgl. 6,90 € Versand (brutto)
einmalig pro Bestellung

Lieferzeit: 5 Werktage

Pos.
651
BOSCH Einmaulschlüssel SW17 | Ersatzteile für Winkelschleifer | 2607950511
Hersteller: BOSCH
Artikelnummer: EB-0600301060-2607950511
Netto: 5,67 € zzgl. MwSt.
zzgl. 6,90 € Versand (brutto)
einmalig pro Bestellung

Lieferzeit: 5 Werktage

Pos.
651
BOSCH Einmaulschlüssel SW19 | Ersatzteile für Winkelschleifer | 1907950511
Hersteller: BOSCH
Artikelnummer: EB-0600301060-1907950511
nur Informationsartikel
Nie mehr lieferbar
keine Alternativen
Pos.
652
BOSCH Schutzhaube Ø190 MM (7") | Ersatzteile für Winkelschleifer | 1605510083
Hersteller: BOSCH
Artikelnummer: EB-0600301060-1605510083
nur Informationsartikel
Nie mehr lieferbar
keine Alternativen
Pos.
654
BOSCH Aufnahmeflansch Ø45 MM | Ersatzteile für Winkelschleifer | 2600501006
Hersteller: BOSCH
Artikelnummer: EB-0600301060-2600501006
Netto: 15,75 € zzgl. MwSt.
zzgl. 6,90 € Versand (brutto)
einmalig pro Bestellung

Lieferzeit: 5 Werktage

Pos.
656
BOSCH Zweilochmutterndreher SW6-HL8-N6 | Ersatzteile für Winkelschleifer | 1607950007
Hersteller: BOSCH
Artikelnummer: EB-0600301060-1607950007
nur Informationsartikel
Nie mehr lieferbar
keine Alternativen
Pos.
800
BOSCH Kohlebürstensatz | Ersatzteile für Winkelschleifer | 1607014106
Hersteller: BOSCH
Artikelnummer: EB-0600301060-1607014106
nur Informationsartikel
Nie mehr lieferbar
keine Alternativen
Pos.
801
BOSCH Verbindungsleitung | Ersatzteile für Winkelschleifer | 1604440004
Hersteller: BOSCH
Artikelnummer: EB-0600301060-1604440004
nur Informationsartikel
Nie mehr lieferbar
keine Alternativen
Pos.
803
BOSCH Kegelrad Z=59 | Ersatzteile für Winkelschleifer | 1606333160
Hersteller: BOSCH
Artikelnummer: EB-0600301060-1606333160
nur Informationsartikel
Nie mehr lieferbar
keine Alternativen
Pos.
804
BOSCH Kegelrad Z=6 | Ersatzteile für Winkelschleifer | 1606333161
Hersteller: BOSCH
Artikelnummer: EB-0600301060-1606333161
nur Informationsartikel
Nie mehr lieferbar
keine Alternativen
Pos.
805
BOSCH Schaltersatz | Ersatzteile für Winkelschleifer | 1607000034
Hersteller: BOSCH
Artikelnummer: EB-0600301060-1607000034
nur Informationsartikel
Nie mehr lieferbar
keine Alternativen
Pos.
810
BOSCH Dichtungssatz | Ersatzteile für Winkelschleifer | 1607000111
Hersteller: BOSCH
Artikelnummer: EB-0600301060-1607000111
nur Informationsartikel
Nie mehr lieferbar
keine Alternativen

Angaben zur Produktsicherheit

Hersteller:
Robert Bosch Power Tools GmbH
Postfach 30 02 20
70442 Stuttgart

E-Mail:
kontakt@bosch.de