BOSCH Flachkopfschraube DIN 85-AM4x10-MS | Ersatzteile für Winkelschleifer | 2910110120

Artikelnummer: EB-0601308360-2910110120

Position: 59

Marke: BOSCH


Bitte Kompatibilität prüfen!

Bitte prüfen Sie unbedingt die 10-stellige Typennummer Ihrer Maschine / Ihres Gerätes. Das Ersatzteil ist nur kompatibel, wenn Sie die Typennummer Ihrer Maschine in der unten stehenden Produktbeschreibung finden.

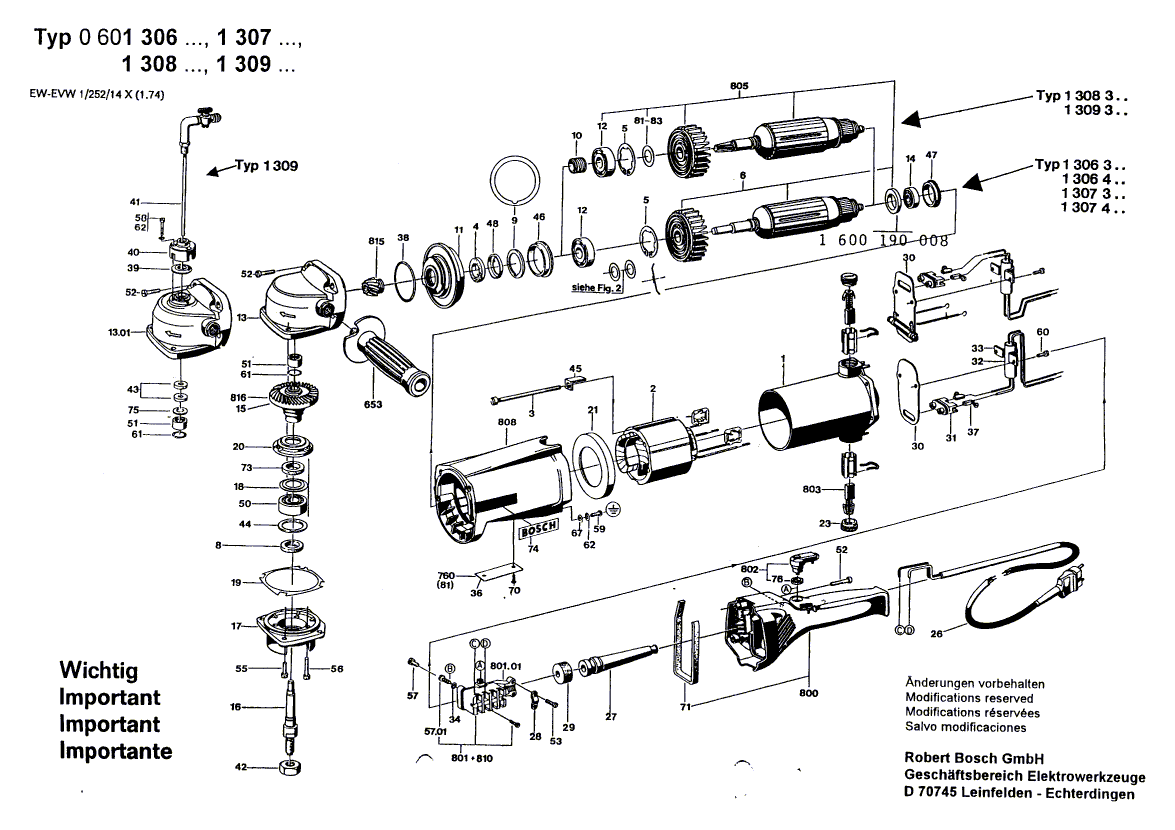
Bitte prüfen Sie ebenfalls detailliert die Explosionszeichnung mit Ihrem Artikelwunsch und der jeweiligen Pos-Nummer.

Alle Elemente, welche vom schwarzen Strich der Pos-Nummer ausgehend berührt / erfasst werden, gehören zu dieser Pos-Nummer und somit zu diesem Artikel. Jede Pos-Nummer ist ein eigenständiger Artikel, welchen Sie in der Auflistung finden.

Sie erhalten stets die aktuellste, neueste Produktversion zu der gewählten Pos-Nummer seitens des Herstellers. Es kann daher je nach Gerätealter vorkommen, dass Sie ggf. weitere, zugehörige Elemente, welche an diese Pos-Nummer grenzen, ebenfalls mittauschen müssen.

Nähere Informationen finden Sie unter dem Link
Hinweise zu Ihrer BOSCH Ersatzteilsuche

Preisübersicht

Einzelpreis: 3,63 €* (Brutto: 4,32 €)
Gesamtpreis: 3,63 €* 
Position:

Lieferzeit: 5 Werktage


Beschreibung

  • Flachkopfschraube DIN 85-AM4x10-MS
  • Original Bosch Zubehör / BOSCH Ersatzteil (2910110120)
  • im Gerät verbaut: 1
Dieses BOSCH Ersatzteil ist mit folgendem Gerät und Modell kompatibel:
  • BOSCH Gerätename: Winkelschleifer
  • BOSCH Explosionszeichnung: Position 59
  • BOSCH Typennummer: 0601308360
  • BOSCH Typennummer alternative Schreibweisen: 0 601 308 360, 0601 308 360, 0.601.308.360, 0-601-308-360
    Bitte prüfen Sie diese Typennummer auf Ihrem Gerät um die Kompatibilität des BOSCH Ersatzteils zu gewährleisten.
Weitere BOSCH Ersatzteile des Gerätes Winkelschleifer mit der Typennummer 0601308360 finden Sie in der nachfolgenden Darstellung und im Dropdown zu Ihrer Auswahl:

Pos.
1
BOSCH Polgehäuse | Ersatzteile für Winkelschleifer | 1605108049
Hersteller: BOSCH
Artikelnummer: EB-0601308360-1605108049
nur Informationsartikel
Nie mehr lieferbar
keine Alternativen
Pos.
805/02
BOSCH Anker 115V | Ersatzteile für Winkelschleifer | 1604011914
Hersteller: BOSCH
Artikelnummer: EB-0601308360-1604011914
nur Informationsartikel
Nie mehr lieferbar
keine Alternativen
Pos.
2
BOSCH Polschuh 115V | Ersatzteile für Winkelschleifer | 1604220097
Hersteller: BOSCH
Artikelnummer: EB-0601308360-1604220097
nur Informationsartikel
Nie mehr lieferbar
keine Alternativen
Pos.
3
BOSCH Zylinderschraube | Ersatzteile für Winkelschleifer | 1603410008
Hersteller: BOSCH
Artikelnummer: EB-0601308360-1603410008
nur Informationsartikel
Nie mehr lieferbar
keine Alternativen
Pos.
10
BOSCH Gewindering | Ersatzteile für Winkelschleifer | 1603344017
Hersteller: BOSCH
Artikelnummer: EB-0601308360-1603344017
nur Informationsartikel
Nie mehr lieferbar
keine Alternativen
Pos.
11
BOSCH Lagerflansch | Ersatzteile für Winkelschleifer | 1605820174
Hersteller: BOSCH
Artikelnummer: EB-0601308360-1605820174
nur Informationsartikel
Nie mehr lieferbar
keine Alternativen
Pos.
12
BOSCH Rillenkugellager 6203-TH/C3 DIN 625 | Ersatzteile für Winkelschleifer | 1900900413
Hersteller: BOSCH
Artikelnummer: EB-0601308360-1900900413
nur Informationsartikel
Nie mehr lieferbar
keine Alternativen
Pos.
13
BOSCH Getriebegehäuse | Ersatzteile für Winkelschleifer | 1606806167
Hersteller: BOSCH
Artikelnummer: EB-0601308360-1606806167
nur Informationsartikel
Nie mehr lieferbar
keine Alternativen
Pos.
14
BOSCH Rillenkugellager 12x28x8 | Ersatzteile für Winkelschleifer | 1900905121
Hersteller: BOSCH
Artikelnummer: EB-0601308360-1900905121
Netto: 16,70 € zzgl. MwSt.
zzgl. 6,90 € Versand (brutto)
einmalig pro Bestellung

Lieferzeit: 5 Werktage

Pos.
15
BOSCH Kegelrad Z=49 | Ersatzteile für Winkelschleifer | 1606333041
Hersteller: BOSCH
Artikelnummer: EB-0601308360-1606333041
nur Informationsartikel
Nie mehr lieferbar
keine Alternativen
Pos.
16
BOSCH Schleifspindel M14x1,5 MM | Ersatzteile für Winkelschleifer | 1603523032
Hersteller: BOSCH
Artikelnummer: EB-0601308360-1603523032
Netto: 32,74 € zzgl. MwSt.
zzgl. 6,90 € Versand (brutto)
einmalig pro Bestellung

Lieferzeit: 5 Werktage

Pos.
17
BOSCH Lagerflansch Ø 14,8 MM | Ersatzteile für Winkelschleifer | 1605805044
Hersteller: BOSCH
Artikelnummer: EB-0601308360-1605805044
nur Informationsartikel
Nie mehr lieferbar
keine Alternativen
Pos.
18
BOSCH Unterlegscheibe | Ersatzteile für Winkelschleifer | 2100551000
Hersteller: BOSCH
Artikelnummer: EB-0601308360-2100551000
nur Informationsartikel
Nie mehr lieferbar
keine Alternativen
Pos.
19
BOSCH Ausgleichscheibe 0,10 MM DICK | Ersatzteile für Winkelschleifer | 1601038020
Hersteller: BOSCH
Artikelnummer: EB-0601308360-1601038020
nur Informationsartikel
Nie mehr lieferbar
keine Alternativen
Pos.
19
BOSCH Ausgleichscheibe 0,20 MM DICK | Ersatzteile für Winkelschleifer | 1601038021
Hersteller: BOSCH
Artikelnummer: EB-0601308360-1601038021
nur Informationsartikel
Nie mehr lieferbar
keine Alternativen
Pos.
20
BOSCH Spannscheibe | Ersatzteile für Winkelschleifer | 1600521013
Hersteller: BOSCH
Artikelnummer: EB-0601308360-1600521013
nur Informationsartikel
Nie mehr lieferbar
keine Alternativen
Pos.
21
BOSCH Luftleitring | Ersatzteile für Winkelschleifer | 1600502001
Hersteller: BOSCH
Artikelnummer: EB-0601308360-1600502001
nur Informationsartikel
Nie mehr lieferbar
keine Alternativen
Pos.
23
BOSCH Verschlussschraube | Ersatzteile für Winkelschleifer | 1603465003
Hersteller: BOSCH
Artikelnummer: EB-0601308360-1603465003
nur Informationsartikel
Nie mehr lieferbar
keine Alternativen
Pos.
28
BOSCH Befestigungsschelle | Ersatzteile für Winkelschleifer | 1601302013
Hersteller: BOSCH
Artikelnummer: EB-0601308360-1601302013
Netto: 3,94 € zzgl. MwSt.
zzgl. 6,90 € Versand (brutto)
einmalig pro Bestellung

Lieferzeit: 5 Werktage

Pos.
29
BOSCH Dichtplatte | Ersatzteile für Winkelschleifer | 1600113003
Hersteller: BOSCH
Artikelnummer: EB-0601308360-1600113003
Netto: 4,82 € zzgl. MwSt.
zzgl. 6,90 € Versand (brutto)
einmalig pro Bestellung

Lieferzeit: 5 Werktage

Pos.
31
BOSCH Tülle | Ersatzteile für Winkelschleifer | 1600306002
Hersteller: BOSCH
Artikelnummer: EB-0601308360-1600306002
nur Informationsartikel
Nie mehr lieferbar
keine Alternativen
Pos.
32
BOSCH Entstörkondensator | Ersatzteile für Winkelschleifer | 1607329019
Hersteller: BOSCH
Artikelnummer: EB-0601308360-1607329019
nur Informationsartikel
Nie mehr lieferbar
keine Alternativen
Pos.
33
BOSCH Befestigungsschelle | Ersatzteile für Winkelschleifer | 1601302003
Hersteller: BOSCH
Artikelnummer: EB-0601308360-1601302003
nur Informationsartikel
Nie mehr lieferbar
keine Alternativen
Pos.
34
BOSCH Unterlegscheibe DIN 433-3,2-ST 50 | Ersatzteile für Winkelschleifer | 2916011005
Hersteller: BOSCH
Artikelnummer: EB-0601308360-2916011005
Netto: 3,63 € zzgl. MwSt.
zzgl. 6,90 € Versand (brutto)
einmalig pro Bestellung

Lieferzeit: 5 Werktage

Pos.
37
BOSCH Buchsenklemme | Ersatzteile für Winkelschleifer | 1600390006
Hersteller: BOSCH
Artikelnummer: EB-0601308360-1600390006
nur Informationsartikel
Nie mehr lieferbar
keine Alternativen
Pos.
43
BOSCH Hinweisschild DOPPELT ISOLIERT | Ersatzteile für Winkelschleifer | 1601110058
Hersteller: BOSCH
Artikelnummer: EB-0601308360-1601110058
Netto: 3,94 € zzgl. MwSt.
zzgl. 6,90 € Versand (brutto)
einmalig pro Bestellung

Lieferzeit: 5 Werktage

Pos.
44
BOSCH Ausgleichscheibe | Ersatzteile für Winkelschleifer | 1600102674
Hersteller: BOSCH
Artikelnummer: EB-0601308360-1600102674
nur Informationsartikel
Nie mehr lieferbar
keine Alternativen
Pos.
45
BOSCH Haltewinkel | Ersatzteile für Winkelschleifer | 1601331032
Hersteller: BOSCH
Artikelnummer: EB-0601308360-1601331032
nur Informationsartikel
Nie mehr lieferbar
keine Alternativen
Pos.
50
BOSCH Rillenkugellager 17x47x14 | Ersatzteile für Winkelschleifer | 1900900352
Hersteller: BOSCH
Artikelnummer: EB-0601308360-1900900352
Netto: 24,13 € zzgl. MwSt.
zzgl. 6,90 € Versand (brutto)
einmalig pro Bestellung

Lieferzeit: 5 Werktage

Pos.
51
BOSCH Nadelhülse Ø22x11,3 MM | Ersatzteile für Winkelschleifer | 1600910010
Hersteller: BOSCH
Artikelnummer: EB-0601308360-1600910010
Netto: 39,11 € zzgl. MwSt.
zzgl. 6,90 € Versand (brutto)
einmalig pro Bestellung

Lieferzeit: 5 Werktage

Pos.
53
BOSCH Zylinderschraube DIN 84-AM4x12-8.8 | Ersatzteile für Winkelschleifer | 2910021122
Hersteller: BOSCH
Artikelnummer: EB-0601308360-2910021122
Netto: 4,32 € zzgl. MwSt.
zzgl. 6,90 € Versand (brutto)
einmalig pro Bestellung

Lieferzeit: 5 Werktage

Pos.
55
BOSCH Zylinderschraube DIN 84-AM5x15-5.8 | Ersatzteile für Winkelschleifer | 2910011157
Hersteller: BOSCH
Artikelnummer: EB-0601308360-2910011157
nur Informationsartikel
Nie mehr lieferbar
keine Alternativen
Pos.
56
BOSCH Zylinderschraube DIN 84-AM5x25-5.8 | Ersatzteile für Winkelschleifer | 2910011164
Hersteller: BOSCH
Artikelnummer: EB-0601308360-2910011164
nur Informationsartikel
Nie mehr lieferbar
keine Alternativen
Pos.
57
BOSCH Blechschraube DIN 7971-BZ2,9x13 | Ersatzteile für Winkelschleifer | 2910211006
Hersteller: BOSCH
Artikelnummer: EB-0601308360-2910211006
Netto: 3,63 € zzgl. MwSt.
zzgl. 6,90 € Versand (brutto)
einmalig pro Bestellung

Lieferzeit: 5 Werktage

Pos.
57
BOSCH Zylinderschraube DIN 84-AM3x8-8.8 | Ersatzteile für Winkelschleifer | 2910021050
Hersteller: BOSCH
Artikelnummer: EB-0601308360-2910021050
Netto: 3,63 € zzgl. MwSt.
zzgl. 6,90 € Versand (brutto)
einmalig pro Bestellung

Lieferzeit: 5 Werktage

Pos.
58
BOSCH Zylinderschraube DIN 84-AM4x20-8.8 | Ersatzteile für Winkelschleifer | 2910021130
Hersteller: BOSCH
Artikelnummer: EB-0601308360-2910021130
Netto: 3,63 € zzgl. MwSt.
zzgl. 6,90 € Versand (brutto)
einmalig pro Bestellung

Lieferzeit: 5 Werktage

Pos.
59
BOSCH Flachkopfschraube DIN 85-AM4x10-MS | Ersatzteile für Winkelschleifer | 2910110120
Hersteller: BOSCH
Artikelnummer: EB-0601308360-2910110120
Netto: 3,63 € zzgl. MwSt.
zzgl. 6,90 € Versand (brutto)
einmalig pro Bestellung

Lieferzeit: 5 Werktage

Pos.
60
BOSCH Gewindeschneidschraube Ø 3,9x13 MM | Ersatzteile für Winkelschleifer | 1603435000
Hersteller: BOSCH
Artikelnummer: EB-0601308360-1603435000
nur Informationsartikel
Nie mehr lieferbar
keine Alternativen
Pos.
62
BOSCH Federscheibe DIN 137-A4 | Ersatzteile für Winkelschleifer | 1600150006
Hersteller: BOSCH
Artikelnummer: EB-0601308360-1600150006
nur Informationsartikel
Nie mehr lieferbar
keine Alternativen
Pos.
67
BOSCH Unterlegscheibe DIN 46 255-DPG 9 | Ersatzteile für Winkelschleifer | 2916010409
Hersteller: BOSCH
Artikelnummer: EB-0601308360-2916010409
nur Informationsartikel
Nie mehr lieferbar
keine Alternativen
Pos.
70
BOSCH Halbrundkerbnagel DIN 1476-2x3-St | Ersatzteile für Winkelschleifer | 2917721031
Hersteller: BOSCH
Artikelnummer: EB-0601308360-2917721031
Netto: 3,63 € zzgl. MwSt.
zzgl. 6,90 € Versand (brutto)
einmalig pro Bestellung

Lieferzeit: 5 Werktage

Pos.
74
BOSCH Firmenschild | Ersatzteile für Winkelschleifer | 1601110011
Hersteller: BOSCH
Artikelnummer: EB-0601308360-1601110011
nur Informationsartikel
Nie mehr lieferbar
keine Alternativen
Pos.
76
BOSCH Filzring | Ersatzteile für Winkelschleifer | 1600205008
Hersteller: BOSCH
Artikelnummer: EB-0601308360-1600205008
Netto: 3,94 € zzgl. MwSt.
zzgl. 6,90 € Versand (brutto)
einmalig pro Bestellung

Lieferzeit: 5 Werktage

Pos.
81
BOSCH Ausgleichscheibe 0,05 MM DICK | Ersatzteile für Winkelschleifer | 1600101612
Hersteller: BOSCH
Artikelnummer: EB-0601308360-1600101650
nur Informationsartikel
Nie mehr lieferbar
keine Alternativen
Pos.
82
BOSCH Ausgleichscheibe 0,1 MM DICK | Ersatzteile für Winkelschleifer | 1600101648
Hersteller: BOSCH
Artikelnummer: EB-0601308360-1600101648
Netto: 3,94 € zzgl. MwSt.
zzgl. 6,90 € Versand (brutto)
einmalig pro Bestellung

Lieferzeit: 5 Werktage

Pos.
82
BOSCH Ausgleichscheibe 1,0 MM DICK | Ersatzteile für Winkelschleifer | 1600101606
Hersteller: BOSCH
Artikelnummer: EB-0601308360-1600101606
nur Informationsartikel
Nie mehr lieferbar
keine Alternativen
Pos.
83
BOSCH Ausgleichscheibe | Ersatzteile für Winkelschleifer | 1600101608
Hersteller: BOSCH
Artikelnummer: EB-0601308360-1600101608
nur Informationsartikel
Nie mehr lieferbar
keine Alternativen
Pos.
83
BOSCH Ausgleichscheibe 0,15 MM DICK | Ersatzteile für Winkelschleifer | 1600101649
Hersteller: BOSCH
Artikelnummer: EB-0601308360-1600101649
nur Informationsartikel
Nie mehr lieferbar
keine Alternativen
Pos.
651
BOSCH Einmaulschlüssel SW19 | Ersatzteile für Winkelschleifer | 1907950511
Hersteller: BOSCH
Artikelnummer: EB-0601308360-1907950511
nur Informationsartikel
Nie mehr lieferbar
keine Alternativen
Pos.
651
BOSCH Winkelschraubendreher DIN 911 SW6 | Ersatzteile für Winkelschleifer | 1907950007
Hersteller: BOSCH
Artikelnummer: EB-0601308360-1907950007
Netto: 6,15 € zzgl. MwSt.
zzgl. 6,90 € Versand (brutto)
einmalig pro Bestellung

Lieferzeit: 5 Werktage

Pos.
652
BOSCH Einmaulschlüssel SW17 | Ersatzteile für Winkelschleifer | 2607950511
Hersteller: BOSCH
Artikelnummer: EB-0601308360-2607950511
Netto: 5,67 € zzgl. MwSt.
zzgl. 6,90 € Versand (brutto)
einmalig pro Bestellung

Lieferzeit: 5 Werktage

Pos.
653
BOSCH Zusatzhandgriff | Ersatzteile für Angle Grinder | 160202509Z
Hersteller: BOSCH
Artikelnummer: EB-0601308360-16020250A1
Netto: 14,36 € zzgl. MwSt.
zzgl. 6,90 € Versand (brutto)
einmalig pro Bestellung

Lieferzeit: 5 Werktage

Pos.
653
BOSCH Zusatzhandgriff M14 SCHWARZ | Ersatzteile für Winkelschleifer | 1602025022
Hersteller: BOSCH
Artikelnummer: EB-0601308360-1602025022
Netto: 11,41 € zzgl. MwSt.
zzgl. 6,90 € Versand (brutto)
einmalig pro Bestellung

Lieferzeit: 5 Werktage

Pos.
653
BOSCH Zusatzhandgriff M14, Ø37x115 MM SCHWARZ | Ersatzteile für Winkelschleifer | 1602025030
Hersteller: BOSCH
Artikelnummer: EB-0601308360-1602025030
Netto: 14,92 € zzgl. MwSt.
zzgl. 6,90 € Versand (brutto)
einmalig pro Bestellung

Lieferzeit: 5 Werktage

Pos.
654
BOSCH Winkelschraubendreher DIN 911-4 | Ersatzteile für Winkelschleifer | 2607950004
Hersteller: BOSCH
Artikelnummer: EB-0601308360-2607950004
Netto: 3,94 € zzgl. MwSt.
zzgl. 6,90 € Versand (brutto)
einmalig pro Bestellung

Lieferzeit: 5 Werktage

Pos.
655
BOSCH Schutzhaube Ø180 MM | Ersatzteile für Winkelschleifer | 1605510199
Hersteller: BOSCH
Artikelnummer: EB-0601308360-1605510199
nur Informationsartikel
Nie mehr lieferbar
keine Alternativen
Pos.
655
BOSCH Schutzhaube Ø230 MM | Ersatzteile für Winkelschleifer | 1605510198
Hersteller: BOSCH
Artikelnummer: EB-0601308360-1605510198
nur Informationsartikel
Nie mehr lieferbar
keine Alternativen
Pos.
657
BOSCH Rundmutter M14 | Ersatzteile für Winkelschleifer | 2603345004
Hersteller: BOSCH
Artikelnummer: EB-0601308360-2603345004
Netto: 7,30 € zzgl. MwSt.
zzgl. 6,90 € Versand (brutto)
einmalig pro Bestellung

Lieferzeit: 5 Werktage

Pos.
800
BOSCH Handgriff | Ersatzteile für Winkelschleifer | 1605132060
Hersteller: BOSCH
Artikelnummer: EB-0601308360-1605132060
nur Informationsartikel
Nie mehr lieferbar
keine Alternativen
Pos.
802
BOSCH Schalthebel | Ersatzteile für Winkelschleifer | 1602026030
Hersteller: BOSCH
Artikelnummer: EB-0601308360-1602026030
Netto: 9,18 € zzgl. MwSt.
zzgl. 6,90 € Versand (brutto)
einmalig pro Bestellung

Lieferzeit: 5 Werktage

Pos.
803
BOSCH Kohlebürstensatz | Ersatzteile für Winkelschleifer | 1607014100
Hersteller: BOSCH
Artikelnummer: EB-0601308360-1607014100
nur Informationsartikel
Nie mehr lieferbar
keine Alternativen
Pos.
808
BOSCH Motorgehäuse | Ersatzteile für Winkelschleifer | 1605102041
Hersteller: BOSCH
Artikelnummer: EB-0601308360-1605102041
nur Informationsartikel
Nie mehr lieferbar
keine Alternativen
Pos.
810
BOSCH Schaltersatz | Ersatzteile für Winkelschleifer | 1607000034
Hersteller: BOSCH
Artikelnummer: EB-0601308360-1607000034
nur Informationsartikel
Nie mehr lieferbar
keine Alternativen
Pos.
811
BOSCH Dichtungssatz | Ersatzteile für Winkelschleifer | 1607000040
Hersteller: BOSCH
Artikelnummer: EB-0601308360-1607000040
nur Informationsartikel
Nie mehr lieferbar
keine Alternativen
Pos.
888
BOSCH Typschild | Ersatzteile für Winkelschleifer | 160111A3H3
Hersteller: BOSCH
Artikelnummer: EB-0601308360-160111A3H3
Netto: 4,53 € zzgl. MwSt.
zzgl. 6,90 € Versand (brutto)
einmalig pro Bestellung

Lieferzeit: 5 Werktage

Angaben zur Produktsicherheit

Hersteller:
Robert Bosch Power Tools GmbH
Postfach 30 02 20
70442 Stuttgart

E-Mail:
kontakt@bosch.de