BOSCH Zylinderschraube DIN 84-AM4x12-8.8 | Ersatzteile für Winkelschleifer | 2910021122

Artikelnummer: EB-0601319017-2910021122

Position: 41

Marke: BOSCH


Bitte Kompatibilität prüfen!

Bitte prüfen Sie unbedingt die 10-stellige Typennummer Ihrer Maschine / Ihres Gerätes. Das Ersatzteil ist nur kompatibel, wenn Sie die Typennummer Ihrer Maschine in der unten stehenden Produktbeschreibung finden.

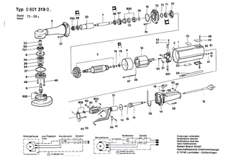
Bitte prüfen Sie ebenfalls detailliert die Explosionszeichnung mit Ihrem Artikelwunsch und der jeweiligen Pos-Nummer.

Alle Elemente, welche vom schwarzen Strich der Pos-Nummer ausgehend berührt / erfasst werden, gehören zu dieser Pos-Nummer und somit zu diesem Artikel. Jede Pos-Nummer ist ein eigenständiger Artikel, welchen Sie in der Auflistung finden.

Sie erhalten stets die aktuellste, neueste Produktversion zu der gewählten Pos-Nummer seitens des Herstellers. Es kann daher je nach Gerätealter vorkommen, dass Sie ggf. weitere, zugehörige Elemente, welche an diese Pos-Nummer grenzen, ebenfalls mittauschen müssen.

Nähere Informationen finden Sie unter dem Link
Hinweise zu Ihrer BOSCH Ersatzteilsuche

Preisübersicht

Einzelpreis: 4,36 €* (Brutto: 5,19 €)
Gesamtpreis: 4,36 €* 
Position:

Lieferzeit: 5 Werktage


Beschreibung

  • Zylinderschraube DIN 84-AM4x12-8.8
  • Original Bosch Zubehör / BOSCH Ersatzteil (2910021122)
  • im Gerät verbaut: 2
Dieses BOSCH Ersatzteil ist mit folgendem Gerät und Modell kompatibel:
  • BOSCH Gerätename: Winkelschleifer
  • BOSCH Explosionszeichnung: Position 41
  • BOSCH Typennummer: 0601319017
  • BOSCH Typennummer alternative Schreibweisen: 0 601 319 017, 0601 319 017, 0.601.319.017, 0-601-319-017
    Bitte prüfen Sie diese Typennummer auf Ihrem Gerät um die Kompatibilität des BOSCH Ersatzteils zu gewährleisten.
Weitere BOSCH Ersatzteile des Gerätes Winkelschleifer mit der Typennummer 0601319017 finden Sie in der nachfolgenden Darstellung und im Dropdown zu Ihrer Auswahl:

Pos.
1
BOSCH Motorgehäuse | Ersatzteile für Winkelschleifer | 1605108042
Hersteller: BOSCH
Artikelnummer: EB-0601319017-1605108042
nur Informationsartikel
Nie mehr lieferbar
keine Alternativen
Pos.
2
BOSCH Bürstenhalter | Ersatzteile für Winkelschleifer | 1604336006
Hersteller: BOSCH
Artikelnummer: EB-0601319017-1604336006
nur Informationsartikel
Nie mehr lieferbar
keine Alternativen
Pos.
3
BOSCH Anker | Ersatzteile für Winkelschleifer | 1604010103
Hersteller: BOSCH
Artikelnummer: EB-0601319017-1604010103
nur Informationsartikel
Nie mehr lieferbar
keine Alternativen
Pos.
4
BOSCH Luftleitring | Ersatzteile für Winkelschleifer | 1600209002
Hersteller: BOSCH
Artikelnummer: EB-0601319017-1600209002
Netto: 6,27 € zzgl. MwSt.
zzgl. 6,90 € Versand (brutto)
einmalig pro Bestellung

Lieferzeit: 5 Werktage

Pos.
5
BOSCH Getriebegehäuse | Ersatzteile für Winkelschleifer | 1605806286
Hersteller: BOSCH
Artikelnummer: EB-0601319017-1605806286
nur Informationsartikel
Nie mehr lieferbar
keine Alternativen
Pos.
6
BOSCH Schleifspindel | Ersatzteile für Winkelschleifer | 1603523065
Hersteller: BOSCH
Artikelnummer: EB-0601319017-1603523065
nur Informationsartikel
Nie mehr lieferbar
keine Alternativen
Pos.
7
BOSCH Antriebswelle | Ersatzteile für Winkelschleifer | 1603022020
Hersteller: BOSCH
Artikelnummer: EB-0601319017-1603022020
nur Informationsartikel
Nie mehr lieferbar
keine Alternativen
Pos.
9
BOSCH Lagerdeckel | Ersatzteile für Winkelschleifer | 1605808046
Hersteller: BOSCH
Artikelnummer: EB-0601319017-1605808046
nur Informationsartikel
Nie mehr lieferbar
keine Alternativen
Pos.
10
BOSCH O-Ring 45x3MM | Ersatzteile für Winkelschleifer | 1900210146
Hersteller: BOSCH
Artikelnummer: EB-0601319017-1900210146
Netto: 5,65 € zzgl. MwSt.
zzgl. 6,90 € Versand (brutto)
einmalig pro Bestellung

Lieferzeit: 5 Werktage

Pos.
12
BOSCH Mitnehmer | Ersatzteile für Winkelschleifer | 1606442000
Hersteller: BOSCH
Artikelnummer: EB-0601319017-1606442000
Netto: 6,75 € zzgl. MwSt.
zzgl. 6,90 € Versand (brutto)
einmalig pro Bestellung

Lieferzeit: 5 Werktage

Pos.
13
BOSCH Dichtung | Ersatzteile für Winkelschleifer | 1600113002
Hersteller: BOSCH
Artikelnummer: EB-0601319017-1600113002
Netto: 3,94 € zzgl. MwSt.
zzgl. 6,90 € Versand (brutto)
einmalig pro Bestellung

Lieferzeit: 5 Werktage

Pos.
14
BOSCH Handgriff DUNKELBLAU | Ersatzteile für Winkelschleifer | 3605132048
Hersteller: BOSCH
Artikelnummer: EB-0601319017-3605132048
Netto: 55,88 € zzgl. MwSt.
zzgl. 6,90 € Versand (brutto)
einmalig pro Bestellung

Lieferzeit: 5 Werktage

Pos.
15
BOSCH Tülle Ø9,2-Ø12x120 MM | Ersatzteile für Winkelschleifer | 3600703011
Hersteller: BOSCH
Artikelnummer: EB-0601319017-3600703011
Netto: 4,80 € zzgl. MwSt.
zzgl. 6,90 € Versand (brutto)
einmalig pro Bestellung

Lieferzeit: 5 Werktage

Pos.
16
BOSCH Netzanschlussleitung EU 4,15m 2 x 1,5mm H07 RN-F | Ersatzteile für Winkelschleifer | 1607000228
Hersteller: BOSCH
Artikelnummer: EB-0601319017-1607000228
Netto: 20,80 € zzgl. MwSt.
zzgl. 6,90 € Versand (brutto)
einmalig pro Bestellung

Lieferzeit: 5 Werktage

Pos.
17
BOSCH Schaltersatz | Ersatzteile für Winkelschleifer | 1607000034
Hersteller: BOSCH
Artikelnummer: EB-0601319017-1607000034
nur Informationsartikel
Nie mehr lieferbar
keine Alternativen
Pos.
18
BOSCH Polschuh | Ersatzteile für Winkelschleifer | 1604220031
Hersteller: BOSCH
Artikelnummer: EB-0601319017-1604220031
nur Informationsartikel
Nie mehr lieferbar
keine Alternativen
Pos.
19
BOSCH Schalthebel | Ersatzteile für Winkelschleifer | 1602026030
Hersteller: BOSCH
Artikelnummer: EB-0601319017-1602026030
Netto: 9,05 € zzgl. MwSt.
zzgl. 6,90 € Versand (brutto)
einmalig pro Bestellung

Lieferzeit: 5 Werktage

Pos.
21
BOSCH Spiralfeder | Ersatzteile für Winkelschleifer | 1604652015
Hersteller: BOSCH
Artikelnummer: EB-0601319017-1604652015
Netto: 4,80 € zzgl. MwSt.
zzgl. 6,90 € Versand (brutto)
einmalig pro Bestellung

Lieferzeit: 5 Werktage

Pos.
22
BOSCH Verschlussdeckel | Ersatzteile für Winkelschleifer | 3605500057
Hersteller: BOSCH
Artikelnummer: EB-0601319017-3605500057
nur Informationsartikel
Nie mehr lieferbar
keine Alternativen
Pos.
23
BOSCH Typschild | Ersatzteile für Winkelschleifer | 160111A3H3
Hersteller: BOSCH
Artikelnummer: EB-0601319017-160111A3H3
Netto: 4,56 € zzgl. MwSt.
zzgl. 6,90 € Versand (brutto)
einmalig pro Bestellung

Lieferzeit: 5 Werktage

Pos.
23
BOSCH Typschild 26x52 MM | Ersatzteile für Winkelschleifer | 1601106032
Hersteller: BOSCH
Artikelnummer: EB-0601319017-1601106032
nur Informationsartikel
Nie mehr lieferbar
keine Alternativen
Pos.
24
BOSCH Dichtscheibe | Ersatzteile für Winkelschleifer | 1600108054
Hersteller: BOSCH
Artikelnummer: EB-0601319017-1600108054
nur Informationsartikel
Nie mehr lieferbar
keine Alternativen
Pos.
27
BOSCH Ausgleichscheibe | Ersatzteile für Winkelschleifer | 1600102667
Hersteller: BOSCH
Artikelnummer: EB-0601319017-1600102667
nur Informationsartikel
Nie mehr lieferbar
keine Alternativen
Pos.
28
BOSCH Ausgleichscheibe | Ersatzteile für Winkelschleifer | 1600102666
Hersteller: BOSCH
Artikelnummer: EB-0601319017-1600102666
nur Informationsartikel
Nie mehr lieferbar
keine Alternativen
Pos.
29
BOSCH Firmenschild | Ersatzteile für Winkelschleifer | 1601110003
Hersteller: BOSCH
Artikelnummer: EB-0601319017-1601110003
nur Informationsartikel
Nie mehr lieferbar
keine Alternativen
Pos.
30
BOSCH Distanzhülse | Ersatzteile für Winkelschleifer | 1600420004
Hersteller: BOSCH
Artikelnummer: EB-0601319017-1600420004
nur Informationsartikel
Nie mehr lieferbar
keine Alternativen
Pos.
33
BOSCH Nadellager | Ersatzteile für Winkelschleifer | 1600910009
Hersteller: BOSCH
Artikelnummer: EB-0601319017-1600910009
nur Informationsartikel
Nie mehr lieferbar
keine Alternativen
Pos.
34
BOSCH Rillenkugellager | Ersatzteile für Winkelschleifer | 1900900209
Hersteller: BOSCH
Artikelnummer: EB-0601319017-1900900209
nur Informationsartikel
Nie mehr lieferbar
keine Alternativen
Pos.
36
BOSCH Dichtschnur | Ersatzteile für Winkelschleifer | 1601014000
Hersteller: BOSCH
Artikelnummer: EB-0601319017-1601014000
Netto: 4,80 € zzgl. MwSt.
zzgl. 6,90 € Versand (brutto)
einmalig pro Bestellung

Lieferzeit: 5 Werktage

Pos.
37
BOSCH Zylinderschraube DIN 84-AM5x20-5.8 | Ersatzteile für Winkelschleifer | 2910011162
Hersteller: BOSCH
Artikelnummer: EB-0601319017-2910011162
Netto: 3,60 € zzgl. MwSt.
zzgl. 6,90 € Versand (brutto)
einmalig pro Bestellung

Lieferzeit: 5 Werktage

Pos.
38
BOSCH Zylinderschraube | Ersatzteile für Winkelschleifer | 2910011165
Hersteller: BOSCH
Artikelnummer: EB-0601319017-2910011165
nur Informationsartikel
Nie mehr lieferbar
keine Alternativen
Pos.
39
BOSCH Federring | Ersatzteile für Winkelschleifer | 2916680006
Hersteller: BOSCH
Artikelnummer: EB-0601319017-2916680006
nur Informationsartikel
Nie mehr lieferbar
keine Alternativen
Pos.
40
BOSCH Blechschraube DIN 7971-BZ2,9x13 | Ersatzteile für Winkelschleifer | 2910211006
Hersteller: BOSCH
Artikelnummer: EB-0601319017-2910211006
Netto: 3,60 € zzgl. MwSt.
zzgl. 6,90 € Versand (brutto)
einmalig pro Bestellung

Lieferzeit: 5 Werktage

Pos.
41
BOSCH Zylinderschraube DIN 84-AM4x12-8.8 | Ersatzteile für Winkelschleifer | 2910021122
Hersteller: BOSCH
Artikelnummer: EB-0601319017-2910021122
Netto: 4,36 € zzgl. MwSt.
zzgl. 6,90 € Versand (brutto)
einmalig pro Bestellung

Lieferzeit: 5 Werktage

Pos.
42
BOSCH Unterlegscheibe DIN 433-3,2-ST 50 | Ersatzteile für Winkelschleifer | 2916011005
Hersteller: BOSCH
Artikelnummer: EB-0601319017-2916011005
Netto: 3,60 € zzgl. MwSt.
zzgl. 6,90 € Versand (brutto)
einmalig pro Bestellung

Lieferzeit: 5 Werktage

Pos.
45
BOSCH Unterlegscheibe DIN 125-A3,2-ST | Ersatzteile für Winkelschleifer | 2916011006
Hersteller: BOSCH
Artikelnummer: EB-0601319017-2916011006
Netto: 3,94 € zzgl. MwSt.
zzgl. 6,90 € Versand (brutto)
einmalig pro Bestellung

Lieferzeit: 5 Werktage

Pos.
46
BOSCH Zylinderschraube DIN 84-BM5x30-5.8 | Ersatzteile für Winkelschleifer | 2910011166
Hersteller: BOSCH
Artikelnummer: EB-0601319017-2910011166
Netto: 3,60 € zzgl. MwSt.
zzgl. 6,90 € Versand (brutto)
einmalig pro Bestellung

Lieferzeit: 5 Werktage

Pos.
47
BOSCH Zylinderschraube | Ersatzteile für Winkelschleifer | 1603410008
Hersteller: BOSCH
Artikelnummer: EB-0601319017-1603410008
nur Informationsartikel
Nie mehr lieferbar
keine Alternativen
Pos.
51
BOSCH Federscheibe DIN 137-A4 | Ersatzteile für Winkelschleifer | 1600150006
Hersteller: BOSCH
Artikelnummer: EB-0601319017-1600150006
nur Informationsartikel
Nie mehr lieferbar
keine Alternativen
Pos.
52
BOSCH Zylinderschraube DIN 84-AM4x10-5.8 | Ersatzteile für Winkelschleifer | 2910011120
Hersteller: BOSCH
Artikelnummer: EB-0601319017-2910011120
Netto: 3,60 € zzgl. MwSt.
zzgl. 6,90 € Versand (brutto)
einmalig pro Bestellung

Lieferzeit: 5 Werktage

Pos.
54
BOSCH Blechschraube DIN 7971-ST3,9x16-F | Ersatzteile für Winkelschleifer | 2910211019
Hersteller: BOSCH
Artikelnummer: EB-0601319017-2910211019
Netto: 3,60 € zzgl. MwSt.
zzgl. 6,90 € Versand (brutto)
einmalig pro Bestellung

Lieferzeit: 5 Werktage

Pos.
55
BOSCH Blechschraube | Ersatzteile für Winkelschleifer | 2910211004
Hersteller: BOSCH
Artikelnummer: EB-0601319017-2910211004
nur Informationsartikel
Nie mehr lieferbar
keine Alternativen
Pos.
56
BOSCH Befestigungsschelle | Ersatzteile für Winkelschleifer | 1601302014
Hersteller: BOSCH
Artikelnummer: EB-0601319017-1601302014
Netto: 4,56 € zzgl. MwSt.
zzgl. 6,90 € Versand (brutto)
einmalig pro Bestellung

Lieferzeit: 5 Werktage

Pos.
57
BOSCH Gewindering | Ersatzteile für Winkelschleifer | 1603344044
Hersteller: BOSCH
Artikelnummer: EB-0601319017-1603344044
nur Informationsartikel
Nie mehr lieferbar
keine Alternativen
Pos.
58
BOSCH Rillenkugellager 12x28x8 | Ersatzteile für Winkelschleifer | 1900905121
Hersteller: BOSCH
Artikelnummer: EB-0601319017-1900905121
Netto: 16,70 € zzgl. MwSt.
zzgl. 6,90 € Versand (brutto)
einmalig pro Bestellung

Lieferzeit: 5 Werktage

Pos.
60
BOSCH Sicherungsring | Ersatzteile für Winkelschleifer | 1600119001
Hersteller: BOSCH
Artikelnummer: EB-0601319017-1600119001
nur Informationsartikel
Nie mehr lieferbar
keine Alternativen
Pos.
61
BOSCH Flachkopfschraube DIN 85 AM 4x6-MS | Ersatzteile für Winkelschleifer | 2910110116
Hersteller: BOSCH
Artikelnummer: EB-0601319017-2910110116
Netto: 3,60 € zzgl. MwSt.
zzgl. 6,90 € Versand (brutto)
einmalig pro Bestellung

Lieferzeit: 5 Werktage

Pos.
62
BOSCH Unterlegscheibe | Ersatzteile für Winkelschleifer | 2916010410
Hersteller: BOSCH
Artikelnummer: EB-0601319017-2916010410
nur Informationsartikel
Nie mehr lieferbar
keine Alternativen
Pos.
69
BOSCH Filzring | Ersatzteile für Winkelschleifer | 1600205008
Hersteller: BOSCH
Artikelnummer: EB-0601319017-1600205008
Netto: 3,94 € zzgl. MwSt.
zzgl. 6,90 € Versand (brutto)
einmalig pro Bestellung

Lieferzeit: 5 Werktage

Pos.
70
BOSCH Lagerdeckel | Ersatzteile für Winkelschleifer | 1600501019
Hersteller: BOSCH
Artikelnummer: EB-0601319017-1600501019
Netto: 20,80 € zzgl. MwSt.
zzgl. 6,90 € Versand (brutto)
einmalig pro Bestellung

Lieferzeit: 5 Werktage

Pos.
71
BOSCH Rillenkugellager | Ersatzteile für Winkelschleifer | 1600900020
Hersteller: BOSCH
Artikelnummer: EB-0601319017-1600900020
nur Informationsartikel
Nie mehr lieferbar
keine Alternativen
Pos.
72
BOSCH Ausgleichscheibe | Ersatzteile für Winkelschleifer | 1600102002
Hersteller: BOSCH
Artikelnummer: EB-0601319017-1600102002
nur Informationsartikel
Nie mehr lieferbar
keine Alternativen
Pos.
73
BOSCH Lagerflansch | Ersatzteile für Winkelschleifer | 3605820064
Hersteller: BOSCH
Artikelnummer: EB-0601319017-3605820064
Netto: 61,64 € zzgl. MwSt.
zzgl. 6,90 € Versand (brutto)
einmalig pro Bestellung

Lieferzeit: 5 Werktage

Pos.
74
BOSCH Zylinderschraube DIN 84-AM4x15-8.8 | Ersatzteile für Winkelschleifer | 2910021125
Hersteller: BOSCH
Artikelnummer: EB-0601319017-2910021125
Netto: 3,60 € zzgl. MwSt.
zzgl. 6,90 € Versand (brutto)
einmalig pro Bestellung

Lieferzeit: 5 Werktage

Pos.
75
BOSCH Ausgleichscheibe | Ersatzteile für Winkelschleifer | 1420100023
Hersteller: BOSCH
Artikelnummer: EB-0601319017-1420100023
nur Informationsartikel
Nie mehr lieferbar
keine Alternativen
Pos.
75
BOSCH Ausgleichscheibe 0,2 MM DICK | Ersatzteile für Winkelschleifer | 1600100632
Hersteller: BOSCH
Artikelnummer: EB-0601319017-1600100632
Netto: 3,60 € zzgl. MwSt.
zzgl. 6,90 € Versand (brutto)
einmalig pro Bestellung

Lieferzeit: 5 Werktage

Pos.
76
BOSCH Rillenkugellager 7x22x7 | Ersatzteile für Winkelschleifer | 1900905018
Hersteller: BOSCH
Artikelnummer: EB-0601319017-1900905018
Netto: 15,15 € zzgl. MwSt.
zzgl. 6,90 € Versand (brutto)
einmalig pro Bestellung

Lieferzeit: 5 Werktage

Pos.
78
BOSCH Ausgleichscheibe | Ersatzteile für Winkelschleifer | 1600101626
Hersteller: BOSCH
Artikelnummer: EB-0601319017-1600101626
nur Informationsartikel
Nie mehr lieferbar
keine Alternativen
Pos.
652
BOSCH Schutzhaube | Ersatzteile für Winkelschleifer | 1605510053
Hersteller: BOSCH
Artikelnummer: EB-0601319017-1605510053
nur Informationsartikel
Nie mehr lieferbar
keine Alternativen
Pos.
700
BOSCH Kegelrad | Ersatzteile für Winkelschleifer | 1606333127
Hersteller: BOSCH
Artikelnummer: EB-0601319017-1606333127
nur Informationsartikel
Nie mehr lieferbar
keine Alternativen
Pos.
701
BOSCH Kegelrad | Ersatzteile für Winkelschleifer | 1606333126
Hersteller: BOSCH
Artikelnummer: EB-0601319017-1606333126
nur Informationsartikel
Nie mehr lieferbar
keine Alternativen
Pos.
800
BOSCH Mitnehmer | Ersatzteile für Winkelschleifer | 1600320026
Hersteller: BOSCH
Artikelnummer: EB-0601319017-1600320026
Netto: 42,08 € zzgl. MwSt.
zzgl. 6,90 € Versand (brutto)
einmalig pro Bestellung

Lieferzeit: 5 Werktage

Pos.
801
BOSCH Kohlebürstensatz | Ersatzteile für Winkelschleifer | 1607014102
Hersteller: BOSCH
Artikelnummer: EB-0601319017-1607014102
nur Informationsartikel
Nie mehr lieferbar
keine Alternativen
Pos.
802
BOSCH Dichtplatte | Ersatzteile für Winkelschleifer | 1602388007
Hersteller: BOSCH
Artikelnummer: EB-0601319017-1602388007
Netto: 10,62 € zzgl. MwSt.
zzgl. 6,90 € Versand (brutto)
einmalig pro Bestellung

Lieferzeit: 5 Werktage

Angaben zur Produktsicherheit

Hersteller:
Robert Bosch Power Tools GmbH
Postfach 30 02 20
70442 Stuttgart

E-Mail:
kontakt@bosch.de