BOSCH Schalter | Ersatzteile für Winkelschleifer | 1607200064

Artikelnummer: EB-0601322060-1607200064

Position: 809

Marke: BOSCH


Bitte Kompatibilität prüfen!

Bitte prüfen Sie unbedingt die 10-stellige Typennummer Ihrer Maschine / Ihres Gerätes. Das Ersatzteil ist nur kompatibel, wenn Sie die Typennummer Ihrer Maschine in der unten stehenden Produktbeschreibung finden.

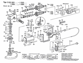
Bitte prüfen Sie ebenfalls detailliert die Explosionszeichnung mit Ihrem Artikelwunsch und der jeweiligen Pos-Nummer.

Alle Elemente, welche vom schwarzen Strich der Pos-Nummer ausgehend berührt / erfasst werden, gehören zu dieser Pos-Nummer und somit zu diesem Artikel. Jede Pos-Nummer ist ein eigenständiger Artikel, welchen Sie in der Auflistung finden.

Sie erhalten stets die aktuellste, neueste Produktversion zu der gewählten Pos-Nummer seitens des Herstellers. Es kann daher je nach Gerätealter vorkommen, dass Sie ggf. weitere, zugehörige Elemente, welche an diese Pos-Nummer grenzen, ebenfalls mittauschen müssen.

Nähere Informationen finden Sie unter dem Link
Hinweise zu Ihrer BOSCH Ersatzteilsuche

Preisübersicht

Einzelpreis: 35,77 €* (Brutto: 42,57 €)
Gesamtpreis: 35,77 €* 
Position:

Lieferzeit: 5 Werktage


Beschreibung

  • Schalter
  • Original Bosch Zubehör / BOSCH Ersatzteil (1607200064)
  • im Gerät verbaut: 1
Dieses BOSCH Ersatzteil ist mit folgendem Gerät und Modell kompatibel:
  • BOSCH Gerätename: Winkelschleifer
  • BOSCH Explosionszeichnung: Position 809
  • BOSCH Typennummer: 0601322060
  • BOSCH Typennummer alternative Schreibweisen: 0 601 322 060, 0601 322 060, 0.601.322.060, 0-601-322-060
    Bitte prüfen Sie diese Typennummer auf Ihrem Gerät um die Kompatibilität des BOSCH Ersatzteils zu gewährleisten.
Weitere BOSCH Ersatzteile des Gerätes Winkelschleifer mit der Typennummer 0601322060 finden Sie in der nachfolgenden Darstellung und im Dropdown zu Ihrer Auswahl:

Pos.
19/00/08
BOSCH Filzring | Ersatzteile für Winkelschleifer | 1600205019
Hersteller: BOSCH
Artikelnummer: EB-0601322060-1600205019
Netto: 3,94 € zzgl. MwSt.
zzgl. 6,90 € Versand (brutto)
einmalig pro Bestellung

Lieferzeit: 5 Werktage

Pos.
60/1
BOSCH Blechschraube DIN 7971-ST4,8x25-F | Ersatzteile für Winkelschleifer | 2910211036
Hersteller: BOSCH
Artikelnummer: EB-0601322060-2910211036
Netto: 3,63 € zzgl. MwSt.
zzgl. 6,90 € Versand (brutto)
einmalig pro Bestellung

Lieferzeit: 5 Werktage

Pos.
63/01
BOSCH Zylinderschraube DIN 84-BM5x82 | Ersatzteile für Winkelschleifer | 1603410001
Hersteller: BOSCH
Artikelnummer: EB-0601322060-1603410001
nur Informationsartikel
Nie mehr lieferbar
keine Alternativen
Pos.
652/2
BOSCH Innensechskantschraube DIN 912-M8x20-8.8 | Ersatzteile für Winkelschleifer | 2910141242
Hersteller: BOSCH
Artikelnummer: EB-0601322060-2910141242
Netto: 3,94 € zzgl. MwSt.
zzgl. 6,90 € Versand (brutto)
einmalig pro Bestellung

Lieferzeit: 5 Werktage

Pos.
803/00/01
BOSCH Kabelschuh | Ersatzteile für Winkelschleifer | 1601353003
Hersteller: BOSCH
Artikelnummer: EB-0601322060-1601353003
nur Informationsartikel
Nie mehr lieferbar
keine Alternativen
Pos.
809/00/04
BOSCH Flachkopfschraube DIN 85-AM4x8-4.8 | Ersatzteile für Winkelschleifer | 2910091118
Hersteller: BOSCH
Artikelnummer: EB-0601322060-2910091118
Netto: 3,60 € zzgl. MwSt.
zzgl. 6,90 € Versand (brutto)
einmalig pro Bestellung

Lieferzeit: 5 Werktage

Pos.
2
BOSCH Bürstenhalter | Ersatzteile für Winkelschleifer | 1604336008
Hersteller: BOSCH
Artikelnummer: EB-0601322060-1604336008
Netto: 17,38 € zzgl. MwSt.
zzgl. 6,90 € Versand (brutto)
einmalig pro Bestellung

Lieferzeit: 5 Werktage

Pos.
3
BOSCH Polschuh 110V | Ersatzteile für Winkelschleifer | 1604220110
Hersteller: BOSCH
Artikelnummer: EB-0601322060-1604220110
nur Informationsartikel
Nie mehr lieferbar
keine Alternativen
Pos.
4
BOSCH Anker 110V | Ersatzteile für Winkelschleifer | 1604011224
Hersteller: BOSCH
Artikelnummer: EB-0601322060-1604011224
nur Informationsartikel
Nie mehr lieferbar
keine Alternativen
Pos.
6
BOSCH Spiralfeder | Ersatzteile für Winkelschleifer | 1604652015
Hersteller: BOSCH
Artikelnummer: EB-0601322060-1604652015
Netto: 4,82 € zzgl. MwSt.
zzgl. 6,90 € Versand (brutto)
einmalig pro Bestellung

Lieferzeit: 5 Werktage

Pos.
8
BOSCH Verschlussdeckel BLAU | Ersatzteile für Winkelschleifer | 1605500089
Hersteller: BOSCH
Artikelnummer: EB-0601322060-1605500089
nur Informationsartikel
Nie mehr lieferbar
keine Alternativen
Pos.
9
BOSCH Handgriff BLAU | Ersatzteile für Winkelschleifer | 1605132083
Hersteller: BOSCH
Artikelnummer: EB-0601322060-1605132083
nur Informationsartikel
Nie mehr lieferbar
keine Alternativen
Pos.
12
BOSCH Tülle Ø9,2-Ø12x120 MM | Ersatzteile für Winkelschleifer | 3600703011
Hersteller: BOSCH
Artikelnummer: EB-0601322060-3600703011
Netto: 4,82 € zzgl. MwSt.
zzgl. 6,90 € Versand (brutto)
einmalig pro Bestellung

Lieferzeit: 5 Werktage

Pos.
13
BOSCH Netzanschlussleitung GB 110V 4,15m 2 x 1,5mm H07RN-F | Ersatzteile für Winkelschleifer | 1604460203
Hersteller: BOSCH
Artikelnummer: EB-0601322060-1604460203
Netto: 29,45 € zzgl. MwSt.
zzgl. 6,90 € Versand (brutto)
einmalig pro Bestellung

Lieferzeit: 5 Werktage

Pos.
14
BOSCH Entstörfilter | Ersatzteile für Winkelschleifer | 1607328034
Hersteller: BOSCH
Artikelnummer: EB-0601322060-1607328034
Netto: 5,67 € zzgl. MwSt.
zzgl. 6,90 € Versand (brutto)
einmalig pro Bestellung

Lieferzeit: 5 Werktage

Pos.
15
BOSCH Befestigungsschelle | Ersatzteile für Winkelschleifer | 1601302013
Hersteller: BOSCH
Artikelnummer: EB-0601322060-1601302013
Netto: 3,94 € zzgl. MwSt.
zzgl. 6,90 € Versand (brutto)
einmalig pro Bestellung

Lieferzeit: 5 Werktage

Pos.
17
BOSCH Abdeckplatte | Ersatzteile für Winkelschleifer | 1601037006
Hersteller: BOSCH
Artikelnummer: EB-0601322060-1601037006
nur Informationsartikel
Nie mehr lieferbar
keine Alternativen
Pos.
20
BOSCH Lagerdeckel | Ersatzteile für Winkelschleifer | 1605808054
Hersteller: BOSCH
Artikelnummer: EB-0601322060-1605808054
nur Informationsartikel
Nie mehr lieferbar
keine Alternativen
Pos.
21
BOSCH Abdeckscheibe | Ersatzteile für Winkelschleifer | 1600102012
Hersteller: BOSCH
Artikelnummer: EB-0601322060-1600102012
nur Informationsartikel
Nie mehr lieferbar
keine Alternativen
Pos.
22
BOSCH Schleifspindel M14x1,5 MM | Ersatzteile für Winkelschleifer | 1603523032
Hersteller: BOSCH
Artikelnummer: EB-0601322060-1603523032
Netto: 32,74 € zzgl. MwSt.
zzgl. 6,90 € Versand (brutto)
einmalig pro Bestellung

Lieferzeit: 5 Werktage

Pos.
23
BOSCH Dichtscheibe | Ersatzteile für Winkelschleifer | 1600108055
Hersteller: BOSCH
Artikelnummer: EB-0601322060-1600108055
Netto: 3,63 € zzgl. MwSt.
zzgl. 6,90 € Versand (brutto)
einmalig pro Bestellung

Lieferzeit: 5 Werktage

Pos.
25
BOSCH Tülle | Ersatzteile für Winkelschleifer | 1600306001
Hersteller: BOSCH
Artikelnummer: EB-0601322060-1600306001
Netto: 4,53 € zzgl. MwSt.
zzgl. 6,90 € Versand (brutto)
einmalig pro Bestellung

Lieferzeit: 5 Werktage

Pos.
26
BOSCH Getriebegehäuse | Ersatzteile für Winkelschleifer | 1605806362
Hersteller: BOSCH
Artikelnummer: EB-0601322060-1605806362
nur Informationsartikel
Nie mehr lieferbar
keine Alternativen
Pos.
27
BOSCH Nadelhülse Ø22x11,3 MM | Ersatzteile für Winkelschleifer | 1600910010
Hersteller: BOSCH
Artikelnummer: EB-0601322060-1600910010
Netto: 39,11 € zzgl. MwSt.
zzgl. 6,90 € Versand (brutto)
einmalig pro Bestellung

Lieferzeit: 5 Werktage

Pos.
28
BOSCH Gummiring 10 MM BREIT | Ersatzteile für Winkelschleifer | 1600206014
Hersteller: BOSCH
Artikelnummer: EB-0601322060-1600206014
Netto: 3,63 € zzgl. MwSt.
zzgl. 6,90 € Versand (brutto)
einmalig pro Bestellung

Lieferzeit: 5 Werktage

Pos.
29
BOSCH Luftleitring | Ersatzteile für Winkelschleifer | 1600502007
Hersteller: BOSCH
Artikelnummer: EB-0601322060-1600502007
nur Informationsartikel
Nie mehr lieferbar
keine Alternativen
Pos.
30
BOSCH Sicherungsring DIN 472 38X1,5MM | Ersatzteile für Winkelschleifer | 2916660017
Hersteller: BOSCH
Artikelnummer: EB-0601322060-2916660017
Netto: 5,67 € zzgl. MwSt.
zzgl. 6,90 € Versand (brutto)
einmalig pro Bestellung

Lieferzeit: 5 Werktage

Pos.
32
BOSCH Radial-Wellendichtring WEISS | Ersatzteile für Winkelschleifer | 1600290008
Hersteller: BOSCH
Artikelnummer: EB-0601322060-1600290008
Netto: 4,53 € zzgl. MwSt.
zzgl. 6,90 € Versand (brutto)
einmalig pro Bestellung

Lieferzeit: 5 Werktage

Pos.
34
BOSCH Ausgleichscheibe 0,1 MM DICK | Ersatzteile für Winkelschleifer | 1600190004
Hersteller: BOSCH
Artikelnummer: EB-0601322060-1600190004
nur Informationsartikel
Nie mehr lieferbar
keine Alternativen
Pos.
34
BOSCH Ausgleichscheibe 0,2 MM DICK | Ersatzteile für Winkelschleifer | 1600190005
Hersteller: BOSCH
Artikelnummer: EB-0601322060-1600190005
nur Informationsartikel
Nie mehr lieferbar
keine Alternativen
Pos.
35
BOSCH Sicherungsblech | Ersatzteile für Winkelschleifer | 1601030022
Hersteller: BOSCH
Artikelnummer: EB-0601322060-1601030022
Netto: 3,94 € zzgl. MwSt.
zzgl. 6,90 € Versand (brutto)
einmalig pro Bestellung

Lieferzeit: 5 Werktage

Pos.
36
BOSCH Gummibuchse | Ersatzteile für Winkelschleifer | 1600502006
Hersteller: BOSCH
Artikelnummer: EB-0601322060-1600502006
nur Informationsartikel
Nie mehr lieferbar
keine Alternativen
Pos.
38
BOSCH Firmenschild | Ersatzteile für Winkelschleifer | 1601110003
Hersteller: BOSCH
Artikelnummer: EB-0601322060-1601110003
nur Informationsartikel
Nie mehr lieferbar
keine Alternativen
Pos.
40
BOSCH Federscheibe Ø27,5x38,4 MM | Ersatzteile für Winkelschleifer | 1600150007
Hersteller: BOSCH
Artikelnummer: EB-0601322060-1600150007
nur Informationsartikel
Nie mehr lieferbar
keine Alternativen
Pos.
50
BOSCH Rillenkugellager 6203-2 Z DIN 625 | Ersatzteile für Winkelschleifer | 1900905227
Hersteller: BOSCH
Artikelnummer: EB-0601322060-1900905227
nur Informationsartikel
Nie mehr lieferbar
keine Alternativen
Pos.
51
BOSCH Sprengring Ø22 MM | Ersatzteile für Winkelschleifer | 2916620011
Hersteller: BOSCH
Artikelnummer: EB-0601322060-2916620011
Netto: 3,94 € zzgl. MwSt.
zzgl. 6,90 € Versand (brutto)
einmalig pro Bestellung

Lieferzeit: 5 Werktage

Pos.
52
BOSCH Rillenkugellager 15x35x11 | Ersatzteile für Winkelschleifer | 1900905234
Hersteller: BOSCH
Artikelnummer: EB-0601322060-1900905234
Netto: 26,88 € zzgl. MwSt.
zzgl. 6,90 € Versand (brutto)
einmalig pro Bestellung

Lieferzeit: 5 Werktage

Pos.
53
BOSCH Rillenkugellager | Ersatzteile für Winkelschleifer | 1600900029
Hersteller: BOSCH
Artikelnummer: EB-0601322060-1600900029
nur Informationsartikel
Nie mehr lieferbar
keine Alternativen
Pos.
55
BOSCH Blechschraube DIN 7971-BZ2,9x13 | Ersatzteile für Winkelschleifer | 2910211006
Hersteller: BOSCH
Artikelnummer: EB-0601322060-2910211006
Netto: 3,63 € zzgl. MwSt.
zzgl. 6,90 € Versand (brutto)
einmalig pro Bestellung

Lieferzeit: 5 Werktage

Pos.
55
BOSCH Blechschraube DIN 7971-ST3,9x22-F | Ersatzteile für Winkelschleifer | 2910211021
Hersteller: BOSCH
Artikelnummer: EB-0601322060-2910211021
Netto: 3,94 € zzgl. MwSt.
zzgl. 6,90 € Versand (brutto)
einmalig pro Bestellung

Lieferzeit: 5 Werktage

Pos.
55
BOSCH Zylinderschraube DIN 84-AM3x8-8.8 | Ersatzteile für Winkelschleifer | 2910021050
Hersteller: BOSCH
Artikelnummer: EB-0601322060-2910021050
Netto: 3,63 € zzgl. MwSt.
zzgl. 6,90 € Versand (brutto)
einmalig pro Bestellung

Lieferzeit: 5 Werktage

Pos.
56
BOSCH Federscheibe A 3 DIN 137-ST | Ersatzteile für Winkelschleifer | 2916060003
Hersteller: BOSCH
Artikelnummer: EB-0601322060-2916060003
nur Informationsartikel
Nie mehr lieferbar
keine Alternativen
Pos.
57
BOSCH Zylinderschraube DIN 84-AM5x15-8.8 | Ersatzteile für Winkelschleifer | 2910021157
Hersteller: BOSCH
Artikelnummer: EB-0601322060-2910021157
nur Informationsartikel
Nie mehr lieferbar
keine Alternativen
Pos.
58
BOSCH Sechskantmutter DIN 934 -M4-m-8 | Ersatzteile für Winkelschleifer | 2915011005
Hersteller: BOSCH
Artikelnummer: EB-0601322060-2915011005
Netto: 3,63 € zzgl. MwSt.
zzgl. 6,90 € Versand (brutto)
einmalig pro Bestellung

Lieferzeit: 5 Werktage

Pos.
59
BOSCH Blechschraube B4,8x57,5 MM | Ersatzteile für Winkelschleifer | 1603429000
Hersteller: BOSCH
Artikelnummer: EB-0601322060-1603429000
Netto: 3,63 € zzgl. MwSt.
zzgl. 6,90 € Versand (brutto)
einmalig pro Bestellung

Lieferzeit: 5 Werktage

Pos.
60
BOSCH Zylinderschraube DIN 84-AM5x16-8.8 | Ersatzteile für Winkelschleifer | 2910021158
Hersteller: BOSCH
Artikelnummer: EB-0601322060-2910021158
nur Informationsartikel
Nie mehr lieferbar
keine Alternativen
Pos.
61
BOSCH Zylinderschraube DIN 84-AM5x20-8.8 | Ersatzteile für Winkelschleifer | 2910021162
Hersteller: BOSCH
Artikelnummer: EB-0601322060-2910021162
nur Informationsartikel
Nie mehr lieferbar
keine Alternativen
Pos.
62
BOSCH Sechskantmutter M12x1,5 MM | Ersatzteile für Winkelschleifer | 1603300009
Hersteller: BOSCH
Artikelnummer: EB-0601322060-1603300009
nur Informationsartikel
Nie mehr lieferbar
keine Alternativen
Pos.
63
BOSCH Blechschraube B4,8x90 MM | Ersatzteile für Winkelschleifer | 1603435006
Hersteller: BOSCH
Artikelnummer: EB-0601322060-1603435006
nur Informationsartikel
Nie mehr lieferbar
keine Alternativen
Pos.
64
BOSCH Federring DIN 127-B 5 | Ersatzteile für Winkelschleifer | 2916680006
Hersteller: BOSCH
Artikelnummer: EB-0601322060-2916680006
nur Informationsartikel
Nie mehr lieferbar
keine Alternativen
Pos.
65
BOSCH Federscheibe DIN 137-A4 | Ersatzteile für Winkelschleifer | 1600150006
Hersteller: BOSCH
Artikelnummer: EB-0601322060-1600150006
nur Informationsartikel
Nie mehr lieferbar
keine Alternativen
Pos.
66
BOSCH Zylinderschraube DIN 84-AM4x8-8.8 | Ersatzteile für Winkelschleifer | 2910021118
Hersteller: BOSCH
Artikelnummer: EB-0601322060-2910021118
Netto: 3,63 € zzgl. MwSt.
zzgl. 6,90 € Versand (brutto)
einmalig pro Bestellung

Lieferzeit: 5 Werktage

Pos.
69
BOSCH Blechschraube DIN 7971-BZ3,5x13 | Ersatzteile für Winkelschleifer | 2910211011
Hersteller: BOSCH
Artikelnummer: EB-0601322060-2910211011
Netto: 3,63 € zzgl. MwSt.
zzgl. 6,90 € Versand (brutto)
einmalig pro Bestellung

Lieferzeit: 5 Werktage

Pos.
78
BOSCH Aderendhülse | Ersatzteile für Winkelschleifer | 3604477009
Hersteller: BOSCH
Artikelnummer: EB-0601322060-3604477009
Netto: 4,53 € zzgl. MwSt.
zzgl. 6,90 € Versand (brutto)
einmalig pro Bestellung

Lieferzeit: 5 Werktage

Pos.
78
BOSCH Aderendhülse A 4-9 DIN 46 228 | Ersatzteile für Winkelschleifer | 1900452004
Hersteller: BOSCH
Artikelnummer: EB-0601322060-1900452004
nur Informationsartikel
Nie mehr lieferbar
keine Alternativen
Pos.
79
BOSCH Klemmenleiste 1x1,5 MM/2 | Ersatzteile für Winkelschleifer | 1901091012
Hersteller: BOSCH
Artikelnummer: EB-0601322060-1901091012
Netto: 6,15 € zzgl. MwSt.
zzgl. 6,90 € Versand (brutto)
einmalig pro Bestellung

Lieferzeit: 5 Werktage

Pos.
650
BOSCH Zusatzhandgriff | Ersatzteile für Angle Grinder | 160202509Z
Hersteller: BOSCH
Artikelnummer: EB-0601322060-16020250A1
Netto: 14,36 € zzgl. MwSt.
zzgl. 6,90 € Versand (brutto)
einmalig pro Bestellung

Lieferzeit: 5 Werktage

Pos.
650
BOSCH Zusatzhandgriff M14 SCHWARZ | Ersatzteile für Winkelschleifer | 1602025022
Hersteller: BOSCH
Artikelnummer: EB-0601322060-1602025022
Netto: 11,41 € zzgl. MwSt.
zzgl. 6,90 € Versand (brutto)
einmalig pro Bestellung

Lieferzeit: 5 Werktage

Pos.
650
BOSCH Zusatzhandgriff M14, Ø37x115 MM SCHWARZ | Ersatzteile für Winkelschleifer | 1602025030
Hersteller: BOSCH
Artikelnummer: EB-0601322060-1602025030
Netto: 14,92 € zzgl. MwSt.
zzgl. 6,90 € Versand (brutto)
einmalig pro Bestellung

Lieferzeit: 5 Werktage

Pos.
652
BOSCH Schutzhaube Ø 230 MM | Ersatzteile für Winkelschleifer | 2605510082
Hersteller: BOSCH
Artikelnummer: EB-0601322060-2605510082
nur Informationsartikel
Nie mehr lieferbar
keine Alternativen
Pos.
800
BOSCH Kohlebürstensatz | Ersatzteile für Winkelschleifer | 1607014103
Hersteller: BOSCH
Artikelnummer: EB-0601322060-1607014103
nur Informationsartikel
Nie mehr lieferbar
keine Alternativen
Pos.
801
BOSCH Ersatzteilgruppe BLAU | Ersatzteile für Winkelschleifer | 1605108902
Hersteller: BOSCH
Artikelnummer: EB-0601322060-1605108902
nur Informationsartikel
Nie mehr lieferbar
keine Alternativen
Pos.
803
BOSCH Verbindungsleitung | Ersatzteile für Winkelschleifer | 1604440004
Hersteller: BOSCH
Artikelnummer: EB-0601322060-1604440004
nur Informationsartikel
Nie mehr lieferbar
keine Alternativen
Pos.
804
BOSCH Tellerrad Z=59 | Ersatzteile für Winkelschleifer | 1606333144
Hersteller: BOSCH
Artikelnummer: EB-0601322060-1606333144
nur Informationsartikel
Nie mehr lieferbar
keine Alternativen
Pos.
805
BOSCH Kegelrad Z=15 | Ersatzteile für Winkelschleifer | 1606333145
Hersteller: BOSCH
Artikelnummer: EB-0601322060-1606333145
nur Informationsartikel
Nie mehr lieferbar
keine Alternativen
Pos.
809
BOSCH Schalter | Ersatzteile für Winkelschleifer | 1607200064
Hersteller: BOSCH
Artikelnummer: EB-0601322060-1607200064
Netto: 35,77 € zzgl. MwSt.
zzgl. 6,90 € Versand (brutto)
einmalig pro Bestellung

Lieferzeit: 5 Werktage

Pos.
888
BOSCH Typschild | Ersatzteile für Winkelschleifer | 160111A3H3
Hersteller: BOSCH
Artikelnummer: EB-0601322060-160111A3H3
Netto: 4,53 € zzgl. MwSt.
zzgl. 6,90 € Versand (brutto)
einmalig pro Bestellung

Lieferzeit: 5 Werktage

Angaben zur Produktsicherheit

Hersteller:
Robert Bosch Power Tools GmbH
Postfach 30 02 20
70442 Stuttgart

E-Mail:
kontakt@bosch.de