BOSCH Tülle Ø9,2-Ø12x120 MM | Ersatzteile für Winkelschleifer | 3600703011

Artikelnummer: EB-0601333003-3600703011

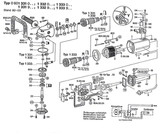
Position: 6

Marke: BOSCH


Bitte Kompatibilität prüfen!

Bitte prüfen Sie unbedingt die 10-stellige Typennummer Ihrer Maschine / Ihres Gerätes. Das Ersatzteil ist nur kompatibel, wenn Sie die Typennummer Ihrer Maschine in der unten stehenden Produktbeschreibung finden.

Bitte prüfen Sie ebenfalls detailliert die Explosionszeichnung mit Ihrem Artikelwunsch und der jeweiligen Pos-Nummer.

Alle Elemente, welche vom schwarzen Strich der Pos-Nummer ausgehend berührt / erfasst werden, gehören zu dieser Pos-Nummer und somit zu diesem Artikel. Jede Pos-Nummer ist ein eigenständiger Artikel, welchen Sie in der Auflistung finden.

Sie erhalten stets die aktuellste, neueste Produktversion zu der gewählten Pos-Nummer seitens des Herstellers. Es kann daher je nach Gerätealter vorkommen, dass Sie ggf. weitere, zugehörige Elemente, welche an diese Pos-Nummer grenzen, ebenfalls mittauschen müssen.

Nähere Informationen finden Sie unter dem Link
Hinweise zu Ihrer BOSCH Ersatzteilsuche

Preisübersicht

Einzelpreis: 4,80 €* (Brutto: 5,71 €)
Gesamtpreis: 4,80 €* 
Position:

Lieferzeit: 5 Werktage


Beschreibung

  • Tülle Ø9,2-Ø12x120 MM
  • Original Bosch Zubehör / BOSCH Ersatzteil (3600703011)
  • im Gerät verbaut: 1
Dieses BOSCH Ersatzteil ist mit folgendem Gerät und Modell kompatibel:
  • BOSCH Gerätename: Winkelschleifer
  • BOSCH Explosionszeichnung: Position 6
  • BOSCH Typennummer: 0601333003
  • BOSCH Typennummer alternative Schreibweisen: 0 601 333 003, 0601 333 003, 0.601.333.003, 0-601-333-003
    Bitte prüfen Sie diese Typennummer auf Ihrem Gerät um die Kompatibilität des BOSCH Ersatzteils zu gewährleisten.
Weitere BOSCH Ersatzteile des Gerätes Winkelschleifer mit der Typennummer 0601333003 finden Sie in der nachfolgenden Darstellung und im Dropdown zu Ihrer Auswahl:

Pos.
1
BOSCH Motorgehäuse | Ersatzteile für Winkelschleifer | 1605108124
Hersteller: BOSCH
Artikelnummer: EB-0601333003-1605108124
nur Informationsartikel
Nie mehr lieferbar
keine Alternativen
Pos.
2
BOSCH Polschuh | Ersatzteile für Winkelschleifer | 1604220245
Hersteller: BOSCH
Artikelnummer: EB-0601333003-1604220245
nur Informationsartikel
Nie mehr lieferbar
keine Alternativen
Pos.
2/00/08
BOSCH Kabelschuh 1,5-4x4 | Ersatzteile für Winkelschleifer | 1901350003
Hersteller: BOSCH
Artikelnummer: EB-0601333003-1901350003
Netto: 3,60 € zzgl. MwSt.
zzgl. 6,90 € Versand (brutto)
einmalig pro Bestellung

Lieferzeit: 5 Werktage

Pos.
5/20
BOSCH Aderendhülse DIN 46 228-A1-6 | Ersatzteile für Winkelschleifer | 1900452012
Hersteller: BOSCH
Artikelnummer: EB-0601333003-1900452012
Netto: 3,94 € zzgl. MwSt.
zzgl. 6,90 € Versand (brutto)
einmalig pro Bestellung

Lieferzeit: 5 Werktage

Pos.
6
BOSCH Tülle Ø9,2-Ø12x120 MM | Ersatzteile für Winkelschleifer | 3600703011
Hersteller: BOSCH
Artikelnummer: EB-0601333003-3600703011
Netto: 4,80 € zzgl. MwSt.
zzgl. 6,90 € Versand (brutto)
einmalig pro Bestellung

Lieferzeit: 5 Werktage

Pos.
7
BOSCH Befestigungsschelle | Ersatzteile für Winkelschleifer | 1601302013
Hersteller: BOSCH
Artikelnummer: EB-0601333003-1601302013
Netto: 3,94 € zzgl. MwSt.
zzgl. 6,90 € Versand (brutto)
einmalig pro Bestellung

Lieferzeit: 5 Werktage

Pos.
11
BOSCH Entstörfilter | Ersatzteile für Winkelschleifer | 1607328034
Hersteller: BOSCH
Artikelnummer: EB-0601333003-1607328034
Netto: 5,65 € zzgl. MwSt.
zzgl. 6,90 € Versand (brutto)
einmalig pro Bestellung

Lieferzeit: 5 Werktage

Pos.
15
BOSCH Dichtung | Ersatzteile für Winkelschleifer | 1600113002
Hersteller: BOSCH
Artikelnummer: EB-0601333003-1600113002
Netto: 3,94 € zzgl. MwSt.
zzgl. 6,90 € Versand (brutto)
einmalig pro Bestellung

Lieferzeit: 5 Werktage

Pos.
16
BOSCH Bürstenhalter | Ersatzteile für Winkelschleifer | 1604336008
Hersteller: BOSCH
Artikelnummer: EB-0601333003-1604336008
Netto: 16,70 € zzgl. MwSt.
zzgl. 6,90 € Versand (brutto)
einmalig pro Bestellung

Lieferzeit: 5 Werktage

Pos.
17
BOSCH Abdeckplatte | Ersatzteile für Winkelschleifer | 1601037006
Hersteller: BOSCH
Artikelnummer: EB-0601333003-1601037006
nur Informationsartikel
Nie mehr lieferbar
keine Alternativen
Pos.
18
BOSCH Profilstreifen | Ersatzteile für Winkelschleifer | 1601014005
Hersteller: BOSCH
Artikelnummer: EB-0601333003-1601014005
nur Informationsartikel
Nie mehr lieferbar
keine Alternativen
Pos.
19
BOSCH Schalthebel | Ersatzteile für Winkelschleifer | 1602026041
Hersteller: BOSCH
Artikelnummer: EB-0601333003-1602026041
nur Informationsartikel
Nie mehr lieferbar
keine Alternativen
Pos.
19/00/08
BOSCH Filzring | Ersatzteile für Winkelschleifer | 1600205019
Hersteller: BOSCH
Artikelnummer: EB-0601333003-1600205019
Netto: 3,94 € zzgl. MwSt.
zzgl. 6,90 € Versand (brutto)
einmalig pro Bestellung

Lieferzeit: 5 Werktage

Pos.
20
BOSCH Lagerdeckel | Ersatzteile für Winkelschleifer | 1605808054
Hersteller: BOSCH
Artikelnummer: EB-0601333003-1605808054
nur Informationsartikel
Nie mehr lieferbar
keine Alternativen
Pos.
21
BOSCH Abdeckscheibe | Ersatzteile für Winkelschleifer | 1600102012
Hersteller: BOSCH
Artikelnummer: EB-0601333003-1600102012
nur Informationsartikel
Nie mehr lieferbar
keine Alternativen
Pos.
22
BOSCH Schleifspindel M14x1,5 MM | Ersatzteile für Winkelschleifer | 1603523032
Hersteller: BOSCH
Artikelnummer: EB-0601333003-1603523032
Netto: 32,16 € zzgl. MwSt.
zzgl. 6,90 € Versand (brutto)
einmalig pro Bestellung

Lieferzeit: 5 Werktage

Pos.
23
BOSCH Dichtscheibe | Ersatzteile für Winkelschleifer | 1600108055
Hersteller: BOSCH
Artikelnummer: EB-0601333003-1600108055
Netto: 3,60 € zzgl. MwSt.
zzgl. 6,90 € Versand (brutto)
einmalig pro Bestellung

Lieferzeit: 5 Werktage

Pos.
25
BOSCH Tülle | Ersatzteile für Winkelschleifer | 1600306001
Hersteller: BOSCH
Artikelnummer: EB-0601333003-1600306001
Netto: 4,56 € zzgl. MwSt.
zzgl. 6,90 € Versand (brutto)
einmalig pro Bestellung

Lieferzeit: 5 Werktage

Pos.
26
BOSCH Getriebegehäuse | Ersatzteile für Winkelschleifer | 1605806346
Hersteller: BOSCH
Artikelnummer: EB-0601333003-1605806346
nur Informationsartikel
Nie mehr lieferbar
keine Alternativen
Pos.
27
BOSCH Nadelhülse Ø22x11,3 MM | Ersatzteile für Winkelschleifer | 1600910010
Hersteller: BOSCH
Artikelnummer: EB-0601333003-1600910010
Netto: 38,40 € zzgl. MwSt.
zzgl. 6,90 € Versand (brutto)
einmalig pro Bestellung

Lieferzeit: 5 Werktage

Pos.
28
BOSCH Gummiring | Ersatzteile für Winkelschleifer | 1600206022
Hersteller: BOSCH
Artikelnummer: EB-0601333003-1600206022
Netto: 4,36 € zzgl. MwSt.
zzgl. 6,90 € Versand (brutto)
einmalig pro Bestellung

Lieferzeit: 5 Werktage

Pos.
29
BOSCH Leitscheibe | Ersatzteile für Winkelschleifer | 1600502013
Hersteller: BOSCH
Artikelnummer: EB-0601333003-1600502013
nur Informationsartikel
Nie mehr lieferbar
keine Alternativen
Pos.
30
BOSCH Sicherungsring | Ersatzteile für Winkelschleifer | 1600119004
Hersteller: BOSCH
Artikelnummer: EB-0601333003-1600119004
Netto: 4,80 € zzgl. MwSt.
zzgl. 6,90 € Versand (brutto)
einmalig pro Bestellung

Lieferzeit: 5 Werktage

Pos.
31
BOSCH Spiralfeder | Ersatzteile für Winkelschleifer | 1604652015
Hersteller: BOSCH
Artikelnummer: EB-0601333003-1604652015
Netto: 4,80 € zzgl. MwSt.
zzgl. 6,90 € Versand (brutto)
einmalig pro Bestellung

Lieferzeit: 5 Werktage

Pos.
32
BOSCH Radial-Wellendichtring WEISS | Ersatzteile für Winkelschleifer | 1600290008
Hersteller: BOSCH
Artikelnummer: EB-0601333003-1600290008
Netto: 4,56 € zzgl. MwSt.
zzgl. 6,90 € Versand (brutto)
einmalig pro Bestellung

Lieferzeit: 5 Werktage

Pos.
34
BOSCH Ausgleichscheibe | Ersatzteile für Winkelschleifer | 1600190004
Hersteller: BOSCH
Artikelnummer: EB-0601333003-1600190004
nur Informationsartikel
Nie mehr lieferbar
keine Alternativen
Pos.
34
BOSCH Ausgleichscheibe 0,2 MM DICK | Ersatzteile für Winkelschleifer | 1600190005
Hersteller: BOSCH
Artikelnummer: EB-0601333003-1600190005
Netto: 3,75 € zzgl. MwSt.
zzgl. 6,90 € Versand (brutto)
einmalig pro Bestellung

Lieferzeit: 5 Werktage

Pos.
35
BOSCH Sicherungsblech | Ersatzteile für Winkelschleifer | 1601030022
Hersteller: BOSCH
Artikelnummer: EB-0601333003-1601030022
Netto: 3,94 € zzgl. MwSt.
zzgl. 6,90 € Versand (brutto)
einmalig pro Bestellung

Lieferzeit: 5 Werktage

Pos.
36
BOSCH Gummibuchse | Ersatzteile für Winkelschleifer | 1600502006
Hersteller: BOSCH
Artikelnummer: EB-0601333003-1600502006
nur Informationsartikel
Nie mehr lieferbar
keine Alternativen
Pos.
40
BOSCH Federscheibe Ø32,3xØ43,5x0,6 MM | Ersatzteile für Winkelschleifer | 1600150009
Hersteller: BOSCH
Artikelnummer: EB-0601333003-1600150009
Netto: 4,80 € zzgl. MwSt.
zzgl. 6,90 € Versand (brutto)
einmalig pro Bestellung

Lieferzeit: 5 Werktage

Pos.
41
BOSCH Verschlussdeckel | Ersatzteile für Winkelschleifer | 1605500089
Hersteller: BOSCH
Artikelnummer: EB-0601333003-1605500089
nur Informationsartikel
Nie mehr lieferbar
keine Alternativen
Pos.
42
BOSCH Handgriff | Ersatzteile für Winkelschleifer | 1605132079
Hersteller: BOSCH
Artikelnummer: EB-0601333003-1605132079
nur Informationsartikel
Nie mehr lieferbar
keine Alternativen
Pos.
44
BOSCH Planscheibe | Ersatzteile für Winkelschleifer | 1600120070
Hersteller: BOSCH
Artikelnummer: EB-0601333003-1600120070
nur Informationsartikel
Nie mehr lieferbar
keine Alternativen
Pos.
45
BOSCH Haltewinkel | Ersatzteile für Winkelschleifer | 1601331032
Hersteller: BOSCH
Artikelnummer: EB-0601333003-1601331032
nur Informationsartikel
Nie mehr lieferbar
keine Alternativen
Pos.
50
BOSCH Rillenkugellager 6203-2 Z DIN 625 | Ersatzteile für Winkelschleifer | 1900905227
Hersteller: BOSCH
Artikelnummer: EB-0601333003-1900905227
nur Informationsartikel
Nie mehr lieferbar
keine Alternativen
Pos.
51
BOSCH Sprengring Ø22 MM | Ersatzteile für Winkelschleifer | 2916620011
Hersteller: BOSCH
Artikelnummer: EB-0601333003-2916620011
Netto: 3,94 € zzgl. MwSt.
zzgl. 6,90 € Versand (brutto)
einmalig pro Bestellung

Lieferzeit: 5 Werktage

Pos.
52
BOSCH Rillenkugellager | Ersatzteile für Winkelschleifer | 1600900028
Hersteller: BOSCH
Artikelnummer: EB-0601333003-1600900028
nur Informationsartikel
Nie mehr lieferbar
keine Alternativen
Pos.
53
BOSCH Rillenkugellager | Ersatzteile für Winkelschleifer | 1600900029
Hersteller: BOSCH
Artikelnummer: EB-0601333003-1600900029
nur Informationsartikel
Nie mehr lieferbar
keine Alternativen
Pos.
54
BOSCH Zylinderschraube DIN 84-AM4x8-8.8 | Ersatzteile für Winkelschleifer | 2910021118
Hersteller: BOSCH
Artikelnummer: EB-0601333003-2910021118
Netto: 3,60 € zzgl. MwSt.
zzgl. 6,90 € Versand (brutto)
einmalig pro Bestellung

Lieferzeit: 5 Werktage

Pos.
55
BOSCH Blechschraube DIN 7971-BZ2,9x13 | Ersatzteile für Winkelschleifer | 2910211006
Hersteller: BOSCH
Artikelnummer: EB-0601333003-2910211006
Netto: 3,60 € zzgl. MwSt.
zzgl. 6,90 € Versand (brutto)
einmalig pro Bestellung

Lieferzeit: 5 Werktage

Pos.
56
BOSCH Unterlegscheibe DIN 433-3,2-ST 50 | Ersatzteile für Winkelschleifer | 2916011005
Hersteller: BOSCH
Artikelnummer: EB-0601333003-2916011005
Netto: 3,60 € zzgl. MwSt.
zzgl. 6,90 € Versand (brutto)
einmalig pro Bestellung

Lieferzeit: 5 Werktage

Pos.
57
BOSCH Zylinderschraube | Ersatzteile für Winkelschleifer | 2910011157
Hersteller: BOSCH
Artikelnummer: EB-0601333003-2910011157
nur Informationsartikel
Nie mehr lieferbar
keine Alternativen
Pos.
58
BOSCH Sechskantmutter DIN 934 -M4-m-8 | Ersatzteile für Winkelschleifer | 2915011005
Hersteller: BOSCH
Artikelnummer: EB-0601333003-2915011005
Netto: 3,60 € zzgl. MwSt.
zzgl. 6,90 € Versand (brutto)
einmalig pro Bestellung

Lieferzeit: 5 Werktage

Pos.
59
BOSCH Gewindefurchschraube B 4,8x45 MM | Ersatzteile für Winkelschleifer | 3603415560
Hersteller: BOSCH
Artikelnummer: EB-0601333003-3603415560
Netto: 3,60 € zzgl. MwSt.
zzgl. 6,90 € Versand (brutto)
einmalig pro Bestellung

Lieferzeit: 5 Werktage

Pos.
60
BOSCH Blechschraube DIN 7971-ST4,8x25-F | Ersatzteile für Winkelschleifer | 2910211036
Hersteller: BOSCH
Artikelnummer: EB-0601333003-2910211036
Netto: 3,60 € zzgl. MwSt.
zzgl. 6,90 € Versand (brutto)
einmalig pro Bestellung

Lieferzeit: 5 Werktage

Pos.
61
BOSCH Zylinderschraube DIN 84-AM5x20-5.8 | Ersatzteile für Winkelschleifer | 2910011162
Hersteller: BOSCH
Artikelnummer: EB-0601333003-2910011162
Netto: 3,60 € zzgl. MwSt.
zzgl. 6,90 € Versand (brutto)
einmalig pro Bestellung

Lieferzeit: 5 Werktage

Pos.
63
BOSCH Blechschraube | Ersatzteile für Winkelschleifer | 1603429001
Hersteller: BOSCH
Artikelnummer: EB-0601333003-1603429001
nur Informationsartikel
Nie mehr lieferbar
keine Alternativen
Pos.
66
BOSCH Zylinderschraube DIN 84-AM4x12-8.8 | Ersatzteile für Winkelschleifer | 2910021122
Hersteller: BOSCH
Artikelnummer: EB-0601333003-2910021122
Netto: 4,36 € zzgl. MwSt.
zzgl. 6,90 € Versand (brutto)
einmalig pro Bestellung

Lieferzeit: 5 Werktage

Pos.
82
BOSCH Federscheibe DIN 137-A5-FST | Ersatzteile für Winkelschleifer | 2916060006
Hersteller: BOSCH
Artikelnummer: EB-0601333003-2916060006
nur Informationsartikel
Nie mehr lieferbar
keine Alternativen
Pos.
650
BOSCH Zusatzhandgriff M14 SCHWARZ | Ersatzteile für Winkelschleifer | 1602025022
Hersteller: BOSCH
Artikelnummer: EB-0601333003-1602025022
Netto: 11,41 € zzgl. MwSt.
zzgl. 6,90 € Versand (brutto)
einmalig pro Bestellung

Lieferzeit: 5 Werktage

Pos.
650
BOSCH Zusatzhandgriff M14, Ø37x115 MM SCHWARZ | Ersatzteile für Winkelschleifer | 1602025030
Hersteller: BOSCH
Artikelnummer: EB-0601333003-1602025030
Netto: 14,92 € zzgl. MwSt.
zzgl. 6,90 € Versand (brutto)
einmalig pro Bestellung

Lieferzeit: 5 Werktage

Pos.
650/01
BOSCH Bügelgriff | Ersatzteile für Winkelschleifer | 1600793004
Hersteller: BOSCH
Artikelnummer: EB-0601333003-1600793004
nur Informationsartikel
Nie mehr lieferbar
keine Alternativen
Pos.
651
BOSCH Einmaulschlüssel SW17 | Ersatzteile für Winkelschleifer | 2607950511
Hersteller: BOSCH
Artikelnummer: EB-0601333003-2607950511
Netto: 5,65 € zzgl. MwSt.
zzgl. 6,90 € Versand (brutto)
einmalig pro Bestellung

Lieferzeit: 5 Werktage

Pos.
653
BOSCH Winkelschraubendreher DIN 911-4 | Ersatzteile für Winkelschleifer | 2607950004
Hersteller: BOSCH
Artikelnummer: EB-0601333003-2607950004
Netto: 3,94 € zzgl. MwSt.
zzgl. 6,90 € Versand (brutto)
einmalig pro Bestellung

Lieferzeit: 5 Werktage

Pos.
654
BOSCH Aufnahmeflansch | Ersatzteile für Winkelschleifer | 1605703067
Hersteller: BOSCH
Artikelnummer: EB-0601333003-1605703067
nur Informationsartikel
Nie mehr lieferbar
keine Alternativen
Pos.
655
BOSCH Zweilochmutter | Ersatzteile für Winkelschleifer | 1619P09976
Hersteller: BOSCH
Artikelnummer: EB-0601333003-1619P09976
Netto: 4,36 € zzgl. MwSt.
zzgl. 6,90 € Versand (brutto)
einmalig pro Bestellung

Lieferzeit: 63 Werktage

Pos.
656
BOSCH Winkelschraubendreher DIN 911 SW6 | Ersatzteile für Winkelschleifer | 1907950007
Hersteller: BOSCH
Artikelnummer: EB-0601333003-1907950007
Netto: 6,27 € zzgl. MwSt.
zzgl. 6,90 € Versand (brutto)
einmalig pro Bestellung

Lieferzeit: 5 Werktage

Pos.
661
BOSCH Spannscheibe | Ersatzteile für Winkelschleifer | 1605703066
Hersteller: BOSCH
Artikelnummer: EB-0601333003-1605703066
nur Informationsartikel
Nie mehr lieferbar
keine Alternativen
Pos.
662
BOSCH Führungsschlitten | Ersatzteile für Winkelschleifer | 1608190002
Hersteller: BOSCH
Artikelnummer: EB-0601333003-1608190002
Netto: 29,69 € zzgl. MwSt.
zzgl. 6,90 € Versand (brutto)
einmalig pro Bestellung

Lieferzeit: 5 Werktage

Pos.
662/30
BOSCH Flachrundschraube | Ersatzteile für Winkelschleifer | 2910281244
Hersteller: BOSCH
Artikelnummer: EB-0601333003-2910281244
nur Informationsartikel
Nie mehr lieferbar
keine Alternativen
Pos.
662/40
BOSCH Flügelmutter DIN 315-M8-GT-C | Ersatzteile für Winkelschleifer | 2915191007
Hersteller: BOSCH
Artikelnummer: EB-0601333003-2915191007
Netto: 5,17 € zzgl. MwSt.
zzgl. 6,90 € Versand (brutto)
einmalig pro Bestellung

Lieferzeit: 5 Werktage

Pos.
662/50
BOSCH Unterlegscheibe DIN 125-A 8,4-ST | Ersatzteile für Winkelschleifer | 2916011016
Hersteller: BOSCH
Artikelnummer: EB-0601333003-2916011016
Netto: 3,60 € zzgl. MwSt.
zzgl. 6,90 € Versand (brutto)
einmalig pro Bestellung

Lieferzeit: 5 Werktage

Pos.
700
BOSCH Teilesatz | Ersatzteile für Winkelschleifer | 1607000151
Hersteller: BOSCH
Artikelnummer: EB-0601333003-1607000151
nur Informationsartikel
Nie mehr lieferbar
keine Alternativen
Pos.
701
BOSCH Absaughaube | Ersatzteile für Winkelschleifer | 1605510215
Hersteller: BOSCH
Artikelnummer: EB-0601333003-1605510215
Netto: 322,00 € zzgl. MwSt.
zzgl. 6,90 € Versand (brutto)
einmalig pro Bestellung

Lieferzeit: 5 Werktage

Pos.
800
BOSCH Kohlebürstensatz | Ersatzteile für Winkelschleifer | 1607014103
Hersteller: BOSCH
Artikelnummer: EB-0601333003-1607014103
Netto: 12,50 € zzgl. MwSt.
zzgl. 6,90 € Versand (brutto)
einmalig pro Bestellung

Lieferzeit: 5 Werktage

Pos.
801
BOSCH Verbindungsleitung | Ersatzteile für Winkelschleifer | 1604440004
Hersteller: BOSCH
Artikelnummer: EB-0601333003-1604440004
nur Informationsartikel
Nie mehr lieferbar
keine Alternativen
Pos.
801/020
BOSCH Kabelschuh | Ersatzteile für Winkelschleifer | 1601353003
Hersteller: BOSCH
Artikelnummer: EB-0601333003-1601353003
nur Informationsartikel
Nie mehr lieferbar
keine Alternativen
Pos.
802
BOSCH Tellerrad | Ersatzteile für Winkelschleifer | 1606333206
Hersteller: BOSCH
Artikelnummer: EB-0601333003-1606333206
nur Informationsartikel
Nie mehr lieferbar
keine Alternativen
Pos.
802/01
BOSCH Tellerrad | Ersatzteile für Winkelschleifer | 1606333187
Hersteller: BOSCH
Artikelnummer: EB-0601333003-1606333187
nur Informationsartikel
Nie mehr lieferbar
keine Alternativen
Pos.
803
BOSCH Kegelrad | Ersatzteile für Winkelschleifer | 1606333227
Hersteller: BOSCH
Artikelnummer: EB-0601333003-1606333227
nur Informationsartikel
Nie mehr lieferbar
keine Alternativen
Pos.
803/01
BOSCH Kegelrad | Ersatzteile für Winkelschleifer | 1606333185
Hersteller: BOSCH
Artikelnummer: EB-0601333003-1606333185
nur Informationsartikel
Nie mehr lieferbar
keine Alternativen
Pos.
804
BOSCH Schaltersatz | Ersatzteile für Winkelschleifer | 1607000034
Hersteller: BOSCH
Artikelnummer: EB-0601333003-1607000034
nur Informationsartikel
Nie mehr lieferbar
keine Alternativen
Pos.
805
BOSCH Dichtungssatz | Ersatzteile für Winkelschleifer | 1607000060
Hersteller: BOSCH
Artikelnummer: EB-0601333003-1607000060
nur Informationsartikel
Nie mehr lieferbar
keine Alternativen
Pos.
806
BOSCH Anker | Ersatzteile für Winkelschleifer | 1604012054
Hersteller: BOSCH
Artikelnummer: EB-0601333003-1604012054
nur Informationsartikel
Nie mehr lieferbar
keine Alternativen
Pos.
817
BOSCH Lagerflansch | Ersatzteile für Winkelschleifer | 1607000229
Hersteller: BOSCH
Artikelnummer: EB-0601333003-1607000229
nur Informationsartikel
Nie mehr lieferbar
keine Alternativen
Pos.
817/029
BOSCH O-Ring 79,0x1,78 MM | Ersatzteile für Winkelschleifer | 1600210033
Hersteller: BOSCH
Artikelnummer: EB-0601333003-1600210033
Netto: 3,94 € zzgl. MwSt.
zzgl. 6,90 € Versand (brutto)
einmalig pro Bestellung

Lieferzeit: 5 Werktage

Pos.
830
BOSCH Gummiring Ø41xØ37x7,5 MM | Ersatzteile für Winkelschleifer | 1600206029
Hersteller: BOSCH
Artikelnummer: EB-0601333003-1600206029
Netto: 4,56 € zzgl. MwSt.
zzgl. 6,90 € Versand (brutto)
einmalig pro Bestellung

Lieferzeit: 5 Werktage

Pos.
830/073
BOSCH Haltering | Ersatzteile für Winkelschleifer | 1600224034
Hersteller: BOSCH
Artikelnummer: EB-0601333003-1600224034
nur Informationsartikel
Nie mehr lieferbar
keine Alternativen
Pos.
835
BOSCH Netzanschlussleitung EU 4,15m 2 x 1,5mm H07 RN-F | Ersatzteile für Winkelschleifer | 1607000228
Hersteller: BOSCH
Artikelnummer: EB-0601333003-1607000228
Netto: 20,80 € zzgl. MwSt.
zzgl. 6,90 € Versand (brutto)
einmalig pro Bestellung

Lieferzeit: 5 Werktage

Pos.
835/020
BOSCH Aderendhülse | Ersatzteile für Winkelschleifer | 3604477009
Hersteller: BOSCH
Artikelnummer: EB-0601333003-3604477009
Netto: 4,56 € zzgl. MwSt.
zzgl. 6,90 € Versand (brutto)
einmalig pro Bestellung

Lieferzeit: 5 Werktage

Pos.
888
BOSCH Typschild | Ersatzteile für Winkelschleifer | 160111A3H3
Hersteller: BOSCH
Artikelnummer: EB-0601333003-160111A3H3
Netto: 4,56 € zzgl. MwSt.
zzgl. 6,90 € Versand (brutto)
einmalig pro Bestellung

Lieferzeit: 5 Werktage

Pos.
888
BOSCH Typschild 26x52 MM | Ersatzteile für Winkelschleifer | 1601106032
Hersteller: BOSCH
Artikelnummer: EB-0601333003-1601106032
nur Informationsartikel
Nie mehr lieferbar
keine Alternativen
Pos.
650
BOSCH Zusatzhandgriff | Ersatzteile für WINKELSCHLEIFER | 160202509Z
Hersteller: BOSCH
Artikelnummer: EB-0601333003-16020250A1
Netto: 13,81 € zzgl. MwSt.
zzgl. 6,90 € Versand (brutto)
einmalig pro Bestellung

Lieferzeit: 5 Werktage

Pos.
652
BOSCH Schutzhaube | Ersatzteile für Winkelschleifer | 1605510082
Hersteller: BOSCH
Artikelnummer: EB-0601333003-1605510115
nur Informationsartikel
Nie mehr lieferbar
keine Alternativen
Pos.
652
BOSCH Schutzhaube | Ersatzteile für Winkelschleifer | 1605510115
Hersteller: BOSCH
Artikelnummer: EB-0601333003-1605510115
nur Informationsartikel
Nie mehr lieferbar
keine Alternativen

Angaben zur Produktsicherheit

Hersteller:
Robert Bosch Power Tools GmbH
Postfach 30 02 20
70442 Stuttgart

E-Mail:
kontakt@bosch.de