BOSCH Unterlegscheibe DIN 433-3,2-ST 50 | Ersatzteile für Winkelschleifer | 2916011005

Artikelnummer: EB-0601336047-2916011005

Position: 60

Marke: BOSCH


Bitte Kompatibilität prüfen!

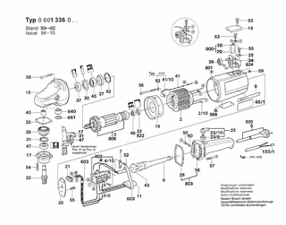
Bitte prüfen Sie unbedingt die 10-stellige Typennummer Ihrer Maschine / Ihres Gerätes. Das Ersatzteil ist nur kompatibel, wenn Sie die Typennummer Ihrer Maschine in der unten stehenden Produktbeschreibung finden.

Bitte prüfen Sie ebenfalls detailliert die Explosionszeichnung mit Ihrem Artikelwunsch und der jeweiligen Pos-Nummer.

Alle Elemente, welche vom schwarzen Strich der Pos-Nummer ausgehend berührt / erfasst werden, gehören zu dieser Pos-Nummer und somit zu diesem Artikel. Jede Pos-Nummer ist ein eigenständiger Artikel, welchen Sie in der Auflistung finden.

Sie erhalten stets die aktuellste, neueste Produktversion zu der gewählten Pos-Nummer seitens des Herstellers. Es kann daher je nach Gerätealter vorkommen, dass Sie ggf. weitere, zugehörige Elemente, welche an diese Pos-Nummer grenzen, ebenfalls mittauschen müssen.

Nähere Informationen finden Sie unter dem Link
Hinweise zu Ihrer BOSCH Ersatzteilsuche

Preisübersicht

Einzelpreis: 3,60 €* (Brutto: 4,28 €)
Gesamtpreis: 3,60 €* 
Position:

Lieferzeit: 5 Werktage


Beschreibung

  • Unterlegscheibe DIN 433-3,2-ST 50
  • Original Bosch Zubehör / BOSCH Ersatzteil (2916011005)
  • im Gerät verbaut: 1
Dieses BOSCH Ersatzteil ist mit folgendem Gerät und Modell kompatibel:
  • BOSCH Gerätename: Winkelschleifer
  • BOSCH Explosionszeichnung: Position 60
  • BOSCH Typennummer: 0601336047
  • BOSCH Typennummer alternative Schreibweisen: 0 601 336 047, 0601 336 047, 0.601.336.047, 0-601-336-047
    Bitte prüfen Sie diese Typennummer auf Ihrem Gerät um die Kompatibilität des BOSCH Ersatzteils zu gewährleisten.
Weitere BOSCH Ersatzteile des Gerätes Winkelschleifer mit der Typennummer 0601336047 finden Sie in der nachfolgenden Darstellung und im Dropdown zu Ihrer Auswahl:

Pos.
2/10
BOSCH Kabelschuh 1,5-4x4 | Ersatzteile für Winkelschleifer | 1901350003
Hersteller: BOSCH
Artikelnummer: EB-0601336047-1901350003
Netto: 3,60 € zzgl. MwSt.
zzgl. 6,90 € Versand (brutto)
einmalig pro Bestellung

Lieferzeit: 5 Werktage

Pos.
23/8
BOSCH Filzring | Ersatzteile für Winkelschleifer | 1600205008
Hersteller: BOSCH
Artikelnummer: EB-0601336047-1600205008
Netto: 3,94 € zzgl. MwSt.
zzgl. 6,90 € Versand (brutto)
einmalig pro Bestellung

Lieferzeit: 5 Werktage

Pos.
4/10
BOSCH Flachkopfschraube DIN 85-AM4x8-4.8 | Ersatzteile für Winkelschleifer | 2910091118
Hersteller: BOSCH
Artikelnummer: EB-0601336047-2910091118
Netto: 3,60 € zzgl. MwSt.
zzgl. 6,90 € Versand (brutto)
einmalig pro Bestellung

Lieferzeit: 5 Werktage

Pos.
41/10
BOSCH Kabelschuh | Ersatzteile für Winkelschleifer | 1601353003
Hersteller: BOSCH
Artikelnummer: EB-0601336047-1601353003
nur Informationsartikel
Nie mehr lieferbar
keine Alternativen
Pos.
650/10
BOSCH Zusatzhandgriff | Ersatzteile für ANGLE GRINDER | 160202509Z
Hersteller: BOSCH
Artikelnummer: EB-0601336047-16020250A1
Netto: 13,81 € zzgl. MwSt.
zzgl. 6,90 € Versand (brutto)
einmalig pro Bestellung

Lieferzeit: 5 Werktage

Pos.
650/10
BOSCH Zusatzhandgriff M14 SCHWARZ | Ersatzteile für Winkelschleifer | 1602025022
Hersteller: BOSCH
Artikelnummer: EB-0601336047-1602025022
nur Informationsartikel
Nie mehr lieferbar
keine Alternativen
Pos.
650/10
BOSCH Zusatzhandgriff M14, Ø37x115 MM SCHWARZ | Ersatzteile für Winkelschleifer | 1602025030
Hersteller: BOSCH
Artikelnummer: EB-0601336047-1602025030
nur Informationsartikel
Nie mehr lieferbar
keine Alternativen
Pos.
650/11
BOSCH Einmaulschlüssel SW17 | Ersatzteile für Winkelschleifer | 2607950511
Hersteller: BOSCH
Artikelnummer: EB-0601336047-2607950511
Netto: 5,65 € zzgl. MwSt.
zzgl. 6,90 € Versand (brutto)
einmalig pro Bestellung

Lieferzeit: 5 Werktage

Pos.
650/12
BOSCH Kreuzlochmutter M14 | Ersatzteile für Winkelschleifer | 1603340015
Hersteller: BOSCH
Artikelnummer: EB-0601336047-1603340015
nur Informationsartikel
Nie mehr lieferbar
keine Alternativen
Pos.
650/13
BOSCH Zweilochmutterndreher | Ersatzteile für Winkelschleifer | 1607950052
Hersteller: BOSCH
Artikelnummer: EB-0601336047-1607950052
Netto: 5,17 € zzgl. MwSt.
zzgl. 6,90 € Versand (brutto)
einmalig pro Bestellung

Lieferzeit: 5 Werktage

Pos.
650/13/1
BOSCH Winkelschraubendreher DIN 911-4 | Ersatzteile für Winkelschleifer | 2607950004
Hersteller: BOSCH
Artikelnummer: EB-0601336047-2607950004
Netto: 3,94 € zzgl. MwSt.
zzgl. 6,90 € Versand (brutto)
einmalig pro Bestellung

Lieferzeit: 5 Werktage

Pos.
652/40
BOSCH Zylinderschraube DIN 84-M 6x16-8.8 | Ersatzteile für Winkelschleifer | 2910022197
Hersteller: BOSCH
Artikelnummer: EB-0601336047-2910022197
nur Informationsartikel
Nie mehr lieferbar
keine Alternativen
Pos.
2
BOSCH Polschuh 100-110V | Ersatzteile für Winkelschleifer | 1604220136
Hersteller: BOSCH
Artikelnummer: EB-0601336047-1604220136
nur Informationsartikel
Nie mehr lieferbar
keine Alternativen
Pos.
3
BOSCH Anker 100-110V | Ersatzteile für Winkelschleifer | 1604010163
Hersteller: BOSCH
Artikelnummer: EB-0601336047-1604010163
nur Informationsartikel
Nie mehr lieferbar
keine Alternativen
Pos.
4
BOSCH Schaltersatz | Ersatzteile für Winkelschleifer | 1607000034
Hersteller: BOSCH
Artikelnummer: EB-0601336047-1607000034
nur Informationsartikel
Nie mehr lieferbar
keine Alternativen
Pos.
6
BOSCH Tülle Ø11,5-Ø15,0x150 MM | Ersatzteile für Winkelschleifer | 1600703009
Hersteller: BOSCH
Artikelnummer: EB-0601336047-1600703009
Netto: 6,75 € zzgl. MwSt.
zzgl. 6,90 € Versand (brutto)
einmalig pro Bestellung

Lieferzeit: 5 Werktage

Pos.
6
BOSCH Tülle Ø9,2-Ø12x120 MM | Ersatzteile für Winkelschleifer | 3600703011
Hersteller: BOSCH
Artikelnummer: EB-0601336047-3600703011
Netto: 4,80 € zzgl. MwSt.
zzgl. 6,90 € Versand (brutto)
einmalig pro Bestellung

Lieferzeit: 5 Werktage

Pos.
7
BOSCH Befestigungsschelle | Ersatzteile für Winkelschleifer | 1601302013
Hersteller: BOSCH
Artikelnummer: EB-0601336047-1601302013
nur Informationsartikel
Nie mehr lieferbar
keine Alternativen
Pos.
9
BOSCH Klebeschild | Ersatzteile für Winkelschleifer | 1601110046
Hersteller: BOSCH
Artikelnummer: EB-0601336047-1601110046
nur Informationsartikel
Nie mehr lieferbar
keine Alternativen
Pos.
11
BOSCH Entstörfilter | Ersatzteile für Winkelschleifer | 1607328034
Hersteller: BOSCH
Artikelnummer: EB-0601336047-1607328034
Netto: 5,65 € zzgl. MwSt.
zzgl. 6,90 € Versand (brutto)
einmalig pro Bestellung

Lieferzeit: 5 Werktage

Pos.
15
BOSCH Getriebegehäuse | Ersatzteile für Winkelschleifer | 1605806360
Hersteller: BOSCH
Artikelnummer: EB-0601336047-1605806360
nur Informationsartikel
Nie mehr lieferbar
keine Alternativen
Pos.
17
BOSCH Lagerflansch | Ersatzteile für Winkelschleifer | 1605805054
Hersteller: BOSCH
Artikelnummer: EB-0601336047-1605805054
nur Informationsartikel
Nie mehr lieferbar
keine Alternativen
Pos.
18
BOSCH Luftleitring | Ersatzteile für Winkelschleifer | 1600502012
Hersteller: BOSCH
Artikelnummer: EB-0601336047-1600502012
nur Informationsartikel
Nie mehr lieferbar
keine Alternativen
Pos.
19
BOSCH Verschlussdeckel | Ersatzteile für Winkelschleifer | 1605500127
Hersteller: BOSCH
Artikelnummer: EB-0601336047-1605500127
nur Informationsartikel
Nie mehr lieferbar
keine Alternativen
Pos.
20
BOSCH Abdeckplatte | Ersatzteile für Winkelschleifer | 1601037007
Hersteller: BOSCH
Artikelnummer: EB-0601336047-1601037007
nur Informationsartikel
Nie mehr lieferbar
keine Alternativen
Pos.
21
BOSCH Tülle | Ersatzteile für Winkelschleifer | 1600306001
Hersteller: BOSCH
Artikelnummer: EB-0601336047-1600306001
Netto: 4,56 € zzgl. MwSt.
zzgl. 6,90 € Versand (brutto)
einmalig pro Bestellung

Lieferzeit: 5 Werktage

Pos.
22
BOSCH Zwischenring | Ersatzteile für Winkelschleifer | 1600502018
Hersteller: BOSCH
Artikelnummer: EB-0601336047-1600502018
nur Informationsartikel
Nie mehr lieferbar
keine Alternativen
Pos.
23
BOSCH Schalthebel | Ersatzteile für Winkelschleifer | 1602026030
Hersteller: BOSCH
Artikelnummer: EB-0601336047-1602026030
Netto: 9,05 € zzgl. MwSt.
zzgl. 6,90 € Versand (brutto)
einmalig pro Bestellung

Lieferzeit: 5 Werktage

Pos.
25
BOSCH Sicherungsblech | Ersatzteile für Winkelschleifer | 1601030022
Hersteller: BOSCH
Artikelnummer: EB-0601336047-1601030022
nur Informationsartikel
Nie mehr lieferbar
keine Alternativen
Pos.
27
BOSCH Zwischenring | Ersatzteile für Winkelschleifer | 1600206018
Hersteller: BOSCH
Artikelnummer: EB-0601336047-1600206018
nur Informationsartikel
Nie mehr lieferbar
keine Alternativen
Pos.
28
BOSCH Dichtschnur | Ersatzteile für Winkelschleifer | 1601014000
Hersteller: BOSCH
Artikelnummer: EB-0601336047-1601014000
Netto: 4,80 € zzgl. MwSt.
zzgl. 6,90 € Versand (brutto)
einmalig pro Bestellung

Lieferzeit: 5 Werktage

Pos.
30
BOSCH Distanzbuchse | Ersatzteile für Winkelschleifer | 1600500022
Hersteller: BOSCH
Artikelnummer: EB-0601336047-1600500022
nur Informationsartikel
Nie mehr lieferbar
keine Alternativen
Pos.
31
BOSCH Sicherungsbügel DIN 472-32x1,2 MM | Ersatzteile für Winkelschleifer | 2916660013
Hersteller: BOSCH
Artikelnummer: EB-0601336047-2916660013
nur Informationsartikel
Nie mehr lieferbar
keine Alternativen
Pos.
32
BOSCH Schleifspindel M14 | Ersatzteile für Winkelschleifer | 1603523086
Hersteller: BOSCH
Artikelnummer: EB-0601336047-1603523086
nur Informationsartikel
Nie mehr lieferbar
keine Alternativen
Pos.
35
BOSCH Ausgleichscheibe 0,1 MM | Ersatzteile für Winkelschleifer | 2600136002
Hersteller: BOSCH
Artikelnummer: EB-0601336047-2600136002
nur Informationsartikel
Nie mehr lieferbar
keine Alternativen
Pos.
35
BOSCH Ausgleichscheibe 0,2 MM | Ersatzteile für Winkelschleifer | 2600136003
Hersteller: BOSCH
Artikelnummer: EB-0601336047-2600136003
nur Informationsartikel
Nie mehr lieferbar
keine Alternativen
Pos.
37
BOSCH Radial-Wellendichtring | Ersatzteile für Winkelschleifer | 1600290011
Hersteller: BOSCH
Artikelnummer: EB-0601336047-1600290011
nur Informationsartikel
Nie mehr lieferbar
keine Alternativen
Pos.
38
BOSCH Tellerrad Z=33 | Ersatzteile für Winkelschleifer | 1606333182
Hersteller: BOSCH
Artikelnummer: EB-0601336047-1606333182
nur Informationsartikel
Nie mehr lieferbar
keine Alternativen
Pos.
39
BOSCH Spiralfeder | Ersatzteile für Winkelschleifer | 1604652006
Hersteller: BOSCH
Artikelnummer: EB-0601336047-1604652006
Netto: 3,94 € zzgl. MwSt.
zzgl. 6,90 € Versand (brutto)
einmalig pro Bestellung

Lieferzeit: 5 Werktage

Pos.
40
BOSCH Nadellager Ø14 MM | Ersatzteile für Winkelschleifer | 2600910001
Hersteller: BOSCH
Artikelnummer: EB-0601336047-2600910001
nur Informationsartikel
Nie mehr lieferbar
keine Alternativen
Pos.
41
BOSCH Verbindungsleitung L=260 MM | Ersatzteile für Winkelschleifer | 1604440008
Hersteller: BOSCH
Artikelnummer: EB-0601336047-1604440008
nur Informationsartikel
Nie mehr lieferbar
keine Alternativen
Pos.
43
BOSCH Dichtung | Ersatzteile für Winkelschleifer | 1600113013
Hersteller: BOSCH
Artikelnummer: EB-0601336047-1600113013
nur Informationsartikel
Nie mehr lieferbar
keine Alternativen
Pos.
45
BOSCH Rillenkugellager 15x32x9 | Ersatzteile für Winkelschleifer | 1600905004
Hersteller: BOSCH
Artikelnummer: EB-0601336047-1600905004
nur Informationsartikel
Nie mehr lieferbar
keine Alternativen
Pos.
46
BOSCH Kugellager 7x19x6 | Ersatzteile für Winkelschleifer | 2600905032
Hersteller: BOSCH
Artikelnummer: EB-0601336047-2600905032
Netto: 6,27 € zzgl. MwSt.
zzgl. 6,90 € Versand (brutto)
einmalig pro Bestellung

Lieferzeit: 5 Werktage

Pos.
47
BOSCH Rillenkugellager 12x32x10 | Ersatzteile für Winkelschleifer | 1600905006
Hersteller: BOSCH
Artikelnummer: EB-0601336047-1600905006
Netto: 10,62 € zzgl. MwSt.
zzgl. 6,90 € Versand (brutto)
einmalig pro Bestellung

Lieferzeit: 5 Werktage

Pos.
50
BOSCH Blechschraube DIN 7971-BZ2,9x13 | Ersatzteile für Winkelschleifer | 2910211006
Hersteller: BOSCH
Artikelnummer: EB-0601336047-2910211006
Netto: 3,60 € zzgl. MwSt.
zzgl. 6,90 € Versand (brutto)
einmalig pro Bestellung

Lieferzeit: 5 Werktage

Pos.
52
BOSCH Zylinderschraube DIN 84-AM4x12-8.8 | Ersatzteile für Winkelschleifer | 2910021122
Hersteller: BOSCH
Artikelnummer: EB-0601336047-2910021122
nur Informationsartikel
Nie mehr lieferbar
keine Alternativen
Pos.
53
BOSCH Zylinderschraube DIN 84-AM4x8-8.8 | Ersatzteile für Winkelschleifer | 2910021118
Hersteller: BOSCH
Artikelnummer: EB-0601336047-2910021118
nur Informationsartikel
Nie mehr lieferbar
keine Alternativen
Pos.
54
BOSCH Senkschraube M 4x16 DIN 963-5.8 | Ersatzteile für Winkelschleifer | 2910771126
Hersteller: BOSCH
Artikelnummer: EB-0601336047-2910771126
nur Informationsartikel
Nie mehr lieferbar
keine Alternativen
Pos.
55
BOSCH Blechschraube DIN 7971-BZ3,5x13 | Ersatzteile für Winkelschleifer | 2910211011
Hersteller: BOSCH
Artikelnummer: EB-0601336047-2910211011
Netto: 3,60 € zzgl. MwSt.
zzgl. 6,90 € Versand (brutto)
einmalig pro Bestellung

Lieferzeit: 5 Werktage

Pos.
56
BOSCH Blechschraube B4,8x65 MM | Ersatzteile für Winkelschleifer | 1603435005
Hersteller: BOSCH
Artikelnummer: EB-0601336047-1603435005
nur Informationsartikel
Nie mehr lieferbar
keine Alternativen
Pos.
57
BOSCH Blechschraube DIN 7971-ST4,8x38-F | Ersatzteile für Winkelschleifer | 2910211038
Hersteller: BOSCH
Artikelnummer: EB-0601336047-2910211038
Netto: 3,94 € zzgl. MwSt.
zzgl. 6,90 € Versand (brutto)
einmalig pro Bestellung

Lieferzeit: 5 Werktage

Pos.
58
BOSCH Schraube B 4,8x45 MM | Ersatzteile für Winkelschleifer | 3603415560
Hersteller: BOSCH
Artikelnummer: EB-0601336047-3603415560
Netto: 3,60 € zzgl. MwSt.
zzgl. 6,90 € Versand (brutto)
einmalig pro Bestellung

Lieferzeit: 5 Werktage

Pos.
59
BOSCH Sechskantmutter DIN 934 -M4-m-8 | Ersatzteile für Winkelschleifer | 2915011005
Hersteller: BOSCH
Artikelnummer: EB-0601336047-2915011005
Netto: 3,60 € zzgl. MwSt.
zzgl. 6,90 € Versand (brutto)
einmalig pro Bestellung

Lieferzeit: 5 Werktage

Pos.
60
BOSCH Unterlegscheibe DIN 433-3,2-ST 50 | Ersatzteile für Winkelschleifer | 2916011005
Hersteller: BOSCH
Artikelnummer: EB-0601336047-2916011005
Netto: 3,60 € zzgl. MwSt.
zzgl. 6,90 € Versand (brutto)
einmalig pro Bestellung

Lieferzeit: 5 Werktage

Pos.
62
BOSCH Sprengring | Ersatzteile für Winkelschleifer | 1600116006
Hersteller: BOSCH
Artikelnummer: EB-0601336047-1600116006
nur Informationsartikel
Nie mehr lieferbar
keine Alternativen
Pos.
652
BOSCH Schutzhaube Ø 150 MM | Ersatzteile für Winkelschleifer | 1605510105
Hersteller: BOSCH
Artikelnummer: EB-0601336047-1605510105
nur Informationsartikel
Nie mehr lieferbar
keine Alternativen
Pos.
800
BOSCH Kohlebürstensatz | Ersatzteile für Winkelschleifer | 1607014126
Hersteller: BOSCH
Artikelnummer: EB-0601336047-1607014126
Netto: 13,81 € zzgl. MwSt.
zzgl. 6,90 € Versand (brutto)
einmalig pro Bestellung

Lieferzeit: 5 Werktage

Pos.
801
BOSCH Teilesatz | Ersatzteile für Winkelschleifer | 1607000145
Hersteller: BOSCH
Artikelnummer: EB-0601336047-1607000145
nur Informationsartikel
Nie mehr lieferbar
keine Alternativen
Pos.
803
BOSCH Handgriff DUNKELBLAU | Ersatzteile für Winkelschleifer | 3605132048
Hersteller: BOSCH
Artikelnummer: EB-0601336047-3605132048
Netto: 55,88 € zzgl. MwSt.
zzgl. 6,90 € Versand (brutto)
einmalig pro Bestellung

Lieferzeit: 5 Werktage

Pos.
822
BOSCH Zwischenring | Ersatzteile für Winkelschleifer | 1600502011
Hersteller: BOSCH
Artikelnummer: EB-0601336047-1600502011
Netto: 4,56 € zzgl. MwSt.
zzgl. 6,90 € Versand (brutto)
einmalig pro Bestellung

Lieferzeit: 5 Werktage

Pos.
824
BOSCH Bürstenhalter | Ersatzteile für Winkelschleifer | 1604336017
Hersteller: BOSCH
Artikelnummer: EB-0601336047-1604336017
Netto: 7,66 € zzgl. MwSt.
zzgl. 6,90 € Versand (brutto)
einmalig pro Bestellung

Lieferzeit: 5 Werktage

Pos.
835
BOSCH Netzanschlussleitung EU 4,15m 2 x 1,5mm H07 RN-F | Ersatzteile für Winkelschleifer | 1607000228
Hersteller: BOSCH
Artikelnummer: EB-0601336047-1607000228
Netto: 20,80 € zzgl. MwSt.
zzgl. 6,90 € Versand (brutto)
einmalig pro Bestellung

Lieferzeit: 5 Werktage

Pos.
840
BOSCH Nadellager Ø 17 MM | Ersatzteile für Winkelschleifer | 1600910009
Hersteller: BOSCH
Artikelnummer: EB-0601336047-1600910009
nur Informationsartikel
Nie mehr lieferbar
keine Alternativen
Pos.
861
BOSCH Sprengring Ø18,4 MM | Ersatzteile für Winkelschleifer | 1604601022
Hersteller: BOSCH
Artikelnummer: EB-0601336047-1604601022
nur Informationsartikel
Nie mehr lieferbar
keine Alternativen
Pos.
888
BOSCH Typschild | Ersatzteile für Winkelschleifer | 160111A3H3
Hersteller: BOSCH
Artikelnummer: EB-0601336047-160111A3H3
Netto: 4,56 € zzgl. MwSt.
zzgl. 6,90 € Versand (brutto)
einmalig pro Bestellung

Lieferzeit: 5 Werktage

Angaben zur Produktsicherheit

Hersteller:
Robert Bosch Power Tools GmbH
Postfach 30 02 20
70442 Stuttgart

E-Mail:
kontakt@bosch.de