BOSCH Aufnahmeflansch Ø22,2x42 MM | Ersatzteile für Winkelschleifer | 1605703099

Artikelnummer: EB-0601385739-1605703099

Position: 750/50

Marke: BOSCH


Bitte Kompatibilität prüfen!

Bitte prüfen Sie unbedingt die 10-stellige Typennummer Ihrer Maschine / Ihres Gerätes. Das Ersatzteil ist nur kompatibel, wenn Sie die Typennummer Ihrer Maschine in der unten stehenden Produktbeschreibung finden.

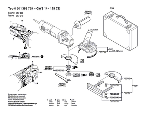
Bitte prüfen Sie ebenfalls detailliert die Explosionszeichnung mit Ihrem Artikelwunsch und der jeweiligen Pos-Nummer.

Alle Elemente, welche vom schwarzen Strich der Pos-Nummer ausgehend berührt / erfasst werden, gehören zu dieser Pos-Nummer und somit zu diesem Artikel. Jede Pos-Nummer ist ein eigenständiger Artikel, welchen Sie in der Auflistung finden.

Sie erhalten stets die aktuellste, neueste Produktversion zu der gewählten Pos-Nummer seitens des Herstellers. Es kann daher je nach Gerätealter vorkommen, dass Sie ggf. weitere, zugehörige Elemente, welche an diese Pos-Nummer grenzen, ebenfalls mittauschen müssen.

Nähere Informationen finden Sie unter dem Link
Hinweise zu Ihrer BOSCH Ersatzteilsuche

Preisübersicht

Einzelpreis: 13,26 €* (Brutto: 15,78 €)
Gesamtpreis: 13,26 €* 
Position:

Lieferzeit: 5 Werktage


Beschreibung

  • Aufnahmeflansch Ø22,2x42 MM
  • Original Bosch Zubehör / BOSCH Ersatzteil (1605703099)
  • im Gerät verbaut: 1
Dieses BOSCH Ersatzteil ist mit folgendem Gerät und Modell kompatibel:
  • BOSCH Gerätename: Winkelschleifer
  • BOSCH Explosionszeichnung: Position 750/50
  • BOSCH Typennummer: 0601385739
  • BOSCH Typennummer alternative Schreibweisen: 0 601 385 739, 0601 385 739, 0.601.385.739, 0-601-385-739
    Bitte prüfen Sie diese Typennummer auf Ihrem Gerät um die Kompatibilität des BOSCH Ersatzteils zu gewährleisten.
Weitere BOSCH Ersatzteile des Gerätes Winkelschleifer mit der Typennummer 0601385739 finden Sie in der nachfolgenden Darstellung und im Dropdown zu Ihrer Auswahl:

Pos.
1
BOSCH Motorgehäuse BLAU | Ersatzteile für Winkelschleifer | 1605108162
Hersteller: BOSCH
Artikelnummer: EB-0601385739-1605108162
nur Informationsartikel
Nie mehr lieferbar
keine Alternativen
Pos.
3/50
BOSCH Lüfter | Ersatzteile für Winkelschleifer | 1606610132
Hersteller: BOSCH
Artikelnummer: EB-0601385739-1606610132
nur Informationsartikel
Nie mehr lieferbar
keine Alternativen
Pos.
650/50/20
BOSCH O-Ring 20,35x1,78 MM | Ersatzteile für Winkelschleifer | 1600210039
Hersteller: BOSCH
Artikelnummer: EB-0601385739-1600210039
Netto: 4,36 € zzgl. MwSt.
zzgl. 6,90 € Versand (brutto)
einmalig pro Bestellung

Lieferzeit: 5 Werktage

Pos.
700/10
BOSCH Schutzhaube Ø 125MM | Ersatzteile für Winkelschleifer | 2605510101
Hersteller: BOSCH
Artikelnummer: EB-0601385739-2605510101
nur Informationsartikel
Nie mehr lieferbar
keine Alternativen
Pos.
700/20
BOSCH Führungsschlitten | Ersatzteile für Winkelschleifer | 1608135004
Hersteller: BOSCH
Artikelnummer: EB-0601385739-1608135004
nur Informationsartikel
Nie mehr lieferbar
keine Alternativen
Pos.
700/20/30
BOSCH Flachrundschraube DIN 603-M 5x16 | Ersatzteile für Winkelschleifer | 2910281158
Hersteller: BOSCH
Artikelnummer: EB-0601385739-2910281158
nur Informationsartikel
Nie mehr lieferbar
keine Alternativen
Pos.
700/20/40
BOSCH Flügelmutter M 5 DIN 315-G-5 | Ersatzteile für Winkelschleifer | 2915191105
Hersteller: BOSCH
Artikelnummer: EB-0601385739-2915191105
nur Informationsartikel
Nie mehr lieferbar
keine Alternativen
Pos.
700/20/50
BOSCH Druckfeder | Ersatzteile für Winkelschleifer | 1604643004
Hersteller: BOSCH
Artikelnummer: EB-0601385739-1604643004
nur Informationsartikel
Nie mehr lieferbar
keine Alternativen
Pos.
750/10
BOSCH Zusatzhandgriff | Ersatzteile für GWS 14-125 CE | 160202509T
Hersteller: BOSCH
Artikelnummer: EB-0601385739-160202509T
Netto: 5,17 € zzgl. MwSt.
zzgl. 6,90 € Versand (brutto)
einmalig pro Bestellung

Lieferzeit: 5 Werktage

Pos.
750/10
BOSCH Zusatzhandgriff M10, Ø32,5x105 MM | Ersatzteile für Winkelschleifer | 2602025067
Hersteller: BOSCH
Artikelnummer: EB-0601385739-2602025067
nur Informationsartikel
Nie mehr lieferbar
keine Alternativen
Pos.
750/20
BOSCH Spannmutter M14 | Ersatzteile für Winkelschleifer | 1603340040
Hersteller: BOSCH
Artikelnummer: EB-0601385739-1603340040
Netto: 13,26 € zzgl. MwSt.
zzgl. 6,90 € Versand (brutto)
einmalig pro Bestellung

Lieferzeit: 5 Werktage

Pos.
750/30
BOSCH Zweilochmutterndreher | Ersatzteile für Winkelschleifer | 1607950043
Hersteller: BOSCH
Artikelnummer: EB-0601385739-1607950043
Netto: 7,74 € zzgl. MwSt.
zzgl. 6,90 € Versand (brutto)
einmalig pro Bestellung

Lieferzeit: 5 Werktage

Pos.
750/50
BOSCH Aufnahmeflansch Ø22,2x42 MM | Ersatzteile für Winkelschleifer | 1605703099
Hersteller: BOSCH
Artikelnummer: EB-0601385739-1605703099
Netto: 13,26 € zzgl. MwSt.
zzgl. 6,90 € Versand (brutto)
einmalig pro Bestellung

Lieferzeit: 5 Werktage

Pos.
767/703
BOSCH Bürste | Ersatzteile für Winkelschleifer | 2605730036
Hersteller: BOSCH
Artikelnummer: EB-0601385739-2605730036
Netto: 29,45 € zzgl. MwSt.
zzgl. 6,90 € Versand (brutto)
einmalig pro Bestellung

Lieferzeit: 5 Werktage

Pos.
821/010
BOSCH Druckknopf SCHWARZ | Ersatzteile für Winkelschleifer | 1607000253
Hersteller: BOSCH
Artikelnummer: EB-0601385739-1607000253
Netto: 4,36 € zzgl. MwSt.
zzgl. 6,90 € Versand (brutto)
einmalig pro Bestellung

Lieferzeit: 5 Werktage

Pos.
2
BOSCH Polschuh 100-120V | Ersatzteile für Winkelschleifer | 1604220316
Hersteller: BOSCH
Artikelnummer: EB-0601385739-1604220316
Netto: 26,95 € zzgl. MwSt.
zzgl. 6,90 € Versand (brutto)
einmalig pro Bestellung

Lieferzeit: 5 Werktage

Pos.
4
BOSCH Schalter | Ersatzteile für Winkelschleifer | 1607200115
Hersteller: BOSCH
Artikelnummer: EB-0601385739-1607200115
nur Informationsartikel
Nie mehr lieferbar
keine Alternativen
Pos.
5
BOSCH Netzanschlussleitung USA/CDN 2,15m 2 x 2,08mm SJ 14/2 | Ersatzteile für Winkelschleifer | 1604460133
Hersteller: BOSCH
Artikelnummer: EB-0601385739-1604460133
Netto: 13,81 € zzgl. MwSt.
zzgl. 6,90 € Versand (brutto)
einmalig pro Bestellung

Lieferzeit: 5 Werktage

Pos.
6
BOSCH Tülle Ø6,4-Ø7,2x67 MM | Ersatzteile für Winkelschleifer | 1600703030
Hersteller: BOSCH
Artikelnummer: EB-0601385739-1600703030
Netto: 4,56 € zzgl. MwSt.
zzgl. 6,90 € Versand (brutto)
einmalig pro Bestellung

Lieferzeit: 5 Werktage

Pos.
6
BOSCH Tülle Ø7,3-Ø8,6x67 MM | Ersatzteile für Winkelschleifer | 1600703031
Hersteller: BOSCH
Artikelnummer: EB-0601385739-1600703031
Netto: 4,80 € zzgl. MwSt.
zzgl. 6,90 € Versand (brutto)
einmalig pro Bestellung

Lieferzeit: 5 Werktage

Pos.
6
BOSCH Tülle Ø8,7-Ø9,5x67 MM | Ersatzteile für Winkelschleifer | 1600703032
Hersteller: BOSCH
Artikelnummer: EB-0601385739-1600703032
Netto: 4,56 € zzgl. MwSt.
zzgl. 6,90 € Versand (brutto)
einmalig pro Bestellung

Lieferzeit: 5 Werktage

Pos.
7
BOSCH Befestigungsschelle | Ersatzteile für Winkelschleifer | 1601302017
Hersteller: BOSCH
Artikelnummer: EB-0601385739-1601302017
Netto: 3,60 € zzgl. MwSt.
zzgl. 6,90 € Versand (brutto)
einmalig pro Bestellung

Lieferzeit: 5 Werktage

Pos.
9
BOSCH Firmenschild | Ersatzteile für Winkelschleifer | 1601118172
Hersteller: BOSCH
Artikelnummer: EB-0601385739-1601118172
nur Informationsartikel
Nie mehr lieferbar
keine Alternativen
Pos.
13
BOSCH Kugellager 7x19x6 | Ersatzteile für Winkelschleifer | 2600905032
Hersteller: BOSCH
Artikelnummer: EB-0601385739-2600905032
Netto: 6,27 € zzgl. MwSt.
zzgl. 6,90 € Versand (brutto)
einmalig pro Bestellung

Lieferzeit: 5 Werktage

Pos.
14
BOSCH Rillenkugellager 8x22x7 | Ersatzteile für Winkelschleifer | 1600905011
Hersteller: BOSCH
Artikelnummer: EB-0601385739-1600905011
Netto: 6,75 € zzgl. MwSt.
zzgl. 6,90 € Versand (brutto)
einmalig pro Bestellung

Lieferzeit: 5 Werktage

Pos.
16
BOSCH Bürstenhalter | Ersatzteile für Winkelschleifer | 1604336031
Hersteller: BOSCH
Artikelnummer: EB-0601385739-1604336031
nur Informationsartikel
Nie mehr lieferbar
keine Alternativen
Pos.
17
BOSCH Spiralfeder | Ersatzteile für Winkelschleifer | 1604652013
Hersteller: BOSCH
Artikelnummer: EB-0601385739-1604652013
Netto: 3,94 € zzgl. MwSt.
zzgl. 6,90 € Versand (brutto)
einmalig pro Bestellung

Lieferzeit: 5 Werktage

Pos.
18
BOSCH Schaltklinke SCHWARZ | Ersatzteile für Winkelschleifer | 1602319013
Hersteller: BOSCH
Artikelnummer: EB-0601385739-1602319013
nur Informationsartikel
Nie mehr lieferbar
keine Alternativen
Pos.
19
BOSCH Druckfeder | Ersatzteile für Winkelschleifer | 1604611024
Hersteller: BOSCH
Artikelnummer: EB-0601385739-1604611024
Netto: 3,94 € zzgl. MwSt.
zzgl. 6,90 € Versand (brutto)
einmalig pro Bestellung

Lieferzeit: 5 Werktage

Pos.
20
BOSCH Schalthebelknopf SCHWARZ | Ersatzteile für Winkelschleifer | 1602319007
Hersteller: BOSCH
Artikelnummer: EB-0601385739-1602319007
Netto: 3,60 € zzgl. MwSt.
zzgl. 6,90 € Versand (brutto)
einmalig pro Bestellung

Lieferzeit: 5 Werktage

Pos.
25
BOSCH Gehäusedeckel BLAU | Ersatzteile für Winkelschleifer | 1605500174
Hersteller: BOSCH
Artikelnummer: EB-0601385739-1605500174
nur Informationsartikel
Nie mehr lieferbar
keine Alternativen
Pos.
26
BOSCH Gummiring | Ersatzteile für Winkelschleifer | 1600206036
Hersteller: BOSCH
Artikelnummer: EB-0601385739-1600206036
Netto: 3,94 € zzgl. MwSt.
zzgl. 6,90 € Versand (brutto)
einmalig pro Bestellung

Lieferzeit: 5 Werktage

Pos.
27
BOSCH Gummiring | Ersatzteile für Winkelschleifer | 1600206025
Hersteller: BOSCH
Artikelnummer: EB-0601385739-1600206025
Netto: 4,36 € zzgl. MwSt.
zzgl. 6,90 € Versand (brutto)
einmalig pro Bestellung

Lieferzeit: 11 Werktage

Pos.
29
BOSCH Luftleitring | Ersatzteile für Winkelschleifer | 1600591013
Hersteller: BOSCH
Artikelnummer: EB-0601385739-1600591013
nur Informationsartikel
Nie mehr lieferbar
keine Alternativen
Pos.
30
BOSCH Luftleitring | Ersatzteile für Winkelschleifer | 1600591014
Hersteller: BOSCH
Artikelnummer: EB-0601385739-1600591014
Netto: 4,56 € zzgl. MwSt.
zzgl. 6,90 € Versand (brutto)
einmalig pro Bestellung

Lieferzeit: 5 Werktage

Pos.
31
BOSCH Spannfeder | Ersatzteile für Winkelschleifer | 1601290007
Hersteller: BOSCH
Artikelnummer: EB-0601385739-1601290007
nur Informationsartikel
Nie mehr lieferbar
keine Alternativen
Pos.
32
BOSCH Schleifspindel | Ersatzteile für Winkelschleifer | 1607000D6A
Hersteller: BOSCH
Artikelnummer: EB-0601385739-1607000D6A
Netto: 7,66 € zzgl. MwSt.
zzgl. 6,90 € Versand (brutto)
einmalig pro Bestellung

Lieferzeit: 5 Werktage

Pos.
33
BOSCH O-Ring 46,0x1,1 MM ROT | Ersatzteile für Winkelschleifer | 3600210124
Hersteller: BOSCH
Artikelnummer: EB-0601385739-3600210124
Netto: 4,80 € zzgl. MwSt.
zzgl. 6,90 € Versand (brutto)
einmalig pro Bestellung

Lieferzeit: 5 Werktage

Pos.
35
BOSCH Ausgleichscheibe 0,1 MM DICK | Ersatzteile für Winkelschleifer | 1600136013
Hersteller: BOSCH
Artikelnummer: EB-0601385739-1600136013
nur Informationsartikel
Nie mehr lieferbar
keine Alternativen
Pos.
35
BOSCH Ausgleichscheibe 0,2 MM DICK | Ersatzteile für Winkelschleifer | 1600136014
Hersteller: BOSCH
Artikelnummer: EB-0601385739-1600136014
nur Informationsartikel
Nie mehr lieferbar
keine Alternativen
Pos.
35
BOSCH Ausgleichscheibe 0,3 MM DICK | Ersatzteile für Winkelschleifer | 1600136015
Hersteller: BOSCH
Artikelnummer: EB-0601385739-1600136015
nur Informationsartikel
Nie mehr lieferbar
keine Alternativen
Pos.
37
BOSCH Radial-Wellendichtring | Ersatzteile für Winkelschleifer | 1600290016
Hersteller: BOSCH
Artikelnummer: EB-0601385739-1600290016
Netto: 4,56 € zzgl. MwSt.
zzgl. 6,90 € Versand (brutto)
einmalig pro Bestellung

Lieferzeit: 5 Werktage

Pos.
40
BOSCH Sicherungsbügel | Ersatzteile für Winkelschleifer | 1600119011
Hersteller: BOSCH
Artikelnummer: EB-0601385739-1600119011
Netto: 4,36 € zzgl. MwSt.
zzgl. 6,90 € Versand (brutto)
einmalig pro Bestellung

Lieferzeit: 5 Werktage

Pos.
41
BOSCH Nadelhülse Ø8xØ12x8 MM | Ersatzteile für Winkelschleifer | 1600910018
Hersteller: BOSCH
Artikelnummer: EB-0601385739-1600910018
Netto: 6,27 € zzgl. MwSt.
zzgl. 6,90 € Versand (brutto)
einmalig pro Bestellung

Lieferzeit: 5 Werktage

Pos.
45
BOSCH Sechskantmutter M7, SW10 | Ersatzteile für Winkelschleifer | 1603300016
Hersteller: BOSCH
Artikelnummer: EB-0601385739-1603300016
Netto: 3,94 € zzgl. MwSt.
zzgl. 6,90 € Versand (brutto)
einmalig pro Bestellung

Lieferzeit: 5 Werktage

Pos.
47
BOSCH Kunststoffschneidschraube St3,9x12 | Ersatzteile für Winkelschleifer | 1603435042
Hersteller: BOSCH
Artikelnummer: EB-0601385739-1603435042
Netto: 3,94 € zzgl. MwSt.
zzgl. 6,90 € Versand (brutto)
einmalig pro Bestellung

Lieferzeit: 5 Werktage

Pos.
49
BOSCH Gewindefurchschraube | Ersatzteile für Winkelschleifer | 1603435026
Hersteller: BOSCH
Artikelnummer: EB-0601385739-1603435026
Netto: 4,36 € zzgl. MwSt.
zzgl. 6,90 € Versand (brutto)
einmalig pro Bestellung

Lieferzeit: 5 Werktage

Pos.
50
BOSCH Kunststoffschneidschraube | Ersatzteile für Winkelschleifer | 1603435037
Hersteller: BOSCH
Artikelnummer: EB-0601385739-1603435037
Netto: 3,60 € zzgl. MwSt.
zzgl. 6,90 € Versand (brutto)
einmalig pro Bestellung

Lieferzeit: 5 Werktage

Pos.
55
BOSCH Linsenschraube | Ersatzteile für Winkelschleifer | 1603415005
Hersteller: BOSCH
Artikelnummer: EB-0601385739-1603415005
Netto: 3,59 € zzgl. MwSt.
zzgl. 6,90 € Versand (brutto)
einmalig pro Bestellung

Lieferzeit: 5 Werktage

Pos.
56
BOSCH Kunststoffschneidschraube | Ersatzteile für Winkelschleifer | 1603435044
Hersteller: BOSCH
Artikelnummer: EB-0601385739-1603435044
nur Informationsartikel
Nie mehr lieferbar
keine Alternativen
Pos.
57
BOSCH Zylinderschraube M3,5x7 MM | Ersatzteile für Winkelschleifer | 1603429002
Hersteller: BOSCH
Artikelnummer: EB-0601385739-1603429002
Netto: 3,60 € zzgl. MwSt.
zzgl. 6,90 € Versand (brutto)
einmalig pro Bestellung

Lieferzeit: 5 Werktage

Pos.
67
BOSCH Hinweisschild ACHTUNG | Ersatzteile für Winkelschleifer | 1601110358
Hersteller: BOSCH
Artikelnummer: EB-0601385739-1601110358
nur Informationsartikel
Nie mehr lieferbar
keine Alternativen
Pos.
80
BOSCH Abdeckscheibe | Ersatzteile für GWS 14-125 CE | 1619P09390
Hersteller: BOSCH
Artikelnummer: EB-0601385739-1619P09390
Netto: 4,36 € zzgl. MwSt.
zzgl. 6,90 € Versand (brutto)
einmalig pro Bestellung

Lieferzeit: 5 Werktage

Pos.
80
BOSCH Dichtscheibe | Ersatzteile für Winkelschleifer | 3600150021
Hersteller: BOSCH
Artikelnummer: EB-0601385739-3600150021
Netto: 4,15 € zzgl. MwSt.
zzgl. 6,90 € Versand (brutto)
einmalig pro Bestellung

Lieferzeit: 5 Werktage

Pos.
104
BOSCH O-Ring 4,5x1,0 MM BLAU | Ersatzteile für Winkelschleifer | 1600210044
Hersteller: BOSCH
Artikelnummer: EB-0601385739-1600210044
Netto: 3,60 € zzgl. MwSt.
zzgl. 6,90 € Versand (brutto)
einmalig pro Bestellung

Lieferzeit: 5 Werktage

Pos.
700
BOSCH Teilesatz Ø 125 MM | Ersatzteile für Winkelschleifer | 2607001188
Hersteller: BOSCH
Artikelnummer: EB-0601385739-2607001188
nur Informationsartikel
Nie mehr lieferbar
keine Alternativen
Pos.
751
BOSCH Schutzhaube Ø 125MM SILBER | Ersatzteile für Winkelschleifer | 2605510104
Hersteller: BOSCH
Artikelnummer: EB-0601385739-2605510104
nur Informationsartikel
Nie mehr lieferbar
keine Alternativen
Pos.
752
BOSCH Schnellspannmutter M14, SDS-CLIC | Ersatzteile für Winkelschleifer | 1600A016PP
Hersteller: BOSCH
Artikelnummer: EB-0601385739-1600A016PP
Netto: 35,13 € zzgl. MwSt.
zzgl. 6,90 € Versand (brutto)
einmalig pro Bestellung

Lieferzeit: 5 Werktage

Pos.
753
BOSCH Tragkasten | Ersatzteile für Winkelschleifer | 1605438089
Hersteller: BOSCH
Artikelnummer: EB-0601385739-1605438089
Netto: 71,56 € zzgl. MwSt.
zzgl. 6,90 € Versand (brutto)
einmalig pro Bestellung

Lieferzeit: 5 Werktage

Pos.
767
BOSCH Absaughaube Ø115-125MM | Ersatzteile für Winkelschleifer | 2605510107
Hersteller: BOSCH
Artikelnummer: EB-0601385739-2605510107
nur Informationsartikel
Nie mehr lieferbar
keine Alternativen
Pos.
803
BOSCH Anker 100-120V | Ersatzteile für Winkelschleifer | 1604010606
Hersteller: BOSCH
Artikelnummer: EB-0601385739-1604010606
nur Informationsartikel
Nie mehr lieferbar
keine Alternativen
Pos.
808
BOSCH Typschild | Ersatzteile für Winkelschleifer | 160111A3H3
Hersteller: BOSCH
Artikelnummer: EB-0601385739-160111A3H3
Netto: 4,56 € zzgl. MwSt.
zzgl. 6,90 € Versand (brutto)
einmalig pro Bestellung

Lieferzeit: 5 Werktage

Pos.
810
BOSCH Kohlebürste | Ersatzteile für Winkelschleifer | 1607014139
Hersteller: BOSCH
Artikelnummer: EB-0601385739-1607014139
Netto: 13,81 € zzgl. MwSt.
zzgl. 6,90 € Versand (brutto)
einmalig pro Bestellung

Lieferzeit: 5 Werktage

Pos.
821
BOSCH Getriebegehäuse | Ersatzteile für Winkelschleifer | 1605806451
Hersteller: BOSCH
Artikelnummer: EB-0601385739-1605806451
Netto: 32,16 € zzgl. MwSt.
zzgl. 6,90 € Versand (brutto)
einmalig pro Bestellung

Lieferzeit: 5 Werktage

Pos.
828
BOSCH Lagerflansch SCHWARZ | Ersatzteile für Winkelschleifer | 1605805079
Hersteller: BOSCH
Artikelnummer: EB-0601385739-1605805079
Netto: 15,15 € zzgl. MwSt.
zzgl. 6,90 € Versand (brutto)
einmalig pro Bestellung

Lieferzeit: 5 Werktage

Pos.
838
BOSCH Getriebeeinheit | Ersatzteile für Winkelschleifer | 1607000D4Y
Hersteller: BOSCH
Artikelnummer: EB-0601385739-1607000D4Y
Netto: 13,81 € zzgl. MwSt.
zzgl. 6,90 € Versand (brutto)
einmalig pro Bestellung

Lieferzeit: 5 Werktage

Pos.
851
BOSCH Drehzahlregler 100-120V | Ersatzteile für Winkelschleifer | 1607000288
Hersteller: BOSCH
Artikelnummer: EB-0601385739-1607000288
nur Informationsartikel
Nie mehr lieferbar
keine Alternativen
Pos.
852
BOSCH Lichtleiter | Ersatzteile für Winkelschleifer | 1607000278
Hersteller: BOSCH
Artikelnummer: EB-0601385739-1607000278
nur Informationsartikel
Nie mehr lieferbar
keine Alternativen

Angaben zur Produktsicherheit

Hersteller:
Robert Bosch Power Tools GmbH
Postfach 30 02 20
70442 Stuttgart

E-Mail:
kontakt@bosch.de