BOSCH Schutzhaube Ø 125 MM | Ersatzteile für Winkelschleifer | 1605510155

Artikelnummer: EB-0602324364-1605510155

Position: 652

Marke: BOSCH


Bitte Kompatibilität prüfen!

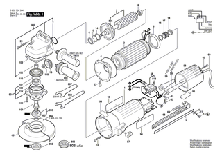
Bitte prüfen Sie unbedingt die 10-stellige Typennummer Ihrer Maschine / Ihres Gerätes. Das Ersatzteil ist nur kompatibel, wenn Sie die Typennummer Ihrer Maschine in der unten stehenden Produktbeschreibung finden.

Bitte prüfen Sie ebenfalls detailliert die Explosionszeichnung mit Ihrem Artikelwunsch und der jeweiligen Pos-Nummer.

Alle Elemente, welche vom schwarzen Strich der Pos-Nummer ausgehend berührt / erfasst werden, gehören zu dieser Pos-Nummer und somit zu diesem Artikel. Jede Pos-Nummer ist ein eigenständiger Artikel, welchen Sie in der Auflistung finden.

Sie erhalten stets die aktuellste, neueste Produktversion zu der gewählten Pos-Nummer seitens des Herstellers. Es kann daher je nach Gerätealter vorkommen, dass Sie ggf. weitere, zugehörige Elemente, welche an diese Pos-Nummer grenzen, ebenfalls mittauschen müssen.

Nähere Informationen finden Sie unter dem Link
Hinweise zu Ihrer BOSCH Ersatzteilsuche

Preisübersicht

Einzelpreis: 42,86 €* (Brutto: 51,00 €)
Gesamtpreis: 42,86 €* 
Position:

Lieferzeit: 5 Werktage


Beschreibung

  • Schutzhaube Ø 125 MM
  • Original Bosch Zubehör / BOSCH Ersatzteil (1605510155)
  • im Gerät verbaut: 1
Dieses BOSCH Ersatzteil ist mit folgendem Gerät und Modell kompatibel:
  • BOSCH Gerätename: Winkelschleifer
  • BOSCH Explosionszeichnung: Position 652
  • BOSCH Typennummer: 0602324364
  • BOSCH Typennummer alternative Schreibweisen: 0 602 324 364, 0602 324 364, 0.602.324.364, 0-602-324-364
    Bitte prüfen Sie diese Typennummer auf Ihrem Gerät um die Kompatibilität des BOSCH Ersatzteils zu gewährleisten.
Weitere BOSCH Ersatzteile des Gerätes Winkelschleifer mit der Typennummer 0602324364 finden Sie in der nachfolgenden Darstellung und im Dropdown zu Ihrer Auswahl:

Pos.
1
BOSCH Motorgehäuse | Ersatzteile für Winkelschleifer | 3605102076
Hersteller: BOSCH
Artikelnummer: EB-0602324364-3605102076
Netto: 42,86 € zzgl. MwSt.
zzgl. 6,90 € Versand (brutto)
einmalig pro Bestellung

Lieferzeit: 5 Werktage

Pos.
650/10
BOSCH Zusatzhandgriff | Ersatzteile für HWS 5265/125 | 16020250A0
Hersteller: BOSCH
Artikelnummer: EB-0602324364-16020250A0
Netto: 9,95 € zzgl. MwSt.
zzgl. 6,90 € Versand (brutto)
einmalig pro Bestellung

Lieferzeit: 5 Werktage

Pos.
2
BOSCH Ständer 135V/200HZ-200V/300HZ | Ersatzteile für Winkelschleifer | 3604229114
Hersteller: BOSCH
Artikelnummer: EB-0602324364-3604229114
Netto: 342,53 € zzgl. MwSt.
zzgl. 6,90 € Versand (brutto)
einmalig pro Bestellung

Lieferzeit: 5 Werktage

Pos.
3
BOSCH Läufer Ohne Wicklung | Ersatzteile für Winkelschleifer | 3604080053
Hersteller: BOSCH
Artikelnummer: EB-0602324364-3604080053
Netto: 153,18 € zzgl. MwSt.
zzgl. 6,90 € Versand (brutto)
einmalig pro Bestellung

Lieferzeit: 5 Werktage

Pos.
3/30
BOSCH Lüfter | Ersatzteile für Winkelschleifer | 3606610010
Hersteller: BOSCH
Artikelnummer: EB-0602324364-3606610010
Netto: 5,67 € zzgl. MwSt.
zzgl. 6,90 € Versand (brutto)
einmalig pro Bestellung

Lieferzeit: 5 Werktage

Pos.
4
BOSCH Luftleitring | Ersatzteile für Winkelschleifer | 3600209010
Hersteller: BOSCH
Artikelnummer: EB-0602324364-3600209010
Netto: 14,36 € zzgl. MwSt.
zzgl. 6,90 € Versand (brutto)
einmalig pro Bestellung

Lieferzeit: 5 Werktage

Pos.
5
BOSCH Dichtring | Ersatzteile für Winkelschleifer | 1600209006
Hersteller: BOSCH
Artikelnummer: EB-0602324364-1600209006
Netto: 4,82 € zzgl. MwSt.
zzgl. 6,90 € Versand (brutto)
einmalig pro Bestellung

Lieferzeit: 5 Werktage

Pos.
6
BOSCH Rillenkugellager | Ersatzteile für Winkelschleifer | 3600905090
Hersteller: BOSCH
Artikelnummer: EB-0602324364-3600905090
Netto: 19,18 € zzgl. MwSt.
zzgl. 6,90 € Versand (brutto)
einmalig pro Bestellung

Lieferzeit: 5 Werktage

Pos.
7
BOSCH O-Ring 26,0x1,5 MM | Ersatzteile für Winkelschleifer | 2600210018
Hersteller: BOSCH
Artikelnummer: EB-0602324364-2600210018
Netto: 5,19 € zzgl. MwSt.
zzgl. 6,90 € Versand (brutto)
einmalig pro Bestellung

Lieferzeit: 5 Werktage

Pos.
8
BOSCH Rillenkugellager | Ersatzteile für Winkelschleifer | 3608870327
Hersteller: BOSCH
Artikelnummer: EB-0602324364-3608870327
Netto: 11,92 € zzgl. MwSt.
zzgl. 6,90 € Versand (brutto)
einmalig pro Bestellung

Lieferzeit: 5 Werktage

Pos.
10
BOSCH Klemmbügel | Ersatzteile für Winkelschleifer | 3601321004
Hersteller: BOSCH
Artikelnummer: EB-0602324364-3601321004
Netto: 4,32 € zzgl. MwSt.
zzgl. 6,90 € Versand (brutto)
einmalig pro Bestellung

Lieferzeit: 5 Werktage

Pos.
11
BOSCH Federscheibe | Ersatzteile für Winkelschleifer | 3600150009
Hersteller: BOSCH
Artikelnummer: EB-0602324364-3600150009
Netto: 4,82 € zzgl. MwSt.
zzgl. 6,90 € Versand (brutto)
einmalig pro Bestellung

Lieferzeit: 5 Werktage

Pos.
12
BOSCH Verbindungsstange | Ersatzteile für Winkelschleifer | 3602300011
Hersteller: BOSCH
Artikelnummer: EB-0602324364-3602300011
Netto: 14,36 € zzgl. MwSt.
zzgl. 6,90 € Versand (brutto)
einmalig pro Bestellung

Lieferzeit: 5 Werktage

Pos.
14
BOSCH Sicherungsring DIN 472-26x1,2 MM | Ersatzteile für Winkelschleifer | 2916660010
Hersteller: BOSCH
Artikelnummer: EB-0602324364-2916660010
Netto: 3,63 € zzgl. MwSt.
zzgl. 6,90 € Versand (brutto)
einmalig pro Bestellung

Lieferzeit: 5 Werktage

Pos.
15
BOSCH Ausgleichscheibe 19,3 X 25,8 X 0,35 | Ersatzteile für Winkelschleifer | 3600119016
Hersteller: BOSCH
Artikelnummer: EB-0602324364-3600119016
Netto: 5,19 € zzgl. MwSt.
zzgl. 6,90 € Versand (brutto)
einmalig pro Bestellung

Lieferzeit: 5 Werktage

Pos.
16
BOSCH O-Ring 18,77x1,78 MM | Ersatzteile für Winkelschleifer | 3600210082
Hersteller: BOSCH
Artikelnummer: EB-0602324364-3600210082
Netto: 4,32 € zzgl. MwSt.
zzgl. 6,90 € Versand (brutto)
einmalig pro Bestellung

Lieferzeit: 5 Werktage

Pos.
17
BOSCH Druckfeder | Ersatzteile für Winkelschleifer | 3604610038
Hersteller: BOSCH
Artikelnummer: EB-0602324364-3604610038
Netto: 5,19 € zzgl. MwSt.
zzgl. 6,90 € Versand (brutto)
einmalig pro Bestellung

Lieferzeit: 5 Werktage

Pos.
18
BOSCH Zentrierring | Ersatzteile für Winkelschleifer | 3600203004
Hersteller: BOSCH
Artikelnummer: EB-0602324364-3600203005
nur Informationsartikel
Nie mehr lieferbar
keine Alternativen
Pos.
19
BOSCH Blechschraube | Ersatzteile für Winkelschleifer | 3603435002
Hersteller: BOSCH
Artikelnummer: EB-0602324364-3603435002
Netto: 3,94 € zzgl. MwSt.
zzgl. 6,90 € Versand (brutto)
einmalig pro Bestellung

Lieferzeit: 5 Werktage

Pos.
20
BOSCH Linsenkopfschraube 4x32 | Ersatzteile für Winkelschleifer | 2603490026
Hersteller: BOSCH
Artikelnummer: EB-0602324364-2603490026
Netto: 3,63 € zzgl. MwSt.
zzgl. 6,90 € Versand (brutto)
einmalig pro Bestellung

Lieferzeit: 5 Werktage

Pos.
23
BOSCH Gewindefurchschraube | Ersatzteile für Winkelschleifer | 2603435042
Hersteller: BOSCH
Artikelnummer: EB-0602324364-2603435042
Netto: 3,94 € zzgl. MwSt.
zzgl. 6,90 € Versand (brutto)
einmalig pro Bestellung

Lieferzeit: 5 Werktage

Pos.
57
BOSCH Schaltergriff SCHWARZ | Ersatzteile für Winkelschleifer | 1602026057
Hersteller: BOSCH
Artikelnummer: EB-0602324364-1602026057
Netto: 3,94 € zzgl. MwSt.
zzgl. 6,90 € Versand (brutto)
einmalig pro Bestellung

Lieferzeit: 5 Werktage

Pos.
59
BOSCH Tülle Ø6,4-Ø7,2x67 MM | Ersatzteile für Winkelschleifer | 1600703030
Hersteller: BOSCH
Artikelnummer: EB-0602324364-1600703030
Netto: 4,53 € zzgl. MwSt.
zzgl. 6,90 € Versand (brutto)
einmalig pro Bestellung

Lieferzeit: 5 Werktage

Pos.
59
BOSCH Tülle Ø7,6-Ø8,2x95 MM | Ersatzteile für Winkelschleifer | 2600703013
Hersteller: BOSCH
Artikelnummer: EB-0602324364-2600703013
Netto: 4,53 € zzgl. MwSt.
zzgl. 6,90 € Versand (brutto)
einmalig pro Bestellung

Lieferzeit: 5 Werktage

Pos.
62
BOSCH Torx-Linsenschraube 4x12 | Ersatzteile für Winkelschleifer | 2603490021
Hersteller: BOSCH
Artikelnummer: EB-0602324364-2603490021
Netto: 3,63 € zzgl. MwSt.
zzgl. 6,90 € Versand (brutto)
einmalig pro Bestellung

Lieferzeit: 5 Werktage

Pos.
63
BOSCH Befestigungsschelle | Ersatzteile für Winkelschleifer | 1601302017
Hersteller: BOSCH
Artikelnummer: EB-0602324364-1601302017
Netto: 3,63 € zzgl. MwSt.
zzgl. 6,90 € Versand (brutto)
einmalig pro Bestellung

Lieferzeit: 5 Werktage

Pos.
65
BOSCH Torx-Linsenschraube 4x20 | Ersatzteile für Winkelschleifer | 2603490023
Hersteller: BOSCH
Artikelnummer: EB-0602324364-2603490023
Netto: 3,63 € zzgl. MwSt.
zzgl. 6,90 € Versand (brutto)
einmalig pro Bestellung

Lieferzeit: 5 Werktage

Pos.
69
BOSCH Druckfeder | Ersatzteile für Winkelschleifer | 1604611026
Hersteller: BOSCH
Artikelnummer: EB-0602324364-1604611026
Netto: 3,63 € zzgl. MwSt.
zzgl. 6,90 € Versand (brutto)
einmalig pro Bestellung

Lieferzeit: 7 Werktage

Pos.
95
BOSCH Typschild | Ersatzteile für Winkelschleifer | 3601106054
Hersteller: BOSCH
Artikelnummer: EB-0602324364-3601106054
Netto: 6,15 € zzgl. MwSt.
zzgl. 6,90 € Versand (brutto)
einmalig pro Bestellung

Lieferzeit: 5 Werktage

Pos.
99
BOSCH Hinweisschild | Ersatzteile für Winkelschleifer | 3601119236
Hersteller: BOSCH
Artikelnummer: EB-0602324364-3601119236
Netto: 5,19 € zzgl. MwSt.
zzgl. 6,90 € Versand (brutto)
einmalig pro Bestellung

Lieferzeit: 5 Werktage

Pos.
102
BOSCH Nadelhülse Ø8xØ12x8 MM | Ersatzteile für Winkelschleifer | 1600910018
Hersteller: BOSCH
Artikelnummer: EB-0602324364-1600910018
Netto: 6,15 € zzgl. MwSt.
zzgl. 6,90 € Versand (brutto)
einmalig pro Bestellung

Lieferzeit: 5 Werktage

Pos.
103
BOSCH Rillenkugellager | Ersatzteile für Winkelschleifer | 3600905069
Hersteller: BOSCH
Artikelnummer: EB-0602324364-3600905069
Netto: 14,36 € zzgl. MwSt.
zzgl. 6,90 € Versand (brutto)
einmalig pro Bestellung

Lieferzeit: 5 Werktage

Pos.
104
BOSCH Schleifspindel | Ersatzteile für Winkelschleifer | 1607000D6A
Hersteller: BOSCH
Artikelnummer: EB-0602324364-1607000D6A
Netto: 7,76 € zzgl. MwSt.
zzgl. 6,90 € Versand (brutto)
einmalig pro Bestellung

Lieferzeit: 5 Werktage

Pos.
104
BOSCH Schleifspindel M14, SW17 | Ersatzteile für Winkelschleifer | 1603523110
Hersteller: BOSCH
Artikelnummer: EB-0602324364-1603523110
Netto: 6,95 € zzgl. MwSt.
zzgl. 6,90 € Versand (brutto)
einmalig pro Bestellung

Lieferzeit: 5 Werktage

Pos.
107
BOSCH Sicherungsbügel DIN 472-32x1,2 MM | Ersatzteile für Winkelschleifer | 2916660013
Hersteller: BOSCH
Artikelnummer: EB-0602324364-2916660013
Netto: 4,32 € zzgl. MwSt.
zzgl. 6,90 € Versand (brutto)
einmalig pro Bestellung

Lieferzeit: 5 Werktage

Pos.
108
BOSCH Ausgleichscheibe 0,1 MM DICK | Ersatzteile für Winkelschleifer | 1600136012
Hersteller: BOSCH
Artikelnummer: EB-0602324364-1600136012
Netto: 3,63 € zzgl. MwSt.
zzgl. 6,90 € Versand (brutto)
einmalig pro Bestellung

Lieferzeit: 5 Werktage

Pos.
108
BOSCH Ausgleichscheibe 0,2 MM DICK | Ersatzteile für Winkelschleifer | 1600136010
Hersteller: BOSCH
Artikelnummer: EB-0602324364-1600136010
Netto: 4,53 € zzgl. MwSt.
zzgl. 6,90 € Versand (brutto)
einmalig pro Bestellung

Lieferzeit: 5 Werktage

Pos.
108
BOSCH Ausgleichscheibe 0,3 MM DICK | Ersatzteile für Winkelschleifer | 1600136011
Hersteller: BOSCH
Artikelnummer: EB-0602324364-1600136011
Netto: 4,32 € zzgl. MwSt.
zzgl. 6,90 € Versand (brutto)
einmalig pro Bestellung

Lieferzeit: 5 Werktage

Pos.
111
BOSCH Gewindefurchschraube DIN 7500-TM4x12 | Ersatzteile für Winkelschleifer | 2914471401
Hersteller: BOSCH
Artikelnummer: EB-0602324364-2914471401
Netto: 3,94 € zzgl. MwSt.
zzgl. 6,90 € Versand (brutto)
einmalig pro Bestellung

Lieferzeit: 5 Werktage

Pos.
118
BOSCH Sechskantmutter M7, SW10 | Ersatzteile für Winkelschleifer | 1603300016
Hersteller: BOSCH
Artikelnummer: EB-0602324364-1603300016
Netto: 3,94 € zzgl. MwSt.
zzgl. 6,90 € Versand (brutto)
einmalig pro Bestellung

Lieferzeit: 5 Werktage

Pos.
119
BOSCH O-Ring 46,0x1,1 MM | Ersatzteile für Winkelschleifer | 1600210035
Hersteller: BOSCH
Artikelnummer: EB-0602324364-1600210035
Netto: 3,94 € zzgl. MwSt.
zzgl. 6,90 € Versand (brutto)
einmalig pro Bestellung

Lieferzeit: 5 Werktage

Pos.
650/10
BOSCH Zusatzhandgriff M10, Ø37x115 MM ANTIVIBRATION | Ersatzteile für Winkelschleifer | 1602025031
Hersteller: BOSCH
Artikelnummer: EB-0602324364-1602025031
Netto: 14,92 € zzgl. MwSt.
zzgl. 6,90 € Versand (brutto)
einmalig pro Bestellung

Lieferzeit: 5 Werktage

Pos.
650/10/1
BOSCH Handgriff SCHWARZ | Ersatzteile für Winkelschleifer | 2609002198
Hersteller: BOSCH
Artikelnummer: EB-0602324364-2609002198
Netto: 9,18 € zzgl. MwSt.
zzgl. 6,90 € Versand (brutto)
einmalig pro Bestellung

Lieferzeit: 5 Werktage

Pos.
650/20
BOSCH Rundmutter M14 | Ersatzteile für Winkelschleifer | 1603345043
Hersteller: BOSCH
Artikelnummer: EB-0602324364-1603345043
Netto: 8,33 € zzgl. MwSt.
zzgl. 6,90 € Versand (brutto)
einmalig pro Bestellung

Lieferzeit: 5 Werktage

Pos.
650/30
BOSCH Zweilochmutterndreher | Ersatzteile für Winkelschleifer | 1607950052
Hersteller: BOSCH
Artikelnummer: EB-0602324364-1607950052
Netto: 5,19 € zzgl. MwSt.
zzgl. 6,90 € Versand (brutto)
einmalig pro Bestellung

Lieferzeit: 5 Werktage

Pos.
650/50
BOSCH Aufnahmeflansch Ø22,3xØ42 MM | Ersatzteile für Winkelschleifer | 2605703014
Hersteller: BOSCH
Artikelnummer: EB-0602324364-2605703014
nur Informationsartikel
Nie mehr lieferbar
keine Alternativen
Pos.
650/50/20
BOSCH O-Ring 20,35x1,78 MM | Ersatzteile für Winkelschleifer | 1600210039
Hersteller: BOSCH
Artikelnummer: EB-0602324364-1600210039
Netto: 4,32 € zzgl. MwSt.
zzgl. 6,90 € Versand (brutto)
einmalig pro Bestellung

Lieferzeit: 5 Werktage

Pos.
651
BOSCH Stützteller | Ersatzteile für Winkelschleifer | 1608601032
Hersteller: BOSCH
Artikelnummer: EB-0602324364-1608601032
nur Informationsartikel
Nie mehr lieferbar
keine Alternativen
Pos.
652
BOSCH Schutzhaube Ø 125 MM | Ersatzteile für Winkelschleifer | 1605510155
Hersteller: BOSCH
Artikelnummer: EB-0602324364-1605510155
Netto: 42,86 € zzgl. MwSt.
zzgl. 6,90 € Versand (brutto)
einmalig pro Bestellung

Lieferzeit: 5 Werktage

Pos.
56
BOSCH Schalter | Ersatzteile für Winkelschleifer | 3607200024
Hersteller: BOSCH
Artikelnummer: EB-0602324364-3607200024
Netto: 21,16 € zzgl. MwSt.
zzgl. 6,90 € Versand (brutto)
einmalig pro Bestellung

Lieferzeit: 5 Werktage

Pos.
657
BOSCH Einmaulschlüssel SW17 | Ersatzteile für Winkelschleifer | 2607950511
Hersteller: BOSCH
Artikelnummer: EB-0602324364-2607950511
Netto: 5,67 € zzgl. MwSt.
zzgl. 6,90 € Versand (brutto)
einmalig pro Bestellung

Lieferzeit: 5 Werktage

Pos.
58
BOSCH Schalterabdeckung | Ersatzteile für Winkelschleifer | 3600508035
Hersteller: BOSCH
Artikelnummer: EB-0602324364-3600508035
Netto: 12,98 € zzgl. MwSt.
zzgl. 6,90 € Versand (brutto)
einmalig pro Bestellung

Lieferzeit: 5 Werktage

Pos.
818
BOSCH Flachkopfschraube DIN 85-AM3x6-CUZN | Ersatzteile für Winkelschleifer | 2910110048
Hersteller: BOSCH
Artikelnummer: EB-0602324364-2910110048
Netto: 3,63 € zzgl. MwSt.
zzgl. 6,90 € Versand (brutto)
einmalig pro Bestellung

Lieferzeit: 5 Werktage

Pos.
60
BOSCH Elktr Leitg M Anschluss | Ersatzteile für Winkelschleifer | 3604422066
Hersteller: BOSCH
Artikelnummer: EB-0602324364-3604422066
Netto: 47,09 € zzgl. MwSt.
zzgl. 6,90 € Versand (brutto)
einmalig pro Bestellung

Lieferzeit: 5 Werktage

Pos.
68
BOSCH Verstellschieber | Ersatzteile für Winkelschleifer | 3602319014
Hersteller: BOSCH
Artikelnummer: EB-0602324364-3602319014
Netto: 6,15 € zzgl. MwSt.
zzgl. 6,90 € Versand (brutto)
einmalig pro Bestellung

Lieferzeit: 5 Werktage

Pos.
96
BOSCH Firmenschild | Ersatzteile für Winkelschleifer | 3601110246
Hersteller: BOSCH
Artikelnummer: EB-0602324364-3601110246
Netto: 5,19 € zzgl. MwSt.
zzgl. 6,90 € Versand (brutto)
einmalig pro Bestellung

Lieferzeit: 5 Werktage

Pos.
115
BOSCH Tellerrad Z=35 | Ersatzteile für Winkelschleifer | 3606334087
Hersteller: BOSCH
Artikelnummer: EB-0602324364-3606334087
Netto: 106,72 € zzgl. MwSt.
zzgl. 6,90 € Versand (brutto)
einmalig pro Bestellung

Lieferzeit: 5 Werktage

Pos.
116
BOSCH Kegelrad | Ersatzteile für Winkelschleifer | 3606333058
Hersteller: BOSCH
Artikelnummer: EB-0602324364-3606333058
Netto: 63,99 € zzgl. MwSt.
zzgl. 6,90 € Versand (brutto)
einmalig pro Bestellung

Lieferzeit: 5 Werktage

Pos.
800
BOSCH Teilesatz | Ersatzteile für Winkelschleifer | 3607030419
Hersteller: BOSCH
Artikelnummer: EB-0602324364-3607030419
Netto: 189,11 € zzgl. MwSt.
zzgl. 6,90 € Versand (brutto)
einmalig pro Bestellung

Lieferzeit: 5 Werktage

Pos.
801
BOSCH Lagerflansch | Ersatzteile für Winkelschleifer | 3607030252
Hersteller: BOSCH
Artikelnummer: EB-0602324364-3607030252
Netto: 96,32 € zzgl. MwSt.
zzgl. 6,90 € Versand (brutto)
einmalig pro Bestellung

Lieferzeit: 5 Werktage

Angaben zur Produktsicherheit

Hersteller:
Robert Bosch Power Tools GmbH
Postfach 30 02 20
70442 Stuttgart

E-Mail:
kontakt@bosch.de