BOSCH Schrumpfschlauch | Ersatzteile für Winkelschrauber | 3600707005

Artikelnummer: EB-0602470101-3600707005

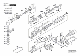
Position: 77

Marke: BOSCH


Bitte Kompatibilität prüfen!

Bitte prüfen Sie unbedingt die 10-stellige Typennummer Ihrer Maschine / Ihres Gerätes. Das Ersatzteil ist nur kompatibel, wenn Sie die Typennummer Ihrer Maschine in der unten stehenden Produktbeschreibung finden.

Bitte prüfen Sie ebenfalls detailliert die Explosionszeichnung mit Ihrem Artikelwunsch und der jeweiligen Pos-Nummer.

Alle Elemente, welche vom schwarzen Strich der Pos-Nummer ausgehend berührt / erfasst werden, gehören zu dieser Pos-Nummer und somit zu diesem Artikel. Jede Pos-Nummer ist ein eigenständiger Artikel, welchen Sie in der Auflistung finden.

Sie erhalten stets die aktuellste, neueste Produktversion zu der gewählten Pos-Nummer seitens des Herstellers. Es kann daher je nach Gerätealter vorkommen, dass Sie ggf. weitere, zugehörige Elemente, welche an diese Pos-Nummer grenzen, ebenfalls mittauschen müssen.

Nähere Informationen finden Sie unter dem Link
Hinweise zu Ihrer BOSCH Ersatzteilsuche

Preisübersicht

Einzelpreis: 5,19 €* (Brutto: 6,18 €)
Gesamtpreis: 5,19 €* 
Position:

Lieferzeit: 5 Werktage


Beschreibung

  • Schrumpfschlauch
  • Original Bosch Zubehör / BOSCH Ersatzteil (3600707005)
  • im Gerät verbaut: 2
Dieses BOSCH Ersatzteil ist mit folgendem Gerät und Modell kompatibel:
  • BOSCH Gerätename: Winkelschrauber
  • BOSCH Explosionszeichnung: Position 77
  • BOSCH Typennummer: 0602470101
  • BOSCH Typennummer alternative Schreibweisen: 0 602 470 101, 0602 470 101, 0.602.470.101, 0-602-470-101
    Bitte prüfen Sie diese Typennummer auf Ihrem Gerät um die Kompatibilität des BOSCH Ersatzteils zu gewährleisten.
Weitere BOSCH Ersatzteile des Gerätes Winkelschrauber mit der Typennummer 0602470101 finden Sie in der nachfolgenden Darstellung und im Dropdown zu Ihrer Auswahl:

Pos.
1
BOSCH Motorgehäuse | Ersatzteile für Winkelschrauber | 3605102051
Hersteller: BOSCH
Artikelnummer: EB-0602470101-3605102051
Netto: 121,18 € zzgl. MwSt.
zzgl. 6,90 € Versand (brutto)
einmalig pro Bestellung

Lieferzeit: 5 Werktage

Pos.
2
BOSCH Ständer 200V/300HZ | Ersatzteile für Winkelschrauber | 3604229001
Hersteller: BOSCH
Artikelnummer: EB-0602470101-3604229001
Netto: 304,20 € zzgl. MwSt.
zzgl. 6,90 € Versand (brutto)
einmalig pro Bestellung

Lieferzeit: 5 Werktage

Pos.
3
BOSCH Laeufer Ohne Wicklung | Ersatzteile für Winkelschrauber | 3604080012
Hersteller: BOSCH
Artikelnummer: EB-0602470101-3604080012
nur Informationsartikel
Nie mehr lieferbar
keine Alternativen
Pos.
4
BOSCH Luftleitring | Ersatzteile für Winkelschrauber | 1600117001
Hersteller: BOSCH
Artikelnummer: EB-0602470101-1600117001
Netto: 4,36 € zzgl. MwSt.
zzgl. 6,90 € Versand (brutto)
einmalig pro Bestellung

Lieferzeit: 5 Werktage

Pos.
5
BOSCH Zwischenlager | Ersatzteile für Winkelschrauber | 3605700100
Hersteller: BOSCH
Artikelnummer: EB-0602470101-3605700100
Netto: 111,79 € zzgl. MwSt.
zzgl. 6,90 € Versand (brutto)
einmalig pro Bestellung

Lieferzeit: 5 Werktage

Pos.
6
BOSCH Rillenkugellager 9x24x7 | Ersatzteile für Winkelschrauber | 1900905017
Hersteller: BOSCH
Artikelnummer: EB-0602470101-1900905017
Netto: 17,38 € zzgl. MwSt.
zzgl. 6,90 € Versand (brutto)
einmalig pro Bestellung

Lieferzeit: 5 Werktage

Pos.
7
BOSCH Sicherungsring DIN 471 9x1MM | Ersatzteile für Winkelschrauber | 2916640006
Hersteller: BOSCH
Artikelnummer: EB-0602470101-2916640006
Netto: 3,94 € zzgl. MwSt.
zzgl. 6,90 € Versand (brutto)
einmalig pro Bestellung

Lieferzeit: 5 Werktage

Pos.
8
BOSCH Nadellager | Ersatzteile für Winkelschrauber | 3600910002
Hersteller: BOSCH
Artikelnummer: EB-0602470101-3600910002
Netto: 24,13 € zzgl. MwSt.
zzgl. 6,90 € Versand (brutto)
einmalig pro Bestellung

Lieferzeit: 5 Werktage

Pos.
9
BOSCH Klemmbügel | Ersatzteile für Winkelschrauber | 3601321002
Hersteller: BOSCH
Artikelnummer: EB-0602470101-3601321002
nur Informationsartikel
Nie mehr lieferbar
keine Alternativen
Pos.
10
BOSCH Federscheibe | Ersatzteile für Winkelschrauber | 3600150009
Hersteller: BOSCH
Artikelnummer: EB-0602470101-3600150009
Netto: 4,82 € zzgl. MwSt.
zzgl. 6,90 € Versand (brutto)
einmalig pro Bestellung

Lieferzeit: 5 Werktage

Pos.
11
BOSCH Flachkopfschraube DIN 85-AM3x8-MS | Ersatzteile für Winkelschrauber | 2910110050
Hersteller: BOSCH
Artikelnummer: EB-0602470101-2910110050
Netto: 3,63 € zzgl. MwSt.
zzgl. 6,90 € Versand (brutto)
einmalig pro Bestellung

Lieferzeit: 5 Werktage

Pos.
13
BOSCH Filzring | Ersatzteile für Winkelschrauber | 1600205026
Hersteller: BOSCH
Artikelnummer: EB-0602470101-1600205026
Netto: 4,53 € zzgl. MwSt.
zzgl. 6,90 € Versand (brutto)
einmalig pro Bestellung

Lieferzeit: 5 Werktage

Pos.
17
BOSCH Blechschraube DIN 7971-BZ4,2x13 | Ersatzteile für Winkelschrauber | 2910211025
Hersteller: BOSCH
Artikelnummer: EB-0602470101-2910211025
Netto: 3,94 € zzgl. MwSt.
zzgl. 6,90 € Versand (brutto)
einmalig pro Bestellung

Lieferzeit: 5 Werktage

Pos.
15
BOSCH Zylinderschraube DIN 84-AM3x20-8.8 | Ersatzteile für Winkelschrauber | 2910021062
Hersteller: BOSCH
Artikelnummer: EB-0602470101-2910021062
Netto: 3,63 € zzgl. MwSt.
zzgl. 6,90 € Versand (brutto)
einmalig pro Bestellung

Lieferzeit: 5 Werktage

Pos.
18
BOSCH Spannscheibe | Ersatzteile für Winkelschrauber | 3600190004
Hersteller: BOSCH
Artikelnummer: EB-0602470101-3600190004
Netto: 20,39 € zzgl. MwSt.
zzgl. 6,90 € Versand (brutto)
einmalig pro Bestellung

Lieferzeit: 5 Werktage

Pos.
17
BOSCH Zylinderschraube DIN 84-AM3x12-5.8 | Ersatzteile für Winkelschrauber | 2910011054
Hersteller: BOSCH
Artikelnummer: EB-0602470101-2910011054
Netto: 3,60 € zzgl. MwSt.
zzgl. 6,90 € Versand (brutto)
einmalig pro Bestellung

Lieferzeit: 5 Werktage

Pos.
57
BOSCH Gehäusedeckel | Ersatzteile für Winkelschrauber | 3605500068
Hersteller: BOSCH
Artikelnummer: EB-0602470101-3605500068
Netto: 7,46 € zzgl. MwSt.
zzgl. 6,90 € Versand (brutto)
einmalig pro Bestellung

Lieferzeit: 5 Werktage

Pos.
58
BOSCH Schaltergehäuse | Ersatzteile für Winkelschrauber | 3605130031
Hersteller: BOSCH
Artikelnummer: EB-0602470101-3605130031
Netto: 11,92 € zzgl. MwSt.
zzgl. 6,90 € Versand (brutto)
einmalig pro Bestellung

Lieferzeit: 5 Werktage

Pos.
59
BOSCH Tülle Ø5,5-Ø8,3x75 MM | Ersatzteile für Winkelschrauber | 1600703012
Hersteller: BOSCH
Artikelnummer: EB-0602470101-1600703012
nur Informationsartikel
Nie mehr lieferbar
keine Alternativen
Pos.
60
BOSCH Elektr Leitung | Ersatzteile für Winkelschrauber | 3604412007
Hersteller: BOSCH
Artikelnummer: EB-0602470101-3604412007
Netto: 4,88 € zzgl. MwSt.
zzgl. 6,90 € Versand (brutto)
einmalig pro Bestellung

Lieferzeit: 5 Werktage

Pos.
60
BOSCH Wendelleitung | Ersatzteile für Winkelschrauber | 3604462004
Hersteller: BOSCH
Artikelnummer: EB-0602470101-3604462004
Netto: 86,76 € zzgl. MwSt.
zzgl. 6,90 € Versand (brutto)
einmalig pro Bestellung

Lieferzeit: 5 Werktage

Pos.
61
BOSCH Zylinderschraube DIN 84-AM3x12-8.8 | Ersatzteile für Winkelschrauber | 2910021054
Hersteller: BOSCH
Artikelnummer: EB-0602470101-2910021054
Netto: 3,63 € zzgl. MwSt.
zzgl. 6,90 € Versand (brutto)
einmalig pro Bestellung

Lieferzeit: 5 Werktage

Pos.
62
BOSCH Zylinderschraube DIN 84-AM3x6-5.8 | Ersatzteile für Winkelschrauber | 2910011048
Hersteller: BOSCH
Artikelnummer: EB-0602470101-2910011048
Netto: 3,94 € zzgl. MwSt.
zzgl. 6,90 € Versand (brutto)
einmalig pro Bestellung

Lieferzeit: 5 Werktage

Pos.
63
BOSCH Befestigungsschelle | Ersatzteile für Winkelschrauber | 1601302001
Hersteller: BOSCH
Artikelnummer: EB-0602470101-1601302001
Netto: 3,94 € zzgl. MwSt.
zzgl. 6,90 € Versand (brutto)
einmalig pro Bestellung

Lieferzeit: 5 Werktage

Pos.
64
BOSCH Tülle | Ersatzteile für Winkelschrauber | 1900703016
Hersteller: BOSCH
Artikelnummer: EB-0602470101-1900703016
Netto: 3,50 € zzgl. MwSt.
zzgl. 6,90 € Versand (brutto)
einmalig pro Bestellung

Lieferzeit: 5 Werktage

Pos.
65
BOSCH Umkehrschalter | Ersatzteile für Winkelschrauber | 1607200046
Hersteller: BOSCH
Artikelnummer: EB-0602470101-1607200046
nur Informationsartikel
Nie mehr lieferbar
keine Alternativen
Pos.
66
BOSCH Flachkopfschraube DIN 85-AM3,5x15-4.8 | Ersatzteile für Winkelschrauber | 2910091046
Hersteller: BOSCH
Artikelnummer: EB-0602470101-2910091046
Netto: 3,63 € zzgl. MwSt.
zzgl. 6,90 € Versand (brutto)
einmalig pro Bestellung

Lieferzeit: 5 Werktage

Pos.
70
BOSCH Federscheibe A 3 DIN 137-ST | Ersatzteile für Winkelschrauber | 2916060003
Hersteller: BOSCH
Artikelnummer: EB-0602470101-2916060003
nur Informationsartikel
Nie mehr lieferbar
keine Alternativen
Pos.
72
BOSCH Senkschraube | Ersatzteile für Winkelschrauber | 2910761126
Hersteller: BOSCH
Artikelnummer: EB-0602470101-2910761126
Netto: 3,50 € zzgl. MwSt.
zzgl. 6,90 € Versand (brutto)
einmalig pro Bestellung

Lieferzeit: 5 Werktage

Pos.
73
BOSCH Fächerscheibe DIN 6798-A3,2-FST | Ersatzteile für Winkelschrauber | 2916070005
Hersteller: BOSCH
Artikelnummer: EB-0602470101-2916070005
Netto: 3,63 € zzgl. MwSt.
zzgl. 6,90 € Versand (brutto)
einmalig pro Bestellung

Lieferzeit: 5 Werktage

Pos.
75
BOSCH Gewindestift DIN 915-M4x6-45H | Ersatzteile für Winkelschrauber | 2912081116
Hersteller: BOSCH
Artikelnummer: EB-0602470101-2912081116
Netto: 4,56 € zzgl. MwSt.
zzgl. 6,90 € Versand (brutto)
einmalig pro Bestellung

Lieferzeit: 5 Werktage

Pos.
76
BOSCH Kupplungsstecker | Ersatzteile für Winkelschrauber | 3604484003
Hersteller: BOSCH
Artikelnummer: EB-0602470101-3604484003
nur Informationsartikel
Nie mehr lieferbar
keine Alternativen
Pos.
77
BOSCH Schrumpfschlauch | Ersatzteile für Winkelschrauber | 3600707005
Hersteller: BOSCH
Artikelnummer: EB-0602470101-3600707005
Netto: 5,17 € zzgl. MwSt.
zzgl. 6,90 € Versand (brutto)
einmalig pro Bestellung

Lieferzeit: 5 Werktage

Pos.
95
BOSCH Typschild | Ersatzteile für Winkelschrauber | 3601106054
Hersteller: BOSCH
Artikelnummer: EB-0602470101-3601106054
Netto: 6,15 € zzgl. MwSt.
zzgl. 6,90 € Versand (brutto)
einmalig pro Bestellung

Lieferzeit: 5 Werktage

Pos.
98
BOSCH Klebeschild | Ersatzteile für Winkelschrauber | 3601103012
Hersteller: BOSCH
Artikelnummer: EB-0602470101-3601103012
Netto: 4,31 € zzgl. MwSt.
zzgl. 6,90 € Versand (brutto)
einmalig pro Bestellung

Lieferzeit: 5 Werktage

Pos.
214
BOSCH Stirnrad | Ersatzteile für Winkelschrauber | 3606316098
Hersteller: BOSCH
Artikelnummer: EB-0602470101-3606316098
Netto: 23,72 € zzgl. MwSt.
zzgl. 6,90 € Versand (brutto)
einmalig pro Bestellung

Lieferzeit: 5 Werktage

Pos.
215
BOSCH Nadelkranz INA K3x5x7 | Ersatzteile für Winkelschrauber | 3600913000
Hersteller: BOSCH
Artikelnummer: EB-0602470101-3600913000
Netto: 5,67 € zzgl. MwSt.
zzgl. 6,90 € Versand (brutto)
einmalig pro Bestellung

Lieferzeit: 5 Werktage

Pos.
227
BOSCH Anschlagscheibe | Ersatzteile für Winkelschrauber | 3600101001
Hersteller: BOSCH
Artikelnummer: EB-0602470101-3600101001
Netto: 4,53 € zzgl. MwSt.
zzgl. 6,90 € Versand (brutto)
einmalig pro Bestellung

Lieferzeit: 5 Werktage

Pos.
229
BOSCH Planetenträger | Ersatzteile für Winkelschrauber | 3606337071
Hersteller: BOSCH
Artikelnummer: EB-0602470101-3606337071
Netto: 98,37 € zzgl. MwSt.
zzgl. 6,90 € Versand (brutto)
einmalig pro Bestellung

Lieferzeit: 5 Werktage

Pos.
230
BOSCH Stirnrad Z=16 | Ersatzteile für Winkelschrauber | 3606316099
Hersteller: BOSCH
Artikelnummer: EB-0602470101-3606316099
Netto: 19,18 € zzgl. MwSt.
zzgl. 6,90 € Versand (brutto)
einmalig pro Bestellung

Lieferzeit: 5 Werktage

Pos.
233
BOSCH Nadelrolle | Ersatzteile für Winkelschrauber | 3603201000
Hersteller: BOSCH
Artikelnummer: EB-0602470101-3603201000
Netto: 3,94 € zzgl. MwSt.
zzgl. 6,90 € Versand (brutto)
einmalig pro Bestellung

Lieferzeit: 5 Werktage

Pos.
245
BOSCH Planetenträger | Ersatzteile für Winkelschrauber | 3606337083
Hersteller: BOSCH
Artikelnummer: EB-0602470101-3606337083
nur Informationsartikel
Nie mehr lieferbar
keine Alternativen
Pos.
248
BOSCH Stirnrad | Ersatzteile für Winkelschrauber | 3606316070
Hersteller: BOSCH
Artikelnummer: EB-0602470101-3606316070
nur Informationsartikel
Nie mehr lieferbar
keine Alternativen
Pos.
249
BOSCH Lagernadel | Ersatzteile für Winkelschrauber | 3603201053
Hersteller: BOSCH
Artikelnummer: EB-0602470101-3603201053
Netto: 3,94 € zzgl. MwSt.
zzgl. 6,90 € Versand (brutto)
einmalig pro Bestellung

Lieferzeit: 5 Werktage

Pos.
56
BOSCH Schalter | Ersatzteile für Winkelschrauber | 3607200016
Hersteller: BOSCH
Artikelnummer: EB-0602470101-3607200016
nur Informationsartikel
Nie mehr lieferbar
keine Alternativen
Pos.
341
BOSCH Überwurfmutter | Ersatzteile für Winkelschrauber | 3603340016
Hersteller: BOSCH
Artikelnummer: EB-0602470101-3603340016
nur Informationsartikel
Nie mehr lieferbar
keine Alternativen
Pos.
342
BOSCH Sprengring | Ersatzteile für Winkelschrauber | 1600116004
Hersteller: BOSCH
Artikelnummer: EB-0602470101-1600116004
nur Informationsartikel
Nie mehr lieferbar
keine Alternativen
Pos.
343
BOSCH Sicherungsring DIN 472-26x1,2 MM | Ersatzteile für Winkelschrauber | 2916660010
Hersteller: BOSCH
Artikelnummer: EB-0602470101-2916660010
Netto: 3,63 € zzgl. MwSt.
zzgl. 6,90 € Versand (brutto)
einmalig pro Bestellung

Lieferzeit: 5 Werktage

Pos.
345
BOSCH Axialpendelrollenlager | Ersatzteile für Winkelschrauber | 3600929008
Hersteller: BOSCH
Artikelnummer: EB-0602470101-3600929008
Netto: 8,94 € zzgl. MwSt.
zzgl. 6,90 € Versand (brutto)
einmalig pro Bestellung

Lieferzeit: 5 Werktage

Pos.
346
BOSCH O-Ring 30x2,5 MM | Ersatzteile für Winkelschrauber | 1900210131
Hersteller: BOSCH
Artikelnummer: EB-0602470101-1900210131
Netto: 5,67 € zzgl. MwSt.
zzgl. 6,90 € Versand (brutto)
einmalig pro Bestellung

Lieferzeit: 5 Werktage

Pos.
347
BOSCH Nadelhülse | Ersatzteile für Winkelschrauber | 1610910088
Hersteller: BOSCH
Artikelnummer: EB-0602470101-1610910088
Netto: 6,70 € zzgl. MwSt.
zzgl. 6,90 € Versand (brutto)
einmalig pro Bestellung

Lieferzeit: 5 Werktage

Pos.
350
BOSCH Kegelrad | Ersatzteile für Winkelschrauber | 3606333043
Hersteller: BOSCH
Artikelnummer: EB-0602470101-3606333043
Netto: 156,15 € zzgl. MwSt.
zzgl. 6,90 € Versand (brutto)
einmalig pro Bestellung

Lieferzeit: 5 Werktage

Pos.
351
BOSCH Tellerrad | Ersatzteile für Winkelschrauber | 3606334046
Hersteller: BOSCH
Artikelnummer: EB-0602470101-3606334046
nur Informationsartikel
Nie mehr lieferbar
keine Alternativen
Pos.
352
BOSCH Sicherungsring DIN 472-21x1MM | Ersatzteile für Winkelschrauber | 2916660045
Hersteller: BOSCH
Artikelnummer: EB-0602470101-2916660045
Netto: 3,63 € zzgl. MwSt.
zzgl. 6,90 € Versand (brutto)
einmalig pro Bestellung

Lieferzeit: 5 Werktage

Pos.
67
BOSCH Klemmbügel | Ersatzteile für Winkelschrauber | 3601321004
Hersteller: BOSCH
Artikelnummer: EB-0602470101-3601321004
Netto: 4,32 € zzgl. MwSt.
zzgl. 6,90 € Versand (brutto)
einmalig pro Bestellung

Lieferzeit: 5 Werktage

Pos.
354
BOSCH Rillenkugellager | Ersatzteile für Winkelschrauber | 3600900018
Hersteller: BOSCH
Artikelnummer: EB-0602470101-3600900018
Netto: 21,16 € zzgl. MwSt.
zzgl. 6,90 € Versand (brutto)
einmalig pro Bestellung

Lieferzeit: 5 Werktage

Pos.
357
BOSCH Nadelhülse | Ersatzteile für Winkelschrauber | 2600914004
Hersteller: BOSCH
Artikelnummer: EB-0602470101-2600914004
Netto: 5,67 € zzgl. MwSt.
zzgl. 6,90 € Versand (brutto)
einmalig pro Bestellung

Lieferzeit: 5 Werktage

Pos.
71
BOSCH Schalthebel | Ersatzteile für Winkelschrauber | 3602099005
Hersteller: BOSCH
Artikelnummer: EB-0602470101-3602099005
nur Informationsartikel
Nie mehr lieferbar
keine Alternativen
Pos.
359
BOSCH Ausgleichscheibe 0,05 MM DICK | Ersatzteile für Winkelschrauber | 1600101650
Hersteller: BOSCH
Artikelnummer: EB-0602470101-1600101650
Netto: 4,53 € zzgl. MwSt.
zzgl. 6,90 € Versand (brutto)
einmalig pro Bestellung

Lieferzeit: 5 Werktage

Pos.
359
BOSCH Ausgleichscheibe 0,1 MM DICK | Ersatzteile für Winkelschrauber | 1600101648
Hersteller: BOSCH
Artikelnummer: EB-0602470101-1600101648
Netto: 3,94 € zzgl. MwSt.
zzgl. 6,90 € Versand (brutto)
einmalig pro Bestellung

Lieferzeit: 5 Werktage

Pos.
360
BOSCH Führungshülse | Ersatzteile für Winkelschrauber | 3600320016
Hersteller: BOSCH
Artikelnummer: EB-0602470101-3600320016
Netto: 12,98 € zzgl. MwSt.
zzgl. 6,90 € Versand (brutto)
einmalig pro Bestellung

Lieferzeit: 5 Werktage

Pos.
361
BOSCH Druckfeder | Ersatzteile für Winkelschrauber | 1604611004
Hersteller: BOSCH
Artikelnummer: EB-0602470101-1604611004
Netto: 4,82 € zzgl. MwSt.
zzgl. 6,90 € Versand (brutto)
einmalig pro Bestellung

Lieferzeit: 5 Werktage

Pos.
363
BOSCH Ausgleichscheibe | Ersatzteile für Winkelschrauber | 3608870176
Hersteller: BOSCH
Artikelnummer: EB-0602470101-3608870176
Netto: 4,32 € zzgl. MwSt.
zzgl. 6,90 € Versand (brutto)
einmalig pro Bestellung

Lieferzeit: 5 Werktage

Pos.
99
BOSCH Hinweisschild | Ersatzteile für Winkelschrauber | 3601119236
Hersteller: BOSCH
Artikelnummer: EB-0602470101-3601119236
Netto: 5,19 € zzgl. MwSt.
zzgl. 6,90 € Versand (brutto)
einmalig pro Bestellung

Lieferzeit: 5 Werktage

Pos.
226
BOSCH Ritzel Z=23 | Ersatzteile für Winkelschrauber | 3606300002
Hersteller: BOSCH
Artikelnummer: EB-0602470101-3606300002
Netto: 21,16 € zzgl. MwSt.
zzgl. 6,90 € Versand (brutto)
einmalig pro Bestellung

Lieferzeit: 5 Werktage

Pos.
228
BOSCH Zahnkranz Z=40 | Ersatzteile für Winkelschrauber | 3606334043
Hersteller: BOSCH
Artikelnummer: EB-0602470101-3606334043
Netto: 189,11 € zzgl. MwSt.
zzgl. 6,90 € Versand (brutto)
einmalig pro Bestellung

Lieferzeit: 5 Werktage

Pos.
231
BOSCH Anlaufscheibe | Ersatzteile für Winkelschrauber | 3600113010
Hersteller: BOSCH
Artikelnummer: EB-0602470101-3600113010
Netto: 4,82 € zzgl. MwSt.
zzgl. 6,90 € Versand (brutto)
einmalig pro Bestellung

Lieferzeit: 5 Werktage

Pos.
234
BOSCH Nadelrolle | Ersatzteile für Winkelschrauber | 3603201044
Hersteller: BOSCH
Artikelnummer: EB-0602470101-3603201044
Netto: 3,94 € zzgl. MwSt.
zzgl. 6,90 € Versand (brutto)
einmalig pro Bestellung

Lieferzeit: 5 Werktage

Pos.
236
BOSCH Rillenkugellager | Ersatzteile für Winkelschrauber | 3600900016
Hersteller: BOSCH
Artikelnummer: EB-0602470101-3600900016
nur Informationsartikel
Nie mehr lieferbar
keine Alternativen
Pos.
238
BOSCH Planetenträger | Ersatzteile für Winkelschrauber | 3606337085
Hersteller: BOSCH
Artikelnummer: EB-0602470101-3606337085
Netto: 194,76 € zzgl. MwSt.
zzgl. 6,90 € Versand (brutto)
einmalig pro Bestellung

Lieferzeit: 5 Werktage

Pos.
241
BOSCH Rillenkugellager | Ersatzteile für Winkelschrauber | 3600900017
Hersteller: BOSCH
Artikelnummer: EB-0602470101-3600900017
nur Informationsartikel
Nie mehr lieferbar
keine Alternativen
Pos.
250
BOSCH Anschlagscheibe | Ersatzteile für Winkelschrauber | 3600100036
Hersteller: BOSCH
Artikelnummer: EB-0602470101-3600100036
Netto: 8,44 € zzgl. MwSt.
zzgl. 6,90 € Versand (brutto)
einmalig pro Bestellung

Lieferzeit: 5 Werktage

Pos.
253
BOSCH Anlaufscheibe | Ersatzteile für Winkelschrauber | 3600101024
Hersteller: BOSCH
Artikelnummer: EB-0602470101-3600101024
Netto: 7,76 € zzgl. MwSt.
zzgl. 6,90 € Versand (brutto)
einmalig pro Bestellung

Lieferzeit: 5 Werktage

Pos.
339
BOSCH Spindelgehaeuse | Ersatzteile für Winkelschrauber | 3605106035
Hersteller: BOSCH
Artikelnummer: EB-0602470101-3605106035
Netto: 189,11 € zzgl. MwSt.
zzgl. 6,90 € Versand (brutto)
einmalig pro Bestellung

Lieferzeit: 5 Werktage

Pos.
344
BOSCH Lagerscheibe | Ersatzteile für Winkelschrauber | 3600100020
Hersteller: BOSCH
Artikelnummer: EB-0602470101-3600100020
Netto: 10,92 € zzgl. MwSt.
zzgl. 6,90 € Versand (brutto)
einmalig pro Bestellung

Lieferzeit: 5 Werktage

Pos.
355
BOSCH Anlaufscheibe | Ersatzteile für Winkelschrauber | 3600100017
Hersteller: BOSCH
Artikelnummer: EB-0602470101-3600100017
nur Informationsartikel
Nie mehr lieferbar
keine Alternativen
Pos.
356
BOSCH Axialzylinderrollenlager | Ersatzteile für Winkelschrauber | 3600929005
Hersteller: BOSCH
Artikelnummer: EB-0602470101-3600929005
Netto: 15,75 € zzgl. MwSt.
zzgl. 6,90 € Versand (brutto)
einmalig pro Bestellung

Lieferzeit: 5 Werktage

Pos.
358
BOSCH Nadelrolle | Ersatzteile für Winkelschrauber | 3603100008
Hersteller: BOSCH
Artikelnummer: EB-0602470101-3603100008
Netto: 4,53 € zzgl. MwSt.
zzgl. 6,90 € Versand (brutto)
einmalig pro Bestellung

Lieferzeit: 5 Werktage

Pos.
362
BOSCH Druckbolzen | Ersatzteile für Winkelschrauber | 1603124060
Hersteller: BOSCH
Artikelnummer: EB-0602470101-1603124060
Netto: 6,70 € zzgl. MwSt.
zzgl. 6,90 € Versand (brutto)
einmalig pro Bestellung

Lieferzeit: 5 Werktage

Pos.
363
BOSCH Ausgleichscheibe | Ersatzteile für Winkelschrauber | 3608870173
Hersteller: BOSCH
Artikelnummer: EB-0602470101-3608870176
Netto: 4,82 € zzgl. MwSt.
zzgl. 6,90 € Versand (brutto)
einmalig pro Bestellung

Lieferzeit: 5 Werktage

Pos.
650
BOSCH Aufhängebügel | Ersatzteile für Winkelschrauber | 2601310002
Hersteller: BOSCH
Artikelnummer: EB-0602470101-2601310002
Netto: 14,36 € zzgl. MwSt.
zzgl. 6,90 € Versand (brutto)
einmalig pro Bestellung

Lieferzeit: 5 Werktage

Angaben zur Produktsicherheit

Hersteller:
Robert Bosch Power Tools GmbH
Postfach 30 02 20
70442 Stuttgart

E-Mail:
kontakt@bosch.de