BOSCH Rillenkugellager 25x37x7 | Ersatzteile für Winkelschrauber | 3600905001

Artikelnummer: EB-0602472207-3600905001

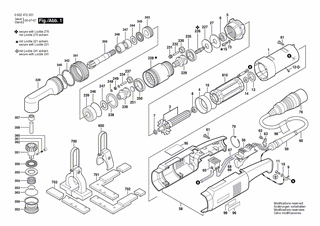
Position: 235

Marke: BOSCH


Bitte Kompatibilität prüfen!

Bitte prüfen Sie unbedingt die 10-stellige Typennummer Ihrer Maschine / Ihres Gerätes. Das Ersatzteil ist nur kompatibel, wenn Sie die Typennummer Ihrer Maschine in der unten stehenden Produktbeschreibung finden.

Bitte prüfen Sie ebenfalls detailliert die Explosionszeichnung mit Ihrem Artikelwunsch und der jeweiligen Pos-Nummer.

Alle Elemente, welche vom schwarzen Strich der Pos-Nummer ausgehend berührt / erfasst werden, gehören zu dieser Pos-Nummer und somit zu diesem Artikel. Jede Pos-Nummer ist ein eigenständiger Artikel, welchen Sie in der Auflistung finden.

Sie erhalten stets die aktuellste, neueste Produktversion zu der gewählten Pos-Nummer seitens des Herstellers. Es kann daher je nach Gerätealter vorkommen, dass Sie ggf. weitere, zugehörige Elemente, welche an diese Pos-Nummer grenzen, ebenfalls mittauschen müssen.

Nähere Informationen finden Sie unter dem Link
Hinweise zu Ihrer BOSCH Ersatzteilsuche

Preisübersicht

Einzelpreis: 26,41 €* (Brutto: 31,43 €)
Gesamtpreis: 26,41 €* 
Position:

Lieferzeit: 5 Werktage


Beschreibung

  • Rillenkugellager 25x37x7
  • Original Bosch Zubehör / BOSCH Ersatzteil (3600905001)
  • im Gerät verbaut: 1
Dieses BOSCH Ersatzteil ist mit folgendem Gerät und Modell kompatibel:
  • BOSCH Gerätename: Winkelschrauber
  • BOSCH Explosionszeichnung: Position 235
  • BOSCH Typennummer: 0602472207
  • BOSCH Typennummer alternative Schreibweisen: 0 602 472 207, 0602 472 207, 0.602.472.207, 0-602-472-207
    Bitte prüfen Sie diese Typennummer auf Ihrem Gerät um die Kompatibilität des BOSCH Ersatzteils zu gewährleisten.
Weitere BOSCH Ersatzteile des Gerätes Winkelschrauber mit der Typennummer 0602472207 finden Sie in der nachfolgenden Darstellung und im Dropdown zu Ihrer Auswahl:

Pos.
1
BOSCH Motorgehäuse | Ersatzteile für Winkelschrauber | 3605102034
Hersteller: BOSCH
Artikelnummer: EB-0602472207-3605102034
Netto: 185,46 € zzgl. MwSt.
zzgl. 6,90 € Versand (brutto)
einmalig pro Bestellung

Lieferzeit: 5 Werktage

Pos.
3
BOSCH Läufer | Ersatzteile für Winkelschrauber | 3604080018
Hersteller: BOSCH
Artikelnummer: EB-0602472207-3604080018
Netto: 203,67 € zzgl. MwSt.
zzgl. 6,90 € Versand (brutto)
einmalig pro Bestellung

Lieferzeit: 5 Werktage

Pos.
4
BOSCH Luftleitring | Ersatzteile für Winkelschrauber | 1600502005
Hersteller: BOSCH
Artikelnummer: EB-0602472207-1600502005
Netto: 4,56 € zzgl. MwSt.
zzgl. 6,90 € Versand (brutto)
einmalig pro Bestellung

Lieferzeit: 5 Werktage

Pos.
5
BOSCH Zwischenlager | Ersatzteile für Winkelschrauber | 3605700072
Hersteller: BOSCH
Artikelnummer: EB-0602472207-3605700072
Netto: 70,01 € zzgl. MwSt.
zzgl. 6,90 € Versand (brutto)
einmalig pro Bestellung

Lieferzeit: 5 Werktage

Pos.
6
BOSCH Rillenkugellager 9x24x7 | Ersatzteile für Winkelschrauber | 1900905017
Hersteller: BOSCH
Artikelnummer: EB-0602472207-1900905017
Netto: 20,80 € zzgl. MwSt.
zzgl. 6,90 € Versand (brutto)
einmalig pro Bestellung

Lieferzeit: 5 Werktage

Pos.
7
BOSCH Distanzring | Ersatzteile für Winkelschrauber | 3600200008
Hersteller: BOSCH
Artikelnummer: EB-0602472207-3600200008
Netto: 7,26 € zzgl. MwSt.
zzgl. 6,90 € Versand (brutto)
einmalig pro Bestellung

Lieferzeit: 5 Werktage

Pos.
8
BOSCH Rillenkugellager 625-2Z DIN 625 | Ersatzteile für Winkelschrauber | 1900905015
Hersteller: BOSCH
Artikelnummer: EB-0602472207-1900905015
Netto: 26,41 € zzgl. MwSt.
zzgl. 6,90 € Versand (brutto)
einmalig pro Bestellung

Lieferzeit: 5 Werktage

Pos.
9
BOSCH Klemmbügel | Ersatzteile für Winkelschrauber | 3601321001
Hersteller: BOSCH
Artikelnummer: EB-0602472207-3601321001
Netto: 5,17 € zzgl. MwSt.
zzgl. 6,90 € Versand (brutto)
einmalig pro Bestellung

Lieferzeit: 5 Werktage

Pos.
10
BOSCH Federscheibe Ø4,2 MM | Ersatzteile für Winkelschrauber | 3600150006
Hersteller: BOSCH
Artikelnummer: EB-0602472207-3600150006
Netto: 4,56 € zzgl. MwSt.
zzgl. 6,90 € Versand (brutto)
einmalig pro Bestellung

Lieferzeit: 5 Werktage

Pos.
11
BOSCH Flachkopfschraube DIN 85-AM4x10-MS | Ersatzteile für Winkelschrauber | 2910110120
Hersteller: BOSCH
Artikelnummer: EB-0602472207-2910110120
Netto: 3,60 € zzgl. MwSt.
zzgl. 6,90 € Versand (brutto)
einmalig pro Bestellung

Lieferzeit: 5 Werktage

Pos.
12
BOSCH Gewindestift | Ersatzteile für Winkelschrauber | 3603402000
Hersteller: BOSCH
Artikelnummer: EB-0602472207-3603402000
Netto: 3,94 € zzgl. MwSt.
zzgl. 6,90 € Versand (brutto)
einmalig pro Bestellung

Lieferzeit: 5 Werktage

Pos.
13
BOSCH Filzring | Ersatzteile für Winkelschrauber | 1600205026
Hersteller: BOSCH
Artikelnummer: EB-0602472207-1600205026
Netto: 4,56 € zzgl. MwSt.
zzgl. 6,90 € Versand (brutto)
einmalig pro Bestellung

Lieferzeit: 5 Werktage

Pos.
14
BOSCH Gummiring 6MM,Ø12xØ16,4x3MM | Ersatzteile für Winkelschrauber | 3600206002
Hersteller: BOSCH
Artikelnummer: EB-0602472207-3600206002
Netto: 4,27 € zzgl. MwSt.
zzgl. 6,90 € Versand (brutto)
einmalig pro Bestellung

Lieferzeit: 5 Werktage

Pos.
15
BOSCH Zylinderschraube DIN 84-AM4x16-8.8 | Ersatzteile für Winkelschrauber | 2910021126
Hersteller: BOSCH
Artikelnummer: EB-0602472207-2910021126
Netto: 3,60 € zzgl. MwSt.
zzgl. 6,90 € Versand (brutto)
einmalig pro Bestellung

Lieferzeit: 5 Werktage

Pos.
16
BOSCH O-Ring 53,0x2,0 MM | Ersatzteile für Winkelschrauber | 3600210017
Hersteller: BOSCH
Artikelnummer: EB-0602472207-3600210017
Netto: 5,17 € zzgl. MwSt.
zzgl. 6,90 € Versand (brutto)
einmalig pro Bestellung

Lieferzeit: 5 Werktage

Pos.
27
BOSCH Anschlagscheibe | Ersatzteile für Winkelschrauber | 3600102014
Hersteller: BOSCH
Artikelnummer: EB-0602472207-3600102014
Netto: 16,30 € zzgl. MwSt.
zzgl. 6,90 € Versand (brutto)
einmalig pro Bestellung

Lieferzeit: 5 Werktage

Pos.
56
BOSCH Schalter | Ersatzteile für Winkelschrauber | 3607200041
Hersteller: BOSCH
Artikelnummer: EB-0602472207-3607200041
Netto: 38,04 € zzgl. MwSt.
zzgl. 6,90 € Versand (brutto)
einmalig pro Bestellung

Lieferzeit: 5 Werktage

Pos.
58
BOSCH Handgriff | Ersatzteile für Winkelschrauber | 3605132040
Hersteller: BOSCH
Artikelnummer: EB-0602472207-3605132040
Netto: 16,70 € zzgl. MwSt.
zzgl. 6,90 € Versand (brutto)
einmalig pro Bestellung

Lieferzeit: 5 Werktage

Pos.
59
BOSCH Tülle Ø9,2-Ø12x120 MM | Ersatzteile für Winkelschrauber | 3600703011
Hersteller: BOSCH
Artikelnummer: EB-0602472207-3600703011
Netto: 4,80 € zzgl. MwSt.
zzgl. 6,90 € Versand (brutto)
einmalig pro Bestellung

Lieferzeit: 5 Werktage

Pos.
60
BOSCH Wendelleitung | Ersatzteile für Winkelschrauber | 3604462005
Hersteller: BOSCH
Artikelnummer: EB-0602472207-3604462005
Netto: 67,72 € zzgl. MwSt.
zzgl. 6,90 € Versand (brutto)
einmalig pro Bestellung

Lieferzeit: 5 Werktage

Pos.
61
BOSCH Blechschraube DIN 7971-BZ3,9x19 | Ersatzteile für Winkelschrauber | 2910211020
Hersteller: BOSCH
Artikelnummer: EB-0602472207-2910211020
Netto: 4,36 € zzgl. MwSt.
zzgl. 6,90 € Versand (brutto)
einmalig pro Bestellung

Lieferzeit: 5 Werktage

Pos.
62
BOSCH Zylinderschraube DIN 84-AM4x6-8.8 | Ersatzteile für Winkelschrauber | 2910021116
Hersteller: BOSCH
Artikelnummer: EB-0602472207-2910021116
Netto: 4,36 € zzgl. MwSt.
zzgl. 6,90 € Versand (brutto)
einmalig pro Bestellung

Lieferzeit: 5 Werktage

Pos.
63
BOSCH Befestigungsschelle | Ersatzteile für Winkelschrauber | 1601302014
Hersteller: BOSCH
Artikelnummer: EB-0602472207-1601302014
Netto: 4,56 € zzgl. MwSt.
zzgl. 6,90 € Versand (brutto)
einmalig pro Bestellung

Lieferzeit: 5 Werktage

Pos.
65
BOSCH Schalter | Ersatzteile für Winkelschrauber | 3607200000
Hersteller: BOSCH
Artikelnummer: EB-0602472207-3607200000
Netto: 16,70 € zzgl. MwSt.
zzgl. 6,90 € Versand (brutto)
einmalig pro Bestellung

Lieferzeit: 5 Werktage

Pos.
67
BOSCH Aderendhülse | Ersatzteile für Winkelschrauber | 3604477008
Hersteller: BOSCH
Artikelnummer: EB-0602472207-3604477008
Netto: 3,60 € zzgl. MwSt.
zzgl. 6,90 € Versand (brutto)
einmalig pro Bestellung

Lieferzeit: 5 Werktage

Pos.
68
BOSCH Pvc-Elektr Leitung | Ersatzteile für Winkelschrauber | 3604412000
Hersteller: BOSCH
Artikelnummer: EB-0602472207-3604412000
nur Informationsartikel
Nie mehr lieferbar
keine Alternativen
Pos.
69
BOSCH Elktr Leitg M Anschluss | Ersatzteile für Winkelschrauber | 3604412008
Hersteller: BOSCH
Artikelnummer: EB-0602472207-3604412008
Netto: 12,00 € zzgl. MwSt.
zzgl. 6,90 € Versand (brutto)
einmalig pro Bestellung

Lieferzeit: 5 Werktage

Pos.
70
BOSCH Leitungshalter | Ersatzteile für Winkelschrauber | 3601025001
Hersteller: BOSCH
Artikelnummer: EB-0602472207-3601025001
Netto: 3,75 € zzgl. MwSt.
zzgl. 6,90 € Versand (brutto)
einmalig pro Bestellung

Lieferzeit: 5 Werktage

Pos.
73
BOSCH Fächerscheibe A 4,3 DIN 6798-ST | Ersatzteile für Winkelschrauber | 2916070006
Hersteller: BOSCH
Artikelnummer: EB-0602472207-2916070006
Netto: 3,60 € zzgl. MwSt.
zzgl. 6,90 € Versand (brutto)
einmalig pro Bestellung

Lieferzeit: 5 Werktage

Pos.
76
BOSCH Kupplungsstecker | Ersatzteile für Winkelschrauber | 3604484003
Hersteller: BOSCH
Artikelnummer: EB-0602472207-3604484003
nur Informationsartikel
Nie mehr lieferbar
keine Alternativen
Pos.
95
BOSCH Typschild | Ersatzteile für Winkelschrauber | 3601106053
Hersteller: BOSCH
Artikelnummer: EB-0602472207-3601106053
Netto: 6,27 € zzgl. MwSt.
zzgl. 6,90 € Versand (brutto)
einmalig pro Bestellung

Lieferzeit: 5 Werktage

Pos.
96
BOSCH Firmenschild | Ersatzteile für Winkelschrauber | 1601110483
Hersteller: BOSCH
Artikelnummer: EB-0602472207-1601110483
Netto: 4,56 € zzgl. MwSt.
zzgl. 6,90 € Versand (brutto)
einmalig pro Bestellung

Lieferzeit: 5 Werktage

Pos.
98
BOSCH Klebeschild | Ersatzteile für Winkelschrauber | 3601103012
Hersteller: BOSCH
Artikelnummer: EB-0602472207-3601103012
Netto: 4,31 € zzgl. MwSt.
zzgl. 6,90 € Versand (brutto)
einmalig pro Bestellung

Lieferzeit: 5 Werktage

Pos.
99
BOSCH Klebeschild | Ersatzteile für Winkelschrauber | 3601119066
Hersteller: BOSCH
Artikelnummer: EB-0602472207-3601119066
nur Informationsartikel
Nie mehr lieferbar
keine Alternativen
Pos.
226
BOSCH Ritzel | Ersatzteile für Winkelschrauber | 3606300059
Hersteller: BOSCH
Artikelnummer: EB-0602472207-3606300059
Netto: 43,44 € zzgl. MwSt.
zzgl. 6,90 € Versand (brutto)
einmalig pro Bestellung

Lieferzeit: 5 Werktage

Pos.
227
BOSCH Anschlagscheibe | Ersatzteile für Winkelschrauber | 3600101004
Hersteller: BOSCH
Artikelnummer: EB-0602472207-3600101004
Netto: 4,56 € zzgl. MwSt.
zzgl. 6,90 € Versand (brutto)
einmalig pro Bestellung

Lieferzeit: 5 Werktage

Pos.
228
BOSCH Zahnkranz | Ersatzteile für Winkelschrauber | 3606334045
Hersteller: BOSCH
Artikelnummer: EB-0602472207-3606334045
Netto: 326,19 € zzgl. MwSt.
zzgl. 6,90 € Versand (brutto)
einmalig pro Bestellung

Lieferzeit: 5 Werktage

Pos.
229
BOSCH Planetenträger | Ersatzteile für Winkelschrauber | 3606337087
Hersteller: BOSCH
Artikelnummer: EB-0602472207-3606337087
nur Informationsartikel
Nie mehr lieferbar
keine Alternativen
Pos.
231
BOSCH Nadelkranz | Ersatzteile für Winkelschrauber | 3600910000
Hersteller: BOSCH
Artikelnummer: EB-0602472207-3600910000
Netto: 5,65 € zzgl. MwSt.
zzgl. 6,90 € Versand (brutto)
einmalig pro Bestellung

Lieferzeit: 5 Werktage

Pos.
232
BOSCH Nadelrolle | Ersatzteile für Winkelschrauber | 3603201005
Hersteller: BOSCH
Artikelnummer: EB-0602472207-3603201005
Netto: 4,80 € zzgl. MwSt.
zzgl. 6,90 € Versand (brutto)
einmalig pro Bestellung

Lieferzeit: 5 Werktage

Pos.
234
BOSCH Nadelrolle | Ersatzteile für Winkelschrauber | 3603201031
Hersteller: BOSCH
Artikelnummer: EB-0602472207-3603201031
Netto: 4,56 € zzgl. MwSt.
zzgl. 6,90 € Versand (brutto)
einmalig pro Bestellung

Lieferzeit: 5 Werktage

Pos.
235
BOSCH Rillenkugellager 25x37x7 | Ersatzteile für Winkelschrauber | 3600905001
Hersteller: BOSCH
Artikelnummer: EB-0602472207-3600905001
Netto: 26,41 € zzgl. MwSt.
zzgl. 6,90 € Versand (brutto)
einmalig pro Bestellung

Lieferzeit: 5 Werktage

Pos.
236
BOSCH Planetenträger | Ersatzteile für Winkelschrauber | 3606337090
Hersteller: BOSCH
Artikelnummer: EB-0602472207-3606337090
nur Informationsartikel
Nie mehr lieferbar
keine Alternativen
Pos.
237
BOSCH Stirnrad | Ersatzteile für Winkelschrauber | 3606316105
Hersteller: BOSCH
Artikelnummer: EB-0602472207-3606316105
Netto: 32,16 € zzgl. MwSt.
zzgl. 6,90 € Versand (brutto)
einmalig pro Bestellung

Lieferzeit: 5 Werktage

Pos.
238
BOSCH Distanzring | Ersatzteile für Winkelschrauber | 3600101012
Hersteller: BOSCH
Artikelnummer: EB-0602472207-3600101012
Netto: 15,15 € zzgl. MwSt.
zzgl. 6,90 € Versand (brutto)
einmalig pro Bestellung

Lieferzeit: 5 Werktage

Pos.
239
BOSCH Rillenkugellager | Ersatzteile für Winkelschrauber | 3600905057
Hersteller: BOSCH
Artikelnummer: EB-0602472207-3600905057
Netto: 18,86 € zzgl. MwSt.
zzgl. 6,90 € Versand (brutto)
einmalig pro Bestellung

Lieferzeit: 5 Werktage

Pos.
247
BOSCH Haltescheibe | Ersatzteile für Winkelschrauber | 3600102002
Hersteller: BOSCH
Artikelnummer: EB-0602472207-3600102002
nur Informationsartikel
Nie mehr lieferbar
keine Alternativen
Pos.
249
BOSCH Nadelrolle | Ersatzteile für Winkelschrauber | 3603201030
Hersteller: BOSCH
Artikelnummer: EB-0602472207-3603201030
Netto: 4,80 € zzgl. MwSt.
zzgl. 6,90 € Versand (brutto)
einmalig pro Bestellung

Lieferzeit: 5 Werktage

Pos.
250
BOSCH Rillenkugellager | Ersatzteile für Winkelschrauber | 3600905103
Hersteller: BOSCH
Artikelnummer: EB-0602472207-3600905103
Netto: 20,80 € zzgl. MwSt.
zzgl. 6,90 € Versand (brutto)
einmalig pro Bestellung

Lieferzeit: 5 Werktage

Pos.
251
BOSCH Verschlussscheibe | Ersatzteile für Winkelschrauber | 2916090009
Hersteller: BOSCH
Artikelnummer: EB-0602472207-2916090009
nur Informationsartikel
Nie mehr lieferbar
keine Alternativen
Pos.
339
BOSCH Spindelgehaeuse | Ersatzteile für Winkelschrauber | 3608873665
Hersteller: BOSCH
Artikelnummer: EB-0602472207-3608873665
nur Informationsartikel
Nie mehr lieferbar
keine Alternativen
Pos.
341
BOSCH Überwurfmutter | Ersatzteile für Winkelschrauber | 3603340015
Hersteller: BOSCH
Artikelnummer: EB-0602472207-3603340015
nur Informationsartikel
Nie mehr lieferbar
keine Alternativen
Pos.
342
BOSCH Sprengring | Ersatzteile für Winkelschrauber | 3600224017
Hersteller: BOSCH
Artikelnummer: EB-0602472207-3600224017
Netto: 4,56 € zzgl. MwSt.
zzgl. 6,90 € Versand (brutto)
einmalig pro Bestellung

Lieferzeit: 5 Werktage

Pos.
344
BOSCH Lagerscheibe 15X28X2,75 | Ersatzteile für Winkelschrauber | 3600150003
Hersteller: BOSCH
Artikelnummer: EB-0602472207-3600150003
Netto: 10,62 € zzgl. MwSt.
zzgl. 6,90 € Versand (brutto)
einmalig pro Bestellung

Lieferzeit: 5 Werktage

Pos.
345
BOSCH Axialnadelkranz | Ersatzteile für Winkelschrauber | 1610913000
Hersteller: BOSCH
Artikelnummer: EB-0602472207-1610913000
Netto: 4,80 € zzgl. MwSt.
zzgl. 6,90 € Versand (brutto)
einmalig pro Bestellung

Lieferzeit: 5 Werktage

Pos.
346
BOSCH O-Ring 47,0x1,5 MM | Ersatzteile für Winkelschrauber | 3600210109
Hersteller: BOSCH
Artikelnummer: EB-0602472207-3600210109
Netto: 4,36 € zzgl. MwSt.
zzgl. 6,90 € Versand (brutto)
einmalig pro Bestellung

Lieferzeit: 5 Werktage

Pos.
355
BOSCH Axiallagerscheibe | Ersatzteile für Winkelschrauber | 1600102011
Hersteller: BOSCH
Artikelnummer: EB-0602472207-1600102011
Netto: 4,80 € zzgl. MwSt.
zzgl. 6,90 € Versand (brutto)
einmalig pro Bestellung

Lieferzeit: 5 Werktage

Pos.
356
BOSCH Axialnadelkranz | Ersatzteile für Winkelschrauber | 1600920000
Hersteller: BOSCH
Artikelnummer: EB-0602472207-1600920000
Netto: 6,27 € zzgl. MwSt.
zzgl. 6,90 € Versand (brutto)
einmalig pro Bestellung

Lieferzeit: 5 Werktage

Pos.
357
BOSCH Nadelhülse Ø14 MM | Ersatzteile für Winkelschrauber | 2600910001
Hersteller: BOSCH
Artikelnummer: EB-0602472207-2600910001
Netto: 5,65 € zzgl. MwSt.
zzgl. 6,90 € Versand (brutto)
einmalig pro Bestellung

Lieferzeit: 5 Werktage

Pos.
359
BOSCH Ausgleichscheibe | Ersatzteile für Winkelschrauber | 3600102006
Hersteller: BOSCH
Artikelnummer: EB-0602472207-3600102006
Netto: 4,56 € zzgl. MwSt.
zzgl. 6,90 € Versand (brutto)
einmalig pro Bestellung

Lieferzeit: 5 Werktage

Pos.
360
BOSCH Führungshülse | Ersatzteile für Winkelschrauber | 1600506009
Hersteller: BOSCH
Artikelnummer: EB-0602472207-1600506009
Netto: 7,66 € zzgl. MwSt.
zzgl. 6,90 € Versand (brutto)
einmalig pro Bestellung

Lieferzeit: 5 Werktage

Pos.
361
BOSCH Druckfeder | Ersatzteile für Winkelschrauber | 1604611019
Hersteller: BOSCH
Artikelnummer: EB-0602472207-1604611019
Netto: 4,80 € zzgl. MwSt.
zzgl. 6,90 € Versand (brutto)
einmalig pro Bestellung

Lieferzeit: 5 Werktage

Pos.
362
BOSCH Rastbolzen | Ersatzteile für Winkelschrauber | 1603124085
Hersteller: BOSCH
Artikelnummer: EB-0602472207-1603124085
Netto: 5,17 € zzgl. MwSt.
zzgl. 6,90 € Versand (brutto)
einmalig pro Bestellung

Lieferzeit: 5 Werktage

Pos.
650
BOSCH Aufhängebügel | Ersatzteile für Winkelschrauber | 3604720023
Hersteller: BOSCH
Artikelnummer: EB-0602472207-3604720023
nur Informationsartikel
Nie mehr lieferbar
keine Alternativen
Pos.
700
BOSCH Aufhängebügel | Ersatzteile für Winkelschrauber | 3604720010
Hersteller: BOSCH
Artikelnummer: EB-0602472207-3604720010
nur Informationsartikel
Nie mehr lieferbar
keine Alternativen
Pos.
701
BOSCH Anschlagwinkel | Ersatzteile für Winkelschrauber | 3601328001
Hersteller: BOSCH
Artikelnummer: EB-0602472207-3601328001
nur Informationsartikel
Nie mehr lieferbar
keine Alternativen
Pos.
702
BOSCH Anschlagwinkel | Ersatzteile für Winkelschrauber | 3601328003
Hersteller: BOSCH
Artikelnummer: EB-0602472207-3601328003
nur Informationsartikel
Nie mehr lieferbar
keine Alternativen
Pos.
703
BOSCH Flachstück | Ersatzteile für Winkelschrauber | 3602319003
Hersteller: BOSCH
Artikelnummer: EB-0602472207-3602319003
nur Informationsartikel
Nie mehr lieferbar
keine Alternativen
Pos.
810
BOSCH Ständer 72V/200HZ | Ersatzteile für Winkelschrauber | 3604229007
Hersteller: BOSCH
Artikelnummer: EB-0602472207-3604229007
Netto: 268,24 € zzgl. MwSt.
zzgl. 6,90 € Versand (brutto)
einmalig pro Bestellung

Lieferzeit: 5 Werktage

Pos.
230
BOSCH Stirnrad Z=20 | Ersatzteile für Winkelschrauber | 3606316051
Hersteller: BOSCH
Artikelnummer: EB-0602472207-3606316051
Netto: 28,93 € zzgl. MwSt.
zzgl. 6,90 € Versand (brutto)
einmalig pro Bestellung

Lieferzeit: 5 Werktage

Pos.
248
BOSCH Anschlagscheibe | Ersatzteile für Winkelschrauber | 3600100006
Hersteller: BOSCH
Artikelnummer: EB-0602472207-3600100006
Netto: 6,75 € zzgl. MwSt.
zzgl. 6,90 € Versand (brutto)
einmalig pro Bestellung

Lieferzeit: 5 Werktage

Pos.
343
BOSCH Gewindering | Ersatzteile für Winkelschrauber | 3603340006
Hersteller: BOSCH
Artikelnummer: EB-0602472207-3603340006
Netto: 20,80 € zzgl. MwSt.
zzgl. 6,90 € Versand (brutto)
einmalig pro Bestellung

Lieferzeit: 5 Werktage

Pos.
347
BOSCH Nadelhülse | Ersatzteile für Winkelschrauber | 3600917010
Hersteller: BOSCH
Artikelnummer: EB-0602472207-3600917010
Netto: 23,72 € zzgl. MwSt.
zzgl. 6,90 € Versand (brutto)
einmalig pro Bestellung

Lieferzeit: 5 Werktage

Pos.
348
BOSCH Nadellager | Ersatzteile für Winkelschrauber | 2000910002
Hersteller: BOSCH
Artikelnummer: EB-0602472207-2000910002
Netto: 5,17 € zzgl. MwSt.
zzgl. 6,90 € Versand (brutto)
einmalig pro Bestellung

Lieferzeit: 5 Werktage

Pos.
350
BOSCH Kegelrad Z=8 | Ersatzteile für Winkelschrauber | 3606100010
Hersteller: BOSCH
Artikelnummer: EB-0602472207-3606100010
Netto: 166,58 € zzgl. MwSt.
zzgl. 6,90 € Versand (brutto)
einmalig pro Bestellung

Lieferzeit: 5 Werktage

Pos.
351
BOSCH Tellerrad Z=16 | Ersatzteile für Winkelschrauber | 3606100008
Hersteller: BOSCH
Artikelnummer: EB-0602472207-3606100008
Netto: 206,84 € zzgl. MwSt.
zzgl. 6,90 € Versand (brutto)
einmalig pro Bestellung

Lieferzeit: 5 Werktage

Pos.
352
BOSCH Lagerflansch | Ersatzteile für Winkelschrauber | 3603490001
Hersteller: BOSCH
Artikelnummer: EB-0602472207-3603490001
Netto: 91,88 € zzgl. MwSt.
zzgl. 6,90 € Versand (brutto)
einmalig pro Bestellung

Lieferzeit: 5 Werktage

Pos.
353
BOSCH O-Ring 20x2 MM | Ersatzteile für Winkelschrauber | 1900210118
Hersteller: BOSCH
Artikelnummer: EB-0602472207-1900210118
Netto: 4,80 € zzgl. MwSt.
zzgl. 6,90 € Versand (brutto)
einmalig pro Bestellung

Lieferzeit: 5 Werktage

Pos.
354
BOSCH Nadelkranz | Ersatzteile für Winkelschrauber | 3600915001
Hersteller: BOSCH
Artikelnummer: EB-0602472207-3600915001
Netto: 12,50 € zzgl. MwSt.
zzgl. 6,90 € Versand (brutto)
einmalig pro Bestellung

Lieferzeit: 5 Werktage

Pos.
358
BOSCH Nadelrolle | Ersatzteile für Winkelschrauber | 3603201037
Hersteller: BOSCH
Artikelnummer: EB-0602472207-3603201037
Netto: 9,05 € zzgl. MwSt.
zzgl. 6,90 € Versand (brutto)
einmalig pro Bestellung

Lieferzeit: 5 Werktage

Pos.
359
BOSCH Ausgleichscheibe | Ersatzteile für Winkelschrauber | 3600102005
Hersteller: BOSCH
Artikelnummer: EB-0602472207-3600102005
Netto: 5,17 € zzgl. MwSt.
zzgl. 6,90 € Versand (brutto)
einmalig pro Bestellung

Lieferzeit: 5 Werktage

Angaben zur Produktsicherheit

Hersteller:
Robert Bosch Power Tools GmbH
Postfach 30 02 20
70442 Stuttgart

E-Mail:
kontakt@bosch.de