MAKITA O-Ring 46 | Ersatzteile für 4157KB | 213621-1

Artikelnummer: EMK-4157KB-213621-1

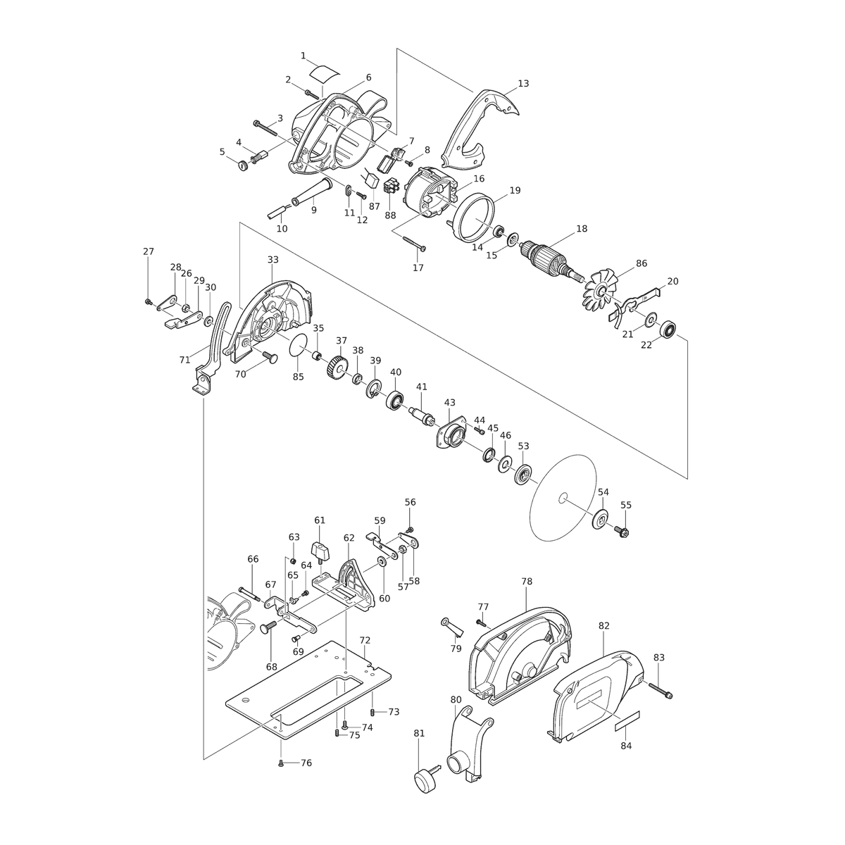
Position: 085

Marke: MAKITA


Bitte Kompatibilität prüfen!

Bitte prüfen Sie unbedingt die Typennummer Ihrer Maschine / Ihres Gerätes. Das Ersatzteil ist nur kompatibel, wenn Sie die Typennummer Ihrer Maschine in der unten stehenden Produktbeschreibung finden.

Bitte prüfen Sie ebenfalls detailliert die Explosionszeichnung mit Ihrem Artikelwunsch und der jeweiligen Pos-Nummer.

Alle Elemente, welche vom schwarzen Strich der Pos-Nummer ausgehend berührt / erfasst werden, gehören zu dieser Pos-Nummer und somit zu diesem Artikel. Jede Pos-Nummer ist ein eigenständiger Artikel, welchen Sie in der Auflistung finden.

Sie erhalten stets die aktuellste, neueste Produktversion zu der gewählten Pos-Nummer seitens des Herstellers. Es kann daher je nach Gerätealter vorkommen, dass Sie ggf. weitere, zugehörige Elemente, welche an diese Pos-Nummer grenzen, ebenfalls mittauschen müssen.

Nähere Informationen finden Sie unter dem Link
Hinweise zu Ihrer MAKITA Ersatzteilsuche

Preisübersicht

Einzelpreis: 4,05 €* (Brutto: 4,82 €)
Gesamtpreis: 4,05 €* 
Position:

Lieferzeit: 5 Werktage


Beschreibung

  • O-Ring 46
  • Original MAKITA Zubehör / MAKITA Ersatzteil (213621-1)
  • im Gerät verbaut: 1
Dieses MAKITA Ersatzteil ist mit folgendem Gerät und Modell kompatibel:
  • MAKITA Gerätename: 4157KB
  • MAKITA Explosionszeichnung: Position 125339
  • MAKITA Typennummer: 4157KB
  • MAKITA Typennummer alternative Schreibweisen: 4157-KB, 4157 KB
    Bitte prüfen Sie diese Typennummer auf Ihrem Gerät um die Kompatibilität des MAKITA Ersatzteils zu gewährleisten.
Weitere MAKITA Ersatzteile des Gerätes 4157KB () mit der Typennummer 4157KB finden Sie in der nachfolgenden Darstellung und im Dropdown zu Ihrer Auswahl:

Pos.
001
MAKITA Typenschild 4157KB | Ersatzteile für 4157KB | 853464-5
Hersteller: Makita
Artikelnummer: EMK-4157KB-853464-5
nur Informationsartikel
Nie mehr lieferbar
keine Alternativen
Pos.
007-1
MAKITA Schalter | Ersatzteile für 4157KB | 651194-0
Hersteller: Makita
Artikelnummer: EMK-4157KB-651194-0
nur Informationsartikel
Nie mehr lieferbar
keine Alternativen
Pos.
009-1
MAKITA Kabelschutz 10 | Ersatzteile für 4157KB | 682505-8
Hersteller: Makita
Artikelnummer: EMK-4157KB-682505-8
Netto: 4,81 € zzgl. MwSt.
zzgl. 6,90 € Versand (brutto)
einmalig pro Bestellung

Lieferzeit: 5 Werktage

Pos.
010-1
MAKITA Stromversorgungskabel 1.0-2-4.0 | Ersatzteile für 4157KB | 665890-4
Hersteller: Makita
Artikelnummer: EMK-4157KB-665890-4
Netto: 18,99 € zzgl. MwSt.
zzgl. 6,90 € Versand (brutto)
einmalig pro Bestellung

Lieferzeit: 5 Werktage

Pos.
011-1
MAKITA Zugentlastung | Ersatzteile für 4157KB | 687052-4
Hersteller: Makita
Artikelnummer: EMK-4157KB-687052-4
Netto: 3,86 € zzgl. MwSt.
zzgl. 6,90 € Versand (brutto)
einmalig pro Bestellung

Lieferzeit: 5 Werktage

Pos.
016-1
MAKITA Feldeinheit 220V | Ersatzteile für 4157KB | 596068-7
Hersteller: Makita
Artikelnummer: EMK-4157KB-596068-7
nur Informationsartikel
Nie mehr lieferbar
keine Alternativen
Pos.
030-1
MAKITA Unterlegscheibe 8 | Ersatzteile für 4157KB | 253766-3
Hersteller: Makita
Artikelnummer: EMK-4157KB-253766-3
Netto: 4,24 € zzgl. MwSt.
zzgl. 6,90 € Versand (brutto)
einmalig pro Bestellung

Lieferzeit: 5 Werktage

Pos.
041-1
MAKITA Spindel | Ersatzteile für 4157KB | 324257-2
Hersteller: Makita
Artikelnummer: EMK-4157KB-324257-2
Netto: 29,94 € zzgl. MwSt.
zzgl. 6,90 € Versand (brutto)
einmalig pro Bestellung

Lieferzeit: 5 Werktage

Pos.
069-1
MAKITA Schulterstift 6-7 | Ersatzteile für 4157KB | 256480-0
Hersteller: Makita
Artikelnummer: EMK-4157KB-256480-0
Netto: 3,86 € zzgl. MwSt.
zzgl. 6,90 € Versand (brutto)
einmalig pro Bestellung

Lieferzeit: 5 Werktage

Pos.
073-1
MAKITA Innensechskant-Madenschraube (Kegelkuppe) M5X12 | Ersatzteile für 4157KB | 266213-5
Hersteller: Makita
Artikelnummer: EMK-4157KB-266213-5
Netto: 3,48 € zzgl. MwSt.
zzgl. 6,90 € Versand (brutto)
einmalig pro Bestellung

Lieferzeit: 5 Werktage

Pos.
A02
MAKITA Diamantsch. 180mm | Ersatzteile für 4157KB | A-87600
Hersteller: Makita
Artikelnummer: EMK-4157KB-A-87600
nur Informationsartikel
Nie mehr lieferbar
keine Alternativen
Pos.
C10
MAKITA Anschlussfeder 36L | Ersatzteile für 4157KB | 654020-2
Hersteller: Makita
Artikelnummer: EMK-4157KB-654020-2
Netto: 4,05 € zzgl. MwSt.
zzgl. 6,90 € Versand (brutto)
einmalig pro Bestellung

Lieferzeit: 5 Werktage

Pos.
C10
MAKITA O-Ring 32 | Ersatzteile für 4157KB | 213459-4
Hersteller: Makita
Artikelnummer: EMK-4157KB-213459-4
Netto: 3,86 € zzgl. MwSt.
zzgl. 6,90 € Versand (brutto)
einmalig pro Bestellung

Lieferzeit: 5 Werktage

Pos.
C20
MAKITA Nicht isolierter Spleiß | Ersatzteile für 4157KB | 654502-4
Hersteller: Makita
Artikelnummer: EMK-4157KB-654502-4
Netto: 3,86 € zzgl. MwSt.
zzgl. 6,90 € Versand (brutto)
einmalig pro Bestellung

Lieferzeit: 5 Werktage

Pos.
C20
MAKITA Nicht isolierter Spleiß 34137 | Ersatzteile für 4157KB | 654553-7
Hersteller: Makita
Artikelnummer: EMK-4157KB-654553-7
Netto: 3,86 € zzgl. MwSt.
zzgl. 6,90 € Versand (brutto)
einmalig pro Bestellung

Lieferzeit: 5 Werktage

Pos.
002
MAKITA Flachkopfschraube M4X25 WR | Ersatzteile für 4157KB | 911148-2
Hersteller: Makita
Artikelnummer: EMK-4157KB-911148-2
nur Informationsartikel
Nie mehr lieferbar
keine Alternativen
Pos.
003
MAKITA Flachkopfschraube M5X50 WR | Ersatzteile für 4157KB | 911273-9
Hersteller: Makita
Artikelnummer: EMK-4157KB-911273-9
Netto: 4,05 € zzgl. MwSt.
zzgl. 6,90 € Versand (brutto)
einmalig pro Bestellung

Lieferzeit: 5 Werktage

Pos.
005
MAKITA Halterkappe 6.5-13.5 | Ersatzteile für 4157KB | 643650-4
Hersteller: Makita
Artikelnummer: EMK-4157KB-643650-4
Netto: 3,86 € zzgl. MwSt.
zzgl. 6,90 € Versand (brutto)
einmalig pro Bestellung

Lieferzeit: 5 Werktage

Pos.
007
MAKITA Schalter | Ersatzteile für 4157KB | 651165-7
Hersteller: Makita
Artikelnummer: EMK-4157KB-651165-7
nur Informationsartikel
Nie mehr lieferbar
keine Alternativen
Pos.
008
MAKITA Bindekopf-Blechschraube 4X12 | Ersatzteile für 4157KB | 266020-6
Hersteller: Makita
Artikelnummer: EMK-4157KB-266020-6
Netto: 3,86 € zzgl. MwSt.
zzgl. 6,90 € Versand (brutto)
einmalig pro Bestellung

Lieferzeit: 5 Werktage

Pos.
009
MAKITA Kabelschutz 9.3-90 | Ersatzteile für 4157KB | 682540-6
Hersteller: Makita
Artikelnummer: EMK-4157KB-682540-6
Netto: 4,14 € zzgl. MwSt.
zzgl. 6,90 € Versand (brutto)
einmalig pro Bestellung

Lieferzeit: 5 Werktage

Pos.
010
MAKITA Stromversorgungskabel 1.0-2-4.0 | Ersatzteile für 4157KB | 699014-0
Hersteller: Makita
Artikelnummer: EMK-4157KB-699014-0
nur Informationsartikel
Nie mehr lieferbar
keine Alternativen
Pos.
011
MAKITA Zugentlastung | Ersatzteile für 4157KB | 687031-2
Hersteller: Makita
Artikelnummer: EMK-4157KB-687031-2
nur Informationsartikel
Nie mehr lieferbar
keine Alternativen
Pos.
012
MAKITA Bindekopf-Blechschraube 4X18 | Ersatzteile für 4157KB | 265995-6
Hersteller: Makita
Artikelnummer: EMK-4157KB-265995-6
Netto: 3,86 € zzgl. MwSt.
zzgl. 6,90 € Versand (brutto)
einmalig pro Bestellung

Lieferzeit: 5 Werktage

Pos.
013
MAKITA Griffabdeckung | Ersatzteile für 4157KB | 410201-6
Hersteller: Makita
Artikelnummer: EMK-4157KB-410201-6
Netto: 11,57 € zzgl. MwSt.
zzgl. 6,90 € Versand (brutto)
einmalig pro Bestellung

Lieferzeit: 5 Werktage

Pos.
014
MAKITA Kugellager 608DDW | Ersatzteile für 4157KB | 210005-4
Hersteller: Makita
Artikelnummer: EMK-4157KB-210005-4
Netto: 10,24 € zzgl. MwSt.
zzgl. 6,90 € Versand (brutto)
einmalig pro Bestellung

Lieferzeit: 5 Werktage

Pos.
015
MAKITA Isolierscheibe | Ersatzteile für 4157KB | 681625-5
Hersteller: Makita
Artikelnummer: EMK-4157KB-681625-5
Netto: 4,24 € zzgl. MwSt.
zzgl. 6,90 € Versand (brutto)
einmalig pro Bestellung

Lieferzeit: 5 Werktage

Pos.
016
MAKITA Feldeinheit 220V | Ersatzteile für 4157KB | 590012-6
Hersteller: Makita
Artikelnummer: EMK-4157KB-590012-6
nur Informationsartikel
Nie mehr lieferbar
keine Alternativen
Pos.
017
MAKITA Bindekopf-Blechschraube 5X50 | Ersatzteile für 4157KB | 266046-8
Hersteller: Makita
Artikelnummer: EMK-4157KB-266046-8
Netto: 4,24 € zzgl. MwSt.
zzgl. 6,90 € Versand (brutto)
einmalig pro Bestellung

Lieferzeit: 5 Werktage

Pos.
018
MAKITA Ankerbaugruppe 220V | Ersatzteile für 4157KB | 510040-5
Hersteller: Makita
Artikelnummer: EMK-4157KB-510040-5
Netto: 96,77 € zzgl. MwSt.
zzgl. 6,90 € Versand (brutto)
einmalig pro Bestellung

Lieferzeit: 5 Werktage

Pos.
020
MAKITA Spindelarretierung | Ersatzteile für 4157KB | 163113-9
Hersteller: Makita
Artikelnummer: EMK-4157KB-163113-9
nur Informationsartikel
Nie mehr lieferbar
keine Alternativen
Pos.
021
MAKITA Staubdichtung 12 | Ersatzteile für 4157KB | 213102-5
Hersteller: Makita
Artikelnummer: EMK-4157KB-213102-5
Netto: 4,81 € zzgl. MwSt.
zzgl. 6,90 € Versand (brutto)
einmalig pro Bestellung

Lieferzeit: 5 Werktage

Pos.
022
MAKITA Kugellager 6201DDW | Ersatzteile für 4157KB | 211129-9
Hersteller: Makita
Artikelnummer: EMK-4157KB-211129-9
Netto: 10,81 € zzgl. MwSt.
zzgl. 6,90 € Versand (brutto)
einmalig pro Bestellung

Lieferzeit: 5 Werktage

Pos.
026
MAKITA Sechskantmutter M8 | Ersatzteile für 4157KB | 931402-8
Hersteller: Makita
Artikelnummer: EMK-4157KB-931402-8
Netto: 4,05 € zzgl. MwSt.
zzgl. 6,90 € Versand (brutto)
einmalig pro Bestellung

Lieferzeit: 5 Werktage

Pos.
027
MAKITA Flachkopfschraube M4X8 W | Ersatzteile für 4157KB | 911106-8
Hersteller: Makita
Artikelnummer: EMK-4157KB-911106-8
Netto: 3,48 € zzgl. MwSt.
zzgl. 6,90 € Versand (brutto)
einmalig pro Bestellung

Lieferzeit: 5 Werktage

Pos.
028
MAKITA Sicherungsscheibe | Ersatzteile für 4157KB | 341415-5
Hersteller: Makita
Artikelnummer: EMK-4157KB-341415-5
Netto: 3,86 € zzgl. MwSt.
zzgl. 6,90 € Versand (brutto)
einmalig pro Bestellung

Lieferzeit: 5 Werktage

Pos.
029
MAKITA Hebelplatte | Ersatzteile für 4157KB | 341416-3
Hersteller: Makita
Artikelnummer: EMK-4157KB-341416-3
nur Informationsartikel
Nie mehr lieferbar
keine Alternativen
Pos.
030
MAKITA Unterlegscheibe 8 | Ersatzteile für 4157KB | 267003-9
Hersteller: Makita
Artikelnummer: EMK-4157KB-267003-9
nur Informationsartikel
Nie mehr lieferbar
keine Alternativen
Pos.
035
MAKITA Nadellager 1010 | Ersatzteile für 4157KB | 212052-1
Hersteller: Makita
Artikelnummer: EMK-4157KB-212052-1
Netto: 10,24 € zzgl. MwSt.
zzgl. 6,90 € Versand (brutto)
einmalig pro Bestellung

Lieferzeit: 5 Werktage

Pos.
038
MAKITA Ring 15 | Ersatzteile für 4157KB | 257064-7
Hersteller: Makita
Artikelnummer: EMK-4157KB-257064-7
Netto: 3,48 € zzgl. MwSt.
zzgl. 6,90 € Versand (brutto)
einmalig pro Bestellung

Lieferzeit: 5 Werktage

Pos.
039
MAKITA Haltering (INT) R-35 | Ersatzteile für 4157KB | 962153-2
Hersteller: Makita
Artikelnummer: EMK-4157KB-962153-2
Netto: 3,86 € zzgl. MwSt.
zzgl. 6,90 € Versand (brutto)
einmalig pro Bestellung

Lieferzeit: 5 Werktage

Pos.
040
MAKITA Kugellager 6202DDW | Ersatzteile für 4157KB | 211228-7
Hersteller: Makita
Artikelnummer: EMK-4157KB-211228-7
Netto: 10,24 € zzgl. MwSt.
zzgl. 6,90 € Versand (brutto)
einmalig pro Bestellung

Lieferzeit: 5 Werktage

Pos.
041
MAKITA Spindel | Ersatzteile für 4157KB | 324044-9
Hersteller: Makita
Artikelnummer: EMK-4157KB-324044-9
nur Informationsartikel
Nie mehr lieferbar
keine Alternativen
Pos.
044
MAKITA Flachkopfschraube M4X16 W | Ersatzteile für 4157KB | 911126-2
Hersteller: Makita
Artikelnummer: EMK-4157KB-911126-2
Netto: 3,86 € zzgl. MwSt.
zzgl. 6,90 € Versand (brutto)
einmalig pro Bestellung

Lieferzeit: 5 Werktage

Pos.
046
MAKITA Labyrinthring | Ersatzteile für 4157KB | 344758-4
Hersteller: Makita
Artikelnummer: EMK-4157KB-344758-4
Netto: 4,05 € zzgl. MwSt.
zzgl. 6,90 € Versand (brutto)
einmalig pro Bestellung

Lieferzeit: 5 Werktage

Pos.
053
MAKITA Aufnahmeflansch 40 | Ersatzteile für 4157KB | 224375-5
Hersteller: Makita
Artikelnummer: EMK-4157KB-224375-5
Netto: 18,99 € zzgl. MwSt.
zzgl. 6,90 € Versand (brutto)
einmalig pro Bestellung

Lieferzeit: 5 Werktage

Pos.
054
MAKITA Spannscheibe 40 | Ersatzteile für 4157KB | 224275-9
Hersteller: Makita
Artikelnummer: EMK-4157KB-224275-9
Netto: 10,24 € zzgl. MwSt.
zzgl. 6,90 € Versand (brutto)
einmalig pro Bestellung

Lieferzeit: 5 Werktage

Pos.
055
MAKITA Sechskantkopfschraube mit Flansch und Innensechskant M8X20 | Ersatzteile für 4157KB | 266283-4
Hersteller: Makita
Artikelnummer: EMK-4157KB-266283-4
Netto: 4,52 € zzgl. MwSt.
zzgl. 6,90 € Versand (brutto)
einmalig pro Bestellung

Lieferzeit: 5 Werktage

Pos.
062
MAKITA Winkelplatte | Ersatzteile für 4157KB | 317160-4
Hersteller: Makita
Artikelnummer: EMK-4157KB-317160-4
Netto: 27,85 € zzgl. MwSt.
zzgl. 6,90 € Versand (brutto)
einmalig pro Bestellung

Lieferzeit: 5 Werktage

Pos.
063
MAKITA Sechskant-Sicherungsmutter M5-8 | Ersatzteile für 4157KB | 252103-8
Hersteller: Makita
Artikelnummer: EMK-4157KB-252103-8
Netto: 3,48 € zzgl. MwSt.
zzgl. 6,90 € Versand (brutto)
einmalig pro Bestellung

Lieferzeit: 5 Werktage

Pos.
064
MAKITA Flachkopfschraube M4X8 WR | Ersatzteile für 4157KB | 911108-4
Hersteller: Makita
Artikelnummer: EMK-4157KB-911108-4
Netto: 3,86 € zzgl. MwSt.
zzgl. 6,90 € Versand (brutto)
einmalig pro Bestellung

Lieferzeit: 5 Werktage

Pos.
065
MAKITA Anzeiger | Ersatzteile für 4157KB | 344762-3
Hersteller: Makita
Artikelnummer: EMK-4157KB-344762-3
nur Informationsartikel
Nie mehr lieferbar
keine Alternativen
Pos.
066
MAKITA Flachkopf-Schulterschraube M5 | Ersatzteile für 4157KB | 265075-8
Hersteller: Makita
Artikelnummer: EMK-4157KB-265075-8
Netto: 4,24 € zzgl. MwSt.
zzgl. 6,90 € Versand (brutto)
einmalig pro Bestellung

Lieferzeit: 5 Werktage

Pos.
068
MAKITA Flachrundkopf schraube M8X28 | Ersatzteile für 4157KB | 266227-4
Hersteller: Makita
Artikelnummer: EMK-4157KB-266227-4
nur Informationsartikel
Nie mehr lieferbar
keine Alternativen
Pos.
069
MAKITA Schulterstift 6-7 | Ersatzteile für 4157KB | 256442-8
Hersteller: Makita
Artikelnummer: EMK-4157KB-256442-8
nur Informationsartikel
Nie mehr lieferbar
keine Alternativen
Pos.
070
MAKITA Flachrundkopf schraube M8X24 | Ersatzteile für 4157KB | 265965-5
Hersteller: Makita
Artikelnummer: EMK-4157KB-265965-5
nur Informationsartikel
Nie mehr lieferbar
keine Alternativen
Pos.
072
MAKITA Basis | Ersatzteile für 4157KB | 345192-1
Hersteller: Makita
Artikelnummer: EMK-4157KB-345192-1
Netto: 33,37 € zzgl. MwSt.
zzgl. 6,90 € Versand (brutto)
einmalig pro Bestellung

Lieferzeit: 5 Werktage

Pos.
073
MAKITA Stellschraube M5X12 | Ersatzteile für 4157KB | 266180-4
Hersteller: Makita
Artikelnummer: EMK-4157KB-266180-4
nur Informationsartikel
Nie mehr lieferbar
keine Alternativen
Pos.
074
MAKITA Senkkopfschraube M5X12 | Ersatzteile für 4157KB | 912212-2
Hersteller: Makita
Artikelnummer: EMK-4157KB-912212-2
Netto: 3,86 € zzgl. MwSt.
zzgl. 6,90 € Versand (brutto)
einmalig pro Bestellung

Lieferzeit: 5 Werktage

Pos.
076
MAKITA Senkkopfschraube M4X8 | Ersatzteile für 4157KB | 265085-5
Hersteller: Makita
Artikelnummer: EMK-4157KB-265085-5
Netto: 4,05 € zzgl. MwSt.
zzgl. 6,90 € Versand (brutto)
einmalig pro Bestellung

Lieferzeit: 5 Werktage

Pos.
079
MAKITA Erdungsplatte | Ersatzteile für 4157KB | 344761-5
Hersteller: Makita
Artikelnummer: EMK-4157KB-344761-5
Netto: 4,24 € zzgl. MwSt.
zzgl. 6,90 € Versand (brutto)
einmalig pro Bestellung

Lieferzeit: 5 Werktage

Pos.
080
MAKITA Staubkappe komplett | Ersatzteile für 4157KB | 151564-8
Hersteller: Makita
Artikelnummer: EMK-4157KB-151564-8
Netto: 12,42 € zzgl. MwSt.
zzgl. 6,90 € Versand (brutto)
einmalig pro Bestellung

Lieferzeit: 5 Werktage

Pos.
081
MAKITA Kappe | Ersatzteile für 4157KB | 421362-7
Hersteller: Makita
Artikelnummer: EMK-4157KB-421362-7
Netto: 4,81 € zzgl. MwSt.
zzgl. 6,90 € Versand (brutto)
einmalig pro Bestellung

Lieferzeit: 5 Werktage

Pos.
083
MAKITA Flachkopfschraube M5X40 WR | Ersatzteile für 4157KB | 911263-2
Hersteller: Makita
Artikelnummer: EMK-4157KB-911263-2
Netto: 4,05 € zzgl. MwSt.
zzgl. 6,90 € Versand (brutto)
einmalig pro Bestellung

Lieferzeit: 5 Werktage

Pos.
084
MAKITA Firmenschild makita-logo | Ersatzteile für 4157KB | 819003-1
Hersteller: Makita
Artikelnummer: EMK-4157KB-819003-1
Netto: 3,86 € zzgl. MwSt.
zzgl. 6,90 € Versand (brutto)
einmalig pro Bestellung

Lieferzeit: 5 Werktage

Pos.
085
MAKITA O-Ring 46 | Ersatzteile für 4157KB | 213621-1
Hersteller: Makita
Artikelnummer: EMK-4157KB-213621-1
Netto: 4,05 € zzgl. MwSt.
zzgl. 6,90 € Versand (brutto)
einmalig pro Bestellung

Lieferzeit: 5 Werktage

Pos.
086
MAKITA Ventilator 92 | Ersatzteile für 4157KB | 241513-4
Hersteller: Makita
Artikelnummer: EMK-4157KB-241513-4
nur Informationsartikel
Nie mehr lieferbar
keine Alternativen
Pos.
089
MAKITA Haltering (EXT) S-15 | Ersatzteile für 4157KB | 961055-9
Hersteller: Makita
Artikelnummer: EMK-4157KB-961055-9
Netto: 3,86 € zzgl. MwSt.
zzgl. 6,90 € Versand (brutto)
einmalig pro Bestellung

Lieferzeit: 5 Werktage

Angaben zur Produktsicherheit

Hersteller:
Makita-Werkzeug GmbH
Makita-Platz 1
40885 Ratingen

E-Mail:
info@makita.de