MAKITA Kugellager 608LLB | Ersatzteile für 4304 | 211031-6

Artikelnummer: EMK-4304-211031-6

Position: 038

Marke: MAKITA


Bitte Kompatibilität prüfen!

Bitte prüfen Sie unbedingt die Typennummer Ihrer Maschine / Ihres Gerätes. Das Ersatzteil ist nur kompatibel, wenn Sie die Typennummer Ihrer Maschine in der unten stehenden Produktbeschreibung finden.

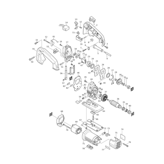
Bitte prüfen Sie ebenfalls detailliert die Explosionszeichnung mit Ihrem Artikelwunsch und der jeweiligen Pos-Nummer.

Alle Elemente, welche vom schwarzen Strich der Pos-Nummer ausgehend berührt / erfasst werden, gehören zu dieser Pos-Nummer und somit zu diesem Artikel. Jede Pos-Nummer ist ein eigenständiger Artikel, welchen Sie in der Auflistung finden.

Sie erhalten stets die aktuellste, neueste Produktversion zu der gewählten Pos-Nummer seitens des Herstellers. Es kann daher je nach Gerätealter vorkommen, dass Sie ggf. weitere, zugehörige Elemente, welche an diese Pos-Nummer grenzen, ebenfalls mittauschen müssen.

Nähere Informationen finden Sie unter dem Link
Hinweise zu Ihrer MAKITA Ersatzteilsuche

Preisübersicht

Einzelpreis: 6,14 €* (Brutto: 7,31 €)
Gesamtpreis: 6,14 €* 
Position:

Lieferzeit: 5 Werktage


Beschreibung

  • Kugellager 608LLB
  • Original MAKITA Zubehör / MAKITA Ersatzteil (211031-6)
  • im Gerät verbaut: 1
Dieses MAKITA Ersatzteil ist mit folgendem Gerät und Modell kompatibel:
  • MAKITA Gerätename: 4304
  • MAKITA Explosionszeichnung: Position 171922
  • MAKITA Typennummer: 4304
  • MAKITA Typennummer alternative Schreibweisen: 4304, 4304
    Bitte prüfen Sie diese Typennummer auf Ihrem Gerät um die Kompatibilität des MAKITA Ersatzteils zu gewährleisten.
Weitere MAKITA Ersatzteile des Gerätes 4304 () mit der Typennummer 4304 finden Sie in der nachfolgenden Darstellung und im Dropdown zu Ihrer Auswahl:

Pos.
001
MAKITA Schalter TG71B | Ersatzteile für 4304 | 651922-3
Hersteller: MAKITA
Artikelnummer: EMK-4304-651922-3
Netto: 13,38 € zzgl. MwSt.
zzgl. 6,90 € Versand (brutto)
einmalig pro Bestellung

Lieferzeit: 5 Werktage

Pos.
003A1
MAKITA Bindekopf-Blechschraube 4X20 | Ersatzteile für 4304 | 266045-0
Hersteller: MAKITA
Artikelnummer: EMK-4304-266045-0
Netto: 3,86 € zzgl. MwSt.
zzgl. 6,90 € Versand (brutto)
einmalig pro Bestellung

Lieferzeit: 5 Werktage

Pos.
003A_
MAKITA Bindekopf-Blechschraube 4X20 | Ersatzteile für 4304 | 266120-2
Hersteller: MAKITA
Artikelnummer: EMK-4304-266120-2
nur Informationsartikel
Nie mehr lieferbar
keine Alternativen
Pos.
004M_
MAKITA Stromversorgungskabel 1.0-2-2.5 | Ersatzteile für 4304 | 665394-6
Hersteller: MAKITA
Artikelnummer: EMK-4304-665394-6
Netto: 10,81 € zzgl. MwSt.
zzgl. 6,90 € Versand (brutto)
einmalig pro Bestellung

Lieferzeit: 5 Werktage

Pos.
005A_
MAKITA Kabelschutz 8-85 | Ersatzteile für 4304 | 682502-4
Hersteller: MAKITA
Artikelnummer: EMK-4304-682502-4
Netto: 4,81 € zzgl. MwSt.
zzgl. 6,90 € Versand (brutto)
einmalig pro Bestellung

Lieferzeit: 5 Werktage

Pos.
006A_
MAKITA Zugentlastung | Ersatzteile für 4304 | 687052-4
Hersteller: MAKITA
Artikelnummer: EMK-4304-687052-4
Netto: 3,86 € zzgl. MwSt.
zzgl. 6,90 € Versand (brutto)
einmalig pro Bestellung

Lieferzeit: 5 Werktage

Pos.
007A1
MAKITA Bindekopf-Blechschraube 4X18 | Ersatzteile für 4304 | 265995-6
Hersteller: MAKITA
Artikelnummer: EMK-4304-265995-6
Netto: 3,86 € zzgl. MwSt.
zzgl. 6,90 € Versand (brutto)
einmalig pro Bestellung

Lieferzeit: 5 Werktage

Pos.
007A_
MAKITA Bindekopf-Blechschraube 4X18 | Ersatzteile für 4304 | 266121-0
Hersteller: MAKITA
Artikelnummer: EMK-4304-266121-0
nur Informationsartikel
Nie mehr lieferbar
keine Alternativen
Pos.
014C1
MAKITA Controller LO3-1103 | Ersatzteile für 4304 | 631678-4
Hersteller: MAKITA
Artikelnummer: EMK-4304-631678-4
Netto: 20,99 € zzgl. MwSt.
zzgl. 6,90 € Versand (brutto)
einmalig pro Bestellung

Lieferzeit: 5 Werktage

Pos.
014C_
MAKITA Controller 200-240V | Ersatzteile für 4304 | 631202-3
Hersteller: MAKITA
Artikelnummer: EMK-4304-631202-3
nur Informationsartikel
Nie mehr lieferbar
keine Alternativen
Pos.
019-1
MAKITA Schieber | Ersatzteile für 4304 | 310028-3
Hersteller: MAKITA
Artikelnummer: EMK-4304-310028-3
Netto: 18,04 € zzgl. MwSt.
zzgl. 6,90 € Versand (brutto)
einmalig pro Bestellung

Lieferzeit: 5 Werktage

Pos.
025-1
MAKITA Ausgleichsplatte | Ersatzteile für 4304 | 344330-2
Hersteller: MAKITA
Artikelnummer: EMK-4304-344330-2
Netto: 18,99 € zzgl. MwSt.
zzgl. 6,90 € Versand (brutto)
einmalig pro Bestellung

Lieferzeit: 5 Werktage

Pos.
029-1
MAKITA Nadellager 810 | Ersatzteile für 4304 | 212043-2
Hersteller: MAKITA
Artikelnummer: EMK-4304-212043-2
Netto: 9,09 € zzgl. MwSt.
zzgl. 6,90 € Versand (brutto)
einmalig pro Bestellung

Lieferzeit: 5 Werktage

Pos.
036C_
MAKITA Ankerbaugruppe 220V | Ersatzteile für 4304 | 517098-5
Hersteller: MAKITA
Artikelnummer: EMK-4304-517098-5
Netto: 57,26 € zzgl. MwSt.
zzgl. 6,90 € Versand (brutto)
einmalig pro Bestellung

Lieferzeit: 5 Werktage

Pos.
037A1
MAKITA Ventilator 54 | Ersatzteile für 4304 | 240039-3
Hersteller: MAKITA
Artikelnummer: EMK-4304-240039-3
nur Informationsartikel
Nie mehr lieferbar
keine Alternativen
Pos.
037A_
MAKITA Ventilator 54 | Ersatzteile für 4304 | 241875-0
Hersteller: MAKITA
Artikelnummer: EMK-4304-241875-0
nur Informationsartikel
Nie mehr lieferbar
keine Alternativen
Pos.
046-1
MAKITA Packung | Ersatzteile für 4304 | 442123-2
Hersteller: MAKITA
Artikelnummer: EMK-4304-442123-2
Netto: 4,24 € zzgl. MwSt.
zzgl. 6,90 € Versand (brutto)
einmalig pro Bestellung

Lieferzeit: 5 Werktage

Pos.
048-1
MAKITA Innensechskantkopfschraube M4X16 W | Ersatzteile für 4304 | 922126-7
Hersteller: MAKITA
Artikelnummer: EMK-4304-922126-7
Netto: 4,05 € zzgl. MwSt.
zzgl. 6,90 € Versand (brutto)
einmalig pro Bestellung

Lieferzeit: 5 Werktage

Pos.
052A1
MAKITA Bindekopf-Blechschraube 4X55 | Ersatzteile für 4304 | 266147-2
Hersteller: MAKITA
Artikelnummer: EMK-4304-266147-2
Netto: 4,24 € zzgl. MwSt.
zzgl. 6,90 € Versand (brutto)
einmalig pro Bestellung

Lieferzeit: 5 Werktage

Pos.
052A_
MAKITA Bindekopf-Blechschraube 4X55 | Ersatzteile für 4304 | 266115-5
Hersteller: MAKITA
Artikelnummer: EMK-4304-266115-5
nur Informationsartikel
Nie mehr lieferbar
keine Alternativen
Pos.
053-1
MAKITA Halter komplett | Ersatzteile für 4304 | 152947-5
Hersteller: MAKITA
Artikelnummer: EMK-4304-152947-5
Netto: 18,99 € zzgl. MwSt.
zzgl. 6,90 € Versand (brutto)
einmalig pro Bestellung

Lieferzeit: 5 Werktage

Pos.
054A1
MAKITA Bindekopf-Blechschraube 4X35 | Ersatzteile für 4304 | 266053-1
Hersteller: MAKITA
Artikelnummer: EMK-4304-266053-1
Netto: 3,86 € zzgl. MwSt.
zzgl. 6,90 € Versand (brutto)
einmalig pro Bestellung

Lieferzeit: 5 Werktage

Pos.
054A_
MAKITA Bindekopf-Blechschraube 4X35 | Ersatzteile für 4304 | 266117-1
Hersteller: MAKITA
Artikelnummer: EMK-4304-266117-1
nur Informationsartikel
Nie mehr lieferbar
keine Alternativen
Pos.
064-1
MAKITA Basis | Ersatzteile für 4304 | 316883-1
Hersteller: MAKITA
Artikelnummer: EMK-4304-316883-1
Netto: 30,42 € zzgl. MwSt.
zzgl. 6,90 € Versand (brutto)
einmalig pro Bestellung

Lieferzeit: 5 Werktage

Pos.
067-1
MAKITA Grundplatte | Ersatzteile für 4304 | 344443-9
Hersteller: MAKITA
Artikelnummer: EMK-4304-344443-9
Netto: 8,81 € zzgl. MwSt.
zzgl. 6,90 € Versand (brutto)
einmalig pro Bestellung

Lieferzeit: 5 Werktage

Pos.
069C_
MAKITA Feld 220V | Ersatzteile für 4304 | 633288-3
Hersteller: MAKITA
Artikelnummer: EMK-4304-633288-3
nur Informationsartikel
Nie mehr lieferbar
keine Alternativen
Pos.
076A1
MAKITA Bindekopf-Blechschraube 4X30 | Ersatzteile für 4304 | 266050-7
Hersteller: MAKITA
Artikelnummer: EMK-4304-266050-7
Netto: 4,05 € zzgl. MwSt.
zzgl. 6,90 € Versand (brutto)
einmalig pro Bestellung

Lieferzeit: 5 Werktage

Pos.
076A_
MAKITA Bindekopf-Blechschraube 4X30 | Ersatzteile für 4304 | 266118-9
Hersteller: MAKITA
Artikelnummer: EMK-4304-266118-9
nur Informationsartikel
Nie mehr lieferbar
keine Alternativen
Pos.
079A1
MAKITA Bindekopf-Blechschraube 4X60 | Ersatzteile für 4304 | 266052-3
Hersteller: MAKITA
Artikelnummer: EMK-4304-266052-3
Netto: 5,48 € zzgl. MwSt.
zzgl. 6,90 € Versand (brutto)
einmalig pro Bestellung

Lieferzeit: 5 Werktage

Pos.
079A_
MAKITA Bindekopf-Blechschraube 4X60 | Ersatzteile für 4304 | 266114-7
Hersteller: MAKITA
Artikelnummer: EMK-4304-266114-7
nur Informationsartikel
Nie mehr lieferbar
keine Alternativen
Pos.
A03
MAKITA Schlitzplatte | Ersatzteile für 4304 | 415524-7
Hersteller: MAKITA
Artikelnummer: EMK-4304-415524-7
Netto: 4,20 € zzgl. MwSt.
zzgl. 6,90 € Versand (brutto)
einmalig pro Bestellung

Lieferzeit: 5 Werktage

Pos.
A04
MAKITA Schutzhaube | Ersatzteile für 4304 | 415525-5
Hersteller: MAKITA
Artikelnummer: EMK-4304-415525-5
nur Informationsartikel
Nie mehr lieferbar
keine Alternativen
Pos.
A04-1
MAKITA Schutzhaube | Ersatzteile für 4304 | 415887-1
Hersteller: MAKITA
Artikelnummer: EMK-4304-415887-1
nur Informationsartikel
Nie mehr lieferbar
keine Alternativen
Pos.
A07-1
MAKITA JIG SAW BLADE BR-13 | Ersatzteile für 4304 | A-02294
Hersteller: MAKITA
Artikelnummer: EMK-4304-A-02294
nur Informationsartikel
Nie mehr lieferbar
keine Alternativen
Pos.
A08
MAKITA Grundplatte | Ersatzteile für 4304 | 415537-8
Hersteller: MAKITA
Artikelnummer: EMK-4304-415537-8
nur Informationsartikel
Nie mehr lieferbar
keine Alternativen
Pos.
A08-1
MAKITA Grundplatte | Ersatzteile für 4304 | 413068-1
Hersteller: MAKITA
Artikelnummer: EMK-4304-413068-1
nur Informationsartikel
Nie mehr lieferbar
keine Alternativen
Pos.
A09-1
MAKITA Transportkoffer | Ersatzteile für 4304 | 824536-3
Hersteller: MAKITA
Artikelnummer: EMK-4304-824536-3
nur Informationsartikel
Nie mehr lieferbar
keine Alternativen
Pos.
A09-2
MAKITA Transportkoffer | Ersatzteile für 4304 | 824662-8
Hersteller: MAKITA
Artikelnummer: EMK-4304-824662-8
Netto: 27,24 € zzgl. MwSt.
zzgl. 6,90 € Versand (brutto)
einmalig pro Bestellung

Lieferzeit: 5 Werktage

Pos.
A09-3
MAKITA Transportkoffer | Ersatzteile für 4304 | 824809-4
Hersteller: MAKITA
Artikelnummer: EMK-4304-824809-4
nur Informationsartikel
Nie mehr lieferbar
keine Alternativen
Pos.
C06
MAKITA Flachlager 8 | Ersatzteile für 4304 | 214005-6
Hersteller: MAKITA
Artikelnummer: EMK-4304-214005-6
nur Informationsartikel
Nie mehr lieferbar
keine Alternativen
Pos.
C10
MAKITA Flachkopf HD.-Stift 4 | Ersatzteile für 4304 | 256667-4
Hersteller: MAKITA
Artikelnummer: EMK-4304-268074-9
nur Informationsartikel
Nie mehr lieferbar
keine Alternativen
Pos.
C10
MAKITA Klinke RL Set | Ersatzteile für 4304 | 183091-7
Hersteller: MAKITA
Artikelnummer: EMK-4304-183091-7
nur Informationsartikel
Nie mehr lieferbar
keine Alternativen
Pos.
C10
MAKITA Stift 6 | Ersatzteile für 4304 | 256033-5
Hersteller: MAKITA
Artikelnummer: EMK-4304-256033-5
Netto: 4,05 € zzgl. MwSt.
zzgl. 6,90 € Versand (brutto)
einmalig pro Bestellung

Lieferzeit: 5 Werktage

Pos.
C11
MAKITA Flachlager 10 | Ersatzteile für 4304 | 214061-6
Hersteller: MAKITA
Artikelnummer: EMK-4304-214061-6
nur Informationsartikel
Nie mehr lieferbar
keine Alternativen
Pos.
C16
MAKITA Schaumgummiring | Ersatzteile für 4304 | 262064-4
Hersteller: MAKITA
Artikelnummer: EMK-4304-262064-4
nur Informationsartikel
Nie mehr lieferbar
keine Alternativen
Pos.
C20
MAKITA Rolle | Ersatzteile für 4304 | 322709-7
Hersteller: MAKITA
Artikelnummer: EMK-4304-322709-7
nur Informationsartikel
Nie mehr lieferbar
keine Alternativen
Pos.
C20
MAKITA Rolle komplett | Ersatzteile für 4304 | 152950-6
Hersteller: MAKITA
Artikelnummer: EMK-4304-152950-6
Netto: 13,38 € zzgl. MwSt.
zzgl. 6,90 € Versand (brutto)
einmalig pro Bestellung

Lieferzeit: 5 Werktage

Pos.
C21
MAKITA Unterlegscheibe | Ersatzteile für 4304 | 267124-7
Hersteller: MAKITA
Artikelnummer: EMK-4304-267124-7
nur Informationsartikel
Nie mehr lieferbar
keine Alternativen
Pos.
C26
MAKITA Unterlegscheibe 9 | Ersatzteile für 4304 | 267125-5
Hersteller: MAKITA
Artikelnummer: EMK-4304-267125-5
nur Informationsartikel
Nie mehr lieferbar
keine Alternativen
Pos.
C31
MAKITA Schwammplatte 11-20 | Ersatzteile für 4304 | 423263-5
Hersteller: MAKITA
Artikelnummer: EMK-4304-423263-5
nur Informationsartikel
Nie mehr lieferbar
keine Alternativen
Pos.
C36
MAKITA Federstift 3-12 | Ersatzteile für 4304 | 951057-3
Hersteller: MAKITA
Artikelnummer: EMK-4304-951057-3
Netto: 3,48 € zzgl. MwSt.
zzgl. 6,90 € Versand (brutto)
einmalig pro Bestellung

Lieferzeit: 5 Werktage

Pos.
C40
MAKITA Staubdichtung 8 | Ersatzteile für 4304 | 421821-1
Hersteller: MAKITA
Artikelnummer: EMK-4304-421821-1
nur Informationsartikel
Nie mehr lieferbar
keine Alternativen
Pos.
E03
MAKITA Erdungskontakt | Ersatzteile für 4304 | 654128-2
Hersteller: MAKITA
Artikelnummer: EMK-4304-654128-2
nur Informationsartikel
Nie mehr lieferbar
keine Alternativen
Pos.
E04
MAKITA Drosselspule | Ersatzteile für 4304 | 646067-0
Hersteller: MAKITA
Artikelnummer: EMK-4304-646067-0
nur Informationsartikel
Nie mehr lieferbar
keine Alternativen
Pos.
E07
MAKITA Nicht isolierter Spleiß 140723-1 | Ersatzteile für 4304 | 654556-1
Hersteller: MAKITA
Artikelnummer: EMK-4304-654556-1
nur Informationsartikel
Nie mehr lieferbar
keine Alternativen
Pos.
F28
MAKITA Schlitzplattensatz | Ersatzteile für 4304 | 192557-6
Hersteller: MAKITA
Artikelnummer: EMK-4304-192557-6
Netto: 8,88 € zzgl. MwSt.
zzgl. 6,90 € Versand (brutto)
einmalig pro Bestellung

Lieferzeit: 5 Werktage

Pos.
002
MAKITA Handgriffsatz | Ersatzteile für 4304 | 182680-5
Hersteller: MAKITA
Artikelnummer: EMK-4304-182680-5
nur Informationsartikel
Nie mehr lieferbar
keine Alternativen
Pos.
009
MAKITA Stift 3 | Ersatzteile für 4304 | 256221-4
Hersteller: MAKITA
Artikelnummer: EMK-4304-256221-4
Netto: 4,05 € zzgl. MwSt.
zzgl. 6,90 € Versand (brutto)
einmalig pro Bestellung

Lieferzeit: 5 Werktage

Pos.
010
MAKITA Schalthebel | Ersatzteile für 4304 | 415158-6
Hersteller: MAKITA
Artikelnummer: EMK-4304-415158-6
Netto: 6,14 € zzgl. MwSt.
zzgl. 6,90 € Versand (brutto)
einmalig pro Bestellung

Lieferzeit: 5 Werktage

Pos.
011
MAKITA Abstandshalter | Ersatzteile für 4304 | 415159-4
Hersteller: MAKITA
Artikelnummer: EMK-4304-415159-4
nur Informationsartikel
Nie mehr lieferbar
keine Alternativen
Pos.
012
MAKITA Druckfeder 4 | Ersatzteile für 4304 | 233101-1
Hersteller: MAKITA
Artikelnummer: EMK-4304-233101-1
Netto: 3,86 € zzgl. MwSt.
zzgl. 6,90 € Versand (brutto)
einmalig pro Bestellung

Lieferzeit: 5 Werktage

Pos.
013
MAKITA Schalterarretierung | Ersatzteile für 4304 | 415534-4
Hersteller: MAKITA
Artikelnummer: EMK-4304-415534-4
nur Informationsartikel
Nie mehr lieferbar
keine Alternativen
Pos.
016
MAKITA Bindekopf-Blechschraube 4X16 | Ersatzteile für 4304 | 266034-5
Hersteller: MAKITA
Artikelnummer: EMK-4304-266034-5
Netto: 3,48 € zzgl. MwSt.
zzgl. 6,90 € Versand (brutto)
einmalig pro Bestellung

Lieferzeit: 5 Werktage

Pos.
018
MAKITA Halter | Ersatzteile für 4304 | 316608-3
Hersteller: MAKITA
Artikelnummer: EMK-4304-316608-3
Netto: 7,38 € zzgl. MwSt.
zzgl. 6,90 € Versand (brutto)
einmalig pro Bestellung

Lieferzeit: 5 Werktage

Pos.
019
MAKITA Schieber | Ersatzteile für 4304 | 313069-8
Hersteller: MAKITA
Artikelnummer: EMK-4304-313069-8
nur Informationsartikel
Nie mehr lieferbar
keine Alternativen
Pos.
020
MAKITA Senkkopfschraube M4X10 | Ersatzteile für 4304 | 265035-0
Hersteller: MAKITA
Artikelnummer: EMK-4304-265035-0
Netto: 3,86 € zzgl. MwSt.
zzgl. 6,90 € Versand (brutto)
einmalig pro Bestellung

Lieferzeit: 5 Werktage

Pos.
021
MAKITA Druckplatte | Ersatzteile für 4304 | 344232-2
Hersteller: MAKITA
Artikelnummer: EMK-4304-344232-2
Netto: 4,24 € zzgl. MwSt.
zzgl. 6,90 € Versand (brutto)
einmalig pro Bestellung

Lieferzeit: 5 Werktage

Pos.
022
MAKITA Nadellager 607 | Ersatzteile für 4304 | 212010-7
Hersteller: MAKITA
Artikelnummer: EMK-4304-212010-7
Netto: 18,99 € zzgl. MwSt.
zzgl. 6,90 € Versand (brutto)
einmalig pro Bestellung

Lieferzeit: 5 Werktage

Pos.
023
MAKITA Kurbel komplett | Ersatzteile für 4304 | 152454-8
Hersteller: MAKITA
Artikelnummer: EMK-4304-152454-8
Netto: 10,81 € zzgl. MwSt.
zzgl. 6,90 € Versand (brutto)
einmalig pro Bestellung

Lieferzeit: 5 Werktage

Pos.
024
MAKITA Unterlegscheibe 26 | Ersatzteile für 4304 | 253792-2
Hersteller: MAKITA
Artikelnummer: EMK-4304-253792-2
Netto: 4,05 € zzgl. MwSt.
zzgl. 6,90 € Versand (brutto)
einmalig pro Bestellung

Lieferzeit: 5 Werktage

Pos.
025
MAKITA Ausgleichsplatte | Ersatzteile für 4304 | 344133-4
Hersteller: MAKITA
Artikelnummer: EMK-4304-344133-4
nur Informationsartikel
Nie mehr lieferbar
keine Alternativen
Pos.
027
MAKITA Druckplatte | Ersatzteile für 4304 | 344134-2
Hersteller: MAKITA
Artikelnummer: EMK-4304-344134-2
Netto: 7,00 € zzgl. MwSt.
zzgl. 6,90 € Versand (brutto)
einmalig pro Bestellung

Lieferzeit: 5 Werktage

Pos.
032
MAKITA Unterlegscheibe 8 | Ersatzteile für 4304 | 253139-0
Hersteller: MAKITA
Artikelnummer: EMK-4304-253139-0
Netto: 3,86 € zzgl. MwSt.
zzgl. 6,90 € Versand (brutto)
einmalig pro Bestellung

Lieferzeit: 5 Werktage

Pos.
033
MAKITA Zahnradwelle | Ersatzteile für 4304 | 322691-0
Hersteller: MAKITA
Artikelnummer: EMK-4304-322691-0
Netto: 14,90 € zzgl. MwSt.
zzgl. 6,90 € Versand (brutto)
einmalig pro Bestellung

Lieferzeit: 5 Werktage

Pos.
034
MAKITA Kugellager 607LLB | Ersatzteile für 4304 | 211021-9
Hersteller: MAKITA
Artikelnummer: EMK-4304-211021-9
Netto: 10,24 € zzgl. MwSt.
zzgl. 6,90 € Versand (brutto)
einmalig pro Bestellung

Lieferzeit: 5 Werktage

Pos.
035
MAKITA Isolierscheibe | Ersatzteile für 4304 | 681636-0
Hersteller: MAKITA
Artikelnummer: EMK-4304-681636-0
Netto: 4,24 € zzgl. MwSt.
zzgl. 6,90 € Versand (brutto)
einmalig pro Bestellung

Lieferzeit: 5 Werktage

Pos.
038
MAKITA Kugellager 608LLB | Ersatzteile für 4304 | 211031-6
Hersteller: MAKITA
Artikelnummer: EMK-4304-211031-6
Netto: 6,14 € zzgl. MwSt.
zzgl. 6,90 € Versand (brutto)
einmalig pro Bestellung

Lieferzeit: 5 Werktage

Pos.
039
MAKITA Flachkopfschraube M4X10 W | Ersatzteile für 4304 | 911111-5
Hersteller: MAKITA
Artikelnummer: EMK-4304-911111-5
Netto: 3,86 € zzgl. MwSt.
zzgl. 6,90 € Versand (brutto)
einmalig pro Bestellung

Lieferzeit: 5 Werktage

Pos.
040
MAKITA Unterlegscheibe 6 | Ersatzteile für 4304 | 253715-0
Hersteller: MAKITA
Artikelnummer: EMK-4304-253715-0
Netto: 3,67 € zzgl. MwSt.
zzgl. 6,90 € Versand (brutto)
einmalig pro Bestellung

Lieferzeit: 5 Werktage

Pos.
046
MAKITA Packung | Ersatzteile für 4304 | 442119-3
Hersteller: MAKITA
Artikelnummer: EMK-4304-442119-3
nur Informationsartikel
Nie mehr lieferbar
keine Alternativen
Pos.
047
MAKITA Haltering (EXT) S-8 | Ersatzteile für 4304 | 961004-6
Hersteller: MAKITA
Artikelnummer: EMK-4304-961004-6
Netto: 3,86 € zzgl. MwSt.
zzgl. 6,90 € Versand (brutto)
einmalig pro Bestellung

Lieferzeit: 5 Werktage

Pos.
049
MAKITA Druckfeder 4 | Ersatzteile für 4304 | 231314-8
Hersteller: MAKITA
Artikelnummer: EMK-4304-231314-8
Netto: 3,48 € zzgl. MwSt.
zzgl. 6,90 € Versand (brutto)
einmalig pro Bestellung

Lieferzeit: 5 Werktage

Pos.
050
MAKITA Anschlagring (EXT) E-3 | Ersatzteile für 4304 | 961017-7
Hersteller: MAKITA
Artikelnummer: EMK-4304-961017-7
Netto: 3,48 € zzgl. MwSt.
zzgl. 6,90 € Versand (brutto)
einmalig pro Bestellung

Lieferzeit: 5 Werktage

Pos.
051
MAKITA Flachkopf HD.-Stift 4 | Ersatzteile für 4304 | 256693-3
Hersteller: MAKITA
Artikelnummer: EMK-4304-256693-3
Netto: 5,76 € zzgl. MwSt.
zzgl. 6,90 € Versand (brutto)
einmalig pro Bestellung

Lieferzeit: 5 Werktage

Pos.
053
MAKITA Halter komplett | Ersatzteile für 4304 | 151426-0
Hersteller: MAKITA
Artikelnummer: EMK-4304-151426-0
nur Informationsartikel
Nie mehr lieferbar
keine Alternativen
Pos.
056
MAKITA Stange | Ersatzteile für 4304 | 165089-6
Hersteller: MAKITA
Artikelnummer: EMK-4304-165089-6
Netto: 36,61 € zzgl. MwSt.
zzgl. 6,90 € Versand (brutto)
einmalig pro Bestellung

Lieferzeit: 5 Werktage

Pos.
057
MAKITA Innensechskant-Madenschraube (Ringscheibe) M6X8 | Ersatzteile für 4304 | 265894-2
Hersteller: MAKITA
Artikelnummer: EMK-4304-265894-2
Netto: 3,48 € zzgl. MwSt.
zzgl. 6,90 € Versand (brutto)
einmalig pro Bestellung

Lieferzeit: 5 Werktage

Pos.
058
MAKITA Gleitplatte | Ersatzteile für 4304 | 344137-6
Hersteller: MAKITA
Artikelnummer: EMK-4304-344137-6
Netto: 5,19 € zzgl. MwSt.
zzgl. 6,90 € Versand (brutto)
einmalig pro Bestellung

Lieferzeit: 5 Werktage

Pos.
059
MAKITA Hebel 17 | Ersatzteile für 4304 | 272231-3
Hersteller: MAKITA
Artikelnummer: EMK-4304-272231-3
Netto: 10,81 € zzgl. MwSt.
zzgl. 6,90 € Versand (brutto)
einmalig pro Bestellung

Lieferzeit: 5 Werktage

Pos.
061
MAKITA Stahlkugel 4 | Ersatzteile für 4304 | 216008-6
Hersteller: MAKITA
Artikelnummer: EMK-4304-216008-6
Netto: 3,86 € zzgl. MwSt.
zzgl. 6,90 € Versand (brutto)
einmalig pro Bestellung

Lieferzeit: 5 Werktage

Pos.
062
MAKITA Anschlagring (EXT) E-5 | Ersatzteile für 4304 | 961018-5
Hersteller: MAKITA
Artikelnummer: EMK-4304-961018-5
Netto: 3,48 € zzgl. MwSt.
zzgl. 6,90 € Versand (brutto)
einmalig pro Bestellung

Lieferzeit: 5 Werktage

Pos.
063
MAKITA Gummistift 4 | Ersatzteile für 4304 | 263002-9
Hersteller: MAKITA
Artikelnummer: EMK-4304-263002-9
Netto: 3,86 € zzgl. MwSt.
zzgl. 6,90 € Versand (brutto)
einmalig pro Bestellung

Lieferzeit: 5 Werktage

Pos.
064
MAKITA Basis | Ersatzteile für 4304 | 316605-9
Hersteller: MAKITA
Artikelnummer: EMK-4304-316605-9
nur Informationsartikel
Nie mehr lieferbar
keine Alternativen
Pos.
065
MAKITA Klemmplatte | Ersatzteile für 4304 | 331435-7
Hersteller: MAKITA
Artikelnummer: EMK-4304-331435-7
Netto: 5,19 € zzgl. MwSt.
zzgl. 6,90 € Versand (brutto)
einmalig pro Bestellung

Lieferzeit: 5 Werktage

Pos.
066
MAKITA Innensechskantkopfschraube M4X25 W | Ersatzteile für 4304 | 922146-1
Hersteller: MAKITA
Artikelnummer: EMK-4304-922146-1
Netto: 3,67 € zzgl. MwSt.
zzgl. 6,90 € Versand (brutto)
einmalig pro Bestellung

Lieferzeit: 5 Werktage

Pos.
067
MAKITA Grundplatte | Ersatzteile für 4304 | 344136-8
Hersteller: MAKITA
Artikelnummer: EMK-4304-344136-8
nur Informationsartikel
Nie mehr lieferbar
keine Alternativen
Pos.
068
MAKITA Prallplatte | Ersatzteile für 4304 | 415535-2
Hersteller: MAKITA
Artikelnummer: EMK-4304-415535-2
nur Informationsartikel
Nie mehr lieferbar
keine Alternativen
Pos.
070
MAKITA Innensechskant-Senkkopfschraube M5X8 | Ersatzteile für 4304 | 266055-7
Hersteller: MAKITA
Artikelnummer: EMK-4304-266055-7
Netto: 3,86 € zzgl. MwSt.
zzgl. 6,90 € Versand (brutto)
einmalig pro Bestellung

Lieferzeit: 5 Werktage

Pos.
074
MAKITA Typenschild 4304 | Ersatzteile für 4304 | 857555-4
Hersteller: MAKITA
Artikelnummer: EMK-4304-857555-4
nur Informationsartikel
Nie mehr lieferbar
keine Alternativen
Pos.
077
MAKITA Firmenschild makita-logo | Ersatzteile für 4304 | 819080-3
Hersteller: MAKITA
Artikelnummer: EMK-4304-819080-3
Netto: 5,19 € zzgl. MwSt.
zzgl. 6,90 € Versand (brutto)
einmalig pro Bestellung

Lieferzeit: 5 Werktage

Pos.
078
MAKITA Kappe | Ersatzteile für 4304 | 415538-6
Hersteller: MAKITA
Artikelnummer: EMK-4304-415538-6
nur Informationsartikel
Nie mehr lieferbar
keine Alternativen
Pos.
080
MAKITA Labyrinth-Gummiring 19 | Ersatzteile für 4304 | 421494-0
Hersteller: MAKITA
Artikelnummer: EMK-4304-421494-0
Netto: 10,24 € zzgl. MwSt.
zzgl. 6,90 € Versand (brutto)
einmalig pro Bestellung

Lieferzeit: 5 Werktage

Pos.
082
MAKITA Dichtungsplatte | Ersatzteile für 4304 | 344784-3
Hersteller: MAKITA
Artikelnummer: EMK-4304-344784-3
Netto: 3,86 € zzgl. MwSt.
zzgl. 6,90 € Versand (brutto)
einmalig pro Bestellung

Lieferzeit: 5 Werktage

Pos.
083
MAKITA Filz 10-20 | Ersatzteile für 4304 | 443106-5
Hersteller: MAKITA
Artikelnummer: EMK-4304-443106-5
Netto: 3,86 € zzgl. MwSt.
zzgl. 6,90 € Versand (brutto)
einmalig pro Bestellung

Lieferzeit: 5 Werktage

Angaben zur Produktsicherheit

Hersteller:
Makita-Werkzeug GmbH
Makita-Platz 1
40885 Ratingen

E-Mail:
info@makita.de