MAKITA Transportkoffer | Ersatzteile für 4327 | 824572-9

Artikelnummer: EMK-4327-824572-9

Position: A03

Marke: MAKITA


Bitte Kompatibilität prüfen!

Bitte prüfen Sie unbedingt die Typennummer Ihrer Maschine / Ihres Gerätes. Das Ersatzteil ist nur kompatibel, wenn Sie die Typennummer Ihrer Maschine in der unten stehenden Produktbeschreibung finden.

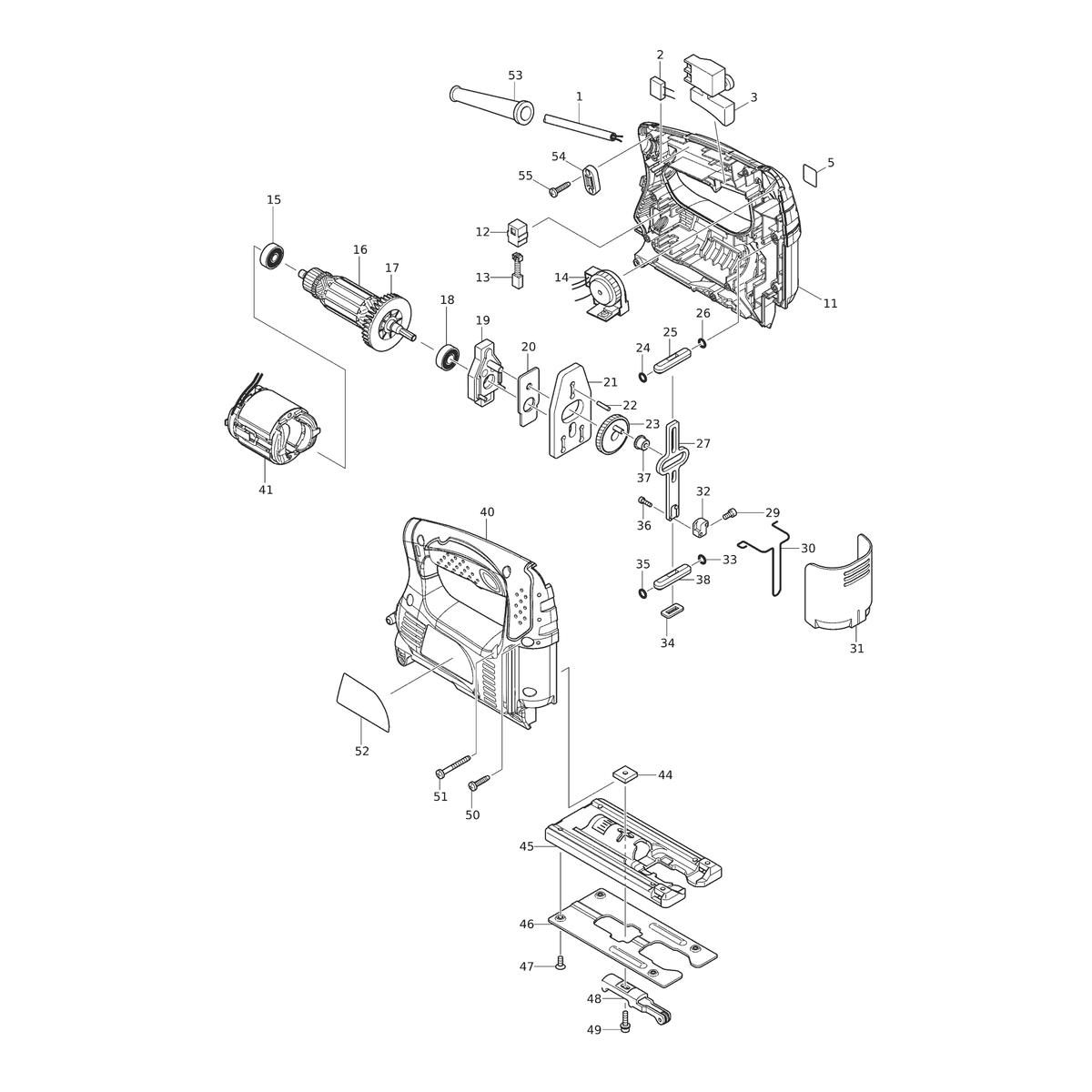
Bitte prüfen Sie ebenfalls detailliert die Explosionszeichnung mit Ihrem Artikelwunsch und der jeweiligen Pos-Nummer.

Alle Elemente, welche vom schwarzen Strich der Pos-Nummer ausgehend berührt / erfasst werden, gehören zu dieser Pos-Nummer und somit zu diesem Artikel. Jede Pos-Nummer ist ein eigenständiger Artikel, welchen Sie in der Auflistung finden.

Sie erhalten stets die aktuellste, neueste Produktversion zu der gewählten Pos-Nummer seitens des Herstellers. Es kann daher je nach Gerätealter vorkommen, dass Sie ggf. weitere, zugehörige Elemente, welche an diese Pos-Nummer grenzen, ebenfalls mittauschen müssen.

Nähere Informationen finden Sie unter dem Link
Hinweise zu Ihrer MAKITA Ersatzteilsuche

Preisübersicht

Einzelpreis: 13,68 €* (Brutto: 16,28 €)
Gesamtpreis: 13,68 €* 
Position:

Lieferzeit: 5 Werktage


Beschreibung

  • Transportkoffer
  • Original MAKITA Zubehör / MAKITA Ersatzteil (824572-9)
  • im Gerät verbaut: 1
Dieses MAKITA Ersatzteil ist mit folgendem Gerät und Modell kompatibel:
  • MAKITA Gerätename: 4327
  • MAKITA Explosionszeichnung: Position 113290
  • MAKITA Typennummer: 4327
  • MAKITA Typennummer alternative Schreibweisen: 4327, 4327
    Bitte prüfen Sie diese Typennummer auf Ihrem Gerät um die Kompatibilität des MAKITA Ersatzteils zu gewährleisten.
Weitere MAKITA Ersatzteile des Gerätes 4327 (Stichsäge) mit der Typennummer 4327 finden Sie in der nachfolgenden Darstellung und im Dropdown zu Ihrer Auswahl:

Pos.
001
MAKITA Stromversorgungskabel 1.0-2-2.0 | Ersatzteile für 4327 | 665383-1
Hersteller: MAKITA
Artikelnummer: EMK-4327-665383-1
Netto: 18,99 € zzgl. MwSt.
zzgl. 6,90 € Versand (brutto)
einmalig pro Bestellung

Lieferzeit: 5 Werktage

Pos.
014-1
MAKITA Controller | Ersatzteile für 4327 | 620411-9
Hersteller: MAKITA
Artikelnummer: EMK-4327-620411-9
Netto: 14,14 € zzgl. MwSt.
zzgl. 6,90 € Versand (brutto)
einmalig pro Bestellung

Lieferzeit: 5 Werktage

Pos.
051-1
MAKITA Bindekopf-Blechschraube 4X35 | Ersatzteile für 4327 | 266351-3
Hersteller: MAKITA
Artikelnummer: EMK-4327-266351-3
Netto: 3,48 € zzgl. MwSt.
zzgl. 6,90 € Versand (brutto)
einmalig pro Bestellung

Lieferzeit: 5 Werktage

Pos.
053-1
MAKITA Kabelschutz 8-85 | Ersatzteile für 4327 | 682502-4
Hersteller: MAKITA
Artikelnummer: EMK-4327-682502-4
Netto: 4,81 € zzgl. MwSt.
zzgl. 6,90 € Versand (brutto)
einmalig pro Bestellung

Lieferzeit: 5 Werktage

Pos.
054-1
MAKITA Zugentlastung | Ersatzteile für 4327 | 687052-4
Hersteller: MAKITA
Artikelnummer: EMK-4327-687052-4
Netto: 3,86 € zzgl. MwSt.
zzgl. 6,90 € Versand (brutto)
einmalig pro Bestellung

Lieferzeit: 5 Werktage

Pos.
A03
MAKITA Transportkoffer | Ersatzteile für 4327 | 824572-9
Hersteller: MAKITA
Artikelnummer: EMK-4327-824572-9
Netto: 13,68 € zzgl. MwSt.
zzgl. 6,90 € Versand (brutto)
einmalig pro Bestellung

Lieferzeit: 5 Werktage

Pos.
A04
MAKITA Modellnummernaufkleber 4327K | Ersatzteile für 4327 | 805795-8
Hersteller: MAKITA
Artikelnummer: EMK-4327-805795-8
nur Informationsartikel
Nie mehr lieferbar
keine Alternativen
Pos.
A04
MAKITA Tiefziehteil | Ersatzteile für 4327 | 837803-7
Hersteller: MAKITA
Artikelnummer: EMK-4327-837803-7
Netto: 11,52 € zzgl. MwSt.
zzgl. 6,90 € Versand (brutto)
einmalig pro Bestellung

Lieferzeit: 5 Werktage

Pos.
A05
MAKITA Hinweisaufkleber 4327J | Ersatzteile für 4327 | 803W09-7
Hersteller: MAKITA
Artikelnummer: EMK-4327-803W09-7
nur Informationsartikel
Nie mehr lieferbar
keine Alternativen
Pos.
C10
MAKITA Gummistift 4 | Ersatzteile für 4327 | 263002-9
Hersteller: MAKITA
Artikelnummer: EMK-4327-263002-9
Netto: 3,86 € zzgl. MwSt.
zzgl. 6,90 € Versand (brutto)
einmalig pro Bestellung

Lieferzeit: 5 Werktage

Pos.
C10
MAKITA Schiebeklinke RL Set | Ersatzteile für 4327 | 186347-7
Hersteller: MAKITA
Artikelnummer: EMK-4327-186347-7
nur Informationsartikel
Nie mehr lieferbar
keine Alternativen
Pos.
C10
MAKITA Verschluss | Ersatzteile für 4327 | 453974-8
Hersteller: MAKITA
Artikelnummer: EMK-4327-453974-8
Netto: 4,20 € zzgl. MwSt.
zzgl. 6,90 € Versand (brutto)
einmalig pro Bestellung

Lieferzeit: 5 Werktage

Pos.
E03
MAKITA Leitungsfilter | Ersatzteile für 4327 | 688165-4
Hersteller: MAKITA
Artikelnummer: EMK-4327-688165-4
Netto: 3,86 € zzgl. MwSt.
zzgl. 6,90 € Versand (brutto)
einmalig pro Bestellung

Lieferzeit: 5 Werktage

Pos.
F03
MAKITA Schlitzplattensatz | Ersatzteile für 4327 | 192557-6
Hersteller: MAKITA
Artikelnummer: EMK-4327-192557-6
Netto: 8,88 € zzgl. MwSt.
zzgl. 6,90 € Versand (brutto)
einmalig pro Bestellung

Lieferzeit: 5 Werktage

Pos.
F08
MAKITA Platte 10000 Set | Ersatzteile für 4327 | 194416-0
Hersteller: MAKITA
Artikelnummer: EMK-4327-194416-0
Netto: 27,84 € zzgl. MwSt.
zzgl. 6,90 € Versand (brutto)
einmalig pro Bestellung

Lieferzeit: 5 Werktage

Pos.
F09
MAKITA Gummiplatte 10000 Set | Ersatzteile für 4327 | 194417-8
Hersteller: MAKITA
Artikelnummer: EMK-4327-194417-8
Netto: 37,08 € zzgl. MwSt.
zzgl. 6,90 € Versand (brutto)
einmalig pro Bestellung

Lieferzeit: 5 Werktage

Pos.
F10
MAKITA Positionsplatte 1400 Set | Ersatzteile für 4327 | 194418-6
Hersteller: MAKITA
Artikelnummer: EMK-4327-194418-6
Netto: 9,48 € zzgl. MwSt.
zzgl. 6,90 € Versand (brutto)
einmalig pro Bestellung

Lieferzeit: 5 Werktage

Pos.
F11
MAKITA Positionsplatte 1900 Set | Ersatzteile für 4327 | 194910-2
Hersteller: MAKITA
Artikelnummer: EMK-4327-194910-2
nur Informationsartikel
Nie mehr lieferbar
keine Alternativen
Pos.
G49
MAKITA Druckklammer-Set | Ersatzteile für 4327 | 1913K5-7
Hersteller: MAKITA
Artikelnummer: EMK-4327-1913K5-7
Netto: 27,36 € zzgl. MwSt.
zzgl. 6,90 € Versand (brutto)
einmalig pro Bestellung

Lieferzeit: 5 Werktage

Pos.
003
MAKITA Schalter SGEL206C-5 | Ersatzteile für 4327 | 651286-5
Hersteller: MAKITA
Artikelnummer: EMK-4327-651286-5
Netto: 10,81 € zzgl. MwSt.
zzgl. 6,90 € Versand (brutto)
einmalig pro Bestellung

Lieferzeit: 5 Werktage

Pos.
014
MAKITA Controller | Ersatzteile für 4327 | 631777-2
Hersteller: MAKITA
Artikelnummer: EMK-4327-631777-2
nur Informationsartikel
Nie mehr lieferbar
keine Alternativen
Pos.
015
MAKITA Kugellager 627LLB | Ersatzteile für 4327 | 210025-8
Hersteller: MAKITA
Artikelnummer: EMK-4327-210025-8
Netto: 10,24 € zzgl. MwSt.
zzgl. 6,90 € Versand (brutto)
einmalig pro Bestellung

Lieferzeit: 5 Werktage

Pos.
016
MAKITA Ankerbaugruppe 220V | Ersatzteile für 4327 | 515718-5
Hersteller: MAKITA
Artikelnummer: EMK-4327-515718-5
Netto: 36,61 € zzgl. MwSt.
zzgl. 6,90 € Versand (brutto)
einmalig pro Bestellung

Lieferzeit: 5 Werktage

Pos.
017
MAKITA Ventilator 52 | Ersatzteile für 4327 | 241881-5
Hersteller: MAKITA
Artikelnummer: EMK-4327-241881-5
Netto: 5,76 € zzgl. MwSt.
zzgl. 6,90 € Versand (brutto)
einmalig pro Bestellung

Lieferzeit: 5 Werktage

Pos.
018
MAKITA Kugellager 608DDW | Ersatzteile für 4327 | 210005-4
Hersteller: MAKITA
Artikelnummer: EMK-4327-210005-4
Netto: 10,24 € zzgl. MwSt.
zzgl. 6,90 € Versand (brutto)
einmalig pro Bestellung

Lieferzeit: 5 Werktage

Pos.
020
MAKITA Druckplatte | Ersatzteile für 4327 | 344615-6
Hersteller: MAKITA
Artikelnummer: EMK-4327-344615-6
Netto: 3,67 € zzgl. MwSt.
zzgl. 6,90 € Versand (brutto)
einmalig pro Bestellung

Lieferzeit: 5 Werktage

Pos.
021
MAKITA Ausgleichsplatte | Ersatzteile für 4327 | 344614-8
Hersteller: MAKITA
Artikelnummer: EMK-4327-344614-8
Netto: 9,66 € zzgl. MwSt.
zzgl. 6,90 € Versand (brutto)
einmalig pro Bestellung

Lieferzeit: 5 Werktage

Pos.
022
MAKITA Stift 3 | Ersatzteile für 4327 | 256254-9
Hersteller: MAKITA
Artikelnummer: EMK-4327-256254-9
Netto: 4,05 € zzgl. MwSt.
zzgl. 6,90 € Versand (brutto)
einmalig pro Bestellung

Lieferzeit: 5 Werktage

Pos.
023
MAKITA Stirnrad kpl. | Ersatzteile für 4327 | 153254-9
Hersteller: MAKITA
Artikelnummer: EMK-4327-153254-9
Netto: 14,90 € zzgl. MwSt.
zzgl. 6,90 € Versand (brutto)
einmalig pro Bestellung

Lieferzeit: 5 Werktage

Pos.
024
MAKITA O-Ring 5 | Ersatzteile für 4327 | 213038-8
Hersteller: MAKITA
Artikelnummer: EMK-4327-213038-8
Netto: 3,48 € zzgl. MwSt.
zzgl. 6,90 € Versand (brutto)
einmalig pro Bestellung

Lieferzeit: 5 Werktage

Pos.
027
MAKITA Schieber | Ersatzteile für 4327 | 344613-0
Hersteller: MAKITA
Artikelnummer: EMK-4327-344613-0
Netto: 10,24 € zzgl. MwSt.
zzgl. 6,90 € Versand (brutto)
einmalig pro Bestellung

Lieferzeit: 5 Werktage

Pos.
029
MAKITA Innensechskantkopfschraube M4X8 | Ersatzteile für 4327 | 922107-1
Hersteller: MAKITA
Artikelnummer: EMK-4327-922107-1
nur Informationsartikel
Nie mehr lieferbar
keine Alternativen
Pos.
031
MAKITA Staubschutzabdeckung | Ersatzteile für 4327 | 416476-5
Hersteller: MAKITA
Artikelnummer: EMK-4327-416476-5
nur Informationsartikel
Nie mehr lieferbar
keine Alternativen
Pos.
032
MAKITA Messerklemme | Ersatzteile für 4327 | 313140-8
Hersteller: MAKITA
Artikelnummer: EMK-4327-313140-8
Netto: 10,24 € zzgl. MwSt.
zzgl. 6,90 € Versand (brutto)
einmalig pro Bestellung

Lieferzeit: 5 Werktage

Pos.
034
MAKITA Kunststoffdichtung | Ersatzteile für 4327 | 423307-1
Hersteller: MAKITA
Artikelnummer: EMK-4327-423307-1
Netto: 3,48 € zzgl. MwSt.
zzgl. 6,90 € Versand (brutto)
einmalig pro Bestellung

Lieferzeit: 5 Werktage

Pos.
036
MAKITA Innensechskantkopfschraube M3X10 | Ersatzteile für 4327 | 266177-3
Hersteller: MAKITA
Artikelnummer: EMK-4327-266177-3
Netto: 3,48 € zzgl. MwSt.
zzgl. 6,90 € Versand (brutto)
einmalig pro Bestellung

Lieferzeit: 5 Werktage

Pos.
041
MAKITA Feld 220-240V | Ersatzteile für 4327 | 633658-6
Hersteller: MAKITA
Artikelnummer: EMK-4327-633658-6
Netto: 18,99 € zzgl. MwSt.
zzgl. 6,90 € Versand (brutto)
einmalig pro Bestellung

Lieferzeit: 5 Werktage

Pos.
044
MAKITA Halter | Ersatzteile für 4327 | 343540-8
Hersteller: MAKITA
Artikelnummer: EMK-4327-343540-8
Netto: 4,24 € zzgl. MwSt.
zzgl. 6,90 € Versand (brutto)
einmalig pro Bestellung

Lieferzeit: 5 Werktage

Pos.
045
MAKITA Basis | Ersatzteile für 4327 | 163397-9
Hersteller: MAKITA
Artikelnummer: EMK-4327-163397-9
nur Informationsartikel
Nie mehr lieferbar
keine Alternativen
Pos.
048
MAKITA Halter komplett | Ersatzteile für 4327 | 158393-0
Hersteller: MAKITA
Artikelnummer: EMK-4327-158393-0
Netto: 5,76 € zzgl. MwSt.
zzgl. 6,90 € Versand (brutto)
einmalig pro Bestellung

Lieferzeit: 5 Werktage

Pos.
049
MAKITA Innensechskantkopfschraube M4X16 WR | Ersatzteile für 4327 | 922128-3
Hersteller: MAKITA
Artikelnummer: EMK-4327-922128-3
Netto: 3,86 € zzgl. MwSt.
zzgl. 6,90 € Versand (brutto)
einmalig pro Bestellung

Lieferzeit: 5 Werktage

Pos.
050
MAKITA Bindekopf-Blechschraube 4X18 | Ersatzteile für 4327 | 265995-6
Hersteller: MAKITA
Artikelnummer: EMK-4327-265995-6
Netto: 3,86 € zzgl. MwSt.
zzgl. 6,90 € Versand (brutto)
einmalig pro Bestellung

Lieferzeit: 5 Werktage

Pos.
051
MAKITA Bindekopf-Blechschraube 4X35 | Ersatzteile für 4327 | 266053-1
Hersteller: MAKITA
Artikelnummer: EMK-4327-266053-1
Netto: 3,86 € zzgl. MwSt.
zzgl. 6,90 € Versand (brutto)
einmalig pro Bestellung

Lieferzeit: 5 Werktage

Pos.
052
MAKITA Typenschild 4327 | Ersatzteile für 4327 | 863950-8
Hersteller: MAKITA
Artikelnummer: EMK-4327-863950-8
nur Informationsartikel
Nie mehr lieferbar
keine Alternativen
Pos.
053
MAKITA Kabelschutz 8-85 | Ersatzteile für 4327 | 682569-2
Hersteller: MAKITA
Artikelnummer: EMK-4327-682569-2
Netto: 3,86 € zzgl. MwSt.
zzgl. 6,90 € Versand (brutto)
einmalig pro Bestellung

Lieferzeit: 5 Werktage

Pos.
054
MAKITA Zugentlastung | Ersatzteile für 4327 | 687124-5
Hersteller: MAKITA
Artikelnummer: EMK-4327-687124-5
Netto: 3,86 € zzgl. MwSt.
zzgl. 6,90 € Versand (brutto)
einmalig pro Bestellung

Lieferzeit: 5 Werktage

Angaben zur Produktsicherheit

Hersteller:
Makita-Werkzeug GmbH
Makita-Platz 1
40885 Ratingen

E-Mail:
info@makita.de