MAKITA Bindekopf-Blechschraube 4X18 | Ersatzteile für 4341T | 265995-6

Artikelnummer: EMK-4341T-265995-6

Position: 004

Marke: MAKITA


Bitte Kompatibilität prüfen!

Bitte prüfen Sie unbedingt die Typennummer Ihrer Maschine / Ihres Gerätes. Das Ersatzteil ist nur kompatibel, wenn Sie die Typennummer Ihrer Maschine in der unten stehenden Produktbeschreibung finden.

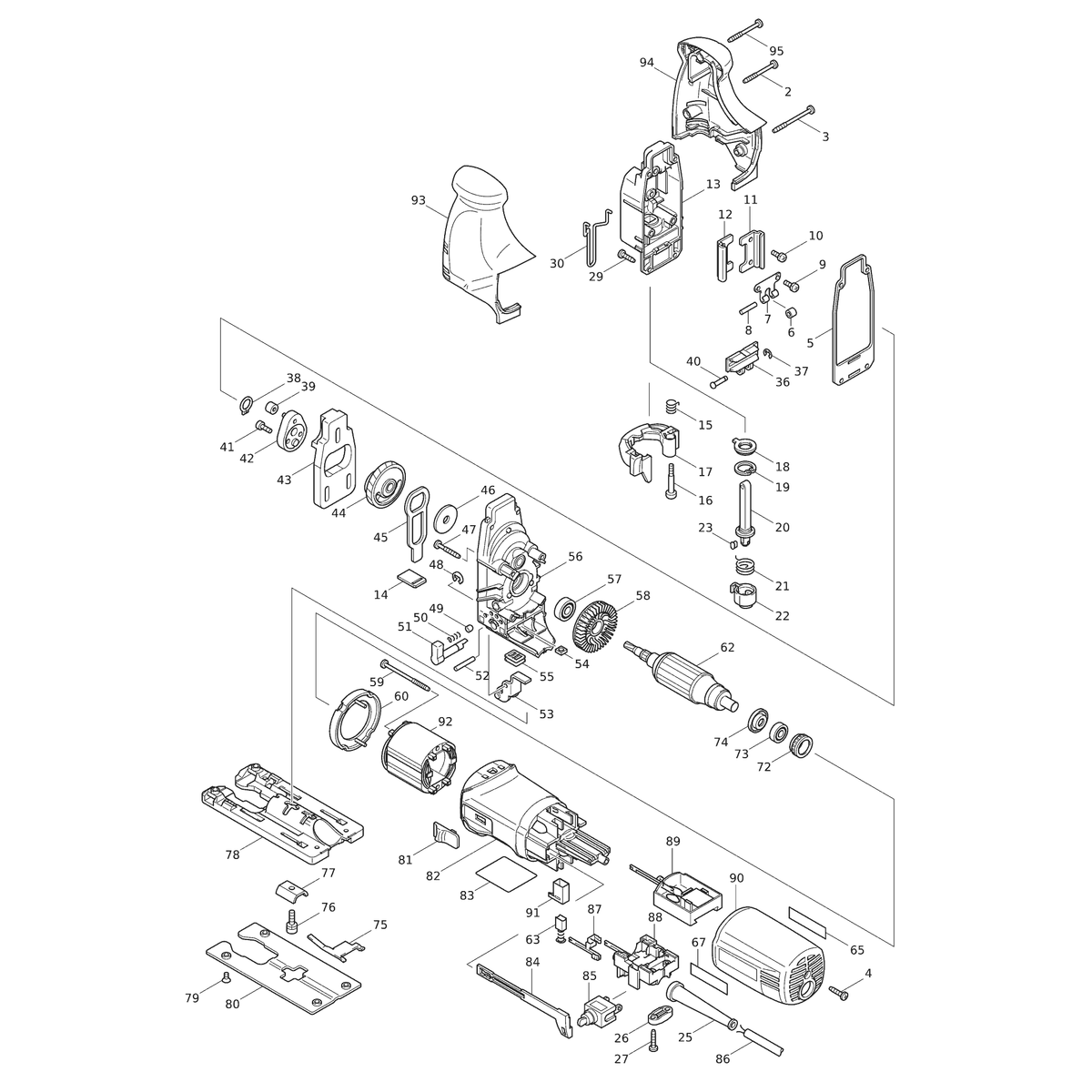
Bitte prüfen Sie ebenfalls detailliert die Explosionszeichnung mit Ihrem Artikelwunsch und der jeweiligen Pos-Nummer.

Alle Elemente, welche vom schwarzen Strich der Pos-Nummer ausgehend berührt / erfasst werden, gehören zu dieser Pos-Nummer und somit zu diesem Artikel. Jede Pos-Nummer ist ein eigenständiger Artikel, welchen Sie in der Auflistung finden.

Sie erhalten stets die aktuellste, neueste Produktversion zu der gewählten Pos-Nummer seitens des Herstellers. Es kann daher je nach Gerätealter vorkommen, dass Sie ggf. weitere, zugehörige Elemente, welche an diese Pos-Nummer grenzen, ebenfalls mittauschen müssen.

Nähere Informationen finden Sie unter dem Link
Hinweise zu Ihrer MAKITA Ersatzteilsuche

Preisübersicht

Einzelpreis: 3,86 €* (Brutto: 4,59 €)
Gesamtpreis: 3,86 €* 
Position:

Lieferzeit: 5 Werktage


Beschreibung

  • Bindekopf-Blechschraube 4X18
  • Original MAKITA Zubehör / MAKITA Ersatzteil (265995-6)
  • im Gerät verbaut: 1
Dieses MAKITA Ersatzteil ist mit folgendem Gerät und Modell kompatibel:
  • MAKITA Gerätename: 4341T
  • MAKITA Explosionszeichnung: Position 109965
  • MAKITA Typennummer: 4341T
  • MAKITA Typennummer alternative Schreibweisen: 4341-T, 4341 T
    Bitte prüfen Sie diese Typennummer auf Ihrem Gerät um die Kompatibilität des MAKITA Ersatzteils zu gewährleisten.
Weitere MAKITA Ersatzteile des Gerätes 4341T () mit der Typennummer 4341T finden Sie in der nachfolgenden Darstellung und im Dropdown zu Ihrer Auswahl:

Pos.
003-1
MAKITA Bindekopf-Blechschraube 4X50 | Ersatzteile für 4341T | 266467-4
Hersteller: MAKITA
Artikelnummer: EMK-4341T-266467-4
Netto: 3,48 € zzgl. MwSt.
zzgl. 6,90 € Versand (brutto)
einmalig pro Bestellung

Lieferzeit: 5 Werktage

Pos.
020-1
MAKITA Hubstange kpl. | Ersatzteile für 4341T | 135060-4
Hersteller: MAKITA
Artikelnummer: EMK-4341T-135060-4
Netto: 45,74 € zzgl. MwSt.
zzgl. 6,90 € Versand (brutto)
einmalig pro Bestellung

Lieferzeit: 5 Werktage

Pos.
039-1
MAKITA Nadellager 407 | Ersatzteile für 4341T | 212092-9
Hersteller: MAKITA
Artikelnummer: EMK-4341T-212092-9
Netto: 18,04 € zzgl. MwSt.
zzgl. 6,90 € Versand (brutto)
einmalig pro Bestellung

Lieferzeit: 5 Werktage

Pos.
041-1
MAKITA Innensechskantkopfschraube M4X12 | Ersatzteile für 4341T | 265D42-7
Hersteller: MAKITA
Artikelnummer: EMK-4341T-265D42-7
nur Informationsartikel
Nie mehr lieferbar
keine Alternativen
Pos.
051-1
MAKITA Hebel 17 | Ersatzteile für 4341T | 272280-0
Hersteller: MAKITA
Artikelnummer: EMK-4341T-272280-0
Netto: 5,19 € zzgl. MwSt.
zzgl. 6,90 € Versand (brutto)
einmalig pro Bestellung

Lieferzeit: 5 Werktage

Pos.
081-1
MAKITA Schalthebel | Ersatzteile für 4341T | 4132A9-6
Hersteller: MAKITA
Artikelnummer: EMK-4341T-4132A9-6
nur Informationsartikel
Nie mehr lieferbar
keine Alternativen
Pos.
085-1
MAKITA Schalter STL115ADF-CD | Ersatzteile für 4341T | 651428-1
Hersteller: MAKITA
Artikelnummer: EMK-4341T-651428-1
nur Informationsartikel
Nie mehr lieferbar
keine Alternativen
Pos.
085-2
MAKITA Schalter ST115A-TB-F2 | Ersatzteile für 4341T | 651069-3
Hersteller: MAKITA
Artikelnummer: EMK-4341T-651069-3
Netto: 13,38 € zzgl. MwSt.
zzgl. 6,90 € Versand (brutto)
einmalig pro Bestellung

Lieferzeit: 5 Werktage

Pos.
A01
MAKITA Schlitzplatte | Ersatzteile für 4341T | 415524-7
Hersteller: MAKITA
Artikelnummer: EMK-4341T-415524-7
Netto: 4,20 € zzgl. MwSt.
zzgl. 6,90 € Versand (brutto)
einmalig pro Bestellung

Lieferzeit: 5 Werktage

Pos.
A02
MAKITA Deckplatte | Ersatzteile für 4341T | 417852-6
Hersteller: MAKITA
Artikelnummer: EMK-4341T-417852-6
Netto: 8,43 € zzgl. MwSt.
zzgl. 6,90 € Versand (brutto)
einmalig pro Bestellung

Lieferzeit: 5 Werktage

Pos.
A05
MAKITA JIG SAW BLADE BR-13 | Ersatzteile für 4341T | A-02294
Hersteller: MAKITA
Artikelnummer: EMK-4341T-A-02294
nur Informationsartikel
Nie mehr lieferbar
keine Alternativen
Pos.
A07-1
MAKITA Transportkoffer | Ersatzteile für 4341T | 824662-8
Hersteller: MAKITA
Artikelnummer: EMK-4341T-824662-8
Netto: 27,24 € zzgl. MwSt.
zzgl. 6,90 € Versand (brutto)
einmalig pro Bestellung

Lieferzeit: 5 Werktage

Pos.
A07-2
MAKITA Transportkoffer | Ersatzteile für 4341T | 824809-4
Hersteller: MAKITA
Artikelnummer: EMK-4341T-824809-4
nur Informationsartikel
Nie mehr lieferbar
keine Alternativen
Pos.
A08
MAKITA Absaugstutzen | Ersatzteile für 4341T | 417853-4
Hersteller: MAKITA
Artikelnummer: EMK-4341T-417853-4
Netto: 4,32 € zzgl. MwSt.
zzgl. 6,90 € Versand (brutto)
einmalig pro Bestellung

Lieferzeit: 5 Werktage

Pos.
C10
MAKITA Klinke RL Set | Ersatzteile für 4341T | 183091-7
Hersteller: MAKITA
Artikelnummer: EMK-4341T-183091-7
nur Informationsartikel
Nie mehr lieferbar
keine Alternativen
Pos.
C10
MAKITA Leitregel | Ersatzteile für 4341T | 165217-3
Hersteller: MAKITA
Artikelnummer: EMK-4341T-165217-3
nur Informationsartikel
Nie mehr lieferbar
keine Alternativen
Pos.
C10
MAKITA Nadellager 810 | Ersatzteile für 4341T | 212043-2
Hersteller: MAKITA
Artikelnummer: EMK-4341T-212043-2
Netto: 9,09 € zzgl. MwSt.
zzgl. 6,90 € Versand (brutto)
einmalig pro Bestellung

Lieferzeit: 5 Werktage

Pos.
C20
MAKITA Firmenschild makita-logo | Ersatzteile für 4341T | 819033-2
Hersteller: MAKITA
Artikelnummer: EMK-4341T-819033-2
nur Informationsartikel
Nie mehr lieferbar
keine Alternativen
Pos.
C20
MAKITA Knopf 20 | Ersatzteile für 4341T | 271601-3
Hersteller: MAKITA
Artikelnummer: EMK-4341T-271601-3
nur Informationsartikel
Nie mehr lieferbar
keine Alternativen
Pos.
C20
MAKITA Richtstange | Ersatzteile für 4341T | 347393-7
Hersteller: MAKITA
Artikelnummer: EMK-4341T-347393-7
nur Informationsartikel
Nie mehr lieferbar
keine Alternativen
Pos.
C20
MAKITA Ring 20 | Ersatzteile für 4341T | 257250-0
Hersteller: MAKITA
Artikelnummer: EMK-4341T-257250-0
Netto: 5,76 € zzgl. MwSt.
zzgl. 6,90 € Versand (brutto)
einmalig pro Bestellung

Lieferzeit: 5 Werktage

Pos.
C21
MAKITA Firmenschild makita-logo | Ersatzteile für 4341T | 819143-5
Hersteller: MAKITA
Artikelnummer: EMK-4341T-819143-5
Netto: 5,76 € zzgl. MwSt.
zzgl. 6,90 € Versand (brutto)
einmalig pro Bestellung

Lieferzeit: 5 Werktage

Pos.
C30
MAKITA Staubdichtung 8 | Ersatzteile für 4341T | 421815-6
Hersteller: MAKITA
Artikelnummer: EMK-4341T-421815-6
Netto: 4,24 € zzgl. MwSt.
zzgl. 6,90 € Versand (brutto)
einmalig pro Bestellung

Lieferzeit: 5 Werktage

Pos.
C40
MAKITA Innensechskantkopfschraube M5X10 | Ersatzteile für 4341T | 922207-7
Hersteller: MAKITA
Artikelnummer: EMK-4341T-922207-7
Netto: 3,48 € zzgl. MwSt.
zzgl. 6,90 € Versand (brutto)
einmalig pro Bestellung

Lieferzeit: 5 Werktage

Pos.
F02
MAKITA Schlitzplattensatz | Ersatzteile für 4341T | 192557-6
Hersteller: MAKITA
Artikelnummer: EMK-4341T-192557-6
Netto: 8,88 € zzgl. MwSt.
zzgl. 6,90 € Versand (brutto)
einmalig pro Bestellung

Lieferzeit: 5 Werktage

Pos.
F04
MAKITA Richtlinealsatz | Ersatzteile für 4341T | 193516-3
Hersteller: MAKITA
Artikelnummer: EMK-4341T-193516-3
Netto: 12,48 € zzgl. MwSt.
zzgl. 6,90 € Versand (brutto)
einmalig pro Bestellung

Lieferzeit: 5 Werktage

Pos.
F10
MAKITA Platte 10000 Set | Ersatzteile für 4341T | 194416-0
Hersteller: MAKITA
Artikelnummer: EMK-4341T-194416-0
Netto: 27,84 € zzgl. MwSt.
zzgl. 6,90 € Versand (brutto)
einmalig pro Bestellung

Lieferzeit: 5 Werktage

Pos.
F11
MAKITA Gummiplatte 10000 Set | Ersatzteile für 4341T | 194417-8
Hersteller: MAKITA
Artikelnummer: EMK-4341T-194417-8
Netto: 37,08 € zzgl. MwSt.
zzgl. 6,90 € Versand (brutto)
einmalig pro Bestellung

Lieferzeit: 5 Werktage

Pos.
F12
MAKITA Positionsplatte 1400 Set | Ersatzteile für 4341T | 194418-6
Hersteller: MAKITA
Artikelnummer: EMK-4341T-194418-6
Netto: 9,48 € zzgl. MwSt.
zzgl. 6,90 € Versand (brutto)
einmalig pro Bestellung

Lieferzeit: 5 Werktage

Pos.
F13
MAKITA Positionsplatte 1900 Set | Ersatzteile für 4341T | 194910-2
Hersteller: MAKITA
Artikelnummer: EMK-4341T-194910-2
nur Informationsartikel
Nie mehr lieferbar
keine Alternativen
Pos.
G49
MAKITA Druckklammer-Set | Ersatzteile für 4341T | 1913K5-7
Hersteller: MAKITA
Artikelnummer: EMK-4341T-1913K5-7
Netto: 27,36 € zzgl. MwSt.
zzgl. 6,90 € Versand (brutto)
einmalig pro Bestellung

Lieferzeit: 5 Werktage

Pos.
002
MAKITA Bindekopf-Blechschraube 4X40 | Ersatzteile für 4341T | 266048-4
Hersteller: MAKITA
Artikelnummer: EMK-4341T-266048-4
Netto: 3,67 € zzgl. MwSt.
zzgl. 6,90 € Versand (brutto)
einmalig pro Bestellung

Lieferzeit: 5 Werktage

Pos.
003
MAKITA Bindekopf-Blechschraube 4X50 | Ersatzteile für 4341T | 266091-3
Hersteller: MAKITA
Artikelnummer: EMK-4341T-266091-3
Netto: 3,86 € zzgl. MwSt.
zzgl. 6,90 € Versand (brutto)
einmalig pro Bestellung

Lieferzeit: 5 Werktage

Pos.
004
MAKITA Bindekopf-Blechschraube 4X18 | Ersatzteile für 4341T | 265995-6
Hersteller: MAKITA
Artikelnummer: EMK-4341T-265995-6
Netto: 3,86 € zzgl. MwSt.
zzgl. 6,90 € Versand (brutto)
einmalig pro Bestellung

Lieferzeit: 5 Werktage

Pos.
005
MAKITA Packung | Ersatzteile für 4341T | 442138-9
Hersteller: MAKITA
Artikelnummer: EMK-4341T-442138-9
Netto: 3,86 € zzgl. MwSt.
zzgl. 6,90 € Versand (brutto)
einmalig pro Bestellung

Lieferzeit: 5 Werktage

Pos.
006
MAKITA Flachlager 4 | Ersatzteile für 4341T | 214031-5
Hersteller: MAKITA
Artikelnummer: EMK-4341T-214031-5
Netto: 4,24 € zzgl. MwSt.
zzgl. 6,90 € Versand (brutto)
einmalig pro Bestellung

Lieferzeit: 5 Werktage

Pos.
007
MAKITA Spindelarretierung | Ersatzteile für 4341T | 232207-2
Hersteller: MAKITA
Artikelnummer: EMK-4341T-232207-2
Netto: 3,48 € zzgl. MwSt.
zzgl. 6,90 € Versand (brutto)
einmalig pro Bestellung

Lieferzeit: 5 Werktage

Pos.
008
MAKITA Stift 4 | Ersatzteile für 4341T | 256117-9
Hersteller: MAKITA
Artikelnummer: EMK-4341T-256117-9
Netto: 4,05 € zzgl. MwSt.
zzgl. 6,90 € Versand (brutto)
einmalig pro Bestellung

Lieferzeit: 5 Werktage

Pos.
009
MAKITA Flachkopfschraube M4X10 W | Ersatzteile für 4341T | 911111-5
Hersteller: MAKITA
Artikelnummer: EMK-4341T-911111-5
Netto: 3,86 € zzgl. MwSt.
zzgl. 6,90 € Versand (brutto)
einmalig pro Bestellung

Lieferzeit: 5 Werktage

Pos.
014
MAKITA Dichtungsplatte | Ersatzteile für 4341T | 417839-8
Hersteller: MAKITA
Artikelnummer: EMK-4341T-417839-8
Netto: 3,86 € zzgl. MwSt.
zzgl. 6,90 € Versand (brutto)
einmalig pro Bestellung

Lieferzeit: 5 Werktage

Pos.
015
MAKITA Torsionsfeder 6 | Ersatzteile für 4341T | 231659-4
Hersteller: MAKITA
Artikelnummer: EMK-4341T-231659-4
Netto: 3,86 € zzgl. MwSt.
zzgl. 6,90 € Versand (brutto)
einmalig pro Bestellung

Lieferzeit: 5 Werktage

Pos.
016
MAKITA Flachkopf-Schulterschraube M4 | Ersatzteile für 4341T | 265026-1
Hersteller: MAKITA
Artikelnummer: EMK-4341T-265026-1
Netto: 5,76 € zzgl. MwSt.
zzgl. 6,90 € Versand (brutto)
einmalig pro Bestellung

Lieferzeit: 5 Werktage

Pos.
018
MAKITA Staubschutzabdeckung | Ersatzteile für 4341T | 421817-2
Hersteller: MAKITA
Artikelnummer: EMK-4341T-421817-2
Netto: 9,09 € zzgl. MwSt.
zzgl. 6,90 € Versand (brutto)
einmalig pro Bestellung

Lieferzeit: 5 Werktage

Pos.
019
MAKITA Haltering (INT) rund R-18 | Ersatzteile für 4341T | 962068-3
Hersteller: MAKITA
Artikelnummer: EMK-4341T-962068-3
Netto: 3,86 € zzgl. MwSt.
zzgl. 6,90 € Versand (brutto)
einmalig pro Bestellung

Lieferzeit: 5 Werktage

Pos.
020
MAKITA Stange | Ersatzteile für 4341T | 165326-8
Hersteller: MAKITA
Artikelnummer: EMK-4341T-165326-8
Netto: 25,09 € zzgl. MwSt.
zzgl. 6,90 € Versand (brutto)
einmalig pro Bestellung

Lieferzeit: 5 Werktage

Pos.
021
MAKITA Torsionsfeder 15 | Ersatzteile für 4341T | 231660-9
Hersteller: MAKITA
Artikelnummer: EMK-4341T-231660-9
Netto: 3,86 € zzgl. MwSt.
zzgl. 6,90 € Versand (brutto)
einmalig pro Bestellung

Lieferzeit: 5 Werktage

Pos.
022
MAKITA Messerhalter | Ersatzteile für 4341T | 310136-0
Hersteller: MAKITA
Artikelnummer: EMK-4341T-310136-0
Netto: 14,90 € zzgl. MwSt.
zzgl. 6,90 € Versand (brutto)
einmalig pro Bestellung

Lieferzeit: 5 Werktage

Pos.
023
MAKITA Druckstift | Ersatzteile für 4341T | 310135-2
Hersteller: MAKITA
Artikelnummer: EMK-4341T-310135-2
Netto: 5,76 € zzgl. MwSt.
zzgl. 6,90 € Versand (brutto)
einmalig pro Bestellung

Lieferzeit: 5 Werktage

Pos.
025
MAKITA Kabelschutz 8 | Ersatzteile für 4341T | 682559-5
Hersteller: MAKITA
Artikelnummer: EMK-4341T-682559-5
Netto: 4,52 € zzgl. MwSt.
zzgl. 6,90 € Versand (brutto)
einmalig pro Bestellung

Lieferzeit: 5 Werktage

Pos.
026
MAKITA Zugentlastung | Ersatzteile für 4341T | 687052-4
Hersteller: MAKITA
Artikelnummer: EMK-4341T-687052-4
Netto: 3,86 € zzgl. MwSt.
zzgl. 6,90 € Versand (brutto)
einmalig pro Bestellung

Lieferzeit: 5 Werktage

Pos.
029
MAKITA Bindekopf-Blechschraube 4X16 | Ersatzteile für 4341T | 266034-5
Hersteller: MAKITA
Artikelnummer: EMK-4341T-266034-5
Netto: 3,48 € zzgl. MwSt.
zzgl. 6,90 € Versand (brutto)
einmalig pro Bestellung

Lieferzeit: 5 Werktage

Pos.
036
MAKITA Schieber | Ersatzteile für 4341T | 310134-4
Hersteller: MAKITA
Artikelnummer: EMK-4341T-310134-4
Netto: 18,99 € zzgl. MwSt.
zzgl. 6,90 € Versand (brutto)
einmalig pro Bestellung

Lieferzeit: 5 Werktage

Pos.
037
MAKITA Anschlagring (EXT) E-3 | Ersatzteile für 4341T | 961017-7
Hersteller: MAKITA
Artikelnummer: EMK-4341T-961017-7
Netto: 3,48 € zzgl. MwSt.
zzgl. 6,90 € Versand (brutto)
einmalig pro Bestellung

Lieferzeit: 5 Werktage

Pos.
038
MAKITA Haltering (EXT) S-8 | Ersatzteile für 4341T | 961004-6
Hersteller: MAKITA
Artikelnummer: EMK-4341T-961004-6
Netto: 3,86 € zzgl. MwSt.
zzgl. 6,90 € Versand (brutto)
einmalig pro Bestellung

Lieferzeit: 5 Werktage

Pos.
039
MAKITA Nadellager 407 | Ersatzteile für 4341T | 212014-9
Hersteller: MAKITA
Artikelnummer: EMK-4341T-212014-9
nur Informationsartikel
Nie mehr lieferbar
keine Alternativen
Pos.
040
MAKITA Flachkopf HD.-Stift 4 | Ersatzteile für 4341T | 268090-1
Hersteller: MAKITA
Artikelnummer: EMK-4341T-268090-1
Netto: 4,24 € zzgl. MwSt.
zzgl. 6,90 € Versand (brutto)
einmalig pro Bestellung

Lieferzeit: 5 Werktage

Pos.
041
MAKITA Innensechskantkopfschraube M4X12 | Ersatzteile für 4341T | 265353-6
Hersteller: MAKITA
Artikelnummer: EMK-4341T-265353-6
Netto: 3,67 € zzgl. MwSt.
zzgl. 6,90 € Versand (brutto)
einmalig pro Bestellung

Lieferzeit: 5 Werktage

Pos.
042
MAKITA Kurbel komplett | Ersatzteile für 4341T | 153336-7
Hersteller: MAKITA
Artikelnummer: EMK-4341T-153336-7
Netto: 8,43 € zzgl. MwSt.
zzgl. 6,90 € Versand (brutto)
einmalig pro Bestellung

Lieferzeit: 5 Werktage

Pos.
043
MAKITA Ausgleichsplatte | Ersatzteile für 4341T | 313108-4
Hersteller: MAKITA
Artikelnummer: EMK-4341T-313108-4
Netto: 12,42 € zzgl. MwSt.
zzgl. 6,90 € Versand (brutto)
einmalig pro Bestellung

Lieferzeit: 5 Werktage

Pos.
044
MAKITA Stirnrad kpl. | Ersatzteile für 4341T | 153335-9
Hersteller: MAKITA
Artikelnummer: EMK-4341T-153335-9
Netto: 26,42 € zzgl. MwSt.
zzgl. 6,90 € Versand (brutto)
einmalig pro Bestellung

Lieferzeit: 5 Werktage

Pos.
045
MAKITA Druckplatte | Ersatzteile für 4341T | 345235-9
Hersteller: MAKITA
Artikelnummer: EMK-4341T-345235-9
Netto: 4,81 € zzgl. MwSt.
zzgl. 6,90 € Versand (brutto)
einmalig pro Bestellung

Lieferzeit: 5 Werktage

Pos.
046
MAKITA Unterlegscheibe 8 | Ersatzteile für 4341T | 253877-4
Hersteller: MAKITA
Artikelnummer: EMK-4341T-253877-4
Netto: 3,48 € zzgl. MwSt.
zzgl. 6,90 € Versand (brutto)
einmalig pro Bestellung

Lieferzeit: 5 Werktage

Pos.
047
MAKITA Bindekopf-Blechschraube 4X30 | Ersatzteile für 4341T | 266050-7
Hersteller: MAKITA
Artikelnummer: EMK-4341T-266050-7
Netto: 4,05 € zzgl. MwSt.
zzgl. 6,90 € Versand (brutto)
einmalig pro Bestellung

Lieferzeit: 5 Werktage

Pos.
048
MAKITA Anschlagring (EXT) E-5 | Ersatzteile für 4341T | 961018-5
Hersteller: MAKITA
Artikelnummer: EMK-4341T-961018-5
Netto: 3,48 € zzgl. MwSt.
zzgl. 6,90 € Versand (brutto)
einmalig pro Bestellung

Lieferzeit: 5 Werktage

Pos.
049
MAKITA Kappe 5 | Ersatzteile für 4341T | 286032-3
Hersteller: MAKITA
Artikelnummer: EMK-4341T-286032-3
Netto: 3,86 € zzgl. MwSt.
zzgl. 6,90 € Versand (brutto)
einmalig pro Bestellung

Lieferzeit: 5 Werktage

Pos.
050
MAKITA Druckfeder 3 | Ersatzteile für 4341T | 233139-6
Hersteller: MAKITA
Artikelnummer: EMK-4341T-233139-6
Netto: 3,48 € zzgl. MwSt.
zzgl. 6,90 € Versand (brutto)
einmalig pro Bestellung

Lieferzeit: 5 Werktage

Pos.
051
MAKITA Hebel 17 | Ersatzteile für 4341T | 272244-4
Hersteller: MAKITA
Artikelnummer: EMK-4341T-272244-4
nur Informationsartikel
Nie mehr lieferbar
keine Alternativen
Pos.
052
MAKITA Stift 4 | Ersatzteile für 4341T | 268063-4
Hersteller: MAKITA
Artikelnummer: EMK-4341T-268063-4
Netto: 3,86 € zzgl. MwSt.
zzgl. 6,90 € Versand (brutto)
einmalig pro Bestellung

Lieferzeit: 5 Werktage

Pos.
053
MAKITA Halter komplett | Ersatzteile für 4341T | 153334-1
Hersteller: MAKITA
Artikelnummer: EMK-4341T-153334-1
Netto: 18,04 € zzgl. MwSt.
zzgl. 6,90 € Versand (brutto)
einmalig pro Bestellung

Lieferzeit: 5 Werktage

Pos.
054
MAKITA Vierkantmutter M5-8 | Ersatzteile für 4341T | 252171-1
Hersteller: MAKITA
Artikelnummer: EMK-4341T-252171-1
Netto: 3,86 € zzgl. MwSt.
zzgl. 6,90 € Versand (brutto)
einmalig pro Bestellung

Lieferzeit: 5 Werktage

Pos.
055
MAKITA Staubdichtung | Ersatzteile für 4341T | 421816-4
Hersteller: MAKITA
Artikelnummer: EMK-4341T-421816-4
Netto: 3,86 € zzgl. MwSt.
zzgl. 6,90 € Versand (brutto)
einmalig pro Bestellung

Lieferzeit: 5 Werktage

Pos.
057
MAKITA Kugellager 608DDW | Ersatzteile für 4341T | 210005-4
Hersteller: MAKITA
Artikelnummer: EMK-4341T-210005-4
Netto: 10,24 € zzgl. MwSt.
zzgl. 6,90 € Versand (brutto)
einmalig pro Bestellung

Lieferzeit: 5 Werktage

Pos.
058
MAKITA Ventilator 52 | Ersatzteile für 4341T | 241881-5
Hersteller: MAKITA
Artikelnummer: EMK-4341T-241881-5
Netto: 5,76 € zzgl. MwSt.
zzgl. 6,90 € Versand (brutto)
einmalig pro Bestellung

Lieferzeit: 5 Werktage

Pos.
059
MAKITA Bindekopf-Blechschraube 4X60 | Ersatzteile für 4341T | 266052-3
Hersteller: MAKITA
Artikelnummer: EMK-4341T-266052-3
Netto: 5,48 € zzgl. MwSt.
zzgl. 6,90 € Versand (brutto)
einmalig pro Bestellung

Lieferzeit: 5 Werktage

Pos.
060
MAKITA Prallplatte | Ersatzteile für 4341T | 417838-0
Hersteller: MAKITA
Artikelnummer: EMK-4341T-417838-0
Netto: 3,86 € zzgl. MwSt.
zzgl. 6,90 € Versand (brutto)
einmalig pro Bestellung

Lieferzeit: 5 Werktage

Pos.
062
MAKITA Ankerbaugruppe 240V | Ersatzteile für 4341T | 517394-1
Hersteller: MAKITA
Artikelnummer: EMK-4341T-517394-1
Netto: 33,37 € zzgl. MwSt.
zzgl. 6,90 € Versand (brutto)
einmalig pro Bestellung

Lieferzeit: 5 Werktage

Pos.
065
MAKITA Firmenschild makita-logo | Ersatzteile für 4341T | 819063-3
Hersteller: MAKITA
Artikelnummer: EMK-4341T-819063-3
Netto: 4,05 € zzgl. MwSt.
zzgl. 6,90 € Versand (brutto)
einmalig pro Bestellung

Lieferzeit: 5 Werktage

Pos.
072
MAKITA Labyrinth-Gummiring 19 | Ersatzteile für 4341T | 421494-0
Hersteller: MAKITA
Artikelnummer: EMK-4341T-421494-0
Netto: 10,24 € zzgl. MwSt.
zzgl. 6,90 € Versand (brutto)
einmalig pro Bestellung

Lieferzeit: 5 Werktage

Pos.
073
MAKITA Kugellager 607LLB | Ersatzteile für 4341T | 211021-9
Hersteller: MAKITA
Artikelnummer: EMK-4341T-211021-9
Netto: 10,24 € zzgl. MwSt.
zzgl. 6,90 € Versand (brutto)
einmalig pro Bestellung

Lieferzeit: 5 Werktage

Pos.
074
MAKITA Isolierscheibe | Ersatzteile für 4341T | 681636-0
Hersteller: MAKITA
Artikelnummer: EMK-4341T-681636-0
Netto: 4,24 € zzgl. MwSt.
zzgl. 6,90 € Versand (brutto)
einmalig pro Bestellung

Lieferzeit: 5 Werktage

Pos.
075
MAKITA Spindelarretierung | Ersatzteile für 4341T | 232208-0
Hersteller: MAKITA
Artikelnummer: EMK-4341T-232208-0
Netto: 4,05 € zzgl. MwSt.
zzgl. 6,90 € Versand (brutto)
einmalig pro Bestellung

Lieferzeit: 5 Werktage

Pos.
076
MAKITA Innensechskantkopfschraube M5X18 W | Ersatzteile für 4341T | 922226-3
Hersteller: MAKITA
Artikelnummer: EMK-4341T-922226-3
Netto: 3,86 € zzgl. MwSt.
zzgl. 6,90 € Versand (brutto)
einmalig pro Bestellung

Lieferzeit: 5 Werktage

Pos.
077
MAKITA Klemmplatte | Ersatzteile für 4341T | 345237-5
Hersteller: MAKITA
Artikelnummer: EMK-4341T-345237-5
Netto: 3,86 € zzgl. MwSt.
zzgl. 6,90 € Versand (brutto)
einmalig pro Bestellung

Lieferzeit: 5 Werktage

Pos.
078
MAKITA Basis | Ersatzteile für 4341T | 317565-8
Hersteller: MAKITA
Artikelnummer: EMK-4341T-317565-8
Netto: 22,04 € zzgl. MwSt.
zzgl. 6,90 € Versand (brutto)
einmalig pro Bestellung

Lieferzeit: 5 Werktage

Pos.
079
MAKITA Senkkopfschraube M4X8 | Ersatzteile für 4341T | 912107-9
Hersteller: MAKITA
Artikelnummer: EMK-4341T-912107-9
Netto: 3,86 € zzgl. MwSt.
zzgl. 6,90 € Versand (brutto)
einmalig pro Bestellung

Lieferzeit: 5 Werktage

Pos.
080
MAKITA Grundplatte | Ersatzteile für 4341T | 345238-3
Hersteller: MAKITA
Artikelnummer: EMK-4341T-345238-3
Netto: 6,14 € zzgl. MwSt.
zzgl. 6,90 € Versand (brutto)
einmalig pro Bestellung

Lieferzeit: 5 Werktage

Pos.
081
MAKITA Schalthebel | Ersatzteile für 4341T | 417840-3
Hersteller: MAKITA
Artikelnummer: EMK-4341T-417840-3
Netto: 4,24 € zzgl. MwSt.
zzgl. 6,90 € Versand (brutto)
einmalig pro Bestellung

Lieferzeit: 5 Werktage

Pos.
083
MAKITA Typenschild 4341T | Ersatzteile für 4341T | 853856-8
Hersteller: MAKITA
Artikelnummer: EMK-4341T-853856-8
nur Informationsartikel
Nie mehr lieferbar
keine Alternativen
Pos.
084
MAKITA Schaltstange | Ersatzteile für 4341T | 417841-1
Hersteller: MAKITA
Artikelnummer: EMK-4341T-417841-1
Netto: 4,05 € zzgl. MwSt.
zzgl. 6,90 € Versand (brutto)
einmalig pro Bestellung

Lieferzeit: 5 Werktage

Pos.
085
MAKITA Schalter ST115A-40 | Ersatzteile für 4341T | 651418-4
Hersteller: MAKITA
Artikelnummer: EMK-4341T-651418-4
Netto: 12,42 € zzgl. MwSt.
zzgl. 6,90 € Versand (brutto)
einmalig pro Bestellung

Lieferzeit: 5 Werktage

Pos.
086
MAKITA Stromversorgungskabel 1.0-2-2.5 | Ersatzteile für 4341T | 665394-6
Hersteller: MAKITA
Artikelnummer: EMK-4341T-665394-6
Netto: 10,81 € zzgl. MwSt.
zzgl. 6,90 € Versand (brutto)
einmalig pro Bestellung

Lieferzeit: 5 Werktage

Pos.
087
MAKITA Klemme F | Ersatzteile für 4341T | 654223-8
Hersteller: MAKITA
Artikelnummer: EMK-4341T-654223-8
Netto: 4,05 € zzgl. MwSt.
zzgl. 6,90 € Versand (brutto)
einmalig pro Bestellung

Lieferzeit: 5 Werktage

Pos.
088
MAKITA Schalterblockeinheit | Ersatzteile für 4341T | 638110-9
Hersteller: MAKITA
Artikelnummer: EMK-4341T-638110-9
nur Informationsartikel
Nie mehr lieferbar
keine Alternativen
Pos.
092
MAKITA Feld 220-240V | Ersatzteile für 4341T | 633513-2
Hersteller: MAKITA
Artikelnummer: EMK-4341T-633513-2
nur Informationsartikel
Nie mehr lieferbar
keine Alternativen
Pos.
093
MAKITA Knaufgriff-set | Ersatzteile für 4341T | 183425-4
Hersteller: MAKITA
Artikelnummer: EMK-4341T-183425-4
nur Informationsartikel
Nie mehr lieferbar
keine Alternativen

Angaben zur Produktsicherheit

Hersteller:
Makita-Werkzeug GmbH
Makita-Platz 1
40885 Ratingen

E-Mail:
info@makita.de