MAKITA Gummistift 5 | Ersatzteile für DHR243 | 263036-2

Artikelnummer: EMK-DHR243-263036-2

Position: 100

Marke: MAKITA


Bitte Kompatibilität prüfen!

Bitte prüfen Sie unbedingt die Typennummer Ihrer Maschine / Ihres Gerätes. Das Ersatzteil ist nur kompatibel, wenn Sie die Typennummer Ihrer Maschine in der unten stehenden Produktbeschreibung finden.

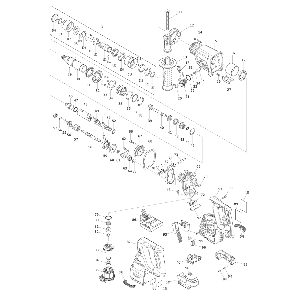
Bitte prüfen Sie ebenfalls detailliert die Explosionszeichnung mit Ihrem Artikelwunsch und der jeweiligen Pos-Nummer.

Alle Elemente, welche vom schwarzen Strich der Pos-Nummer ausgehend berührt / erfasst werden, gehören zu dieser Pos-Nummer und somit zu diesem Artikel. Jede Pos-Nummer ist ein eigenständiger Artikel, welchen Sie in der Auflistung finden.

Sie erhalten stets die aktuellste, neueste Produktversion zu der gewählten Pos-Nummer seitens des Herstellers. Es kann daher je nach Gerätealter vorkommen, dass Sie ggf. weitere, zugehörige Elemente, welche an diese Pos-Nummer grenzen, ebenfalls mittauschen müssen.

Nähere Informationen finden Sie unter dem Link
Hinweise zu Ihrer MAKITA Ersatzteilsuche

Preisübersicht

Einzelpreis: 3,48 €* (Brutto: 4,14 €)
Gesamtpreis: 3,48 €* 
Position:

Lieferzeit: 5 Werktage


Beschreibung

  • Gummistift 5
  • Original MAKITA Zubehör / MAKITA Ersatzteil (263036-2)
  • im Gerät verbaut: 1
Dieses MAKITA Ersatzteil ist mit folgendem Gerät und Modell kompatibel:
  • MAKITA Gerätename: DHR243
  • MAKITA Explosionszeichnung: Position 81800
  • MAKITA Typennummer: DHR243
  • MAKITA Typennummer alternative Schreibweisen: DHR-243, DHR 243
    Bitte prüfen Sie diese Typennummer auf Ihrem Gerät um die Kompatibilität des MAKITA Ersatzteils zu gewährleisten.
Weitere MAKITA Ersatzteile des Gerätes DHR243 (Akku-Kombihammer) mit der Typennummer DHR243 finden Sie in der nachfolgenden Darstellung und im Dropdown zu Ihrer Auswahl:

Pos.
001
MAKITA Werkzeugaufnahme Set | Ersatzteile für DHR243 | 194080-7
Hersteller: MAKITA
Artikelnummer: EMK-DHR243-194080-7
Netto: 27,72 € zzgl. MwSt.
zzgl. 6,90 € Versand (brutto)
einmalig pro Bestellung

Lieferzeit: 5 Werktage

Pos.
014-1
MAKITA Bindekopf-Blechschraube 4X35 | Ersatzteile für DHR243 | 265B69-5
Hersteller: MAKITA
Artikelnummer: EMK-DHR243-265B69-5
Netto: 3,48 € zzgl. MwSt.
zzgl. 6,90 € Versand (brutto)
einmalig pro Bestellung

Lieferzeit: 5 Werktage

Pos.
025-1
MAKITA Schiebekegel | Ersatzteile für DHR243 | 326850-8
Hersteller: MAKITA
Artikelnummer: EMK-DHR243-326850-8
Netto: 3,67 € zzgl. MwSt.
zzgl. 6,90 € Versand (brutto)
einmalig pro Bestellung

Lieferzeit: 5 Werktage

Pos.
029-1
MAKITA Stahlkugel 3 | Ersatzteile für DHR243 | 216068-8
Hersteller: MAKITA
Artikelnummer: EMK-DHR243-216061-2
nur Informationsartikel
Nie mehr lieferbar
keine Alternativen
Pos.
031-1
MAKITA Antriebsflansch | Ersatzteile für DHR243 | 332139-4
Hersteller: MAKITA
Artikelnummer: EMK-DHR243-332139-4
Netto: 7,00 € zzgl. MwSt.
zzgl. 6,90 € Versand (brutto)
einmalig pro Bestellung

Lieferzeit: 5 Werktage

Pos.
032-1
MAKITA Stirnrad 51 | Ersatzteile für DHR243 | 227360-7
Hersteller: MAKITA
Artikelnummer: EMK-DHR243-227360-7
Netto: 6,52 € zzgl. MwSt.
zzgl. 6,90 € Versand (brutto)
einmalig pro Bestellung

Lieferzeit: 5 Werktage

Pos.
057-1
MAKITA Kupplungsnocken A | Ersatzteile für DHR243 | 326849-3
Hersteller: MAKITA
Artikelnummer: EMK-DHR243-326849-3
Netto: 8,43 € zzgl. MwSt.
zzgl. 6,90 € Versand (brutto)
einmalig pro Bestellung

Lieferzeit: 5 Werktage

Pos.
059-1
MAKITA Taumellager 10 | Ersatzteile für DHR243 | 219040-9
Hersteller: MAKITA
Artikelnummer: EMK-DHR243-219040-9
nur Informationsartikel
Nie mehr lieferbar
keine Alternativen
Pos.
059-2
MAKITA SWASH BEARING 10 | Ersatzteile für DHR243 | 219044-1
Hersteller: MAKITA
Artikelnummer: EMK-DHR243-219044-1
nur Informationsartikel
Nie mehr lieferbar
keine Alternativen
Pos.
083-1
MAKITA Rotor | Ersatzteile für DHR243 | 619737-4
Hersteller: MAKITA
Artikelnummer: EMK-DHR243-619737-4
Netto: 29,08 € zzgl. MwSt.
zzgl. 6,90 € Versand (brutto)
einmalig pro Bestellung

Lieferzeit: 5 Werktage

Pos.
085-1
MAKITA Statorbaugruppe | Ersatzteile für DHR243 | 529922-0
Hersteller: MAKITA
Artikelnummer: EMK-DHR243-529922-0
nur Informationsartikel
Nie mehr lieferbar
keine Alternativen
Pos.
085-2
MAKITA Statorbaugruppe | Ersatzteile für DHR243 | 529187-4
Hersteller: MAKITA
Artikelnummer: EMK-DHR243-529187-4
Netto: 29,08 € zzgl. MwSt.
zzgl. 6,90 € Versand (brutto)
einmalig pro Bestellung

Lieferzeit: 5 Werktage

Pos.
086-1
MAKITA Controller | Ersatzteile für DHR243 | 620G68-8
Hersteller: MAKITA
Artikelnummer: EMK-DHR243-620G68-8
Netto: 92,30 € zzgl. MwSt.
zzgl. 6,90 € Versand (brutto)
einmalig pro Bestellung

Lieferzeit: 5 Werktage

Pos.
090-2
MAKITA Bindekopf-Blechschraube 4X18 | Ersatzteile für DHR243 | 265B67-9
Hersteller: MAKITA
Artikelnummer: EMK-DHR243-265B67-9
Netto: 3,48 € zzgl. MwSt.
zzgl. 6,90 € Versand (brutto)
einmalig pro Bestellung

Lieferzeit: 5 Werktage

Pos.
114-1
MAKITA Stahlkugel 6 | Ersatzteile für DHR243 | 216062-0
Hersteller: MAKITA
Artikelnummer: EMK-DHR243-216062-0
nur Informationsartikel
Nie mehr lieferbar
keine Alternativen
Pos.
A01
MAKITA Tiefenanschlag | Ersatzteile für DHR243 | 324219-0
Hersteller: MAKITA
Artikelnummer: EMK-DHR243-324219-0
Netto: 4,92 € zzgl. MwSt.
zzgl. 6,90 € Versand (brutto)
einmalig pro Bestellung

Lieferzeit: 5 Werktage

Pos.
A02
MAKITA Bohrfutter-satz | Ersatzteile für DHR243 | 194079-2
Hersteller: MAKITA
Artikelnummer: EMK-DHR243-194079-2
Netto: 72,96 € zzgl. MwSt.
zzgl. 6,90 € Versand (brutto)
einmalig pro Bestellung

Lieferzeit: 5 Werktage

Pos.
A03
MAKITA Staubabsaugung DX02 | Ersatzteile für DHR243 | DX02
Hersteller: MAKITA
Artikelnummer: EMK-DHR243-DX02
nur Informationsartikel
Nie mehr lieferbar
keine Alternativen
Pos.
A04
MAKITA Akkusatz BL1830 | Ersatzteile für DHR243 | 194204-5
Hersteller: MAKITA
Artikelnummer: EMK-DHR243-194204-5
nur Informationsartikel
Nie mehr lieferbar
keine Alternativen
Pos.
A04
MAKITA Akkusatz BL1840 | Ersatzteile für DHR243 | 196399-0
Hersteller: MAKITA
Artikelnummer: EMK-DHR243-196399-0
nur Informationsartikel
Nie mehr lieferbar
keine Alternativen
Pos.
A04
MAKITA Akkusatz BL1850 | Ersatzteile für DHR243 | 196671-0
Hersteller: MAKITA
Artikelnummer: EMK-DHR243-196671-0
nur Informationsartikel
Nie mehr lieferbar
keine Alternativen
Pos.
A04
MAKITA Dichtkappe | Ersatzteile für DHR243 | 424474-5
Hersteller: MAKITA
Artikelnummer: EMK-DHR243-424474-5
Netto: 3,86 € zzgl. MwSt.
zzgl. 6,90 € Versand (brutto)
einmalig pro Bestellung

Lieferzeit: 5 Werktage

Pos.
A04
MAKITA Tiefziehteil | Ersatzteile für DHR243 | 837649-1
Hersteller: MAKITA
Artikelnummer: EMK-DHR243-837649-1
Netto: 11,52 € zzgl. MwSt.
zzgl. 6,90 € Versand (brutto)
einmalig pro Bestellung

Lieferzeit: 5 Werktage

Pos.
A04-1
MAKITA Dichtkappe | Ersatzteile für DHR243 | 422784-4
Hersteller: MAKITA
Artikelnummer: EMK-DHR243-422784-4
nur Informationsartikel
Nie mehr lieferbar
keine Alternativen
Pos.
A04-2
MAKITA Akku BL1850B Set | Ersatzteile für DHR243 | 197280-8
Hersteller: MAKITA
Artikelnummer: EMK-DHR243-197280-8
Netto: 99,00 € zzgl. MwSt.
zzgl. 6,90 € Versand (brutto)
einmalig pro Bestellung

Lieferzeit: 5 Werktage

Pos.
A04-2
MAKITA Akkusatz BL1830B | Ersatzteile für DHR243 | 197600-6
Hersteller: MAKITA
Artikelnummer: EMK-DHR243-197600-6
nur Informationsartikel
Nie mehr lieferbar
keine Alternativen
Pos.
A04-2
MAKITA Akkusatz BL1840B | Ersatzteile für DHR243 | 197265-4
Hersteller: MAKITA
Artikelnummer: EMK-DHR243-197265-4
Netto: 84,60 € zzgl. MwSt.
zzgl. 6,90 € Versand (brutto)
einmalig pro Bestellung

Lieferzeit: 5 Werktage

Pos.
A05
MAKITA Hinweisaufkleber DHR243YJ | Ersatzteile für DHR243 | 803X40-9
Hersteller: MAKITA
Artikelnummer: EMK-DHR243-803X40-9
nur Informationsartikel
Nie mehr lieferbar
keine Alternativen
Pos.
A05
MAKITA Hinweisaufkleber DHR243ZJ | Ersatzteile für DHR243 | 802M30-3
Hersteller: MAKITA
Artikelnummer: EMK-DHR243-802M30-3
nur Informationsartikel
Nie mehr lieferbar
keine Alternativen
Pos.
A05
MAKITA Kontaktschutzkappe | Ersatzteile für DHR243 | 450128-8
Hersteller: MAKITA
Artikelnummer: EMK-DHR243-450128-8
Netto: 3,72 € zzgl. MwSt.
zzgl. 6,90 € Versand (brutto)
einmalig pro Bestellung

Lieferzeit: 5 Werktage

Pos.
A05-1
MAKITA Hinweisaufkleber DHR243Y1J | Ersatzteile für DHR243 | 805T64-7
Hersteller: MAKITA
Artikelnummer: EMK-DHR243-805T64-7
nur Informationsartikel
Nie mehr lieferbar
keine Alternativen
Pos.
A07
MAKITA Akkusatz BL1815N | Ersatzteile für DHR243 | 196235-0
Hersteller: MAKITA
Artikelnummer: EMK-DHR243-196235-0
Netto: 57,00 € zzgl. MwSt.
zzgl. 6,90 € Versand (brutto)
einmalig pro Bestellung

Lieferzeit: 5 Werktage

Pos.
A07
MAKITA Tiefziehteil | Ersatzteile für DHR243 | 837677-6
Hersteller: MAKITA
Artikelnummer: EMK-DHR243-835A31-4
nur Informationsartikel
Nie mehr lieferbar
keine Alternativen
Pos.
A08
MAKITA Hinweisaufkleber DHR243RFJ | Ersatzteile für DHR243 | 802M29-8
Hersteller: MAKITA
Artikelnummer: EMK-DHR243-802M29-8
nur Informationsartikel
Nie mehr lieferbar
keine Alternativen
Pos.
A08
MAKITA Hinweisaufkleber DHR243RFJV | Ersatzteile für DHR243 | 802M31-1
Hersteller: MAKITA
Artikelnummer: EMK-DHR243-802M31-1
nur Informationsartikel
Nie mehr lieferbar
keine Alternativen
Pos.
A08
MAKITA Hinweisaufkleber DHR243RMJ | Ersatzteile für DHR243 | 802M47-6
Hersteller: MAKITA
Artikelnummer: EMK-DHR243-802M47-6
nur Informationsartikel
Nie mehr lieferbar
keine Alternativen
Pos.
A08
MAKITA Hinweisaufkleber DHR243RMJV | Ersatzteile für DHR243 | 802M50-7
Hersteller: MAKITA
Artikelnummer: EMK-DHR243-802M50-7
nur Informationsartikel
Nie mehr lieferbar
keine Alternativen
Pos.
A08
MAKITA Hinweisaufkleber DHR243RTJ | Ersatzteile für DHR243 | 805R30-2
Hersteller: MAKITA
Artikelnummer: EMK-DHR243-805R30-2
nur Informationsartikel
Nie mehr lieferbar
keine Alternativen
Pos.
A08
MAKITA Hinweisaufkleber DHR243RTJB | Ersatzteile für DHR243 | 8063J5-4
Hersteller: MAKITA
Artikelnummer: EMK-DHR243-8063J5-4
nur Informationsartikel
Nie mehr lieferbar
keine Alternativen
Pos.
A08
MAKITA Hinweisaufkleber DHR243RTJV | Ersatzteile für DHR243 | 805R32-8
Hersteller: MAKITA
Artikelnummer: EMK-DHR243-805R32-8
nur Informationsartikel
Nie mehr lieferbar
keine Alternativen
Pos.
A08
MAKITA Hinweisaufkleber DHR243RTJW | Ersatzteile für DHR243 | 818X90-1
Hersteller: MAKITA
Artikelnummer: EMK-DHR243-818X90-1
nur Informationsartikel
Nie mehr lieferbar
keine Alternativen
Pos.
A08
MAKITA Hinweisaufkleber DHR243ZJV | Ersatzteile für DHR243 | 806H81-8
Hersteller: MAKITA
Artikelnummer: EMK-DHR243-806H81-8
nur Informationsartikel
Nie mehr lieferbar
keine Alternativen
Pos.
A10
MAKITA DUST EXTRACTION SYSTEM | Ersatzteile für DHR243 | DX07
Hersteller: MAKITA
Artikelnummer: EMK-DHR243-DX07
nur Informationsartikel
Nie mehr lieferbar
keine Alternativen
Pos.
A12
MAKITA Fett-tube | Ersatzteile für DHR243 | 198993-4
Hersteller: MAKITA
Artikelnummer: EMK-DHR243-198993-4
nur Informationsartikel
Nie mehr lieferbar
keine Alternativen
Pos.
A13
MAKITA Schaumstoff 50-50 | Ersatzteile für DHR243 | 837349-3
Hersteller: MAKITA
Artikelnummer: EMK-DHR243-837349-3
nur Informationsartikel
Nie mehr lieferbar
keine Alternativen
Pos.
B01
MAKITA Hammer-Servicekit | Ersatzteile für DHR243 | 195834-5
Hersteller: MAKITA
Artikelnummer: EMK-DHR243-195834-5
nur Informationsartikel
Nie mehr lieferbar
keine Alternativen
Pos.
C10
MAKITA Gummistift 6 | Ersatzteile für DHR243 | 263005-3
Hersteller: MAKITA
Artikelnummer: EMK-DHR243-263005-3
Netto: 3,86 € zzgl. MwSt.
zzgl. 6,90 € Versand (brutto)
einmalig pro Bestellung

Lieferzeit: 5 Werktage

Pos.
C10
MAKITA Schlitzflachkopfschraube M6X22 | Ersatzteile für DHR243 | 251425-3
Hersteller: MAKITA
Artikelnummer: EMK-DHR243-251425-3
Netto: 4,14 € zzgl. MwSt.
zzgl. 6,90 € Versand (brutto)
einmalig pro Bestellung

Lieferzeit: 5 Werktage

Pos.
C10
MAKITA Verschluss | Ersatzteile für DHR243 | 453974-8
Hersteller: MAKITA
Artikelnummer: EMK-DHR243-162271-8
Netto: 4,20 € zzgl. MwSt.
zzgl. 6,90 € Versand (brutto)
einmalig pro Bestellung

Lieferzeit: 5 Werktage

Pos.
C20
MAKITA Betriebsaufkleber | Ersatzteile für DHR243 | 890903-4
Hersteller: MAKITA
Artikelnummer: EMK-DHR243-890904-2
nur Informationsartikel
Nie mehr lieferbar
keine Alternativen
Pos.
C20
MAKITA Futterhalter | Ersatzteile für DHR243 | 324353-6
Hersteller: MAKITA
Artikelnummer: EMK-DHR243-324353-6
nur Informationsartikel
Nie mehr lieferbar
keine Alternativen
Pos.
C30
MAKITA Abstandshalter | Ersatzteile für DHR243 | 418216-7
Hersteller: MAKITA
Artikelnummer: EMK-DHR243-418216-7
nur Informationsartikel
Nie mehr lieferbar
keine Alternativen
Pos.
F07
MAKITA Fett-tube | Ersatzteile für DHR243 | 194683-7
Hersteller: MAKITA
Artikelnummer: EMK-DHR243-194683-7
nur Informationsartikel
Nie mehr lieferbar
keine Alternativen
Pos.
F37-3
MAKITA Akkusatz BL1830B (2 stk.) | Ersatzteile für DHR243 | 197606-4
Hersteller: MAKITA
Artikelnummer: EMK-DHR243-197606-4
nur Informationsartikel
Nie mehr lieferbar
keine Alternativen
Pos.
F41
MAKITA Staubabsaugsystem Set | Ersatzteile für DHR243 | 195902-4
Hersteller: MAKITA
Artikelnummer: EMK-DHR243-195902-4
nur Informationsartikel
Nie mehr lieferbar
keine Alternativen
Pos.
F48-1
MAKITA Staubbox-set | Ersatzteile für DHR243 | 199977-5
Hersteller: MAKITA
Artikelnummer: EMK-DHR243-199977-5
nur Informationsartikel
Nie mehr lieferbar
keine Alternativen
Pos.
F50-1
MAKITA Filter Set | Ersatzteile für DHR243 | 199557-7
Hersteller: MAKITA
Artikelnummer: EMK-DHR243-199557-7
Netto: 10,20 € zzgl. MwSt.
zzgl. 6,90 € Versand (brutto)
einmalig pro Bestellung

Lieferzeit: 5 Werktage

Pos.
F52-3
MAKITA Akkusatz BL1040B | Ersatzteile für DHR243 | 197267-0
Hersteller: MAKITA
Artikelnummer: EMK-DHR243-197267-0
nur Informationsartikel
Nie mehr lieferbar
keine Alternativen
Pos.
F54-3
MAKITA Akkusatz BL1840B (2 stk.) | Ersatzteile für DHR243 | 197273-5
Hersteller: MAKITA
Artikelnummer: EMK-DHR243-197273-5
nur Informationsartikel
Nie mehr lieferbar
keine Alternativen
Pos.
F56
MAKITA Akkusatz BL1815N | Ersatzteile für DHR243 | 196448-3
Hersteller: MAKITA
Artikelnummer: EMK-DHR243-196448-3
nur Informationsartikel
Nie mehr lieferbar
keine Alternativen
Pos.
F57-1
MAKITA Akkusatz BL1815N | Ersatzteile für DHR243 | 196449-1
Hersteller: MAKITA
Artikelnummer: EMK-DHR243-196449-1
nur Informationsartikel
Nie mehr lieferbar
keine Alternativen
Pos.
F58
MAKITA Akkusatz BL1815N | Ersatzteile für DHR243 | 196450-6
Hersteller: MAKITA
Artikelnummer: EMK-DHR243-196450-6
nur Informationsartikel
Nie mehr lieferbar
keine Alternativen
Pos.
F63
MAKITA Staubabsaugsystem Set DX07 | Ersatzteile für DHR243 | 199570-5
Hersteller: MAKITA
Artikelnummer: EMK-DHR243-199570-5
Netto: 101,64 € zzgl. MwSt.
zzgl. 6,90 € Versand (brutto)
einmalig pro Bestellung

Lieferzeit: 5 Werktage

Pos.
F71
MAKITA Staubbox-set | Ersatzteile für DHR243 | 199555-1
Hersteller: MAKITA
Artikelnummer: EMK-DHR243-199555-1
Netto: 39,94 € zzgl. MwSt.
zzgl. 6,90 € Versand (brutto)
einmalig pro Bestellung

Lieferzeit: 5 Werktage

Pos.
G12
MAKITA Staubabsaugpolster, Set | Ersatzteile für DHR243 | 1914X3-8
Hersteller: MAKITA
Artikelnummer: EMK-DHR243-1914X3-8
Netto: 32,40 € zzgl. MwSt.
zzgl. 6,90 € Versand (brutto)
einmalig pro Bestellung

Lieferzeit: 5 Werktage

Pos.
011
MAKITA Sechskantschraube M8X90 | Ersatzteile für DHR243 | 266745-2
Hersteller: MAKITA
Artikelnummer: EMK-DHR243-266745-2
nur Informationsartikel
Nie mehr lieferbar
keine Alternativen
Pos.
012
MAKITA Griffhalter | Ersatzteile für DHR243 | 453129-5
Hersteller: MAKITA
Artikelnummer: EMK-DHR243-453129-5
Netto: 6,14 € zzgl. MwSt.
zzgl. 6,90 € Versand (brutto)
einmalig pro Bestellung

Lieferzeit: 5 Werktage

Pos.
013
MAKITA Griff 36 komplett | Ersatzteile für DHR243 | 158057-6
Hersteller: MAKITA
Artikelnummer: EMK-DHR243-158057-6
Netto: 12,42 € zzgl. MwSt.
zzgl. 6,90 € Versand (brutto)
einmalig pro Bestellung

Lieferzeit: 5 Werktage

Pos.
014
MAKITA Bindekopf-Blechschraube 4X35 | Ersatzteile für DHR243 | 266351-3
Hersteller: MAKITA
Artikelnummer: EMK-DHR243-266351-3
Netto: 3,48 € zzgl. MwSt.
zzgl. 6,90 € Versand (brutto)
einmalig pro Bestellung

Lieferzeit: 5 Werktage

Pos.
017
MAKITA Kugellager 6806LLU | Ersatzteile für DHR243 | 211294-4
Hersteller: MAKITA
Artikelnummer: EMK-DHR243-211294-4
Netto: 10,24 € zzgl. MwSt.
zzgl. 6,90 € Versand (brutto)
einmalig pro Bestellung

Lieferzeit: 5 Werktage

Pos.
018
MAKITA Arretierknopf | Ersatzteile für DHR243 | 454112-5
Hersteller: MAKITA
Artikelnummer: EMK-DHR243-454112-5
Netto: 4,05 € zzgl. MwSt.
zzgl. 6,90 € Versand (brutto)
einmalig pro Bestellung

Lieferzeit: 5 Werktage

Pos.
019
MAKITA Druckfeder 3 | Ersatzteile für DHR243 | 234264-6
Hersteller: MAKITA
Artikelnummer: EMK-DHR243-234264-6
Netto: 3,67 € zzgl. MwSt.
zzgl. 6,90 € Versand (brutto)
einmalig pro Bestellung

Lieferzeit: 5 Werktage

Pos.
020
MAKITA Umschalthebelabdeckung | Ersatzteile für DHR243 | 453131-8
Hersteller: MAKITA
Artikelnummer: EMK-DHR243-453131-8
Netto: 3,67 € zzgl. MwSt.
zzgl. 6,90 € Versand (brutto)
einmalig pro Bestellung

Lieferzeit: 5 Werktage

Pos.
021
MAKITA Umschalthebel | Ersatzteile für DHR243 | 453125-3
Hersteller: MAKITA
Artikelnummer: EMK-DHR243-453125-3
Netto: 5,48 € zzgl. MwSt.
zzgl. 6,90 € Versand (brutto)
einmalig pro Bestellung

Lieferzeit: 5 Werktage

Pos.
022
MAKITA O-Ring 21 | Ersatzteile für DHR243 | 213381-5
Hersteller: MAKITA
Artikelnummer: EMK-DHR243-213381-5
Netto: 4,05 € zzgl. MwSt.
zzgl. 6,90 € Versand (brutto)
einmalig pro Bestellung

Lieferzeit: 5 Werktage

Pos.
024
MAKITA Druckfeder 5 | Ersatzteile für DHR243 | 234147-0
Hersteller: MAKITA
Artikelnummer: EMK-DHR243-234147-0
Netto: 3,67 € zzgl. MwSt.
zzgl. 6,90 € Versand (brutto)
einmalig pro Bestellung

Lieferzeit: 5 Werktage

Pos.
025
MAKITA Schiebekegel | Ersatzteile für DHR243 | 325785-0
Hersteller: MAKITA
Artikelnummer: EMK-DHR243-325785-0
Netto: 3,86 € zzgl. MwSt.
zzgl. 6,90 € Versand (brutto)
einmalig pro Bestellung

Lieferzeit: 5 Werktage

Pos.
026
MAKITA Druckfeder 4 | Ersatzteile für DHR243 | 233360-7
Hersteller: MAKITA
Artikelnummer: EMK-DHR243-233360-7
Netto: 3,86 € zzgl. MwSt.
zzgl. 6,90 € Versand (brutto)
einmalig pro Bestellung

Lieferzeit: 5 Werktage

Pos.
027
MAKITA Sicherungsscheibe | Ersatzteile für DHR243 | 346537-6
Hersteller: MAKITA
Artikelnummer: EMK-DHR243-346537-6
Netto: 3,86 € zzgl. MwSt.
zzgl. 6,90 € Versand (brutto)
einmalig pro Bestellung

Lieferzeit: 5 Werktage

Pos.
029
MAKITA Stahlkugel 3 | Ersatzteile für DHR243 | 216019-1
Hersteller: MAKITA
Artikelnummer: EMK-DHR243-216019-1
Netto: 3,48 € zzgl. MwSt.
zzgl. 6,90 € Versand (brutto)
einmalig pro Bestellung

Lieferzeit: 5 Werktage

Pos.
031
MAKITA Antriebsflansch | Ersatzteile für DHR243 | 313149-0
Hersteller: MAKITA
Artikelnummer: EMK-DHR243-313149-0
Netto: 4,71 € zzgl. MwSt.
zzgl. 6,90 € Versand (brutto)
einmalig pro Bestellung

Lieferzeit: 5 Werktage

Pos.
032
MAKITA Stirnrad 51 | Ersatzteile für DHR243 | 227232-6
Hersteller: MAKITA
Artikelnummer: EMK-DHR243-227232-6
nur Informationsartikel
Nie mehr lieferbar
keine Alternativen
Pos.
033
MAKITA Stift 6 | Ersatzteile für DHR243 | 268226-2
Hersteller: MAKITA
Artikelnummer: EMK-DHR243-268226-2
Netto: 3,86 € zzgl. MwSt.
zzgl. 6,90 € Versand (brutto)
einmalig pro Bestellung

Lieferzeit: 5 Werktage

Pos.
034
MAKITA Unterlegscheibe 30 | Ersatzteile für DHR243 | 267414-8
Hersteller: MAKITA
Artikelnummer: EMK-DHR243-267414-8
Netto: 3,76 € zzgl. MwSt.
zzgl. 6,90 € Versand (brutto)
einmalig pro Bestellung

Lieferzeit: 5 Werktage

Pos.
035
MAKITA Druckfeder 31 | Ersatzteile für DHR243 | 234148-8
Hersteller: MAKITA
Artikelnummer: EMK-DHR243-234148-8
Netto: 4,52 € zzgl. MwSt.
zzgl. 6,90 € Versand (brutto)
einmalig pro Bestellung

Lieferzeit: 5 Werktage

Pos.
036
MAKITA Unterlegscheibe 30 | Ersatzteile für DHR243 | 267153-0
Hersteller: MAKITA
Artikelnummer: EMK-DHR243-267153-0
Netto: 3,67 € zzgl. MwSt.
zzgl. 6,90 € Versand (brutto)
einmalig pro Bestellung

Lieferzeit: 5 Werktage

Pos.
037
MAKITA Spiro-Sicherungsscheibe 30 | Ersatzteile für DHR243 | 257932-4
Hersteller: MAKITA
Artikelnummer: EMK-DHR243-257932-4
Netto: 3,86 € zzgl. MwSt.
zzgl. 6,90 € Versand (brutto)
einmalig pro Bestellung

Lieferzeit: 5 Werktage

Pos.
040
MAKITA Schlagbolzen B | Ersatzteile für DHR243 | 325791-5
Hersteller: MAKITA
Artikelnummer: EMK-DHR243-325791-5
Netto: 14,90 € zzgl. MwSt.
zzgl. 6,90 € Versand (brutto)
einmalig pro Bestellung

Lieferzeit: 5 Werktage

Pos.
041
MAKITA Unterlegscheibe 10 | Ersatzteile für DHR243 | 325792-3
Hersteller: MAKITA
Artikelnummer: EMK-DHR243-325792-3
Netto: 3,86 € zzgl. MwSt.
zzgl. 6,90 € Versand (brutto)
einmalig pro Bestellung

Lieferzeit: 5 Werktage

Pos.
042
MAKITA Druckfeder 20 | Ersatzteile für DHR243 | 234149-6
Hersteller: MAKITA
Artikelnummer: EMK-DHR243-234149-6
Netto: 3,86 € zzgl. MwSt.
zzgl. 6,90 € Versand (brutto)
einmalig pro Bestellung

Lieferzeit: 5 Werktage

Pos.
044
MAKITA O-Ring 9 | Ersatzteile für DHR243 | 213073-6
Hersteller: MAKITA
Artikelnummer: EMK-DHR243-213073-6
Netto: 3,48 € zzgl. MwSt.
zzgl. 6,90 € Versand (brutto)
einmalig pro Bestellung

Lieferzeit: 5 Werktage

Pos.
045
MAKITA Ringfeder 28 | Ersatzteile für DHR243 | 233979-2
Hersteller: MAKITA
Artikelnummer: EMK-DHR243-233979-2
Netto: 3,48 € zzgl. MwSt.
zzgl. 6,90 € Versand (brutto)
einmalig pro Bestellung

Lieferzeit: 5 Werktage

Pos.
047
MAKITA O-Ring 17.5 | Ersatzteile für DHR243 | 213258-4
Hersteller: MAKITA
Artikelnummer: EMK-DHR243-213258-4
Netto: 3,67 € zzgl. MwSt.
zzgl. 6,90 € Versand (brutto)
einmalig pro Bestellung

Lieferzeit: 5 Werktage

Pos.
048
MAKITA Kolbenzylinder | Ersatzteile für DHR243 | 310345-1
Hersteller: MAKITA
Artikelnummer: EMK-DHR243-310345-1
Netto: 14,90 € zzgl. MwSt.
zzgl. 6,90 € Versand (brutto)
einmalig pro Bestellung

Lieferzeit: 5 Werktage

Pos.
050
MAKITA Kolbenverbindung | Ersatzteile für DHR243 | 324215-8
Hersteller: MAKITA
Artikelnummer: EMK-DHR243-324215-8
Netto: 4,52 € zzgl. MwSt.
zzgl. 6,90 € Versand (brutto)
einmalig pro Bestellung

Lieferzeit: 5 Werktage

Pos.
051
MAKITA Druckfeder 14 | Ersatzteile für DHR243 | 234098-7
Hersteller: MAKITA
Artikelnummer: EMK-DHR243-234098-7
Netto: 3,48 € zzgl. MwSt.
zzgl. 6,90 € Versand (brutto)
einmalig pro Bestellung

Lieferzeit: 5 Werktage

Pos.
052
MAKITA Unterlegscheibe 14 | Ersatzteile für DHR243 | 267447-3
Hersteller: MAKITA
Artikelnummer: EMK-DHR243-267447-3
Netto: 3,48 € zzgl. MwSt.
zzgl. 6,90 € Versand (brutto)
einmalig pro Bestellung

Lieferzeit: 5 Werktage

Pos.
053
MAKITA Kugellager 606ZZ | Ersatzteile für DHR243 | 211012-0
Hersteller: MAKITA
Artikelnummer: EMK-DHR243-211012-0
Netto: 13,38 € zzgl. MwSt.
zzgl. 6,90 € Versand (brutto)
einmalig pro Bestellung

Lieferzeit: 5 Werktage

Pos.
054
MAKITA Anschlagring (EXT) U-6 | Ersatzteile für DHR243 | 257336-0
Hersteller: MAKITA
Artikelnummer: EMK-DHR243-257336-0
Netto: 3,48 € zzgl. MwSt.
zzgl. 6,90 € Versand (brutto)
einmalig pro Bestellung

Lieferzeit: 5 Werktage

Pos.
055
MAKITA Unterlegscheibe 7 | Ersatzteile für DHR243 | 253186-1
Hersteller: MAKITA
Artikelnummer: EMK-DHR243-253186-1
Netto: 3,48 € zzgl. MwSt.
zzgl. 6,90 € Versand (brutto)
einmalig pro Bestellung

Lieferzeit: 5 Werktage

Pos.
056
MAKITA Stirnrad 10 | Ersatzteile für DHR243 | 227231-8
Hersteller: MAKITA
Artikelnummer: EMK-DHR243-227231-8
Netto: 20,99 € zzgl. MwSt.
zzgl. 6,90 € Versand (brutto)
einmalig pro Bestellung

Lieferzeit: 5 Werktage

Pos.
057
MAKITA Kupplungsnocken A | Ersatzteile für DHR243 | 331814-9
Hersteller: MAKITA
Artikelnummer: EMK-DHR243-331814-9
nur Informationsartikel
Nie mehr lieferbar
keine Alternativen
Pos.
058
MAKITA Nockenwelle | Ersatzteile für DHR243 | 326140-9
Hersteller: MAKITA
Artikelnummer: EMK-DHR243-326140-9
Netto: 14,90 € zzgl. MwSt.
zzgl. 6,90 € Versand (brutto)
einmalig pro Bestellung

Lieferzeit: 5 Werktage

Pos.
059
MAKITA Taumellager 10 | Ersatzteile für DHR243 | 219020-5
Hersteller: MAKITA
Artikelnummer: EMK-DHR243-219020-5
nur Informationsartikel
Nie mehr lieferbar
keine Alternativen
Pos.
060
MAKITA Spiralkegelrad 32 | Ersatzteile für DHR243 | 227588-7
Hersteller: MAKITA
Artikelnummer: EMK-DHR243-227588-7
nur Informationsartikel
Nie mehr lieferbar
keine Alternativen
Pos.
061
MAKITA Ring 8 | Ersatzteile für DHR243 | 257323-9
Hersteller: MAKITA
Artikelnummer: EMK-DHR243-257323-9
Netto: 3,86 € zzgl. MwSt.
zzgl. 6,90 € Versand (brutto)
einmalig pro Bestellung

Lieferzeit: 5 Werktage

Pos.
062
MAKITA Innensechskantkopfschraube M4X12 WR | Ersatzteile für DHR243 | 922118-6
Hersteller: MAKITA
Artikelnummer: EMK-DHR243-922118-6
Netto: 3,76 € zzgl. MwSt.
zzgl. 6,90 € Versand (brutto)
einmalig pro Bestellung

Lieferzeit: 5 Werktage

Pos.
063
MAKITA Lagerhalter B | Ersatzteile für DHR243 | 346038-4
Hersteller: MAKITA
Artikelnummer: EMK-DHR243-346038-4
Netto: 3,86 € zzgl. MwSt.
zzgl. 6,90 € Versand (brutto)
einmalig pro Bestellung

Lieferzeit: 5 Werktage

Pos.
064
MAKITA Kugellager 608ZZ | Ersatzteile für DHR243 | 211032-4
Hersteller: MAKITA
Artikelnummer: EMK-DHR243-211032-4
Netto: 8,43 € zzgl. MwSt.
zzgl. 6,90 € Versand (brutto)
einmalig pro Bestellung

Lieferzeit: 5 Werktage

Pos.
065
MAKITA Ring 8 | Ersatzteile für DHR243 | 324212-4
Hersteller: MAKITA
Artikelnummer: EMK-DHR243-324212-4
Netto: 4,24 € zzgl. MwSt.
zzgl. 6,90 € Versand (brutto)
einmalig pro Bestellung

Lieferzeit: 5 Werktage

Pos.
066
MAKITA Innensechskantkopfschraube M4X25 | Ersatzteile für DHR243 | 922147-9
Hersteller: MAKITA
Artikelnummer: EMK-DHR243-922147-9
Netto: 4,05 € zzgl. MwSt.
zzgl. 6,90 € Versand (brutto)
einmalig pro Bestellung

Lieferzeit: 5 Werktage

Pos.
068
MAKITA O-Ring 75 | Ersatzteile für DHR243 | 213767-3
Hersteller: MAKITA
Artikelnummer: EMK-DHR243-213767-3
Netto: 4,52 € zzgl. MwSt.
zzgl. 6,90 € Versand (brutto)
einmalig pro Bestellung

Lieferzeit: 5 Werktage

Pos.
070
MAKITA Filz | Ersatzteile für DHR243 | 443153-6
Hersteller: MAKITA
Artikelnummer: EMK-DHR243-443153-6
Netto: 3,48 € zzgl. MwSt.
zzgl. 6,90 € Versand (brutto)
einmalig pro Bestellung

Lieferzeit: 5 Werktage

Pos.
072
MAKITA Lagerhalter A | Ersatzteile für DHR243 | 346536-8
Hersteller: MAKITA
Artikelnummer: EMK-DHR243-346536-8
Netto: 3,86 € zzgl. MwSt.
zzgl. 6,90 € Versand (brutto)
einmalig pro Bestellung

Lieferzeit: 5 Werktage

Pos.
073
MAKITA Flachkopf HD.-Stift 6 | Ersatzteile für DHR243 | 256536-9
Hersteller: MAKITA
Artikelnummer: EMK-DHR243-256536-9
Netto: 3,86 € zzgl. MwSt.
zzgl. 6,90 € Versand (brutto)
einmalig pro Bestellung

Lieferzeit: 5 Werktage

Pos.
075
MAKITA Kontergewicht | Ersatzteile für DHR243 | 313224-2
Hersteller: MAKITA
Artikelnummer: EMK-DHR243-313224-2
Netto: 6,14 € zzgl. MwSt.
zzgl. 6,90 € Versand (brutto)
einmalig pro Bestellung

Lieferzeit: 5 Werktage

Pos.
077
MAKITA Unterlegscheibe 6 | Ersatzteile für DHR243 | 253726-5
Hersteller: MAKITA
Artikelnummer: EMK-DHR243-253726-5
nur Informationsartikel
Nie mehr lieferbar
keine Alternativen
Pos.
078
MAKITA Anschlagring (EXT) E-5 | Ersatzteile für DHR243 | 961018-5
Hersteller: MAKITA
Artikelnummer: EMK-DHR243-961018-5
Netto: 3,48 € zzgl. MwSt.
zzgl. 6,90 € Versand (brutto)
einmalig pro Bestellung

Lieferzeit: 5 Werktage

Pos.
079
MAKITA O-Ring 22.4 | Ersatzteile für DHR243 | 213008-7
Hersteller: MAKITA
Artikelnummer: EMK-DHR243-213008-7
Netto: 4,24 € zzgl. MwSt.
zzgl. 6,90 € Versand (brutto)
einmalig pro Bestellung

Lieferzeit: 5 Werktage

Pos.
080
MAKITA Spiralkegelrad 11 komplett | Ersatzteile für DHR243 | 141458-5
Hersteller: MAKITA
Artikelnummer: EMK-DHR243-141458-5
Netto: 7,86 € zzgl. MwSt.
zzgl. 6,90 € Versand (brutto)
einmalig pro Bestellung

Lieferzeit: 5 Werktage

Pos.
081
MAKITA Kugellager 608 LLU | Ersatzteile für DHR243 | 210024-0
Hersteller: MAKITA
Artikelnummer: EMK-DHR243-210024-0
Netto: 10,24 € zzgl. MwSt.
zzgl. 6,90 € Versand (brutto)
einmalig pro Bestellung

Lieferzeit: 5 Werktage

Pos.
082
MAKITA Unterlegscheibe 8 | Ersatzteile für DHR243 | 253835-0
Hersteller: MAKITA
Artikelnummer: EMK-DHR243-253835-0
Netto: 3,86 € zzgl. MwSt.
zzgl. 6,90 € Versand (brutto)
einmalig pro Bestellung

Lieferzeit: 5 Werktage

Pos.
083
MAKITA Rotor | Ersatzteile für DHR243 | 619293-4
Hersteller: MAKITA
Artikelnummer: EMK-DHR243-619293-4
nur Informationsartikel
Nie mehr lieferbar
keine Alternativen
Pos.
084
MAKITA Kugellager 626DDW | Ersatzteile für DHR243 | 210022-4
Hersteller: MAKITA
Artikelnummer: EMK-DHR243-210022-4
nur Informationsartikel
Nie mehr lieferbar
keine Alternativen
Pos.
085
MAKITA Stator | Ersatzteile für DHR243 | 629922-1
Hersteller: MAKITA
Artikelnummer: EMK-DHR243-629922-1
nur Informationsartikel
Nie mehr lieferbar
keine Alternativen
Pos.
086
MAKITA Controller | Ersatzteile für DHR243 | 620241-8
Hersteller: MAKITA
Artikelnummer: EMK-DHR243-620241-8
Netto: 69,07 € zzgl. MwSt.
zzgl. 6,90 € Versand (brutto)
einmalig pro Bestellung

Lieferzeit: 5 Werktage

Pos.
088
MAKITA Serien-nr-schild DHR243 | Ersatzteile für DHR243 | 815B50-2
Hersteller: MAKITA
Artikelnummer: EMK-DHR243-815B50-2
Netto: 3,86 € zzgl. MwSt.
zzgl. 6,90 € Versand (brutto)
einmalig pro Bestellung

Lieferzeit: 5 Werktage

Pos.
089
MAKITA Typenschild DHR243 | Ersatzteile für DHR243 | 815B44-7
Hersteller: MAKITA
Artikelnummer: EMK-DHR243-815B44-7
Netto: 3,48 € zzgl. MwSt.
zzgl. 6,90 € Versand (brutto)
einmalig pro Bestellung

Lieferzeit: 5 Werktage

Pos.
090
MAKITA Bindekopf-Blechschraube 4X18 | Ersatzteile für DHR243 | 266326-2
Hersteller: MAKITA
Artikelnummer: EMK-DHR243-266326-2
Netto: 3,48 € zzgl. MwSt.
zzgl. 6,90 € Versand (brutto)
einmalig pro Bestellung

Lieferzeit: 5 Werktage

Pos.
092
MAKITA Drehrichtungsschalter | Ersatzteile für DHR243 | 453124-5
Hersteller: MAKITA
Artikelnummer: EMK-DHR243-453124-5
Netto: 4,52 € zzgl. MwSt.
zzgl. 6,90 € Versand (brutto)
einmalig pro Bestellung

Lieferzeit: 5 Werktage

Pos.
093
MAKITA Schalthebel | Ersatzteile für DHR243 | 453123-7
Hersteller: MAKITA
Artikelnummer: EMK-DHR243-453123-7
Netto: 3,86 € zzgl. MwSt.
zzgl. 6,90 € Versand (brutto)
einmalig pro Bestellung

Lieferzeit: 5 Werktage

Pos.
094
MAKITA Schalter C3JW-1A-P | Ersatzteile für DHR243 | 650709-0
Hersteller: MAKITA
Artikelnummer: EMK-DHR243-650709-0
Netto: 38,32 € zzgl. MwSt.
zzgl. 6,90 € Versand (brutto)
einmalig pro Bestellung

Lieferzeit: 5 Werktage

Pos.
095
MAKITA Torsionsfeder 6 | Ersatzteile für DHR243 | 233598-4
Hersteller: MAKITA
Artikelnummer: EMK-DHR243-233598-4
Netto: 3,86 € zzgl. MwSt.
zzgl. 6,90 € Versand (brutto)
einmalig pro Bestellung

Lieferzeit: 5 Werktage

Pos.
097
MAKITA Klemme | Ersatzteile für DHR243 | 644808-8
Hersteller: MAKITA
Artikelnummer: EMK-DHR243-644808-8
Netto: 5,19 € zzgl. MwSt.
zzgl. 6,90 € Versand (brutto)
einmalig pro Bestellung

Lieferzeit: 5 Werktage

Pos.
100
MAKITA Gummistift 5 | Ersatzteile für DHR243 | 263036-2
Hersteller: MAKITA
Artikelnummer: EMK-DHR243-263036-2
Netto: 3,48 € zzgl. MwSt.
zzgl. 6,90 € Versand (brutto)
einmalig pro Bestellung

Lieferzeit: 5 Werktage

Pos.
101
MAKITA Stift 1.5 | Ersatzteile für DHR243 | 268184-2
Hersteller: MAKITA
Artikelnummer: EMK-DHR243-268184-2
Netto: 3,86 € zzgl. MwSt.
zzgl. 6,90 € Versand (brutto)
einmalig pro Bestellung

Lieferzeit: 5 Werktage

Pos.
105
MAKITA Kappe 35 | Ersatzteile für DHR243 | 286263-4
Hersteller: MAKITA
Artikelnummer: EMK-DHR243-286263-4
Netto: 4,05 € zzgl. MwSt.
zzgl. 6,90 € Versand (brutto)
einmalig pro Bestellung

Lieferzeit: 5 Werktage

Pos.
106
MAKITA Ringfeder 19 | Ersatzteile für DHR243 | 233940-9
Hersteller: MAKITA
Artikelnummer: EMK-DHR243-233940-9
Netto: 3,48 € zzgl. MwSt.
zzgl. 6,90 € Versand (brutto)
einmalig pro Bestellung

Lieferzeit: 5 Werktage

Pos.
107
MAKITA Futterabdeckung | Ersatzteile für DHR243 | 418217-5
Hersteller: MAKITA
Artikelnummer: EMK-DHR243-418217-5
Netto: 4,05 € zzgl. MwSt.
zzgl. 6,90 € Versand (brutto)
einmalig pro Bestellung

Lieferzeit: 5 Werktage

Pos.
108
MAKITA Stopper | Ersatzteile für DHR243 | 345333-9
Hersteller: MAKITA
Artikelnummer: EMK-DHR243-345333-9
Netto: 4,24 € zzgl. MwSt.
zzgl. 6,90 € Versand (brutto)
einmalig pro Bestellung

Lieferzeit: 5 Werktage

Pos.
109
MAKITA Stahlkugel 7.0 | Ersatzteile für DHR243 | 216022-2
Hersteller: MAKITA
Artikelnummer: EMK-DHR243-216022-2
Netto: 3,48 € zzgl. MwSt.
zzgl. 6,90 € Versand (brutto)
einmalig pro Bestellung

Lieferzeit: 5 Werktage

Pos.
111
MAKITA Druckfeder konisch 21-29 | Ersatzteile für DHR243 | 233916-6
Hersteller: MAKITA
Artikelnummer: EMK-DHR243-233916-6
Netto: 3,86 € zzgl. MwSt.
zzgl. 6,90 € Versand (brutto)
einmalig pro Bestellung

Lieferzeit: 5 Werktage

Pos.
112
MAKITA Unterlegscheibe 21 | Ersatzteile für DHR243 | 267279-8
Hersteller: MAKITA
Artikelnummer: EMK-DHR243-267279-8
Netto: 3,48 € zzgl. MwSt.
zzgl. 6,90 € Versand (brutto)
einmalig pro Bestellung

Lieferzeit: 5 Werktage

Pos.
113
MAKITA Werkzeugaufnahme | Ersatzteile für DHR243 | 324355-2
Hersteller: MAKITA
Artikelnummer: EMK-DHR243-324355-2
Netto: 43,84 € zzgl. MwSt.
zzgl. 6,90 € Versand (brutto)
einmalig pro Bestellung

Lieferzeit: 5 Werktage

Pos.
114
MAKITA Stahlkugel 6 | Ersatzteile für DHR243 | 216013-3
Hersteller: MAKITA
Artikelnummer: EMK-DHR243-216013-3
Netto: 4,05 € zzgl. MwSt.
zzgl. 6,90 € Versand (brutto)
einmalig pro Bestellung

Lieferzeit: 5 Werktage

Pos.
115
MAKITA Torsionsfeder 31 | Ersatzteile für DHR243 | 231669-1
Hersteller: MAKITA
Artikelnummer: EMK-DHR243-231669-1
Netto: 3,86 € zzgl. MwSt.
zzgl. 6,90 € Versand (brutto)
einmalig pro Bestellung

Lieferzeit: 5 Werktage

Pos.
116
MAKITA Wechselring | Ersatzteile für DHR243 | 345334-7
Hersteller: MAKITA
Artikelnummer: EMK-DHR243-345334-7
Netto: 4,24 € zzgl. MwSt.
zzgl. 6,90 € Versand (brutto)
einmalig pro Bestellung

Lieferzeit: 5 Werktage

Pos.
118
MAKITA Stahlkugel 5.0 | Ersatzteile für DHR243 | 216018-3
Hersteller: MAKITA
Artikelnummer: EMK-DHR243-216018-3
Netto: 3,86 € zzgl. MwSt.
zzgl. 6,90 € Versand (brutto)
einmalig pro Bestellung

Lieferzeit: 5 Werktage

Pos.
119
MAKITA Spindelarretierung | Ersatzteile für DHR243 | 345335-5
Hersteller: MAKITA
Artikelnummer: EMK-DHR243-345335-5
Netto: 4,05 € zzgl. MwSt.
zzgl. 6,90 € Versand (brutto)
einmalig pro Bestellung

Lieferzeit: 5 Werktage

Pos.
120
MAKITA Unterlegscheibe 24 | Ersatzteile für DHR243 | 267270-6
Hersteller: MAKITA
Artikelnummer: EMK-DHR243-267270-6
Netto: 4,05 € zzgl. MwSt.
zzgl. 6,90 € Versand (brutto)
einmalig pro Bestellung

Lieferzeit: 5 Werktage

Pos.
121
MAKITA Ringfeder 21 | Ersatzteile für DHR243 | 233924-7
Hersteller: MAKITA
Artikelnummer: EMK-DHR243-233924-7
Netto: 3,86 € zzgl. MwSt.
zzgl. 6,90 € Versand (brutto)
einmalig pro Bestellung

Lieferzeit: 5 Werktage

Pos.
122
MAKITA Schutzfolie | Ersatzteile für DHR243 | 893072-0
Hersteller: MAKITA
Artikelnummer: EMK-DHR243-893072-0
Netto: 4,24 € zzgl. MwSt.
zzgl. 6,90 € Versand (brutto)
einmalig pro Bestellung

Lieferzeit: 5 Werktage

Pos.
123
MAKITA Schutzfolie | Ersatzteile für DHR243 | 890994-5
Hersteller: MAKITA
Artikelnummer: EMK-DHR243-890994-5
Netto: 3,48 € zzgl. MwSt.
zzgl. 6,90 € Versand (brutto)
einmalig pro Bestellung

Lieferzeit: 5 Werktage

Pos.
124
MAKITA Schaumstoff | Ersatzteile für DHR243 | 424734-5
Hersteller: MAKITA
Artikelnummer: EMK-DHR243-424734-5
nur Informationsartikel
Nie mehr lieferbar
keine Alternativen

Angaben zur Produktsicherheit

Hersteller:
Makita-Werkzeug GmbH
Makita-Platz 1
40885 Ratingen

E-Mail:
info@makita.de