MAKITA Flachlager 14A | Ersatzteile für DJR181 | 214170-1

Artikelnummer: EMK-DJR181-214170-1

Position: 026

Marke: MAKITA


Bitte Kompatibilität prüfen!

Bitte prüfen Sie unbedingt die Typennummer Ihrer Maschine / Ihres Gerätes. Das Ersatzteil ist nur kompatibel, wenn Sie die Typennummer Ihrer Maschine in der unten stehenden Produktbeschreibung finden.

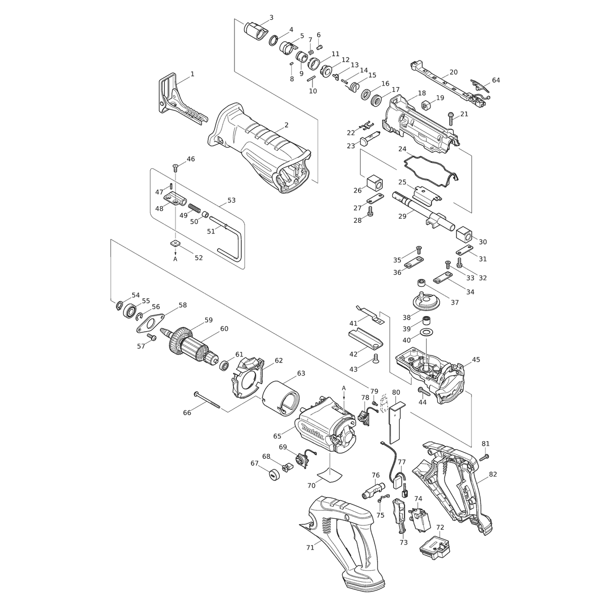
Bitte prüfen Sie ebenfalls detailliert die Explosionszeichnung mit Ihrem Artikelwunsch und der jeweiligen Pos-Nummer.

Alle Elemente, welche vom schwarzen Strich der Pos-Nummer ausgehend berührt / erfasst werden, gehören zu dieser Pos-Nummer und somit zu diesem Artikel. Jede Pos-Nummer ist ein eigenständiger Artikel, welchen Sie in der Auflistung finden.

Sie erhalten stets die aktuellste, neueste Produktversion zu der gewählten Pos-Nummer seitens des Herstellers. Es kann daher je nach Gerätealter vorkommen, dass Sie ggf. weitere, zugehörige Elemente, welche an diese Pos-Nummer grenzen, ebenfalls mittauschen müssen.

Nähere Informationen finden Sie unter dem Link
Hinweise zu Ihrer MAKITA Ersatzteilsuche

Preisübersicht

Einzelpreis: 5,48 €* (Brutto: 6,52 €)
Gesamtpreis: 5,48 €* 
Position:

Lieferzeit: 5 Werktage


Beschreibung

  • Flachlager 14A
  • Original MAKITA Zubehör / MAKITA Ersatzteil (214170-1)
  • im Gerät verbaut: 1
Dieses MAKITA Ersatzteil ist mit folgendem Gerät und Modell kompatibel:
  • MAKITA Gerätename: DJR181
  • MAKITA Explosionszeichnung: Position 251674
  • MAKITA Typennummer: DJR181
  • MAKITA Typennummer alternative Schreibweisen: DJR-181, DJR 181
    Bitte prüfen Sie diese Typennummer auf Ihrem Gerät um die Kompatibilität des MAKITA Ersatzteils zu gewährleisten.
Weitere MAKITA Ersatzteile des Gerätes DJR181 () mit der Typennummer DJR181 finden Sie in der nachfolgenden Darstellung und im Dropdown zu Ihrer Auswahl:

Pos.
001
MAKITA Schuh | Ersatzteile für DJR181 | 165406-0
Hersteller: MAKITA
Artikelnummer: EMK-DJR181-165406-0
nur Informationsartikel
Nie mehr lieferbar
keine Alternativen
Pos.
001-1
MAKITA Schuh | Ersatzteile für DJR181 | 163451-9
Hersteller: MAKITA
Artikelnummer: EMK-DJR181-163451-9
Netto: 10,24 € zzgl. MwSt.
zzgl. 6,90 € Versand (brutto)
einmalig pro Bestellung

Lieferzeit: 5 Werktage

Pos.
004-1
MAKITA Haltering (EXT) 18 | Ersatzteile für DJR181 | 257430-8
Hersteller: MAKITA
Artikelnummer: EMK-DJR181-257430-8
Netto: 3,86 € zzgl. MwSt.
zzgl. 6,90 € Versand (brutto)
einmalig pro Bestellung

Lieferzeit: 5 Werktage

Pos.
A01
MAKITA Reciproblatt BIM 130/18Z | Ersatzteile für DJR181 | B-05169
Hersteller: MAKITA
Artikelnummer: EMK-DJR181-B-05169
nur Informationsartikel
Nie mehr lieferbar
keine Alternativen
Pos.
A02
MAKITA Reciproblatt BIM 130/6,4Z | Ersatzteile für DJR181 | B-05175
Hersteller: MAKITA
Artikelnummer: EMK-DJR181-B-05175
Netto: 14,52 € zzgl. MwSt.
zzgl. 6,90 € Versand (brutto)
einmalig pro Bestellung

Lieferzeit: 5 Werktage

Pos.
A03
MAKITA Transportkoffer | Ersatzteile für DJR181 | 824760-8
Hersteller: MAKITA
Artikelnummer: EMK-DJR181-824760-8
nur Informationsartikel
Nie mehr lieferbar
keine Alternativen
Pos.
A05
MAKITA Akkusatz BL1815N | Ersatzteile für DJR181 | 196235-0
Hersteller: MAKITA
Artikelnummer: EMK-DJR181-196235-0
Netto: 57,00 € zzgl. MwSt.
zzgl. 6,90 € Versand (brutto)
einmalig pro Bestellung

Lieferzeit: 5 Werktage

Pos.
A05
MAKITA Akkusatz BL1830 | Ersatzteile für DJR181 | 194204-5
Hersteller: MAKITA
Artikelnummer: EMK-DJR181-194204-5
nur Informationsartikel
Nie mehr lieferbar
keine Alternativen
Pos.
A05
MAKITA Akkusatz BL1840 | Ersatzteile für DJR181 | 196399-0
Hersteller: MAKITA
Artikelnummer: EMK-DJR181-196399-0
nur Informationsartikel
Nie mehr lieferbar
keine Alternativen
Pos.
A05-1
MAKITA Akku BL1850B Set | Ersatzteile für DJR181 | 197280-8
Hersteller: MAKITA
Artikelnummer: EMK-DJR181-197280-8
Netto: 99,00 € zzgl. MwSt.
zzgl. 6,90 € Versand (brutto)
einmalig pro Bestellung

Lieferzeit: 5 Werktage

Pos.
A05-2
MAKITA Akkusatz BL1830B | Ersatzteile für DJR181 | 197600-6
Hersteller: MAKITA
Artikelnummer: EMK-DJR181-197600-6
nur Informationsartikel
Nie mehr lieferbar
keine Alternativen
Pos.
A05-2
MAKITA Akkusatz BL1840B | Ersatzteile für DJR181 | 197265-4
Hersteller: MAKITA
Artikelnummer: EMK-DJR181-197265-4
Netto: 84,60 € zzgl. MwSt.
zzgl. 6,90 € Versand (brutto)
einmalig pro Bestellung

Lieferzeit: 5 Werktage

Pos.
A07
MAKITA Kontaktschutzkappe | Ersatzteile für DJR181 | 450128-8
Hersteller: MAKITA
Artikelnummer: EMK-DJR181-450128-8
Netto: 3,72 € zzgl. MwSt.
zzgl. 6,90 € Versand (brutto)
einmalig pro Bestellung

Lieferzeit: 5 Werktage

Pos.
C10
MAKITA Verschluss | Ersatzteile für DJR181 | 163455-1
Hersteller: MAKITA
Artikelnummer: EMK-DJR181-163455-1
nur Informationsartikel
Nie mehr lieferbar
keine Alternativen
Pos.
F11-3
MAKITA Akkusatz BL1830B (2 stk.) | Ersatzteile für DJR181 | 197606-4
Hersteller: MAKITA
Artikelnummer: EMK-DJR181-197606-4
nur Informationsartikel
Nie mehr lieferbar
keine Alternativen
Pos.
002
MAKITA Isolierabdeckung | Ersatzteile für DJR181 | 421945-3
Hersteller: MAKITA
Artikelnummer: EMK-DJR181-421945-3
Netto: 30,42 € zzgl. MwSt.
zzgl. 6,90 € Versand (brutto)
einmalig pro Bestellung

Lieferzeit: 5 Werktage

Pos.
003
MAKITA Schutzhaube | Ersatzteile für DJR181 | 424147-0
Hersteller: MAKITA
Artikelnummer: EMK-DJR181-424147-0
Netto: 3,86 € zzgl. MwSt.
zzgl. 6,90 € Versand (brutto)
einmalig pro Bestellung

Lieferzeit: 5 Werktage

Pos.
004
MAKITA Spiro-Sicherungsscheibe 18 | Ersatzteile für DJR181 | 257952-8
Hersteller: MAKITA
Artikelnummer: EMK-DJR181-257952-8
nur Informationsartikel
Nie mehr lieferbar
keine Alternativen
Pos.
005
MAKITA Antriebsmuffe | Ersatzteile für DJR181 | 310285-3
Hersteller: MAKITA
Artikelnummer: EMK-DJR181-310285-3
Netto: 8,43 € zzgl. MwSt.
zzgl. 6,90 € Versand (brutto)
einmalig pro Bestellung

Lieferzeit: 5 Werktage

Pos.
006
MAKITA Schulterstift 5 | Ersatzteile für DJR181 | 256492-3
Hersteller: MAKITA
Artikelnummer: EMK-DJR181-256492-3
Netto: 4,05 € zzgl. MwSt.
zzgl. 6,90 € Versand (brutto)
einmalig pro Bestellung

Lieferzeit: 5 Werktage

Pos.
007
MAKITA Druckfeder 6 | Ersatzteile für DJR181 | 233345-3
Hersteller: MAKITA
Artikelnummer: EMK-DJR181-233345-3
Netto: 3,86 € zzgl. MwSt.
zzgl. 6,90 € Versand (brutto)
einmalig pro Bestellung

Lieferzeit: 5 Werktage

Pos.
008
MAKITA Stift 3 | Ersatzteile für DJR181 | 268094-3
Hersteller: MAKITA
Artikelnummer: EMK-DJR181-268094-3
Netto: 4,81 € zzgl. MwSt.
zzgl. 6,90 € Versand (brutto)
einmalig pro Bestellung

Lieferzeit: 5 Werktage

Pos.
010
MAKITA Stift 3 | Ersatzteile für DJR181 | 256158-5
Hersteller: MAKITA
Artikelnummer: EMK-DJR181-256158-5
Netto: 3,86 € zzgl. MwSt.
zzgl. 6,90 € Versand (brutto)
einmalig pro Bestellung

Lieferzeit: 5 Werktage

Pos.
013
MAKITA Druckplatte | Ersatzteile für DJR181 | 345214-7
Hersteller: MAKITA
Artikelnummer: EMK-DJR181-345214-7
Netto: 4,24 € zzgl. MwSt.
zzgl. 6,90 € Versand (brutto)
einmalig pro Bestellung

Lieferzeit: 5 Werktage

Pos.
014
MAKITA Druckfeder 2 | Ersatzteile für DJR181 | 233025-1
Hersteller: MAKITA
Artikelnummer: EMK-DJR181-233025-1
Netto: 4,05 € zzgl. MwSt.
zzgl. 6,90 € Versand (brutto)
einmalig pro Bestellung

Lieferzeit: 5 Werktage

Pos.
015
MAKITA Torsionsfeder 17 | Ersatzteile für DJR181 | 231687-9
Hersteller: MAKITA
Artikelnummer: EMK-DJR181-231687-9
Netto: 4,24 € zzgl. MwSt.
zzgl. 6,90 € Versand (brutto)
einmalig pro Bestellung

Lieferzeit: 5 Werktage

Pos.
017
MAKITA X-Ring 14 | Ersatzteile für DJR181 | 213174-0
Hersteller: MAKITA
Artikelnummer: EMK-DJR181-213174-0
Netto: 10,81 € zzgl. MwSt.
zzgl. 6,90 € Versand (brutto)
einmalig pro Bestellung

Lieferzeit: 5 Werktage

Pos.
019
MAKITA Kappe | Ersatzteile für DJR181 | 418806-6
Hersteller: MAKITA
Artikelnummer: EMK-DJR181-418806-6
Netto: 4,05 € zzgl. MwSt.
zzgl. 6,90 € Versand (brutto)
einmalig pro Bestellung

Lieferzeit: 5 Werktage

Pos.
020
MAKITA LED-Schaltung | Ersatzteile für DJR181 | 631689-9
Hersteller: MAKITA
Artikelnummer: EMK-DJR181-631689-9
Netto: 20,99 € zzgl. MwSt.
zzgl. 6,90 € Versand (brutto)
einmalig pro Bestellung

Lieferzeit: 5 Werktage

Pos.
021
MAKITA Flachkopfschraube M5X25 WR | Ersatzteile für DJR181 | 911243-8
Hersteller: MAKITA
Artikelnummer: EMK-DJR181-911243-8
Netto: 3,86 € zzgl. MwSt.
zzgl. 6,90 € Versand (brutto)
einmalig pro Bestellung

Lieferzeit: 5 Werktage

Pos.
022
MAKITA Spindelarretierung A | Ersatzteile für DJR181 | 232221-8
Hersteller: MAKITA
Artikelnummer: EMK-DJR181-232221-8
Netto: 3,86 € zzgl. MwSt.
zzgl. 6,90 € Versand (brutto)
einmalig pro Bestellung

Lieferzeit: 5 Werktage

Pos.
023
MAKITA Umschaltknopf | Ersatzteile für DJR181 | 162236-0
Hersteller: MAKITA
Artikelnummer: EMK-DJR181-162236-0
Netto: 6,14 € zzgl. MwSt.
zzgl. 6,90 € Versand (brutto)
einmalig pro Bestellung

Lieferzeit: 5 Werktage

Pos.
024
MAKITA Dichtungsring | Ersatzteile für DJR181 | 421946-1
Hersteller: MAKITA
Artikelnummer: EMK-DJR181-421946-1
Netto: 4,05 € zzgl. MwSt.
zzgl. 6,90 € Versand (brutto)
einmalig pro Bestellung

Lieferzeit: 5 Werktage

Pos.
025
MAKITA Gleitplatte | Ersatzteile für DJR181 | 345480-6
Hersteller: MAKITA
Artikelnummer: EMK-DJR181-345480-6
Netto: 4,52 € zzgl. MwSt.
zzgl. 6,90 € Versand (brutto)
einmalig pro Bestellung

Lieferzeit: 5 Werktage

Pos.
026
MAKITA Flachlager 14A | Ersatzteile für DJR181 | 214170-1
Hersteller: MAKITA
Artikelnummer: EMK-DJR181-214170-1
Netto: 5,48 € zzgl. MwSt.
zzgl. 6,90 € Versand (brutto)
einmalig pro Bestellung

Lieferzeit: 5 Werktage

Pos.
027
MAKITA Platte | Ersatzteile für DJR181 | 341462-6
Hersteller: MAKITA
Artikelnummer: EMK-DJR181-341462-6
Netto: 3,86 € zzgl. MwSt.
zzgl. 6,90 € Versand (brutto)
einmalig pro Bestellung

Lieferzeit: 5 Werktage

Pos.
028
MAKITA Flachkopfschraube M5X16 WM | Ersatzteile für DJR181 | 911225-0
Hersteller: MAKITA
Artikelnummer: EMK-DJR181-911225-0
Netto: 3,86 € zzgl. MwSt.
zzgl. 6,90 € Versand (brutto)
einmalig pro Bestellung

Lieferzeit: 5 Werktage

Pos.
029
MAKITA Schieber | Ersatzteile für DJR181 | 168405-1
Hersteller: MAKITA
Artikelnummer: EMK-DJR181-168405-1
Netto: 25,09 € zzgl. MwSt.
zzgl. 6,90 € Versand (brutto)
einmalig pro Bestellung

Lieferzeit: 5 Werktage

Pos.
033
MAKITA Innensechskant-Senkkopfschraube M5X14 | Ersatzteile für DJR181 | 265148-7
Hersteller: MAKITA
Artikelnummer: EMK-DJR181-265148-7
Netto: 3,86 € zzgl. MwSt.
zzgl. 6,90 € Versand (brutto)
einmalig pro Bestellung

Lieferzeit: 5 Werktage

Pos.
034
MAKITA Platte C | Ersatzteile für DJR181 | 344795-8
Hersteller: MAKITA
Artikelnummer: EMK-DJR181-344795-8
nur Informationsartikel
Nie mehr lieferbar
keine Alternativen
Pos.
037
MAKITA Nadellager 708 | Ersatzteile für DJR181 | 212959-1
Hersteller: MAKITA
Artikelnummer: EMK-DJR181-212959-1
Netto: 14,90 € zzgl. MwSt.
zzgl. 6,90 € Versand (brutto)
einmalig pro Bestellung

Lieferzeit: 5 Werktage

Pos.
038
MAKITA Getriebebaugruppe | Ersatzteile für DJR181 | 125423-2
Hersteller: MAKITA
Artikelnummer: EMK-DJR181-125423-2
Netto: 22,04 € zzgl. MwSt.
zzgl. 6,90 € Versand (brutto)
einmalig pro Bestellung

Lieferzeit: 5 Werktage

Pos.
039
MAKITA Nadellager 1012 | Ersatzteile für DJR181 | 212080-6
Hersteller: MAKITA
Artikelnummer: EMK-DJR181-212080-6
Netto: 14,14 € zzgl. MwSt.
zzgl. 6,90 € Versand (brutto)
einmalig pro Bestellung

Lieferzeit: 5 Werktage

Pos.
040
MAKITA Unterlegscheibe 14 | Ersatzteile für DJR181 | 253797-2
Hersteller: MAKITA
Artikelnummer: EMK-DJR181-253797-2
Netto: 3,67 € zzgl. MwSt.
zzgl. 6,90 € Versand (brutto)
einmalig pro Bestellung

Lieferzeit: 5 Werktage

Pos.
041
MAKITA Spindelarretierung B | Ersatzteile für DJR181 | 232222-6
Hersteller: MAKITA
Artikelnummer: EMK-DJR181-232222-6
Netto: 3,48 € zzgl. MwSt.
zzgl. 6,90 € Versand (brutto)
einmalig pro Bestellung

Lieferzeit: 5 Werktage

Pos.
043
MAKITA Innensechskant-Senkkopfschraube M6X16 | Ersatzteile für DJR181 | 265165-7
Hersteller: MAKITA
Artikelnummer: EMK-DJR181-265165-7
Netto: 3,86 € zzgl. MwSt.
zzgl. 6,90 € Versand (brutto)
einmalig pro Bestellung

Lieferzeit: 5 Werktage

Pos.
044
MAKITA Bindekopf-Blechschraube 5X25 | Ersatzteile für DJR181 | 266041-8
Hersteller: MAKITA
Artikelnummer: EMK-DJR181-266041-8
Netto: 3,67 € zzgl. MwSt.
zzgl. 6,90 € Versand (brutto)
einmalig pro Bestellung

Lieferzeit: 5 Werktage

Pos.
046
MAKITA Senkkopfschraube M5X10 | Ersatzteile für DJR181 | 912207-5
Hersteller: MAKITA
Artikelnummer: EMK-DJR181-912207-5
nur Informationsartikel
Nie mehr lieferbar
keine Alternativen
Pos.
047
MAKITA Federstift 3-12 | Ersatzteile für DJR181 | 951057-3
Hersteller: MAKITA
Artikelnummer: EMK-DJR181-951057-3
Netto: 3,48 € zzgl. MwSt.
zzgl. 6,90 € Versand (brutto)
einmalig pro Bestellung

Lieferzeit: 5 Werktage

Pos.
049
MAKITA Druckfeder 7 | Ersatzteile für DJR181 | 233455-6
Hersteller: MAKITA
Artikelnummer: EMK-DJR181-233455-6
Netto: 3,48 € zzgl. MwSt.
zzgl. 6,90 € Versand (brutto)
einmalig pro Bestellung

Lieferzeit: 5 Werktage

Pos.
052
MAKITA Vierkantmutter M5 | Ersatzteile für DJR181 | 264002-2
Hersteller: MAKITA
Artikelnummer: EMK-DJR181-264002-2
Netto: 3,48 € zzgl. MwSt.
zzgl. 6,90 € Versand (brutto)
einmalig pro Bestellung

Lieferzeit: 5 Werktage

Pos.
054
MAKITA Haltering (EXT) S-12 | Ersatzteile für DJR181 | 961052-5
Hersteller: MAKITA
Artikelnummer: EMK-DJR181-961052-5
Netto: 3,86 € zzgl. MwSt.
zzgl. 6,90 € Versand (brutto)
einmalig pro Bestellung

Lieferzeit: 5 Werktage

Pos.
055
MAKITA Kugellager 6001DDW | Ersatzteile für DJR181 | 210102-6
Hersteller: MAKITA
Artikelnummer: EMK-DJR181-210102-6
Netto: 10,24 € zzgl. MwSt.
zzgl. 6,90 € Versand (brutto)
einmalig pro Bestellung

Lieferzeit: 5 Werktage

Pos.
056
MAKITA Anschlagring (EXT) E-10 | Ersatzteile für DJR181 | 961016-9
Hersteller: MAKITA
Artikelnummer: EMK-DJR181-961016-9
nur Informationsartikel
Nie mehr lieferbar
keine Alternativen
Pos.
058
MAKITA Lagerhalter 63 | Ersatzteile für DJR181 | 285726-7
Hersteller: MAKITA
Artikelnummer: EMK-DJR181-285726-7
Netto: 4,24 € zzgl. MwSt.
zzgl. 6,90 € Versand (brutto)
einmalig pro Bestellung

Lieferzeit: 5 Werktage

Pos.
059
MAKITA Ventilator 55 | Ersatzteile für DJR181 | 241869-5
Hersteller: MAKITA
Artikelnummer: EMK-DJR181-241869-5
Netto: 4,05 € zzgl. MwSt.
zzgl. 6,90 € Versand (brutto)
einmalig pro Bestellung

Lieferzeit: 5 Werktage

Pos.
060
MAKITA Ankerbaugruppe 18V | Ersatzteile für DJR181 | 519176-7
Hersteller: MAKITA
Artikelnummer: EMK-DJR181-519176-7
Netto: 45,74 € zzgl. MwSt.
zzgl. 6,90 € Versand (brutto)
einmalig pro Bestellung

Lieferzeit: 5 Werktage

Pos.
061
MAKITA Kugellager 607ZZ | Ersatzteile für DJR181 | 210062-2
Hersteller: MAKITA
Artikelnummer: EMK-DJR181-210062-2
Netto: 3,86 € zzgl. MwSt.
zzgl. 6,90 € Versand (brutto)
einmalig pro Bestellung

Lieferzeit: 5 Werktage

Pos.
062
MAKITA Prallplatte | Ersatzteile für DJR181 | 419333-6
Hersteller: MAKITA
Artikelnummer: EMK-DJR181-419333-6
nur Informationsartikel
Nie mehr lieferbar
keine Alternativen
Pos.
063
MAKITA Dauermagnet | Ersatzteile für DJR181 | 638107-8
Hersteller: MAKITA
Artikelnummer: EMK-DJR181-638107-8
Netto: 31,75 € zzgl. MwSt.
zzgl. 6,90 € Versand (brutto)
einmalig pro Bestellung

Lieferzeit: 5 Werktage

Pos.
064
MAKITA Abdeckung | Ersatzteile für DJR181 | 419327-1
Hersteller: MAKITA
Artikelnummer: EMK-DJR181-419327-1
Netto: 3,67 € zzgl. MwSt.
zzgl. 6,90 € Versand (brutto)
einmalig pro Bestellung

Lieferzeit: 5 Werktage

Pos.
066
MAKITA Bindekopf-Blechschraube 4X65 | Ersatzteile für DJR181 | 266292-3
Hersteller: MAKITA
Artikelnummer: EMK-DJR181-266292-3
Netto: 3,86 € zzgl. MwSt.
zzgl. 6,90 € Versand (brutto)
einmalig pro Bestellung

Lieferzeit: 5 Werktage

Pos.
067
MAKITA Halterkappe | Ersatzteile für DJR181 | 643941-3
Hersteller: MAKITA
Artikelnummer: EMK-DJR181-643941-3
Netto: 4,81 € zzgl. MwSt.
zzgl. 6,90 € Versand (brutto)
einmalig pro Bestellung

Lieferzeit: 5 Werktage

Pos.
070
MAKITA Typenschild DJR181 | Ersatzteile für DJR181 | 815E72-0
Hersteller: MAKITA
Artikelnummer: EMK-DJR181-815E72-0
Netto: 3,48 € zzgl. MwSt.
zzgl. 6,90 € Versand (brutto)
einmalig pro Bestellung

Lieferzeit: 5 Werktage

Pos.
071
MAKITA Handgriffsatz | Ersatzteile für DJR181 | 187485-8
Hersteller: MAKITA
Artikelnummer: EMK-DJR181-187485-8
Netto: 45,74 € zzgl. MwSt.
zzgl. 6,90 € Versand (brutto)
einmalig pro Bestellung

Lieferzeit: 5 Werktage

Pos.
072
MAKITA Klemme | Ersatzteile für DJR181 | 644808-8
Hersteller: MAKITA
Artikelnummer: EMK-DJR181-644808-8
Netto: 5,19 € zzgl. MwSt.
zzgl. 6,90 € Versand (brutto)
einmalig pro Bestellung

Lieferzeit: 5 Werktage

Pos.
073
MAKITA Schalthebel | Ersatzteile für DJR181 | 419336-0
Hersteller: MAKITA
Artikelnummer: EMK-DJR181-419336-0
Netto: 5,19 € zzgl. MwSt.
zzgl. 6,90 € Versand (brutto)
einmalig pro Bestellung

Lieferzeit: 5 Werktage

Pos.
074
MAKITA Schalter C3LA-2A-LLMS | Ersatzteile für DJR181 | 650647-6
Hersteller: MAKITA
Artikelnummer: EMK-DJR181-650647-6
Netto: 36,61 € zzgl. MwSt.
zzgl. 6,90 € Versand (brutto)
einmalig pro Bestellung

Lieferzeit: 5 Werktage

Pos.
075
MAKITA Spindelarretierung | Ersatzteile für DJR181 | 232152-1
Hersteller: MAKITA
Artikelnummer: EMK-DJR181-232152-1
Netto: 5,19 € zzgl. MwSt.
zzgl. 6,90 € Versand (brutto)
einmalig pro Bestellung

Lieferzeit: 5 Werktage

Pos.
076
MAKITA Verriegelungsknopf | Ersatzteile für DJR181 | 419334-4
Hersteller: MAKITA
Artikelnummer: EMK-DJR181-419334-4
Netto: 4,52 € zzgl. MwSt.
zzgl. 6,90 € Versand (brutto)
einmalig pro Bestellung

Lieferzeit: 5 Werktage

Pos.
077
MAKITA Stromversorgungsschaltung | Ersatzteile für DJR181 | 631690-4
Hersteller: MAKITA
Artikelnummer: EMK-DJR181-631690-4
Netto: 6,14 € zzgl. MwSt.
zzgl. 6,90 € Versand (brutto)
einmalig pro Bestellung

Lieferzeit: 5 Werktage

Pos.
079
MAKITA Flachkopfschraube M3X8 W | Ersatzteile für DJR181 | 911006-2
Hersteller: MAKITA
Artikelnummer: EMK-DJR181-911006-2
Netto: 3,76 € zzgl. MwSt.
zzgl. 6,90 € Versand (brutto)
einmalig pro Bestellung

Lieferzeit: 5 Werktage

Pos.
081
MAKITA Bindekopf-Blechschraube 4X20 | Ersatzteile für DJR181 | 266045-0
Hersteller: MAKITA
Artikelnummer: EMK-DJR181-266045-0
Netto: 3,86 € zzgl. MwSt.
zzgl. 6,90 € Versand (brutto)
einmalig pro Bestellung

Lieferzeit: 5 Werktage

Angaben zur Produktsicherheit

Hersteller:
Makita-Werkzeug GmbH
Makita-Platz 1
40885 Ratingen

E-Mail:
info@makita.de