MAKITA Flachkopfschraube M4X16 WR | Ersatzteile für DUR368L | 911128-8

Artikelnummer: EMK-DUR368L-911128-8

Position: 037

Marke: MAKITA


Bitte Kompatibilität prüfen!

Bitte prüfen Sie unbedingt die Typennummer Ihrer Maschine / Ihres Gerätes. Das Ersatzteil ist nur kompatibel, wenn Sie die Typennummer Ihrer Maschine in der unten stehenden Produktbeschreibung finden.

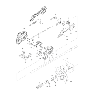
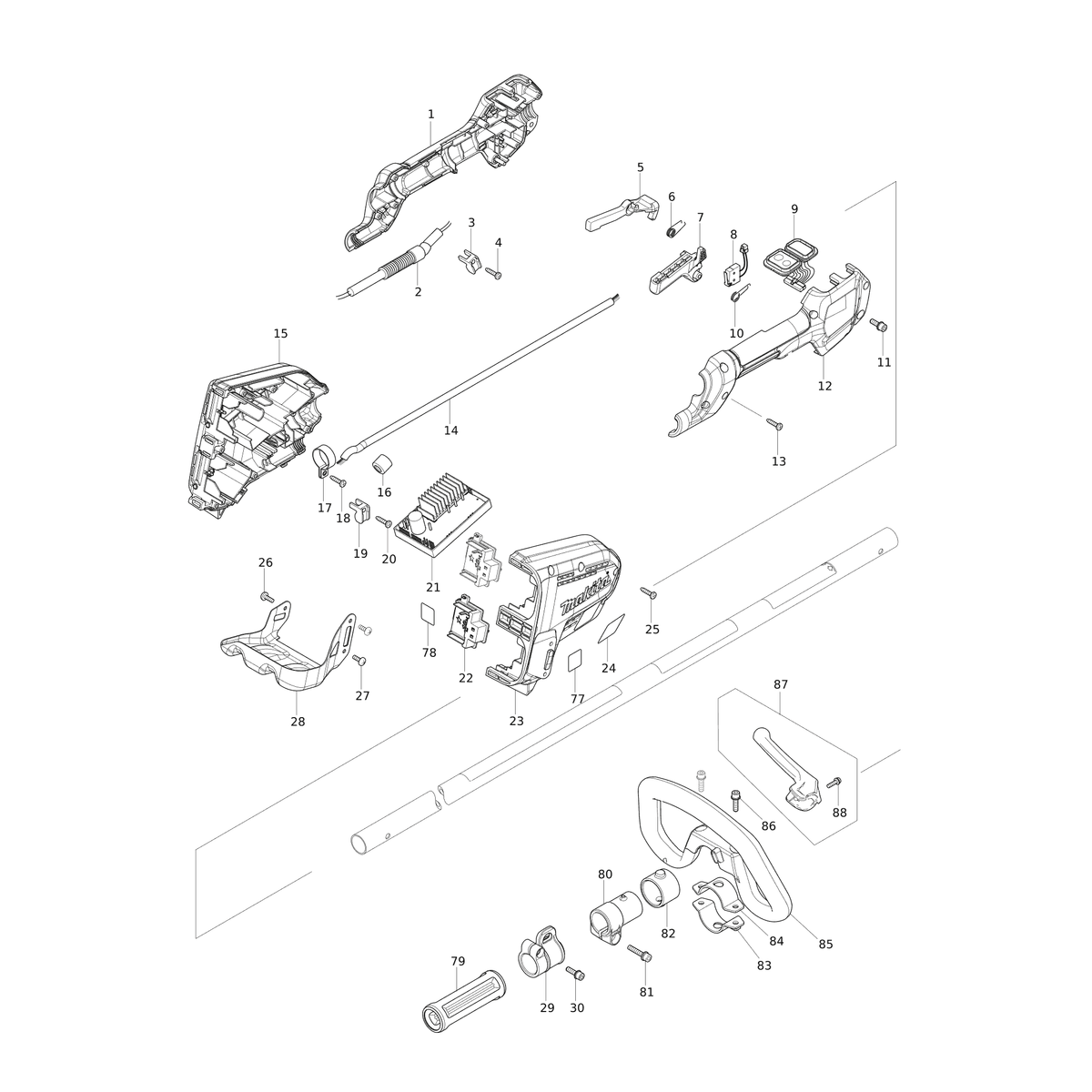
Bitte prüfen Sie ebenfalls detailliert die Explosionszeichnung mit Ihrem Artikelwunsch und der jeweiligen Pos-Nummer.

Alle Elemente, welche vom schwarzen Strich der Pos-Nummer ausgehend berührt / erfasst werden, gehören zu dieser Pos-Nummer und somit zu diesem Artikel. Jede Pos-Nummer ist ein eigenständiger Artikel, welchen Sie in der Auflistung finden.

Sie erhalten stets die aktuellste, neueste Produktversion zu der gewählten Pos-Nummer seitens des Herstellers. Es kann daher je nach Gerätealter vorkommen, dass Sie ggf. weitere, zugehörige Elemente, welche an diese Pos-Nummer grenzen, ebenfalls mittauschen müssen.

Nähere Informationen finden Sie unter dem Link
Hinweise zu Ihrer MAKITA Ersatzteilsuche

Preisübersicht

Einzelpreis: 3,86 €* (Brutto: 4,59 €)
Gesamtpreis: 3,86 €* 
Position:

Lieferzeit: 5 Werktage


Beschreibung

  • Flachkopfschraube M4X16 WR
  • Original MAKITA Zubehör / MAKITA Ersatzteil (911128-8)
  • im Gerät verbaut: 2
Dieses MAKITA Ersatzteil ist mit folgendem Gerät und Modell kompatibel:
  • MAKITA Gerätename: DUR368L
  • MAKITA Explosionszeichnung: Position 93603
  • MAKITA Typennummer: DUR368L
  • MAKITA Typennummer alternative Schreibweisen: DUR-368-L, DUR 368 L
    Bitte prüfen Sie diese Typennummer auf Ihrem Gerät um die Kompatibilität des MAKITA Ersatzteils zu gewährleisten.
Weitere MAKITA Ersatzteile des Gerätes DUR368L (Akku-Freischneider) mit der Typennummer DUR368L finden Sie in der nachfolgenden Darstellung und im Dropdown zu Ihrer Auswahl:

Pos.
001
MAKITA Griffsatz | Ersatzteile für DUR368L | 183A19-1
Hersteller: MAKITA
Artikelnummer: EMK-DUR368L-183A19-1
Netto: 36,61 € zzgl. MwSt.
zzgl. 6,90 € Versand (brutto)
einmalig pro Bestellung

Lieferzeit: 5 Werktage

Pos.
005-1
MAKITA Absperrhebel | Ersatzteile für DUR368L | 413Y35-6
Hersteller: MAKITA
Artikelnummer: EMK-DUR368L-413Y35-6
nur Informationsartikel
Nie mehr lieferbar
keine Alternativen
Pos.
021-1
MAKITA Controller | Ersatzteile für DUR368L | 620G00-2
Hersteller: MAKITA
Artikelnummer: EMK-DUR368L-620G00-2
nur Informationsartikel
Nie mehr lieferbar
keine Alternativen
Pos.
021-2
MAKITA Controller | Ersatzteile für DUR368L | 620J84-8
Hersteller: MAKITA
Artikelnummer: EMK-DUR368L-620J84-8
Netto: 101,15 € zzgl. MwSt.
zzgl. 6,90 € Versand (brutto)
einmalig pro Bestellung

Lieferzeit: 5 Werktage

Pos.
034-1
MAKITA Kugellager 607ZZ | Ersatzteile für DUR368L | 210269-0
Hersteller: MAKITA
Artikelnummer: EMK-DUR368L-210269-0
Netto: 3,76 € zzgl. MwSt.
zzgl. 6,90 € Versand (brutto)
einmalig pro Bestellung

Lieferzeit: 5 Werktage

Pos.
035-1
MAKITA Statorbaugruppe | Ersatzteile für DUR368L | 520136-4
Hersteller: MAKITA
Artikelnummer: EMK-DUR368L-520136-4
Netto: 28,89 € zzgl. MwSt.
zzgl. 6,90 € Versand (brutto)
einmalig pro Bestellung

Lieferzeit: 5 Werktage

Pos.
035-2
MAKITA Statorbaugruppe | Ersatzteile für DUR368L | 520135-6
Hersteller: MAKITA
Artikelnummer: EMK-DUR368L-520135-6
nur Informationsartikel
Nie mehr lieferbar
keine Alternativen
Pos.
035-3
MAKITA Statorbaugruppe | Ersatzteile für DUR368L | 592E25-3
Hersteller: MAKITA
Artikelnummer: EMK-DUR368L-592E25-3
Netto: 29,08 € zzgl. MwSt.
zzgl. 6,90 € Versand (brutto)
einmalig pro Bestellung

Lieferzeit: 5 Werktage

Pos.
039-1
MAKITA Controller B | Ersatzteile für DUR368L | 620E48-2
Hersteller: MAKITA
Artikelnummer: EMK-DUR368L-620E48-2
Netto: 12,42 € zzgl. MwSt.
zzgl. 6,90 € Versand (brutto)
einmalig pro Bestellung

Lieferzeit: 5 Werktage

Pos.
039-2
MAKITA Controller B | Ersatzteile für DUR368L | 620J62-8
Hersteller: MAKITA
Artikelnummer: EMK-DUR368L-620J62-8
Netto: 15,95 € zzgl. MwSt.
zzgl. 6,90 € Versand (brutto)
einmalig pro Bestellung

Lieferzeit: 5 Werktage

Pos.
074-1
MAKITA Schutzhaube | Ersatzteile für DUR368L | 413886-7
Hersteller: MAKITA
Artikelnummer: EMK-DUR368L-413886-7
nur Informationsartikel
Nie mehr lieferbar
keine Alternativen
Pos.
A01
MAKITA Band Baugruppe | Ersatzteile für DUR368L | 125516-5
Hersteller: MAKITA
Artikelnummer: EMK-DUR368L-125516-5
Netto: 11,04 € zzgl. MwSt.
zzgl. 6,90 € Versand (brutto)
einmalig pro Bestellung

Lieferzeit: 5 Werktage

Pos.
A02
MAKITA Schneider Baugruppe 95-M10L Set ME | Ersatzteile für DUR368L | 198893-8
Hersteller: MAKITA
Artikelnummer: EMK-DUR368L-198893-8
nur Informationsartikel
Nie mehr lieferbar
keine Alternativen
Pos.
A02
MAKITA Trimmerkopf 96-M10L Set | Ersatzteile für DUR368L | 191D89-4
Hersteller: MAKITA
Artikelnummer: EMK-DUR368L-191D89-4
nur Informationsartikel
Nie mehr lieferbar
keine Alternativen
Pos.
A02-1
MAKITA Trimmerkopfbaugruppe 98-M10L | Ersatzteile für DUR368L | 1915D8-4
Hersteller: MAKITA
Artikelnummer: EMK-DUR368L-1915D8-4
Netto: 16,20 € zzgl. MwSt.
zzgl. 6,90 € Versand (brutto)
einmalig pro Bestellung

Lieferzeit: 5 Werktage

Pos.
A04
MAKITA Messer-set | Ersatzteile für DUR368L | 195150-5
Hersteller: MAKITA
Artikelnummer: EMK-DUR368L-195150-5
nur Informationsartikel
Nie mehr lieferbar
keine Alternativen
Pos.
A04-1
MAKITA CUTTER BLADE 230-4 SET | Ersatzteile für DUR368L | 1916D2-2
Hersteller: MAKITA
Artikelnummer: EMK-DUR368L-1916D2-2
nur Informationsartikel
Nie mehr lieferbar
keine Alternativen
Pos.
A05
MAKITA Transportschutz | Ersatzteile für DUR368L | 456924-2
Hersteller: MAKITA
Artikelnummer: EMK-DUR368L-456924-2
nur Informationsartikel
Nie mehr lieferbar
keine Alternativen
Pos.
A10
MAKITA Kunststoffklingen 255-M10L | Ersatzteile für DUR368L | 126642-3
Hersteller: MAKITA
Artikelnummer: EMK-DUR368L-126642-3
nur Informationsartikel
Nie mehr lieferbar
keine Alternativen
Pos.
A12
MAKITA Akku BL1850B Set | Ersatzteile für DUR368L | 197280-8
Hersteller: MAKITA
Artikelnummer: EMK-DUR368L-197280-8
Netto: 99,00 € zzgl. MwSt.
zzgl. 6,90 € Versand (brutto)
einmalig pro Bestellung

Lieferzeit: 5 Werktage

Pos.
A15
MAKITA Kontaktschutzkappe | Ersatzteile für DUR368L | 450128-8
Hersteller: MAKITA
Artikelnummer: EMK-DUR368L-450128-8
Netto: 3,72 € zzgl. MwSt.
zzgl. 6,90 € Versand (brutto)
einmalig pro Bestellung

Lieferzeit: 5 Werktage

Pos.
B01
MAKITA Schutzkappensatz | Ersatzteile für DUR368L | 197294-7
Hersteller: MAKITA
Artikelnummer: EMK-DUR368L-197294-7
Netto: 20,88 € zzgl. MwSt.
zzgl. 6,90 € Versand (brutto)
einmalig pro Bestellung

Lieferzeit: 5 Werktage

Pos.
C10
MAKITA Firmenschild makita-logo | Ersatzteile für DUR368L | 819312-8
Hersteller: MAKITA
Artikelnummer: EMK-DUR368L-819312-8
nur Informationsartikel
Nie mehr lieferbar
keine Alternativen
Pos.
C10
MAKITA Gummistift 6 | Ersatzteile für DUR368L | 263005-3
Hersteller: MAKITA
Artikelnummer: EMK-DUR368L-263005-3
Netto: 3,86 € zzgl. MwSt.
zzgl. 6,90 € Versand (brutto)
einmalig pro Bestellung

Lieferzeit: 5 Werktage

Pos.
C10
MAKITA Hinweisschild schalter | Ersatzteile für DUR368L | 819N38-6
Hersteller: MAKITA
Artikelnummer: EMK-DUR368L-819N38-6
Netto: 3,86 € zzgl. MwSt.
zzgl. 6,90 € Versand (brutto)
einmalig pro Bestellung

Lieferzeit: 5 Werktage

Pos.
C20
MAKITA Hinweisaufkleber | Ersatzteile für DUR368L | 819N39-4
Hersteller: MAKITA
Artikelnummer: EMK-DUR368L-819N39-4
Netto: 3,86 € zzgl. MwSt.
zzgl. 6,90 € Versand (brutto)
einmalig pro Bestellung

Lieferzeit: 5 Werktage

Pos.
C20
MAKITA Sechskant-Sicherungsmutter M4-7 | Ersatzteile für DUR368L | 252126-6
Hersteller: MAKITA
Artikelnummer: EMK-DUR368L-252126-6
Netto: 3,86 € zzgl. MwSt.
zzgl. 6,90 € Versand (brutto)
einmalig pro Bestellung

Lieferzeit: 5 Werktage

Pos.
C20
MAKITA Warnaufkleber | Ersatzteile für DUR368L | 819N87-3
Hersteller: MAKITA
Artikelnummer: EMK-DUR368L-819N87-3
Netto: 3,86 € zzgl. MwSt.
zzgl. 6,90 € Versand (brutto)
einmalig pro Bestellung

Lieferzeit: 5 Werktage

Pos.
F07
MAKITA Nylonfaden 2.0-15M Set | Ersatzteile für DUR368L | 197472-9
Hersteller: MAKITA
Artikelnummer: EMK-DUR368L-197472-9
nur Informationsartikel
Nie mehr lieferbar
keine Alternativen
Pos.
F08
MAKITA Nylonfaden 2.0-30M Set | Ersatzteile für DUR368L | 197473-7
Hersteller: MAKITA
Artikelnummer: EMK-DUR368L-197473-7
nur Informationsartikel
Nie mehr lieferbar
keine Alternativen
Pos.
F09
MAKITA Nylonfaden 2.0-160M Set | Ersatzteile für DUR368L | 197474-5
Hersteller: MAKITA
Artikelnummer: EMK-DUR368L-197474-5
nur Informationsartikel
Nie mehr lieferbar
keine Alternativen
Pos.
F10
MAKITA Nylonfaden 2.0-280M Set | Ersatzteile für DUR368L | 197475-3
Hersteller: MAKITA
Artikelnummer: EMK-DUR368L-197475-3
nur Informationsartikel
Nie mehr lieferbar
keine Alternativen
Pos.
F14
MAKITA Nylonfaden 2.4-15M Set | Ersatzteile für DUR368L | 198501-1
Hersteller: MAKITA
Artikelnummer: EMK-DUR368L-198501-1
nur Informationsartikel
Nie mehr lieferbar
keine Alternativen
Pos.
F15
MAKITA Nylonfaden 2.4-30M Set | Ersatzteile für DUR368L | 198502-9
Hersteller: MAKITA
Artikelnummer: EMK-DUR368L-198502-9
nur Informationsartikel
Nie mehr lieferbar
keine Alternativen
Pos.
F16
MAKITA Nylonfaden 2.4-120M Set | Ersatzteile für DUR368L | 198503-7
Hersteller: MAKITA
Artikelnummer: EMK-DUR368L-198503-7
nur Informationsartikel
Nie mehr lieferbar
keine Alternativen
Pos.
F17
MAKITA Nylonfaden 2.4-180M Set | Ersatzteile für DUR368L | 198504-5
Hersteller: MAKITA
Artikelnummer: EMK-DUR368L-198504-5
nur Informationsartikel
Nie mehr lieferbar
keine Alternativen
Pos.
F48
MAKITA Trimmerkopfbaugruppe 98-M10L | Ersatzteile für DUR368L | 1914R8-6
Hersteller: MAKITA
Artikelnummer: EMK-DUR368L-1914R8-6
Netto: 18,60 € zzgl. MwSt.
zzgl. 6,90 € Versand (brutto)
einmalig pro Bestellung

Lieferzeit: 5 Werktage

Pos.
002
MAKITA Stromversorgungskabeleinheit | Ersatzteile für DUR368L | 699119-6
Hersteller: MAKITA
Artikelnummer: EMK-DUR368L-699119-6
Netto: 9,66 € zzgl. MwSt.
zzgl. 6,90 € Versand (brutto)
einmalig pro Bestellung

Lieferzeit: 5 Werktage

Pos.
003
MAKITA Zugentlastung | Ersatzteile für DUR368L | 687260-7
Hersteller: MAKITA
Artikelnummer: EMK-DUR368L-687260-7
Netto: 3,67 € zzgl. MwSt.
zzgl. 6,90 € Versand (brutto)
einmalig pro Bestellung

Lieferzeit: 5 Werktage

Pos.
004
MAKITA Bindekopf-Blechschraube 4X18 | Ersatzteile für DUR368L | 266326-2
Hersteller: MAKITA
Artikelnummer: EMK-DUR368L-266326-2
Netto: 3,48 € zzgl. MwSt.
zzgl. 6,90 € Versand (brutto)
einmalig pro Bestellung

Lieferzeit: 5 Werktage

Pos.
005
MAKITA Absperrhebel | Ersatzteile für DUR368L | 455629-1
Hersteller: MAKITA
Artikelnummer: EMK-DUR368L-455629-1
Netto: 5,19 € zzgl. MwSt.
zzgl. 6,90 € Versand (brutto)
einmalig pro Bestellung

Lieferzeit: 5 Werktage

Pos.
006
MAKITA Torsionsfeder 9 | Ersatzteile für DUR368L | 233621-5
Hersteller: MAKITA
Artikelnummer: EMK-DUR368L-233621-5
Netto: 3,48 € zzgl. MwSt.
zzgl. 6,90 € Versand (brutto)
einmalig pro Bestellung

Lieferzeit: 5 Werktage

Pos.
007
MAKITA Schalthebel | Ersatzteile für DUR368L | 455625-9
Hersteller: MAKITA
Artikelnummer: EMK-DUR368L-455625-9
Netto: 7,86 € zzgl. MwSt.
zzgl. 6,90 € Versand (brutto)
einmalig pro Bestellung

Lieferzeit: 5 Werktage

Pos.
008
MAKITA Schaltereinheit | Ersatzteile für DUR368L | 632E26-0
Hersteller: MAKITA
Artikelnummer: EMK-DUR368L-632E26-0
Netto: 23,09 € zzgl. MwSt.
zzgl. 6,90 € Versand (brutto)
einmalig pro Bestellung

Lieferzeit: 5 Werktage

Pos.
009
MAKITA Steuerung G | Ersatzteile für DUR368L | 140L81-5
Hersteller: MAKITA
Artikelnummer: EMK-DUR368L-140L81-5
Netto: 18,99 € zzgl. MwSt.
zzgl. 6,90 € Versand (brutto)
einmalig pro Bestellung

Lieferzeit: 5 Werktage

Pos.
010
MAKITA Torsionsfeder 10 | Ersatzteile für DUR368L | 233612-6
Hersteller: MAKITA
Artikelnummer: EMK-DUR368L-233612-6
Netto: 4,24 € zzgl. MwSt.
zzgl. 6,90 € Versand (brutto)
einmalig pro Bestellung

Lieferzeit: 5 Werktage

Pos.
011
MAKITA Innensechskantkopfschraube M5X18 WR | Ersatzteile für DUR368L | 922228-9
Hersteller: MAKITA
Artikelnummer: EMK-DUR368L-922228-9
Netto: 3,48 € zzgl. MwSt.
zzgl. 6,90 € Versand (brutto)
einmalig pro Bestellung

Lieferzeit: 5 Werktage

Pos.
014
MAKITA Stromversorgungskabeleinheit | Ersatzteile für DUR368L | 699067-9
Hersteller: MAKITA
Artikelnummer: EMK-DUR368L-699067-9
Netto: 23,09 € zzgl. MwSt.
zzgl. 6,90 € Versand (brutto)
einmalig pro Bestellung

Lieferzeit: 5 Werktage

Pos.
016
MAKITA Leitungsfilter | Ersatzteile für DUR368L | 688163-8
Hersteller: MAKITA
Artikelnummer: EMK-DUR368L-688163-8
Netto: 3,86 € zzgl. MwSt.
zzgl. 6,90 € Versand (brutto)
einmalig pro Bestellung

Lieferzeit: 5 Werktage

Pos.
017
MAKITA Klemme 24 | Ersatzteile für DUR368L | 346248-3
Hersteller: MAKITA
Artikelnummer: EMK-DUR368L-346248-3
Netto: 3,86 € zzgl. MwSt.
zzgl. 6,90 € Versand (brutto)
einmalig pro Bestellung

Lieferzeit: 5 Werktage

Pos.
021
MAKITA Controller | Ersatzteile für DUR368L | 620A36-5
Hersteller: MAKITA
Artikelnummer: EMK-DUR368L-620A36-5
Netto: 113,53 € zzgl. MwSt.
zzgl. 6,90 € Versand (brutto)
einmalig pro Bestellung

Lieferzeit: 5 Werktage

Pos.
022
MAKITA Klemme | Ersatzteile für DUR368L | 644808-8
Hersteller: MAKITA
Artikelnummer: EMK-DUR368L-644808-8
Netto: 5,19 € zzgl. MwSt.
zzgl. 6,90 € Versand (brutto)
einmalig pro Bestellung

Lieferzeit: 5 Werktage

Pos.
024
MAKITA Typenschild DUR368L | Ersatzteile für DUR368L | 855V75-4
Hersteller: MAKITA
Artikelnummer: EMK-DUR368L-855V75-4
Netto: 3,48 € zzgl. MwSt.
zzgl. 6,90 € Versand (brutto)
einmalig pro Bestellung

Lieferzeit: 5 Werktage

Pos.
026
MAKITA Flachrundkopfschraube M4X12 | Ersatzteile für DUR368L | 251314-2
Hersteller: MAKITA
Artikelnummer: EMK-DUR368L-251314-2
Netto: 3,86 € zzgl. MwSt.
zzgl. 6,90 € Versand (brutto)
einmalig pro Bestellung

Lieferzeit: 5 Werktage

Pos.
028
MAKITA Akkuschutz | Ersatzteile für DUR368L | 346858-6
Hersteller: MAKITA
Artikelnummer: EMK-DUR368L-346858-6
Netto: 11,66 € zzgl. MwSt.
zzgl. 6,90 € Versand (brutto)
einmalig pro Bestellung

Lieferzeit: 5 Werktage

Pos.
032
MAKITA Flachkopfschraube M5X20 WR | Ersatzteile für DUR368L | 911233-1
Hersteller: MAKITA
Artikelnummer: EMK-DUR368L-911233-1
Netto: 3,86 € zzgl. MwSt.
zzgl. 6,90 € Versand (brutto)
einmalig pro Bestellung

Lieferzeit: 5 Werktage

Pos.
033
MAKITA Obere abdeckung | Ersatzteile für DUR368L | 455626-7
Hersteller: MAKITA
Artikelnummer: EMK-DUR368L-455626-7
Netto: 7,00 € zzgl. MwSt.
zzgl. 6,90 € Versand (brutto)
einmalig pro Bestellung

Lieferzeit: 5 Werktage

Pos.
034
MAKITA Kugellager 607ZZ | Ersatzteile für DUR368L | 210062-2
Hersteller: MAKITA
Artikelnummer: EMK-DUR368L-210062-2
Netto: 3,86 € zzgl. MwSt.
zzgl. 6,90 € Versand (brutto)
einmalig pro Bestellung

Lieferzeit: 5 Werktage

Pos.
035
MAKITA Statorbaugruppe | Ersatzteile für DUR368L | 529146-8
Hersteller: MAKITA
Artikelnummer: EMK-DUR368L-529146-8
nur Informationsartikel
Nie mehr lieferbar
keine Alternativen
Pos.
036
MAKITA Rotor | Ersatzteile für DUR368L | 619462-7
Hersteller: MAKITA
Artikelnummer: EMK-DUR368L-619462-7
Netto: 83,54 € zzgl. MwSt.
zzgl. 6,90 € Versand (brutto)
einmalig pro Bestellung

Lieferzeit: 5 Werktage

Pos.
037
MAKITA Flachkopfschraube M4X16 WR | Ersatzteile für DUR368L | 911128-8
Hersteller: MAKITA
Artikelnummer: EMK-DUR368L-911128-8
Netto: 3,86 € zzgl. MwSt.
zzgl. 6,90 € Versand (brutto)
einmalig pro Bestellung

Lieferzeit: 5 Werktage

Pos.
038
MAKITA Innere abdeckung | Ersatzteile für DUR368L | 455628-3
Hersteller: MAKITA
Artikelnummer: EMK-DUR368L-455628-3
Netto: 3,86 € zzgl. MwSt.
zzgl. 6,90 € Versand (brutto)
einmalig pro Bestellung

Lieferzeit: 5 Werktage

Pos.
039
MAKITA Controller B | Ersatzteile für DUR368L | 620562-8
Hersteller: MAKITA
Artikelnummer: EMK-DUR368L-620562-8
Netto: 14,90 € zzgl. MwSt.
zzgl. 6,90 € Versand (brutto)
einmalig pro Bestellung

Lieferzeit: 5 Werktage

Pos.
041
MAKITA Zugentlastung | Ersatzteile für DUR368L | 687042-7
Hersteller: MAKITA
Artikelnummer: EMK-DUR368L-687042-7
Netto: 4,05 € zzgl. MwSt.
zzgl. 6,90 € Versand (brutto)
einmalig pro Bestellung

Lieferzeit: 5 Werktage

Pos.
042
MAKITA Innensechskantkopfschraube M5X16 WR | Ersatzteile für DUR368L | 922223-9
Hersteller: MAKITA
Artikelnummer: EMK-DUR368L-922223-9
Netto: 3,86 € zzgl. MwSt.
zzgl. 6,90 € Versand (brutto)
einmalig pro Bestellung

Lieferzeit: 5 Werktage

Pos.
043
MAKITA Innensechskantkopfschraube M5X25 W | Ersatzteile für DUR368L | 922241-7
Hersteller: MAKITA
Artikelnummer: EMK-DUR368L-922241-7
Netto: 3,86 € zzgl. MwSt.
zzgl. 6,90 € Versand (brutto)
einmalig pro Bestellung

Lieferzeit: 5 Werktage

Pos.
045
MAKITA Kugellager 6001DDW | Ersatzteile für DUR368L | 211131-2
Hersteller: MAKITA
Artikelnummer: EMK-DUR368L-211131-2
Netto: 12,42 € zzgl. MwSt.
zzgl. 6,90 € Versand (brutto)
einmalig pro Bestellung

Lieferzeit: 5 Werktage

Pos.
046
MAKITA Haltering (INT) R-28 | Ersatzteile für DUR368L | 962106-1
Hersteller: MAKITA
Artikelnummer: EMK-DUR368L-962106-1
Netto: 3,67 € zzgl. MwSt.
zzgl. 6,90 € Versand (brutto)
einmalig pro Bestellung

Lieferzeit: 5 Werktage

Pos.
047
MAKITA Klemmscheibe | Ersatzteile für DUR368L | 346084-7
Hersteller: MAKITA
Artikelnummer: EMK-DUR368L-346084-7
Netto: 6,52 € zzgl. MwSt.
zzgl. 6,90 € Versand (brutto)
einmalig pro Bestellung

Lieferzeit: 5 Werktage

Pos.
048
MAKITA Aufnahmescheibe kpl. G | Ersatzteile für DUR368L | 140L84-9
Hersteller: MAKITA
Artikelnummer: EMK-DUR368L-140L84-9
nur Informationsartikel
Nie mehr lieferbar
keine Alternativen
Pos.
049
MAKITA Innensechskantkopfschraube M6X30 | Ersatzteile für DUR368L | 266579-3
Hersteller: MAKITA
Artikelnummer: EMK-DUR368L-266579-3
Netto: 3,86 € zzgl. MwSt.
zzgl. 6,90 € Versand (brutto)
einmalig pro Bestellung

Lieferzeit: 5 Werktage

Pos.
051
MAKITA Schutzhaubenklemme | Ersatzteile für DUR368L | 346073-2
Hersteller: MAKITA
Artikelnummer: EMK-DUR368L-346073-2
Netto: 4,05 € zzgl. MwSt.
zzgl. 6,90 € Versand (brutto)
einmalig pro Bestellung

Lieferzeit: 5 Werktage

Pos.
052
MAKITA Unterlegscheibe 4 | Ersatzteile für DUR368L | 261156-6
Hersteller: MAKITA
Artikelnummer: EMK-DUR368L-261156-6
Netto: 3,86 € zzgl. MwSt.
zzgl. 6,90 € Versand (brutto)
einmalig pro Bestellung

Lieferzeit: 5 Werktage

Pos.
053
MAKITA Schutzhaube | Ersatzteile für DUR368L | 455926-5
Hersteller: MAKITA
Artikelnummer: EMK-DUR368L-455926-5
Netto: 22,04 € zzgl. MwSt.
zzgl. 6,90 € Versand (brutto)
einmalig pro Bestellung

Lieferzeit: 5 Werktage

Pos.
054
MAKITA Schneider | Ersatzteile für DUR368L | 346855-2
Hersteller: MAKITA
Artikelnummer: EMK-DUR368L-346855-2
Netto: 5,48 € zzgl. MwSt.
zzgl. 6,90 € Versand (brutto)
einmalig pro Bestellung

Lieferzeit: 5 Werktage

Pos.
056
MAKITA Rohr komplett O | Ersatzteile für DUR368L | 140L89-9
Hersteller: MAKITA
Artikelnummer: EMK-DUR368L-140L89-9
Netto: 20,99 € zzgl. MwSt.
zzgl. 6,90 € Versand (brutto)
einmalig pro Bestellung

Lieferzeit: 5 Werktage

Pos.
057
MAKITA O-Ring 19 | Ersatzteile für DUR368L | 213325-5
Hersteller: MAKITA
Artikelnummer: EMK-DUR368L-213325-5
Netto: 3,67 € zzgl. MwSt.
zzgl. 6,90 € Versand (brutto)
einmalig pro Bestellung

Lieferzeit: 5 Werktage

Pos.
058
MAKITA Manschette | Ersatzteile für DUR368L | 168526-9
Hersteller: MAKITA
Artikelnummer: EMK-DUR368L-168526-9
Netto: 5,48 € zzgl. MwSt.
zzgl. 6,90 € Versand (brutto)
einmalig pro Bestellung

Lieferzeit: 5 Werktage

Pos.
059
MAKITA Sechskantmutter M10-17 | Ersatzteile für DUR368L | 264025-0
Hersteller: MAKITA
Artikelnummer: EMK-DUR368L-264025-0
Netto: 4,52 € zzgl. MwSt.
zzgl. 6,90 € Versand (brutto)
einmalig pro Bestellung

Lieferzeit: 5 Werktage

Pos.
072
MAKITA Innensechskantkopfschraube M5X20 | Ersatzteile für DUR368L | 266896-1
Hersteller: MAKITA
Artikelnummer: EMK-DUR368L-266896-1
Netto: 7,00 € zzgl. MwSt.
zzgl. 6,90 € Versand (brutto)
einmalig pro Bestellung

Lieferzeit: 5 Werktage

Pos.
073
MAKITA Schutzhaubenklemme | Ersatzteile für DUR368L | 346785-7
Hersteller: MAKITA
Artikelnummer: EMK-DUR368L-346785-7
Netto: 4,81 € zzgl. MwSt.
zzgl. 6,90 € Versand (brutto)
einmalig pro Bestellung

Lieferzeit: 5 Werktage

Pos.
074
MAKITA Schutzhaube | Ersatzteile für DUR368L | 455815-4
Hersteller: MAKITA
Artikelnummer: EMK-DUR368L-455815-4
Netto: 22,52 € zzgl. MwSt.
zzgl. 6,90 € Versand (brutto)
einmalig pro Bestellung

Lieferzeit: 5 Werktage

Pos.
075
MAKITA Federring 6 | Ersatzteile für DUR368L | 253428-3
Hersteller: MAKITA
Artikelnummer: EMK-DUR368L-253428-3
Netto: 3,86 € zzgl. MwSt.
zzgl. 6,90 € Versand (brutto)
einmalig pro Bestellung

Lieferzeit: 5 Werktage

Pos.
076
MAKITA Unterlegscheibe | Ersatzteile für DUR368L | 413143-3
Hersteller: MAKITA
Artikelnummer: EMK-DUR368L-413143-3
Netto: 3,86 € zzgl. MwSt.
zzgl. 6,90 € Versand (brutto)
einmalig pro Bestellung

Lieferzeit: 5 Werktage

Pos.
078
MAKITA Serien-nr-schild DUR368L | Ersatzteile für DUR368L | 855V83-5
Hersteller: MAKITA
Artikelnummer: EMK-DUR368L-855V83-5
nur Informationsartikel
Nie mehr lieferbar
keine Alternativen
Pos.
079
MAKITA Abstandshalter 24 | Ersatzteile für DUR368L | 451601-1
Hersteller: MAKITA
Artikelnummer: EMK-DUR368L-451601-1
Netto: 4,81 € zzgl. MwSt.
zzgl. 6,90 € Versand (brutto)
einmalig pro Bestellung

Lieferzeit: 5 Werktage

Pos.
080
MAKITA Rohrhalter 24 | Ersatzteile für DUR368L | 457269-1
Hersteller: MAKITA
Artikelnummer: EMK-DUR368L-457269-1
Netto: 5,19 € zzgl. MwSt.
zzgl. 6,90 € Versand (brutto)
einmalig pro Bestellung

Lieferzeit: 5 Werktage

Pos.
081
MAKITA Innensechskantkopfschraube M5X25 WG | Ersatzteile für DUR368L | 922244-1
Hersteller: MAKITA
Artikelnummer: EMK-DUR368L-922244-1
Netto: 4,24 € zzgl. MwSt.
zzgl. 6,90 € Versand (brutto)
einmalig pro Bestellung

Lieferzeit: 5 Werktage

Pos.
083
MAKITA Untere Klemme 35 | Ersatzteile für DUR368L | 347114-7
Hersteller: MAKITA
Artikelnummer: EMK-DUR368L-347114-7
Netto: 4,05 € zzgl. MwSt.
zzgl. 6,90 € Versand (brutto)
einmalig pro Bestellung

Lieferzeit: 5 Werktage

Pos.
084
MAKITA Obere Klemme 35 | Ersatzteile für DUR368L | 347113-9
Hersteller: MAKITA
Artikelnummer: EMK-DUR368L-347113-9
Netto: 4,05 € zzgl. MwSt.
zzgl. 6,90 € Versand (brutto)
einmalig pro Bestellung

Lieferzeit: 5 Werktage

Pos.
086
MAKITA Innensechskantkopfschraube M5X20 WG | Ersatzteile für DUR368L | 922234-4
Hersteller: MAKITA
Artikelnummer: EMK-DUR368L-922234-4
Netto: 3,86 € zzgl. MwSt.
zzgl. 6,90 € Versand (brutto)
einmalig pro Bestellung

Lieferzeit: 5 Werktage

Pos.
087
MAKITA Barriere komplett | Ersatzteile für DUR368L | 144315-6
Hersteller: MAKITA
Artikelnummer: EMK-DUR368L-144315-6
Netto: 7,86 € zzgl. MwSt.
zzgl. 6,90 € Versand (brutto)
einmalig pro Bestellung

Lieferzeit: 5 Werktage

Angaben zur Produktsicherheit

Hersteller:
Makita-Werkzeug GmbH
Makita-Platz 1
40885 Ratingen

E-Mail:
info@makita.de