MAKITA Band 25 Set | Ersatzteile für EB7660TH | 196733-4

Artikelnummer: EMK-EB7660TH-196733-4

Position: F06-1

Marke: Makita


Bitte Kompatibilität prüfen!

Bitte prüfen Sie unbedingt die Typennummer Ihrer Maschine / Ihres Gerätes. Das Ersatzteil ist nur kompatibel, wenn Sie die Typennummer Ihrer Maschine in der unten stehenden Produktbeschreibung finden.

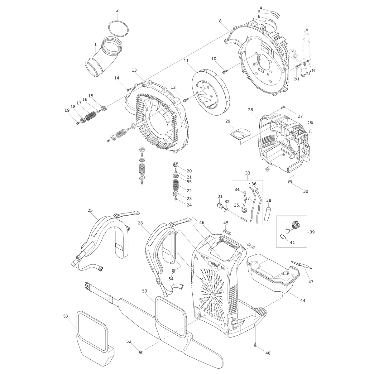
Bitte prüfen Sie ebenfalls detailliert die Explosionszeichnung mit Ihrem Artikelwunsch und der jeweiligen Pos-Nummer.

Alle Elemente, welche vom schwarzen Strich der Pos-Nummer ausgehend berührt / erfasst werden, gehören zu dieser Pos-Nummer und somit zu diesem Artikel. Jede Pos-Nummer ist ein eigenständiger Artikel, welchen Sie in der Auflistung finden.

Sie erhalten stets die aktuellste, neueste Produktversion zu der gewählten Pos-Nummer seitens des Herstellers. Es kann daher je nach Gerätealter vorkommen, dass Sie ggf. weitere, zugehörige Elemente, welche an diese Pos-Nummer grenzen, ebenfalls mittauschen müssen.

Nähere Informationen finden Sie unter dem Link
Hinweise zu Ihrer MAKITA Ersatzteilsuche

Preisübersicht

Einzelpreis: 5,64 €* (Brutto: 6,71 €)
Gesamtpreis: 5,64 €* 
Position:

Lieferzeit: 5 Werktage


Beschreibung

  • Band 25 Set
  • Original MAKITA Zubehör / MAKITA Ersatzteil (196733-4)
  • im Gerät verbaut: 1
Dieses MAKITA Ersatzteil ist mit folgendem Gerät und Modell kompatibel:
  • MAKITA Gerätename: EB7660TH
  • MAKITA Explosionszeichnung: Position 192181
  • MAKITA Typennummer: EB7660TH
  • MAKITA Typennummer alternative Schreibweisen: EB-7660-TH, EB 7660 TH
    Bitte prüfen Sie diese Typennummer auf Ihrem Gerät um die Kompatibilität des MAKITA Ersatzteils zu gewährleisten.
Weitere MAKITA Ersatzteile des Gerätes EB7660TH () mit der Typennummer EB7660TH finden Sie in der nachfolgenden Darstellung und im Dropdown zu Ihrer Auswahl:

Pos.
001
MAKITA Winkel | Ersatzteile für EB7660TH | 412144-8
Hersteller: Makita
Artikelnummer: EMK-EB7660TH-412144-8
Netto: 6,52 € zzgl. MwSt.
zzgl. 6,90 € Versand (brutto)
einmalig pro Bestellung

Lieferzeit: 5 Werktage

Pos.
025-1
MAKITA Band L komplett | Ersatzteile für EB7660TH | 162501-7
Hersteller: Makita
Artikelnummer: EMK-EB7660TH-162501-7
Netto: 9,09 € zzgl. MwSt.
zzgl. 6,90 € Versand (brutto)
einmalig pro Bestellung

Lieferzeit: 5 Werktage

Pos.
026-1
MAKITA Band R komplett | Ersatzteile für EB7660TH | 162502-5
Hersteller: Makita
Artikelnummer: EMK-EB7660TH-162502-5
Netto: 9,09 € zzgl. MwSt.
zzgl. 6,90 € Versand (brutto)
einmalig pro Bestellung

Lieferzeit: 5 Werktage

Pos.
036-1
MAKITA Kraftstoffschlauch 3-370 | Ersatzteile für EB7660TH | 412114-7
Hersteller: Makita
Artikelnummer: EMK-EB7660TH-412114-7
Netto: 4,81 € zzgl. MwSt.
zzgl. 6,90 € Versand (brutto)
einmalig pro Bestellung

Lieferzeit: 5 Werktage

Pos.
039-1
MAKITA Tankdeckel komplett | Ersatzteile für EB7660TH | 140H45-5
Hersteller: Makita
Artikelnummer: EMK-EB7660TH-140H45-5
Netto: 7,00 € zzgl. MwSt.
zzgl. 6,90 € Versand (brutto)
einmalig pro Bestellung

Lieferzeit: 5 Werktage

Pos.
041-1
MAKITA O-Ring 29.5 | Ersatzteile für EB7660TH | 213080-9
Hersteller: Makita
Artikelnummer: EMK-EB7660TH-213080-9
Netto: 4,14 € zzgl. MwSt.
zzgl. 6,90 € Versand (brutto)
einmalig pro Bestellung

Lieferzeit: 5 Werktage

Pos.
052-1
MAKITA Niete 6 | Ersatzteile für EB7660TH | 458158-3
Hersteller: Makita
Artikelnummer: EMK-EB7660TH-458158-3
Netto: 4,24 € zzgl. MwSt.
zzgl. 6,90 € Versand (brutto)
einmalig pro Bestellung

Lieferzeit: 5 Werktage

Pos.
093-1
MAKITA Drehrohr komplett | Ersatzteile für EB7660TH | 161653-1
Hersteller: Makita
Artikelnummer: EMK-EB7660TH-161653-1
nur Informationsartikel
Nie mehr lieferbar
keine Alternativen
Pos.
100-1
MAKITA Riemenscheibe | Ersatzteile für EB7660TH | 161599-1
Hersteller: Makita
Artikelnummer: EMK-EB7660TH-161599-1
Netto: 8,43 € zzgl. MwSt.
zzgl. 6,90 € Versand (brutto)
einmalig pro Bestellung

Lieferzeit: 5 Werktage

Pos.
128-1
MAKITA Kurzblocksatz | Ersatzteile für EB7660TH | 199132-9
Hersteller: Makita
Artikelnummer: EMK-EB7660TH-199132-9
Netto: 241,29 € zzgl. MwSt.
zzgl. 6,90 € Versand (brutto)
einmalig pro Bestellung

Lieferzeit: 5 Werktage

Pos.
131-1
MAKITA Kipphebelabdeckung kpl. | Ersatzteile für EB7660TH | 144766-3
Hersteller: Makita
Artikelnummer: EMK-EB7660TH-144766-3
nur Informationsartikel
Nie mehr lieferbar
keine Alternativen
Pos.
147-1
MAKITA Innensechskantkopfschraube M4X12 | Ersatzteile für EB7660TH | 922117-8
Hersteller: Makita
Artikelnummer: EMK-EB7660TH-922117-8
Netto: 3,48 € zzgl. MwSt.
zzgl. 6,90 € Versand (brutto)
einmalig pro Bestellung

Lieferzeit: 5 Werktage

Pos.
163-1
MAKITA Kurbelwellen-Baugruppe | Ersatzteile für EB7660TH | 127539-9
Hersteller: Makita
Artikelnummer: EMK-EB7660TH-127539-9
nur Informationsartikel
Nie mehr lieferbar
keine Alternativen
Pos.
173-1
MAKITA Nockenrad-set | Ersatzteile für EB7660TH | 126622-9
Hersteller: Makita
Artikelnummer: EMK-EB7660TH-126622-9
Netto: 20,99 € zzgl. MwSt.
zzgl. 6,90 € Versand (brutto)
einmalig pro Bestellung

Lieferzeit: 5 Werktage

Pos.
184-1
MAKITA Innensechskantkopfschraube M4X20 WR | Ersatzteile für EB7660TH | 922138-0
Hersteller: Makita
Artikelnummer: EMK-EB7660TH-922138-0
Netto: 3,86 € zzgl. MwSt.
zzgl. 6,90 € Versand (brutto)
einmalig pro Bestellung

Lieferzeit: 5 Werktage

Pos.
188-1
MAKITA Polrad | Ersatzteile für EB7660TH | 319170-7
Hersteller: Makita
Artikelnummer: EMK-EB7660TH-319170-7
nur Informationsartikel
Nie mehr lieferbar
keine Alternativen
Pos.
196-1
MAKITA Spiralfeder | Ersatzteile für EB7660TH | SG00000014
Hersteller: Makita
Artikelnummer: EMK-EB7660TH-SG00000014
Netto: 12,42 € zzgl. MwSt.
zzgl. 6,90 € Versand (brutto)
einmalig pro Bestellung

Lieferzeit: 5 Werktage

Pos.
211-1
MAKITA Bindekopf-Blechschraube 4X14 | Ersatzteile für EB7660TH | 266385-6
Hersteller: Makita
Artikelnummer: EMK-EB7660TH-266385-6
Netto: 3,86 € zzgl. MwSt.
zzgl. 6,90 € Versand (brutto)
einmalig pro Bestellung

Lieferzeit: 5 Werktage

Pos.
226-1
MAKITA Rohrleitung 3-190 | Ersatzteile für EB7660TH | 422222-6
Hersteller: Makita
Artikelnummer: EMK-EB7660TH-422222-6
Netto: 4,24 € zzgl. MwSt.
zzgl. 6,90 € Versand (brutto)
einmalig pro Bestellung

Lieferzeit: 5 Werktage

Pos.
262-1
MAKITA Pumpenmembrane | Ersatzteile für EB7660TH | WJ00009599
Hersteller: Makita
Artikelnummer: EMK-EB7660TH-WJ00009599
Netto: 8,52 € zzgl. MwSt.
zzgl. 6,90 € Versand (brutto)
einmalig pro Bestellung

Lieferzeit: 5 Werktage

Pos.
A02
MAKITA Austreiber | Ersatzteile für EB7660TH | 783019-1
Hersteller: Makita
Artikelnummer: EMK-EB7660TH-783019-1
nur Informationsartikel
Nie mehr lieferbar
keine Alternativen
Pos.
A07
MAKITA Langrohr 90 Set | Ersatzteile für EB7660TH | 197723-0
Hersteller: Makita
Artikelnummer: EMK-EB7660TH-197723-0
Netto: 13,68 € zzgl. MwSt.
zzgl. 6,90 € Versand (brutto)
einmalig pro Bestellung

Lieferzeit: 5 Werktage

Pos.
C10
MAKITA Einschubmutter M5-7 | Ersatzteile für EB7660TH | 252898-3
Hersteller: Makita
Artikelnummer: EMK-EB7660TH-252898-3
nur Informationsartikel
Nie mehr lieferbar
keine Alternativen
Pos.
C10
MAKITA Flachkopfschraube M4X8 WR | Ersatzteile für EB7660TH | 911108-4
Hersteller: Makita
Artikelnummer: EMK-EB7660TH-911108-4
Netto: 3,86 € zzgl. MwSt.
zzgl. 6,90 € Versand (brutto)
einmalig pro Bestellung

Lieferzeit: 5 Werktage

Pos.
C10
MAKITA Warnaufkleber | Ersatzteile für EB7660TH | 898343-0
Hersteller: Makita
Artikelnummer: EMK-EB7660TH-898343-0
nur Informationsartikel
Nie mehr lieferbar
keine Alternativen
Pos.
F06-1
MAKITA Band 25 Set | Ersatzteile für EB7660TH | 196733-4
Hersteller: Makita
Artikelnummer: EMK-EB7660TH-196733-4
Netto: 5,64 € zzgl. MwSt.
zzgl. 6,90 € Versand (brutto)
einmalig pro Bestellung

Lieferzeit: 5 Werktage

Pos.
002
MAKITA O-Ring 94 | Ersatzteile für EB7660TH | 213645-7
Hersteller: Makita
Artikelnummer: EMK-EB7660TH-213645-7
Netto: 6,14 € zzgl. MwSt.
zzgl. 6,90 € Versand (brutto)
einmalig pro Bestellung

Lieferzeit: 5 Werktage

Pos.
005
MAKITA Warnaufkleber | Ersatzteile für EB7660TH | 803T61-7
Hersteller: Makita
Artikelnummer: EMK-EB7660TH-803T61-7
nur Informationsartikel
Nie mehr lieferbar
keine Alternativen
Pos.
006
MAKITA Serien-nr-schild | Ersatzteile für EB7660TH | 801D19-4
Hersteller: Makita
Artikelnummer: EMK-EB7660TH-801D19-4
Netto: 3,86 € zzgl. MwSt.
zzgl. 6,90 € Versand (brutto)
einmalig pro Bestellung

Lieferzeit: 5 Werktage

Pos.
010
MAKITA Innensechskantkopfschraube M6X25 WR | Ersatzteile für EB7660TH | 922343-9
Hersteller: Makita
Artikelnummer: EMK-EB7660TH-922343-9
Netto: 4,24 € zzgl. MwSt.
zzgl. 6,90 € Versand (brutto)
einmalig pro Bestellung

Lieferzeit: 5 Werktage

Pos.
011
MAKITA Ventilator 250 | Ersatzteile für EB7660TH | 240152-7
Hersteller: Makita
Artikelnummer: EMK-EB7660TH-240152-7
Netto: 69,07 € zzgl. MwSt.
zzgl. 6,90 € Versand (brutto)
einmalig pro Bestellung

Lieferzeit: 5 Werktage

Pos.
014
MAKITA Bindekopf-Blechschraube 5X20 | Ersatzteile für EB7660TH | 266420-0
Hersteller: Makita
Artikelnummer: EMK-EB7660TH-266420-0
Netto: 3,86 € zzgl. MwSt.
zzgl. 6,90 € Versand (brutto)
einmalig pro Bestellung

Lieferzeit: 5 Werktage

Pos.
015
MAKITA Federhalter A | Ersatzteile für EB7660TH | 454903-4
Hersteller: Makita
Artikelnummer: EMK-EB7660TH-454903-4
Netto: 3,86 € zzgl. MwSt.
zzgl. 6,90 € Versand (brutto)
einmalig pro Bestellung

Lieferzeit: 5 Werktage

Pos.
017
MAKITA Druckfeder 22 | Ersatzteile für EB7660TH | 232304-4
Hersteller: Makita
Artikelnummer: EMK-EB7660TH-232304-4
Netto: 3,86 € zzgl. MwSt.
zzgl. 6,90 € Versand (brutto)
einmalig pro Bestellung

Lieferzeit: 5 Werktage

Pos.
018
MAKITA Federhalter B | Ersatzteile für EB7660TH | 454904-2
Hersteller: Makita
Artikelnummer: EMK-EB7660TH-454904-2
Netto: 3,86 € zzgl. MwSt.
zzgl. 6,90 € Versand (brutto)
einmalig pro Bestellung

Lieferzeit: 5 Werktage

Pos.
019
MAKITA Innensechskantkopfschraube M5X16 WR | Ersatzteile für EB7660TH | 922223-9
Hersteller: Makita
Artikelnummer: EMK-EB7660TH-922223-9
Netto: 3,86 € zzgl. MwSt.
zzgl. 6,90 € Versand (brutto)
einmalig pro Bestellung

Lieferzeit: 5 Werktage

Pos.
022
MAKITA Druckfeder 22 | Ersatzteile für EB7660TH | 232305-2
Hersteller: Makita
Artikelnummer: EMK-EB7660TH-232305-2
Netto: 3,86 € zzgl. MwSt.
zzgl. 6,90 € Versand (brutto)
einmalig pro Bestellung

Lieferzeit: 5 Werktage

Pos.
025
MAKITA Band L komplett | Ersatzteile für EB7660TH | 161534-9
Hersteller: Makita
Artikelnummer: EMK-EB7660TH-161534-9
nur Informationsartikel
Nie mehr lieferbar
keine Alternativen
Pos.
026
MAKITA Band R komplett | Ersatzteile für EB7660TH | 161535-7
Hersteller: Makita
Artikelnummer: EMK-EB7660TH-161535-7
nur Informationsartikel
Nie mehr lieferbar
keine Alternativen
Pos.
028
MAKITA Motorabdeckung komplett | Ersatzteile für EB7660TH | 143809-8
Hersteller: Makita
Artikelnummer: EMK-EB7660TH-143809-8
nur Informationsartikel
Nie mehr lieferbar
keine Alternativen
Pos.
029
MAKITA Steckerabdeckung | Ersatzteile für EB7660TH | 424619-5
Hersteller: Makita
Artikelnummer: EMK-EB7660TH-424619-5
Netto: 6,14 € zzgl. MwSt.
zzgl. 6,90 € Versand (brutto)
einmalig pro Bestellung

Lieferzeit: 5 Werktage

Pos.
031
MAKITA Filter | Ersatzteile für EB7660TH | 163532-9
Hersteller: Makita
Artikelnummer: EMK-EB7660TH-163532-9
Netto: 13,19 € zzgl. MwSt.
zzgl. 6,90 € Versand (brutto)
einmalig pro Bestellung

Lieferzeit: 5 Werktage

Pos.
032
MAKITA Schlauchklemme | Ersatzteile für EB7660TH | 345920-4
Hersteller: Makita
Artikelnummer: EMK-EB7660TH-345920-4
Netto: 3,86 € zzgl. MwSt.
zzgl. 6,90 € Versand (brutto)
einmalig pro Bestellung

Lieferzeit: 5 Werktage

Pos.
033
MAKITA Kraftstoffschlauch Baugruppe | Ersatzteile für EB7660TH | 126138-4
Hersteller: Makita
Artikelnummer: EMK-EB7660TH-126138-4
Netto: 13,38 € zzgl. MwSt.
zzgl. 6,90 € Versand (brutto)
einmalig pro Bestellung

Lieferzeit: 5 Werktage

Pos.
036
MAKITA Kraftstoffschlauch 3-370 | Ersatzteile für EB7660TH | 412120-2
Hersteller: Makita
Artikelnummer: EMK-EB7660TH-412120-2
Netto: 5,48 € zzgl. MwSt.
zzgl. 6,90 € Versand (brutto)
einmalig pro Bestellung

Lieferzeit: 5 Werktage

Pos.
038
MAKITA Rohrleitungsschutz 20-102 | Ersatzteile für EB7660TH | 422137-7
Hersteller: Makita
Artikelnummer: EMK-EB7660TH-422137-7
Netto: 3,86 € zzgl. MwSt.
zzgl. 6,90 € Versand (brutto)
einmalig pro Bestellung

Lieferzeit: 5 Werktage

Pos.
039
MAKITA Tankdeckel komplett | Ersatzteile für EB7660TH | 140831-6
Hersteller: Makita
Artikelnummer: EMK-EB7660TH-140831-6
nur Informationsartikel
Nie mehr lieferbar
keine Alternativen
Pos.
041
MAKITA O-Ring 29.5 | Ersatzteile für EB7660TH | 213831-0
Hersteller: Makita
Artikelnummer: EMK-EB7660TH-213831-0
Netto: 3,86 € zzgl. MwSt.
zzgl. 6,90 € Versand (brutto)
einmalig pro Bestellung

Lieferzeit: 5 Werktage

Pos.
043
MAKITA Warnschild | Ersatzteile für EB7660TH | 898428-2
Hersteller: Makita
Artikelnummer: EMK-EB7660TH-898428-2
nur Informationsartikel
Nie mehr lieferbar
keine Alternativen
Pos.
044
MAKITA Kraftstofftank komplett | Ersatzteile für EB7660TH | 142427-9
Hersteller: Makita
Artikelnummer: EMK-EB7660TH-142427-9
Netto: 23,09 € zzgl. MwSt.
zzgl. 6,90 € Versand (brutto)
einmalig pro Bestellung

Lieferzeit: 5 Werktage

Pos.
045
MAKITA Bandhalter | Ersatzteile für EB7660TH | 454905-0
Hersteller: Makita
Artikelnummer: EMK-EB7660TH-454905-0
Netto: 3,86 € zzgl. MwSt.
zzgl. 6,90 € Versand (brutto)
einmalig pro Bestellung

Lieferzeit: 5 Werktage

Pos.
046
MAKITA Rahmen | Ersatzteile für EB7660TH | 454894-9
Hersteller: Makita
Artikelnummer: EMK-EB7660TH-454894-9
Netto: 41,94 € zzgl. MwSt.
zzgl. 6,90 € Versand (brutto)
einmalig pro Bestellung

Lieferzeit: 5 Werktage

Pos.
052
MAKITA Spreizniet | Ersatzteile für EB7660TH | 6672500300
Hersteller: Makita
Artikelnummer: EMK-EB7660TH-6672500300
nur Informationsartikel
Nie mehr lieferbar
keine Alternativen
Pos.
055
MAKITA Gummiring 25 | Ersatzteile für EB7660TH | 424678-9
Hersteller: Makita
Artikelnummer: EMK-EB7660TH-424678-9
Netto: 3,86 € zzgl. MwSt.
zzgl. 6,90 € Versand (brutto)
einmalig pro Bestellung

Lieferzeit: 5 Werktage

Pos.
060
MAKITA Bindekopf-Blechschraube 4X18 | Ersatzteile für EB7660TH | 266326-2
Hersteller: Makita
Artikelnummer: EMK-EB7660TH-266326-2
Netto: 3,48 € zzgl. MwSt.
zzgl. 6,90 € Versand (brutto)
einmalig pro Bestellung

Lieferzeit: 5 Werktage

Pos.
061
MAKITA Griffschalen-set | Ersatzteile für EB7660TH | 187804-8
Hersteller: Makita
Artikelnummer: EMK-EB7660TH-187804-8
Netto: 16,90 € zzgl. MwSt.
zzgl. 6,90 € Versand (brutto)
einmalig pro Bestellung

Lieferzeit: 5 Werktage

Pos.
062
MAKITA Schaltereinheit | Ersatzteile für EB7660TH | 638642-6
Hersteller: Makita
Artikelnummer: EMK-EB7660TH-638642-6
Netto: 29,08 € zzgl. MwSt.
zzgl. 6,90 € Versand (brutto)
einmalig pro Bestellung

Lieferzeit: 5 Werktage

Pos.
063
MAKITA Leitende einheit | Ersatzteile für EB7660TH | 632C07-2
Hersteller: Makita
Artikelnummer: EMK-EB7660TH-632C07-2
Netto: 8,43 € zzgl. MwSt.
zzgl. 6,90 € Versand (brutto)
einmalig pro Bestellung

Lieferzeit: 5 Werktage

Pos.
064
MAKITA Gewelltes Rohr | Ersatzteile für EB7660TH | 456895-3
Hersteller: Makita
Artikelnummer: EMK-EB7660TH-456895-3
Netto: 5,19 € zzgl. MwSt.
zzgl. 6,90 € Versand (brutto)
einmalig pro Bestellung

Lieferzeit: 5 Werktage

Pos.
065
MAKITA Druckfeder 4 | Ersatzteile für EB7660TH | 231469-9
Hersteller: Makita
Artikelnummer: EMK-EB7660TH-231469-9
Netto: 4,05 € zzgl. MwSt.
zzgl. 6,90 € Versand (brutto)
einmalig pro Bestellung

Lieferzeit: 5 Werktage

Pos.
066
MAKITA Drosselhebel A | Ersatzteile für EB7660TH | 454899-9
Hersteller: Makita
Artikelnummer: EMK-EB7660TH-454899-9
Netto: 3,86 € zzgl. MwSt.
zzgl. 6,90 € Versand (brutto)
einmalig pro Bestellung

Lieferzeit: 5 Werktage

Pos.
067
MAKITA Bowdenzug | Ersatzteile für EB7660TH | 168843-7
Hersteller: Makita
Artikelnummer: EMK-EB7660TH-168843-7
Netto: 6,14 € zzgl. MwSt.
zzgl. 6,90 € Versand (brutto)
einmalig pro Bestellung

Lieferzeit: 5 Werktage

Pos.
068
MAKITA Sechskant-Sicherungsmutter M4-7 | Ersatzteile für EB7660TH | 252126-6
Hersteller: Makita
Artikelnummer: EMK-EB7660TH-252126-6
Netto: 3,86 € zzgl. MwSt.
zzgl. 6,90 € Versand (brutto)
einmalig pro Bestellung

Lieferzeit: 5 Werktage

Pos.
069
MAKITA Gasstellungsbegrenzer | Ersatzteile für EB7660TH | 454924-6
Hersteller: Makita
Artikelnummer: EMK-EB7660TH-454924-6
Netto: 3,86 € zzgl. MwSt.
zzgl. 6,90 € Versand (brutto)
einmalig pro Bestellung

Lieferzeit: 5 Werktage

Pos.
070
MAKITA Drosselhebel B | Ersatzteile für EB7660TH | 454900-0
Hersteller: Makita
Artikelnummer: EMK-EB7660TH-454900-0
Netto: 4,24 € zzgl. MwSt.
zzgl. 6,90 € Versand (brutto)
einmalig pro Bestellung

Lieferzeit: 5 Werktage

Pos.
071
MAKITA Wellenscheibe 6 | Ersatzteile für EB7660TH | 253903-9
Hersteller: Makita
Artikelnummer: EMK-EB7660TH-253903-9
Netto: 3,86 € zzgl. MwSt.
zzgl. 6,90 € Versand (brutto)
einmalig pro Bestellung

Lieferzeit: 5 Werktage

Pos.
072
MAKITA Unterlegscheibe 5 | Ersatzteile für EB7660TH | 267010-2
Hersteller: Makita
Artikelnummer: EMK-EB7660TH-267010-2
Netto: 4,05 € zzgl. MwSt.
zzgl. 6,90 € Versand (brutto)
einmalig pro Bestellung

Lieferzeit: 5 Werktage

Pos.
073
MAKITA Innensechskantkopfschraube M4X18 | Ersatzteile für EB7660TH | 922132-2
Hersteller: Makita
Artikelnummer: EMK-EB7660TH-922132-2
Netto: 3,86 € zzgl. MwSt.
zzgl. 6,90 € Versand (brutto)
einmalig pro Bestellung

Lieferzeit: 5 Werktage

Pos.
076
MAKITA Unterlegscheibe 12 | Ersatzteile für EB7660TH | 253052-2
Hersteller: Makita
Artikelnummer: EMK-EB7660TH-253052-2
Netto: 4,05 € zzgl. MwSt.
zzgl. 6,90 € Versand (brutto)
einmalig pro Bestellung

Lieferzeit: 5 Werktage

Pos.
090
MAKITA Schlauchklemme 100 | Ersatzteile für EB7660TH | 282025-8
Hersteller: Makita
Artikelnummer: EMK-EB7660TH-282025-8
nur Informationsartikel
Nie mehr lieferbar
keine Alternativen
Pos.
091
MAKITA Flexibles Rohr | Ersatzteile für EB7660TH | 454934-3
Hersteller: Makita
Artikelnummer: EMK-EB7660TH-454934-3
nur Informationsartikel
Nie mehr lieferbar
keine Alternativen
Pos.
093
MAKITA Drehrohr komplett | Ersatzteile für EB7660TH | 168832-2
Hersteller: Makita
Artikelnummer: EMK-EB7660TH-168832-2
nur Informationsartikel
Nie mehr lieferbar
keine Alternativen
Pos.
094
MAKITA Kabelhalter | Ersatzteile für EB7660TH | 456400-6
Hersteller: Makita
Artikelnummer: EMK-EB7660TH-456400-6
nur Informationsartikel
Nie mehr lieferbar
keine Alternativen
Pos.
100
MAKITA Starterrad | Ersatzteile für EB7660TH | 5975500000
Hersteller: Makita
Artikelnummer: EMK-EB7660TH-5975500000
nur Informationsartikel
Nie mehr lieferbar
keine Alternativen
Pos.
101
MAKITA Flachkopfschraube M5X20 WR | Ersatzteile für EB7660TH | 911233-1
Hersteller: Makita
Artikelnummer: EMK-EB7660TH-911233-1
Netto: 3,86 € zzgl. MwSt.
zzgl. 6,90 € Versand (brutto)
einmalig pro Bestellung

Lieferzeit: 5 Werktage

Pos.
102
MAKITA Modellnummernaufkleber EB7660TH | Ersatzteile für EB7660TH | 808X24-2
Hersteller: Makita
Artikelnummer: EMK-EB7660TH-808X24-2
Netto: 3,48 € zzgl. MwSt.
zzgl. 6,90 € Versand (brutto)
einmalig pro Bestellung

Lieferzeit: 5 Werktage

Pos.
103
MAKITA Warnhinweis | Ersatzteile für EB7660TH | 819430-2
Hersteller: Makita
Artikelnummer: EMK-EB7660TH-819430-2
Netto: 3,67 € zzgl. MwSt.
zzgl. 6,90 € Versand (brutto)
einmalig pro Bestellung

Lieferzeit: 5 Werktage

Pos.
127
MAKITA Kolben-set | Ersatzteile für EB7660TH | 198209-7
Hersteller: Makita
Artikelnummer: EMK-EB7660TH-198209-7
Netto: 16,90 € zzgl. MwSt.
zzgl. 6,90 € Versand (brutto)
einmalig pro Bestellung

Lieferzeit: 5 Werktage

Pos.
128
MAKITA Kurzblocksatz | Ersatzteile für EB7660TH | 198211-0
Hersteller: Makita
Artikelnummer: EMK-EB7660TH-198211-0
nur Informationsartikel
Nie mehr lieferbar
keine Alternativen
Pos.
129
MAKITA Zylinderkopf satz | Ersatzteile für EB7660TH | 198224-1
Hersteller: Makita
Artikelnummer: EMK-EB7660TH-198224-1
nur Informationsartikel
Nie mehr lieferbar
keine Alternativen
Pos.
130
MAKITA Innensechskantkopfschraube M5X30 WR | Ersatzteile für EB7660TH | 922253-0
Hersteller: Makita
Artikelnummer: EMK-EB7660TH-922253-0
Netto: 3,86 € zzgl. MwSt.
zzgl. 6,90 € Versand (brutto)
einmalig pro Bestellung

Lieferzeit: 5 Werktage

Pos.
131
MAKITA Kipphebelabdeckung kpl. | Ersatzteile für EB7660TH | 141771-1
Hersteller: Makita
Artikelnummer: EMK-EB7660TH-141771-1
Netto: 7,38 € zzgl. MwSt.
zzgl. 6,90 € Versand (brutto)
einmalig pro Bestellung

Lieferzeit: 5 Werktage

Pos.
132
MAKITA Dichtung | Ersatzteile für EB7660TH | 5971500900
Hersteller: Makita
Artikelnummer: EMK-EB7660TH-5971500900
Netto: 5,48 € zzgl. MwSt.
zzgl. 6,90 € Versand (brutto)
einmalig pro Bestellung

Lieferzeit: 5 Werktage

Pos.
133
MAKITA Zylinderkopfbaugruppe | Ersatzteile für EB7660TH | 123557-5
Hersteller: Makita
Artikelnummer: EMK-EB7660TH-123557-5
nur Informationsartikel
Nie mehr lieferbar
keine Alternativen
Pos.
134
MAKITA Zylinderkopfdichtung | Ersatzteile für EB7660TH | 442167-2
Hersteller: Makita
Artikelnummer: EMK-EB7660TH-442167-2
Netto: 6,52 € zzgl. MwSt.
zzgl. 6,90 € Versand (brutto)
einmalig pro Bestellung

Lieferzeit: 5 Werktage

Pos.
136
MAKITA Innensechskantkopfschraube M6X30 | Ersatzteile für EB7660TH | 265566-9
Hersteller: Makita
Artikelnummer: EMK-EB7660TH-265566-9
nur Informationsartikel
Nie mehr lieferbar
keine Alternativen
Pos.
137
MAKITA Zylinderblocksatz | Ersatzteile für EB7660TH | 198210-2
Hersteller: Makita
Artikelnummer: EMK-EB7660TH-198210-2
nur Informationsartikel
Nie mehr lieferbar
keine Alternativen
Pos.
139
MAKITA Innensechskantkopfschraube M6X30 | Ersatzteile für EB7660TH | 922352-8
Hersteller: Makita
Artikelnummer: EMK-EB7660TH-922352-8
nur Informationsartikel
Nie mehr lieferbar
keine Alternativen
Pos.
140
MAKITA Dichtung der Nockenwellenantriebsabdeckung | Ersatzteile für EB7660TH | 442168-0
Hersteller: Makita
Artikelnummer: EMK-EB7660TH-442168-0
Netto: 4,52 € zzgl. MwSt.
zzgl. 6,90 € Versand (brutto)
einmalig pro Bestellung

Lieferzeit: 5 Werktage

Pos.
141
MAKITA Nockenradabdeckung | Ersatzteile für EB7660TH | 318725-5
Hersteller: Makita
Artikelnummer: EMK-EB7660TH-318725-5
Netto: 7,00 € zzgl. MwSt.
zzgl. 6,90 € Versand (brutto)
einmalig pro Bestellung

Lieferzeit: 5 Werktage

Pos.
142
MAKITA Innensechskantkopfschraube M5X16 WR | Ersatzteile für EB7660TH | 266813-1
Hersteller: Makita
Artikelnummer: EMK-EB7660TH-266813-1
nur Informationsartikel
Nie mehr lieferbar
keine Alternativen
Pos.
144
MAKITA Dichtung | Ersatzteile für EB7660TH | 424343-0
Hersteller: Makita
Artikelnummer: EMK-EB7660TH-424343-0
Netto: 5,19 € zzgl. MwSt.
zzgl. 6,90 € Versand (brutto)
einmalig pro Bestellung

Lieferzeit: 5 Werktage

Pos.
145
MAKITA Zungenventil | Ersatzteile für EB7660TH | 346083-9
Hersteller: Makita
Artikelnummer: EMK-EB7660TH-346083-9
Netto: 4,24 € zzgl. MwSt.
zzgl. 6,90 € Versand (brutto)
einmalig pro Bestellung

Lieferzeit: 5 Werktage

Pos.
146
MAKITA Halterplatte | Ersatzteile für EB7660TH | 319395-3
Hersteller: Makita
Artikelnummer: EMK-EB7660TH-319395-3
Netto: 5,48 € zzgl. MwSt.
zzgl. 6,90 € Versand (brutto)
einmalig pro Bestellung

Lieferzeit: 5 Werktage

Pos.
147
MAKITA Schraube M4x10 | Ersatzteile für EB7660TH | 0119049980
Hersteller: Makita
Artikelnummer: EMK-EB7660TH-0119049980
nur Informationsartikel
Nie mehr lieferbar
keine Alternativen
Pos.
148
MAKITA Dichtung | Ersatzteile für EB7660TH | 5976500100
Hersteller: Makita
Artikelnummer: EMK-EB7660TH-5976500100
Netto: 6,14 € zzgl. MwSt.
zzgl. 6,90 € Versand (brutto)
einmalig pro Bestellung

Lieferzeit: 5 Werktage

Pos.
150
MAKITA Dichtung | Ersatzteile für EB7660TH | 346452-4
Hersteller: Makita
Artikelnummer: EMK-EB7660TH-346452-4
nur Informationsartikel
Nie mehr lieferbar
keine Alternativen
Pos.
151
MAKITA Sechskantschraube M8X12 | Ersatzteile für EB7660TH | 921412-3
Hersteller: Makita
Artikelnummer: EMK-EB7660TH-921412-3
Netto: 3,86 € zzgl. MwSt.
zzgl. 6,90 € Versand (brutto)
einmalig pro Bestellung

Lieferzeit: 5 Werktage

Pos.
152
MAKITA Innensechskantkopfschraube M5X25 WR | Ersatzteile für EB7660TH | 922243-3
Hersteller: Makita
Artikelnummer: EMK-EB7660TH-922243-3
Netto: 3,67 € zzgl. MwSt.
zzgl. 6,90 € Versand (brutto)
einmalig pro Bestellung

Lieferzeit: 5 Werktage

Pos.
154
MAKITA Kolbenring-set | Ersatzteile für EB7660TH | 197040-8
Hersteller: Makita
Artikelnummer: EMK-EB7660TH-197040-8
Netto: 23,09 € zzgl. MwSt.
zzgl. 6,90 € Versand (brutto)
einmalig pro Bestellung

Lieferzeit: 5 Werktage

Pos.
157
MAKITA Kolbenbolzen | Ersatzteile für EB7660TH | 326039-8
Hersteller: Makita
Artikelnummer: EMK-EB7660TH-326039-8
Netto: 4,52 € zzgl. MwSt.
zzgl. 6,90 € Versand (brutto)
einmalig pro Bestellung

Lieferzeit: 5 Werktage

Pos.
158
MAKITA Ringfeder 12 | Ersatzteile für EB7660TH | 233995-4
Hersteller: Makita
Artikelnummer: EMK-EB7660TH-233995-4
Netto: 3,86 € zzgl. MwSt.
zzgl. 6,90 € Versand (brutto)
einmalig pro Bestellung

Lieferzeit: 5 Werktage

Pos.
160
MAKITA Scheibenfeder 4 | Ersatzteile für EB7660TH | 254001-2
Hersteller: Makita
Artikelnummer: EMK-EB7660TH-254001-2
Netto: 3,86 € zzgl. MwSt.
zzgl. 6,90 € Versand (brutto)
einmalig pro Bestellung

Lieferzeit: 5 Werktage

Pos.
161
MAKITA Unterlegscheibe 41 | Ersatzteile für EB7660TH | 267448-1
Hersteller: Makita
Artikelnummer: EMK-EB7660TH-267448-1
Netto: 4,24 € zzgl. MwSt.
zzgl. 6,90 € Versand (brutto)
einmalig pro Bestellung

Lieferzeit: 5 Werktage

Pos.
163
MAKITA Kurbelwelle komplett | Ersatzteile für EB7660TH | 143972-7
Hersteller: Makita
Artikelnummer: EMK-EB7660TH-143972-7
nur Informationsartikel
Nie mehr lieferbar
keine Alternativen
Pos.
164
MAKITA Ansaugventil | Ersatzteile für EB7660TH | 326691-2
Hersteller: Makita
Artikelnummer: EMK-EB7660TH-326691-2
nur Informationsartikel
Nie mehr lieferbar
keine Alternativen
Pos.
165
MAKITA Auslassventil | Ersatzteile für EB7660TH | 326692-0
Hersteller: Makita
Artikelnummer: EMK-EB7660TH-326692-0
nur Informationsartikel
Nie mehr lieferbar
keine Alternativen
Pos.
166
MAKITA Druckfeder 11 | Ersatzteile für EB7660TH | 234212-5
Hersteller: Makita
Artikelnummer: EMK-EB7660TH-234212-5
Netto: 3,86 € zzgl. MwSt.
zzgl. 6,90 € Versand (brutto)
einmalig pro Bestellung

Lieferzeit: 5 Werktage

Pos.
167
MAKITA Halter | Ersatzteile für EB7660TH | 331966-6
Hersteller: Makita
Artikelnummer: EMK-EB7660TH-331966-6
Netto: 4,24 € zzgl. MwSt.
zzgl. 6,90 € Versand (brutto)
einmalig pro Bestellung

Lieferzeit: 5 Werktage

Pos.
172
MAKITA Nockenheber L | Ersatzteile für EB7660TH | 310715-4
Hersteller: Makita
Artikelnummer: EMK-EB7660TH-310715-4
Netto: 9,09 € zzgl. MwSt.
zzgl. 6,90 € Versand (brutto)
einmalig pro Bestellung

Lieferzeit: 5 Werktage

Pos.
173
MAKITA Nockenrad kpl. | Ersatzteile für EB7660TH | 5973002002
Hersteller: Makita
Artikelnummer: EMK-EB7660TH-5973002002
nur Informationsartikel
Nie mehr lieferbar
keine Alternativen
Pos.
174
MAKITA Stift 5 | Ersatzteile für EB7660TH | 256200-2
Hersteller: Makita
Artikelnummer: EMK-EB7660TH-256200-2
Netto: 3,86 € zzgl. MwSt.
zzgl. 6,90 € Versand (brutto)
einmalig pro Bestellung

Lieferzeit: 5 Werktage

Pos.
176
MAKITA Splint / querkeil | Ersatzteile für EB7660TH | 331967-4
Hersteller: Makita
Artikelnummer: EMK-EB7660TH-331967-4
Netto: 3,86 € zzgl. MwSt.
zzgl. 6,90 € Versand (brutto)
einmalig pro Bestellung

Lieferzeit: 5 Werktage

Pos.
177
MAKITA Nockenheber R | Ersatzteile für EB7660TH | 313267-4
Hersteller: Makita
Artikelnummer: EMK-EB7660TH-313267-4
Netto: 6,14 € zzgl. MwSt.
zzgl. 6,90 € Versand (brutto)
einmalig pro Bestellung

Lieferzeit: 5 Werktage

Pos.
181
MAKITA Innensechskantkopfschraube M6X18 | Ersatzteile für EB7660TH | 266771-1
Hersteller: Makita
Artikelnummer: EMK-EB7660TH-266771-1
Netto: 3,86 € zzgl. MwSt.
zzgl. 6,90 € Versand (brutto)
einmalig pro Bestellung

Lieferzeit: 5 Werktage

Pos.
182
MAKITA Steckerkappe | Ersatzteile für EB7660TH | 424105-6
Hersteller: Makita
Artikelnummer: EMK-EB7660TH-424105-6
Netto: 3,86 € zzgl. MwSt.
zzgl. 6,90 € Versand (brutto)
einmalig pro Bestellung

Lieferzeit: 5 Werktage

Pos.
183
MAKITA Steckerkappenfeder | Ersatzteile für EB7660TH | 324891-8
Hersteller: Makita
Artikelnummer: EMK-EB7660TH-324891-8
Netto: 3,86 € zzgl. MwSt.
zzgl. 6,90 € Versand (brutto)
einmalig pro Bestellung

Lieferzeit: 5 Werktage

Pos.
184
MAKITA Schraube | Ersatzteile für EB7660TH | 0119049970
Hersteller: Makita
Artikelnummer: EMK-EB7660TH-0119049970
nur Informationsartikel
Nie mehr lieferbar
keine Alternativen
Pos.
185
MAKITA Leitende einheit | Ersatzteile für EB7660TH | 632G44-0
Hersteller: Makita
Artikelnummer: EMK-EB7660TH-632G44-0
Netto: 4,05 € zzgl. MwSt.
zzgl. 6,90 € Versand (brutto)
einmalig pro Bestellung

Lieferzeit: 5 Werktage

Pos.
186
MAKITA Leitende einheit | Ersatzteile für EB7660TH | 638710-5
Hersteller: Makita
Artikelnummer: EMK-EB7660TH-638710-5
Netto: 4,05 € zzgl. MwSt.
zzgl. 6,90 € Versand (brutto)
einmalig pro Bestellung

Lieferzeit: 5 Werktage

Pos.
188
MAKITA Polrad | Ersatzteile für EB7660TH | 5977001020
Hersteller: Makita
Artikelnummer: EMK-EB7660TH-5977001020
Netto: 54,88 € zzgl. MwSt.
zzgl. 6,90 € Versand (brutto)
einmalig pro Bestellung

Lieferzeit: 5 Werktage

Pos.
189
MAKITA Flanschmutter M10 | Ersatzteile für EB7660TH | 264054-3
Hersteller: Makita
Artikelnummer: EMK-EB7660TH-264054-3
Netto: 3,48 € zzgl. MwSt.
zzgl. 6,90 € Versand (brutto)
einmalig pro Bestellung

Lieferzeit: 5 Werktage

Pos.
191
MAKITA Bindekopf-Blechschraube 5X12 | Ersatzteile für EB7660TH | 266585-8
Hersteller: Makita
Artikelnummer: EMK-EB7660TH-266585-8
nur Informationsartikel
Nie mehr lieferbar
keine Alternativen
Pos.
194
MAKITA Reibungsfeder | Ersatzteile für EB7660TH | 234257-3
Hersteller: Makita
Artikelnummer: EMK-EB7660TH-234257-3
nur Informationsartikel
Nie mehr lieferbar
keine Alternativen
Pos.
195
MAKITA Rolle | Ersatzteile für EB7660TH | 441075-4
Hersteller: Makita
Artikelnummer: EMK-EB7660TH-441075-4
Netto: 9,09 € zzgl. MwSt.
zzgl. 6,90 € Versand (brutto)
einmalig pro Bestellung

Lieferzeit: 5 Werktage

Pos.
196
MAKITA Spiralfeder | Ersatzteile für EB7660TH | 232262-4
Hersteller: Makita
Artikelnummer: EMK-EB7660TH-232262-4
nur Informationsartikel
Nie mehr lieferbar
keine Alternativen
Pos.
198
MAKITA Anwerfseil | Ersatzteile für EB7660TH | 444043-6
Hersteller: Makita
Artikelnummer: EMK-EB7660TH-444043-6
Netto: 5,48 € zzgl. MwSt.
zzgl. 6,90 € Versand (brutto)
einmalig pro Bestellung

Lieferzeit: 5 Werktage

Pos.
199
MAKITA Starterknopf | Ersatzteile für EB7660TH | 424361-8
Hersteller: Makita
Artikelnummer: EMK-EB7660TH-424361-8
Netto: 8,43 € zzgl. MwSt.
zzgl. 6,90 € Versand (brutto)
einmalig pro Bestellung

Lieferzeit: 5 Werktage

Pos.
200
MAKITA Seilstopper | Ersatzteile für EB7660TH | 424360-0
Hersteller: Makita
Artikelnummer: EMK-EB7660TH-424360-0
Netto: 5,19 € zzgl. MwSt.
zzgl. 6,90 € Versand (brutto)
einmalig pro Bestellung

Lieferzeit: 5 Werktage

Pos.
201
MAKITA Luftfilterabdeckung | Ersatzteile für EB7660TH | 456618-9
Hersteller: Makita
Artikelnummer: EMK-EB7660TH-456618-9
nur Informationsartikel
Nie mehr lieferbar
keine Alternativen
Pos.
203
MAKITA Luftfilterelement | Ersatzteile für EB7660TH | 424809-0
Hersteller: Makita
Artikelnummer: EMK-EB7660TH-424809-0
Netto: 8,43 € zzgl. MwSt.
zzgl. 6,90 € Versand (brutto)
einmalig pro Bestellung

Lieferzeit: 5 Werktage

Pos.
205
MAKITA Abscheidernetz | Ersatzteile für EB7660TH | 352020-3
Hersteller: Makita
Artikelnummer: EMK-EB7660TH-352020-3
Netto: 5,48 € zzgl. MwSt.
zzgl. 6,90 € Versand (brutto)
einmalig pro Bestellung

Lieferzeit: 5 Werktage

Pos.
206
MAKITA Bindekopf-Blechschraube 3X14 | Ersatzteile für EB7660TH | 266404-8
Hersteller: Makita
Artikelnummer: EMK-EB7660TH-266404-8
Netto: 3,86 € zzgl. MwSt.
zzgl. 6,90 € Versand (brutto)
einmalig pro Bestellung

Lieferzeit: 5 Werktage

Pos.
209
MAKITA Flachkopfschraube M5X55 WR | Ersatzteile für EB7660TH | 251486-3
Hersteller: Makita
Artikelnummer: EMK-EB7660TH-251486-3
Netto: 3,86 € zzgl. MwSt.
zzgl. 6,90 € Versand (brutto)
einmalig pro Bestellung

Lieferzeit: 5 Werktage

Pos.
210
MAKITA Chokeklappe | Ersatzteile für EB7660TH | 454910-7
Hersteller: Makita
Artikelnummer: EMK-EB7660TH-454910-7
Netto: 3,86 € zzgl. MwSt.
zzgl. 6,90 € Versand (brutto)
einmalig pro Bestellung

Lieferzeit: 5 Werktage

Pos.
211
MAKITA Bindekopf-Blechschraube 4X14 | Ersatzteile für EB7660TH | 266192-7
Hersteller: Makita
Artikelnummer: EMK-EB7660TH-266192-7
Netto: 3,48 € zzgl. MwSt.
zzgl. 6,90 € Versand (brutto)
einmalig pro Bestellung

Lieferzeit: 5 Werktage

Pos.
214
MAKITA Serien-nr-schild | Ersatzteile für EB7660TH | 851W17-2
Hersteller: Makita
Artikelnummer: EMK-EB7660TH-851W17-2
nur Informationsartikel
Nie mehr lieferbar
keine Alternativen
Pos.
215
MAKITA Chokehebel | Ersatzteile für EB7660TH | 454902-6
Hersteller: Makita
Artikelnummer: EMK-EB7660TH-454902-6
Netto: 3,86 € zzgl. MwSt.
zzgl. 6,90 € Versand (brutto)
einmalig pro Bestellung

Lieferzeit: 5 Werktage

Pos.
216
MAKITA Vergaserdichtung | Ersatzteile für EB7660TH | 5233504200
Hersteller: Makita
Artikelnummer: EMK-EB7660TH-5233504200
Netto: 4,81 € zzgl. MwSt.
zzgl. 6,90 € Versand (brutto)
einmalig pro Bestellung

Lieferzeit: 5 Werktage

Pos.
217
MAKITA Platte 31 | Ersatzteile für EB7660TH | 346991-4
Hersteller: Makita
Artikelnummer: EMK-EB7660TH-346991-4
Netto: 4,24 € zzgl. MwSt.
zzgl. 6,90 € Versand (brutto)
einmalig pro Bestellung

Lieferzeit: 5 Werktage

Pos.
218
MAKITA Rohrleitung 3-60 | Ersatzteile für EB7660TH | 412112-1
Hersteller: Makita
Artikelnummer: EMK-EB7660TH-412112-1
Netto: 3,86 € zzgl. MwSt.
zzgl. 6,90 € Versand (brutto)
einmalig pro Bestellung

Lieferzeit: 5 Werktage

Pos.
219
MAKITA Ansaugpumpe | Ersatzteile für EB7660TH | 168398-2
Hersteller: Makita
Artikelnummer: EMK-EB7660TH-168398-2
Netto: 10,14 € zzgl. MwSt.
zzgl. 6,90 € Versand (brutto)
einmalig pro Bestellung

Lieferzeit: 5 Werktage

Pos.
220
MAKITA Vergaser | Ersatzteile für EB7660TH | 161487-2
Hersteller: Makita
Artikelnummer: EMK-EB7660TH-161487-2
Netto: 94,58 € zzgl. MwSt.
zzgl. 6,90 € Versand (brutto)
einmalig pro Bestellung

Lieferzeit: 5 Werktage

Pos.
221
MAKITA Vergaserdichtung | Ersatzteile für EB7660TH | 424830-9
Hersteller: Makita
Artikelnummer: EMK-EB7660TH-424830-9
Netto: 6,14 € zzgl. MwSt.
zzgl. 6,90 € Versand (brutto)
einmalig pro Bestellung

Lieferzeit: 5 Werktage

Pos.
222
MAKITA Rohr | Ersatzteile für EB7660TH | 424823-6
Hersteller: Makita
Artikelnummer: EMK-EB7660TH-424823-6
Netto: 4,81 € zzgl. MwSt.
zzgl. 6,90 € Versand (brutto)
einmalig pro Bestellung

Lieferzeit: 5 Werktage

Pos.
223
MAKITA Rohrleitung 3-55 | Ersatzteile für EB7660TH | 422127-0
Hersteller: Makita
Artikelnummer: EMK-EB7660TH-422127-0
Netto: 3,86 € zzgl. MwSt.
zzgl. 6,90 € Versand (brutto)
einmalig pro Bestellung

Lieferzeit: 5 Werktage

Pos.
224
MAKITA Schlauchverbindung | Ersatzteile für EB7660TH | 452952-5
Hersteller: Makita
Artikelnummer: EMK-EB7660TH-452952-5
Netto: 4,24 € zzgl. MwSt.
zzgl. 6,90 € Versand (brutto)
einmalig pro Bestellung

Lieferzeit: 5 Werktage

Pos.
225
MAKITA Rohrleitung 3-130 | Ersatzteile für EB7660TH | 412121-0
Hersteller: Makita
Artikelnummer: EMK-EB7660TH-412121-0
Netto: 3,86 € zzgl. MwSt.
zzgl. 6,90 € Versand (brutto)
einmalig pro Bestellung

Lieferzeit: 5 Werktage

Pos.
226
MAKITA Rohrleitung 3-160 | Ersatzteile für EB7660TH | 422126-2
Hersteller: Makita
Artikelnummer: EMK-EB7660TH-422126-2
Netto: 4,24 € zzgl. MwSt.
zzgl. 6,90 € Versand (brutto)
einmalig pro Bestellung

Lieferzeit: 5 Werktage

Pos.
227
MAKITA Isolatordichtung | Ersatzteile für EB7660TH | 424831-7
Hersteller: Makita
Artikelnummer: EMK-EB7660TH-424831-7
Netto: 5,19 € zzgl. MwSt.
zzgl. 6,90 € Versand (brutto)
einmalig pro Bestellung

Lieferzeit: 5 Werktage

Pos.
228
MAKITA Innensechskantkopfschraube M5X25 WR | Ersatzteile für EB7660TH | 266749-4
Hersteller: Makita
Artikelnummer: EMK-EB7660TH-266749-4
Netto: 3,86 € zzgl. MwSt.
zzgl. 6,90 € Versand (brutto)
einmalig pro Bestellung

Lieferzeit: 5 Werktage

Pos.
230
MAKITA Schraube M5x14 | Ersatzteile für EB7660TH | 0119059490
Hersteller: Makita
Artikelnummer: EMK-EB7660TH-0119059490
Netto: 3,86 € zzgl. MwSt.
zzgl. 6,90 € Versand (brutto)
einmalig pro Bestellung

Lieferzeit: 5 Werktage

Pos.
231
MAKITA Isolator komplett | Ersatzteile für EB7660TH | 142926-1
Hersteller: Makita
Artikelnummer: EMK-EB7660TH-142926-1
Netto: 16,90 € zzgl. MwSt.
zzgl. 6,90 € Versand (brutto)
einmalig pro Bestellung

Lieferzeit: 5 Werktage

Pos.
232
MAKITA Isolatordichtung | Ersatzteile für EB7660TH | 161583-6
Hersteller: Makita
Artikelnummer: EMK-EB7660TH-161583-6
Netto: 4,05 € zzgl. MwSt.
zzgl. 6,90 € Versand (brutto)
einmalig pro Bestellung

Lieferzeit: 5 Werktage

Pos.
233
MAKITA O-Ring 17 | Ersatzteile für EB7660TH | 213261-5
Hersteller: Makita
Artikelnummer: EMK-EB7660TH-213261-5
Netto: 4,05 € zzgl. MwSt.
zzgl. 6,90 € Versand (brutto)
einmalig pro Bestellung

Lieferzeit: 5 Werktage

Pos.
234
MAKITA Sommer-winter-ventil | Ersatzteile für EB7660TH | 454911-5
Hersteller: Makita
Artikelnummer: EMK-EB7660TH-454911-5
Netto: 3,86 € zzgl. MwSt.
zzgl. 6,90 € Versand (brutto)
einmalig pro Bestellung

Lieferzeit: 5 Werktage

Pos.
235
MAKITA Ventilabdeckung | Ersatzteile für EB7660TH | 454912-3
Hersteller: Makita
Artikelnummer: EMK-EB7660TH-454912-3
nur Informationsartikel
Nie mehr lieferbar
keine Alternativen
Pos.
241
MAKITA Zugentlastung | Ersatzteile für EB7660TH | 687055-8
Hersteller: Makita
Artikelnummer: EMK-EB7660TH-687055-8
nur Informationsartikel
Nie mehr lieferbar
keine Alternativen
Pos.
245
MAKITA Gewelltes Rohr | Ersatzteile für EB7660TH | 457060-7
Hersteller: Makita
Artikelnummer: EMK-EB7660TH-457060-7
Netto: 3,86 € zzgl. MwSt.
zzgl. 6,90 € Versand (brutto)
einmalig pro Bestellung

Lieferzeit: 5 Werktage

Pos.
246
MAKITA Vergaserdeckel | Ersatzteile für EB7660TH | 456401-4
Hersteller: Makita
Artikelnummer: EMK-EB7660TH-456401-4
Netto: 4,05 € zzgl. MwSt.
zzgl. 6,90 € Versand (brutto)
einmalig pro Bestellung

Lieferzeit: 5 Werktage

Pos.
247
MAKITA Klemme | Ersatzteile für EB7660TH | 451825-9
Hersteller: Makita
Artikelnummer: EMK-EB7660TH-451825-9
Netto: 4,81 € zzgl. MwSt.
zzgl. 6,90 € Versand (brutto)
einmalig pro Bestellung

Lieferzeit: 5 Werktage

Pos.
250
MAKITA Justierschraube | Ersatzteile für EB7660TH | 266795-7
Hersteller: Makita
Artikelnummer: EMK-EB7660TH-266795-7
Netto: 4,52 € zzgl. MwSt.
zzgl. 6,90 € Versand (brutto)
einmalig pro Bestellung

Lieferzeit: 5 Werktage

Pos.
251
MAKITA Kabeleinstellmutter M6 | Ersatzteile für EB7660TH | 264065-8
Hersteller: Makita
Artikelnummer: EMK-EB7660TH-264065-8
Netto: 3,86 € zzgl. MwSt.
zzgl. 6,90 € Versand (brutto)
einmalig pro Bestellung

Lieferzeit: 5 Werktage

Pos.
252
MAKITA Flachkopfschraube M3X10 | Ersatzteile für EB7660TH | 266704-6
Hersteller: Makita
Artikelnummer: EMK-EB7660TH-266704-6
nur Informationsartikel
Nie mehr lieferbar
keine Alternativen
Pos.
253
MAKITA Halterungskabel | Ersatzteile für EB7660TH | 346491-4
Hersteller: Makita
Artikelnummer: EMK-EB7660TH-346491-4
Netto: 8,43 € zzgl. MwSt.
zzgl. 6,90 € Versand (brutto)
einmalig pro Bestellung

Lieferzeit: 5 Werktage

Pos.
254
MAKITA Drehgelenk | Ersatzteile für EB7660TH | 325922-6
Hersteller: Makita
Artikelnummer: EMK-EB7660TH-325922-6
nur Informationsartikel
Nie mehr lieferbar
keine Alternativen
Pos.
255
MAKITA Unterlegscheibe | Ersatzteile für EB7660TH | 413140-9
Hersteller: Makita
Artikelnummer: EMK-EB7660TH-413140-9
Netto: 3,86 € zzgl. MwSt.
zzgl. 6,90 € Versand (brutto)
einmalig pro Bestellung

Lieferzeit: 5 Werktage

Pos.
256
MAKITA Anschlagring (EXT) E3 | Ersatzteile für EB7660TH | 257964-1
Hersteller: Makita
Artikelnummer: EMK-EB7660TH-257964-1
Netto: 4,52 € zzgl. MwSt.
zzgl. 6,90 € Versand (brutto)
einmalig pro Bestellung

Lieferzeit: 5 Werktage

Pos.
257
MAKITA Dichtring | Ersatzteile für EB7660TH | 424444-4
Hersteller: Makita
Artikelnummer: EMK-EB7660TH-424444-4
Netto: 4,24 € zzgl. MwSt.
zzgl. 6,90 € Versand (brutto)
einmalig pro Bestellung

Lieferzeit: 5 Werktage

Pos.
258
MAKITA Druckfeder konisch 5-9 | Ersatzteile für EB7660TH | 234183-6
Hersteller: Makita
Artikelnummer: EMK-EB7660TH-234183-6
Netto: 4,81 € zzgl. MwSt.
zzgl. 6,90 € Versand (brutto)
einmalig pro Bestellung

Lieferzeit: 5 Werktage

Pos.
261
MAKITA Pumpendichtung | Ersatzteile für EB7660TH | 442155-9
Hersteller: Makita
Artikelnummer: EMK-EB7660TH-442155-9
Netto: 5,86 € zzgl. MwSt.
zzgl. 6,90 € Versand (brutto)
einmalig pro Bestellung

Lieferzeit: 5 Werktage

Pos.
262
MAKITA Pumpenmembran | Ersatzteile für EB7660TH | 168575-6
Hersteller: Makita
Artikelnummer: EMK-EB7660TH-168575-6
nur Informationsartikel
Nie mehr lieferbar
keine Alternativen
Pos.
264
MAKITA Dosierblendendichtung | Ersatzteile für EB7660TH | 442183-4
Hersteller: Makita
Artikelnummer: EMK-EB7660TH-442183-4
Netto: 6,14 € zzgl. MwSt.
zzgl. 6,90 € Versand (brutto)
einmalig pro Bestellung

Lieferzeit: 5 Werktage

Pos.
265
MAKITA Dosiermembran | Ersatzteile für EB7660TH | 168620-7
Hersteller: Makita
Artikelnummer: EMK-EB7660TH-168620-7
Netto: 21,18 € zzgl. MwSt.
zzgl. 6,90 € Versand (brutto)
einmalig pro Bestellung

Lieferzeit: 5 Werktage

Pos.
266
MAKITA Schutz | Ersatzteile für EB7660TH | WJ00021158
Hersteller: Makita
Artikelnummer: EMK-EB7660TH-WJ00021158
Netto: 4,81 € zzgl. MwSt.
zzgl. 6,90 € Versand (brutto)
einmalig pro Bestellung

Lieferzeit: 5 Werktage

Pos.
267
MAKITA Schraube | Ersatzteile für EB7660TH | WJ00096325
Hersteller: Makita
Artikelnummer: EMK-EB7660TH-WJ00096325
nur Informationsartikel
Nie mehr lieferbar
keine Alternativen
Pos.
268
MAKITA Feder | Ersatzteile für EB7660TH | WJ00983160
Hersteller: Makita
Artikelnummer: EMK-EB7660TH-WJ00983160
Netto: 4,52 € zzgl. MwSt.
zzgl. 6,90 € Versand (brutto)
einmalig pro Bestellung

Lieferzeit: 5 Werktage

Pos.
269
MAKITA Schraube | Ersatzteile für EB7660TH | WJ00096424
Hersteller: Makita
Artikelnummer: EMK-EB7660TH-WJ00096424
Netto: 4,24 € zzgl. MwSt.
zzgl. 6,90 € Versand (brutto)
einmalig pro Bestellung

Lieferzeit: 5 Werktage

Pos.
270
MAKITA Stift | Ersatzteile für EB7660TH | WJ00014477
Hersteller: Makita
Artikelnummer: EMK-EB7660TH-WJ00014477
Netto: 4,81 € zzgl. MwSt.
zzgl. 6,90 € Versand (brutto)
einmalig pro Bestellung

Lieferzeit: 5 Werktage

Pos.
271
MAKITA Hebel | Ersatzteile für EB7660TH | WJ00016648
Hersteller: Makita
Artikelnummer: EMK-EB7660TH-WJ00016648
Netto: 5,19 € zzgl. MwSt.
zzgl. 6,90 € Versand (brutto)
einmalig pro Bestellung

Lieferzeit: 5 Werktage

Pos.
272
MAKITA Ventil | Ersatzteile für EB7660TH | WJ00008282
Hersteller: Makita
Artikelnummer: EMK-EB7660TH-WJ00008282
Netto: 13,47 € zzgl. MwSt.
zzgl. 6,90 € Versand (brutto)
einmalig pro Bestellung

Lieferzeit: 5 Werktage

Pos.
273
MAKITA Gittersieb | Ersatzteile für EB7660TH | WJ00014070
Hersteller: Makita
Artikelnummer: EMK-EB7660TH-WJ00014070
Netto: 4,81 € zzgl. MwSt.
zzgl. 6,90 € Versand (brutto)
einmalig pro Bestellung

Lieferzeit: 5 Werktage

Angaben zur Produktsicherheit

Hersteller:
Makita-Werkzeug GmbH
Makita-Platz 1
40885 Ratingen

E-Mail:
info@makita.de