MAKITA Locator S komplett | Ersatzteile für FS6300R | 158875-2

Artikelnummer: EMK-FS6300R-158875-2

Position: 001

Marke: MAKITA


Bitte Kompatibilität prüfen!

Bitte prüfen Sie unbedingt die Typennummer Ihrer Maschine / Ihres Gerätes. Das Ersatzteil ist nur kompatibel, wenn Sie die Typennummer Ihrer Maschine in der unten stehenden Produktbeschreibung finden.

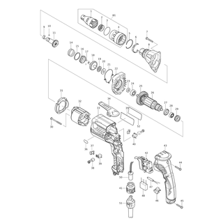
Bitte prüfen Sie ebenfalls detailliert die Explosionszeichnung mit Ihrem Artikelwunsch und der jeweiligen Pos-Nummer.

Alle Elemente, welche vom schwarzen Strich der Pos-Nummer ausgehend berührt / erfasst werden, gehören zu dieser Pos-Nummer und somit zu diesem Artikel. Jede Pos-Nummer ist ein eigenständiger Artikel, welchen Sie in der Auflistung finden.

Sie erhalten stets die aktuellste, neueste Produktversion zu der gewählten Pos-Nummer seitens des Herstellers. Es kann daher je nach Gerätealter vorkommen, dass Sie ggf. weitere, zugehörige Elemente, welche an diese Pos-Nummer grenzen, ebenfalls mittauschen müssen.

Nähere Informationen finden Sie unter dem Link
Hinweise zu Ihrer MAKITA Ersatzteilsuche

Preisübersicht

Einzelpreis: 6,14 €* (Brutto: 7,31 €)
Gesamtpreis: 6,14 €* 
Position:

Lieferzeit: 5 Werktage


Beschreibung

  • Locator S komplett
  • Original MAKITA Zubehör / MAKITA Ersatzteil (158875-2)
  • im Gerät verbaut: 1
Dieses MAKITA Ersatzteil ist mit folgendem Gerät und Modell kompatibel:
  • MAKITA Gerätename: FS6300R
  • MAKITA Explosionszeichnung: Position 140822
  • MAKITA Typennummer: FS6300R
  • MAKITA Typennummer alternative Schreibweisen: FS-6300-R, FS 6300 R
    Bitte prüfen Sie diese Typennummer auf Ihrem Gerät um die Kompatibilität des MAKITA Ersatzteils zu gewährleisten.
Weitere MAKITA Ersatzteile des Gerätes FS6300R () mit der Typennummer FS6300R finden Sie in der nachfolgenden Darstellung und im Dropdown zu Ihrer Auswahl:

Pos.
001
MAKITA Locator S komplett | Ersatzteile für FS6300R | 158875-2
Hersteller: MAKITA
Artikelnummer: EMK-FS6300R-158875-2
Netto: 6,14 € zzgl. MwSt.
zzgl. 6,90 € Versand (brutto)
einmalig pro Bestellung

Lieferzeit: 5 Werktage

Pos.
052-1
MAKITA Schutzfolie | Ersatzteile für FS6300R | 892811-5
Hersteller: MAKITA
Artikelnummer: EMK-FS6300R-892811-5
Netto: 3,48 € zzgl. MwSt.
zzgl. 6,90 € Versand (brutto)
einmalig pro Bestellung

Lieferzeit: 5 Werktage

Pos.
A01
MAKITA Kreuzschlitzeinsatz 2-25 | Ersatzteile für FS6300R | 784261-7
Hersteller: MAKITA
Artikelnummer: EMK-FS6300R-784261-7
nur Informationsartikel
Nie mehr lieferbar
keine Alternativen
Pos.
A02
MAKITA Magnetischer Verbindungseinsatz 6.35-60 | Ersatzteile für FS6300R | 784811-8
Hersteller: MAKITA
Artikelnummer: EMK-FS6300R-784811-8
nur Informationsartikel
Nie mehr lieferbar
keine Alternativen
Pos.
B01
MAKITA Locator S Set S | Ersatzteile für FS6300R | 197025-4
Hersteller: MAKITA
Artikelnummer: EMK-FS6300R-197025-4
Netto: 8,04 € zzgl. MwSt.
zzgl. 6,90 € Versand (brutto)
einmalig pro Bestellung

Lieferzeit: 5 Werktage

Pos.
C10
MAKITA Gummistift 4 | Ersatzteile für FS6300R | 263002-9
Hersteller: MAKITA
Artikelnummer: EMK-FS6300R-263002-9
Netto: 3,86 € zzgl. MwSt.
zzgl. 6,90 € Versand (brutto)
einmalig pro Bestellung

Lieferzeit: 5 Werktage

Pos.
F13
MAKITA Vierkantbit 2-130 Set | Ersatzteile für FS6300R | 199156-5
Hersteller: MAKITA
Artikelnummer: EMK-FS6300R-199156-5
nur Informationsartikel
Nie mehr lieferbar
keine Alternativen
Pos.
F15-1
MAKITA Autofeed-Aufsatzset | Ersatzteile für FS6300R | 191G73-7
Hersteller: MAKITA
Artikelnummer: EMK-FS6300R-191G73-7
nur Informationsartikel
Nie mehr lieferbar
keine Alternativen
Pos.
F15-2
MAKITA Autofeed-Aufsatzset | Ersatzteile für FS6300R | 191L24-0
Hersteller: MAKITA
Artikelnummer: EMK-FS6300R-191L24-0
Netto: 74,76 € zzgl. MwSt.
zzgl. 6,90 € Versand (brutto)
einmalig pro Bestellung

Lieferzeit: 5 Werktage

Pos.
F23
MAKITA Autofeed-Aufsatzset | Ersatzteile für FS6300R | 191G72-9
Hersteller: MAKITA
Artikelnummer: EMK-FS6300R-191G72-9
nur Informationsartikel
Nie mehr lieferbar
keine Alternativen
Pos.
F23-1
MAKITA Autofeed-Aufsatzset | Ersatzteile für FS6300R | 191L23-2
Hersteller: MAKITA
Artikelnummer: EMK-FS6300R-191L23-2
nur Informationsartikel
Nie mehr lieferbar
keine Alternativen
Pos.
003
MAKITA Dichtungsring 30 | Ersatzteile für FS6300R | 424235-3
Hersteller: MAKITA
Artikelnummer: EMK-FS6300R-424235-3
Netto: 4,05 € zzgl. MwSt.
zzgl. 6,90 € Versand (brutto)
einmalig pro Bestellung

Lieferzeit: 5 Werktage

Pos.
005
MAKITA Ringfeder 33 | Ersatzteile für FS6300R | 233974-2
Hersteller: MAKITA
Artikelnummer: EMK-FS6300R-233974-2
nur Informationsartikel
Nie mehr lieferbar
keine Alternativen
Pos.
006
MAKITA Spindelarretierung | Ersatzteile für FS6300R | 232245-4
Hersteller: MAKITA
Artikelnummer: EMK-FS6300R-232245-4
Netto: 6,14 € zzgl. MwSt.
zzgl. 6,90 € Versand (brutto)
einmalig pro Bestellung

Lieferzeit: 5 Werktage

Pos.
007
MAKITA Bindekopf-Blechschraube 4X30 | Ersatzteile für FS6300R | 266361-0
Hersteller: MAKITA
Artikelnummer: EMK-FS6300R-266361-0
Netto: 3,86 € zzgl. MwSt.
zzgl. 6,90 € Versand (brutto)
einmalig pro Bestellung

Lieferzeit: 5 Werktage

Pos.
009
MAKITA Spindelarretierung | Ersatzteile für FS6300R | 232050-9
Hersteller: MAKITA
Artikelnummer: EMK-FS6300R-232050-9
Netto: 3,48 € zzgl. MwSt.
zzgl. 6,90 € Versand (brutto)
einmalig pro Bestellung

Lieferzeit: 5 Werktage

Pos.
010
MAKITA Stahlkugel 3.5 | Ersatzteile für FS6300R | 216001-0
Hersteller: MAKITA
Artikelnummer: EMK-FS6300R-216001-0
Netto: 3,48 € zzgl. MwSt.
zzgl. 6,90 € Versand (brutto)
einmalig pro Bestellung

Lieferzeit: 5 Werktage

Pos.
011
MAKITA Spindel 125S komplett | Ersatzteile für FS6300R | 158886-7
Hersteller: MAKITA
Artikelnummer: EMK-FS6300R-158886-7
Netto: 27,85 € zzgl. MwSt.
zzgl. 6,90 € Versand (brutto)
einmalig pro Bestellung

Lieferzeit: 5 Werktage

Pos.
014
MAKITA Druckfeder 8 | Ersatzteile für FS6300R | 234121-8
Hersteller: MAKITA
Artikelnummer: EMK-FS6300R-234121-8
Netto: 3,86 € zzgl. MwSt.
zzgl. 6,90 € Versand (brutto)
einmalig pro Bestellung

Lieferzeit: 5 Werktage

Pos.
015
MAKITA Unterlegscheibe 8 | Ersatzteile für FS6300R | 267202-3
Hersteller: MAKITA
Artikelnummer: EMK-FS6300R-267202-3
Netto: 4,05 € zzgl. MwSt.
zzgl. 6,90 € Versand (brutto)
einmalig pro Bestellung

Lieferzeit: 5 Werktage

Pos.
016
MAKITA Kupplungsnocken 125S | Ersatzteile für FS6300R | 223170-0
Hersteller: MAKITA
Artikelnummer: EMK-FS6300R-223170-0
Netto: 10,81 € zzgl. MwSt.
zzgl. 6,90 € Versand (brutto)
einmalig pro Bestellung

Lieferzeit: 5 Werktage

Pos.
017
MAKITA Stahlkugel 4 | Ersatzteile für FS6300R | 216008-6
Hersteller: MAKITA
Artikelnummer: EMK-FS6300R-216008-6
Netto: 3,86 € zzgl. MwSt.
zzgl. 6,90 € Versand (brutto)
einmalig pro Bestellung

Lieferzeit: 5 Werktage

Pos.
018
MAKITA Zahnrad 38S komplett | Ersatzteile für FS6300R | 158885-9
Hersteller: MAKITA
Artikelnummer: EMK-FS6300R-158885-9
Netto: 23,09 € zzgl. MwSt.
zzgl. 6,90 € Versand (brutto)
einmalig pro Bestellung

Lieferzeit: 5 Werktage

Pos.
019
MAKITA Axial-rollenlager 821 | Ersatzteile für FS6300R | 216415-3
Hersteller: MAKITA
Artikelnummer: EMK-FS6300R-216415-3
Netto: 9,66 € zzgl. MwSt.
zzgl. 6,90 € Versand (brutto)
einmalig pro Bestellung

Lieferzeit: 5 Werktage

Pos.
020
MAKITA Unterlegscheibe 821 | Ersatzteile für FS6300R | 216212-7
Hersteller: MAKITA
Artikelnummer: EMK-FS6300R-216212-7
Netto: 4,24 € zzgl. MwSt.
zzgl. 6,90 € Versand (brutto)
einmalig pro Bestellung

Lieferzeit: 5 Werktage

Pos.
021
MAKITA Dichtungsring | Ersatzteile für FS6300R | 424162-4
Hersteller: MAKITA
Artikelnummer: EMK-FS6300R-424162-4
Netto: 4,05 € zzgl. MwSt.
zzgl. 6,90 € Versand (brutto)
einmalig pro Bestellung

Lieferzeit: 5 Werktage

Pos.
023
MAKITA Ring 8 | Ersatzteile für FS6300R | 451100-3
Hersteller: MAKITA
Artikelnummer: EMK-FS6300R-451100-3
Netto: 3,67 € zzgl. MwSt.
zzgl. 6,90 € Versand (brutto)
einmalig pro Bestellung

Lieferzeit: 5 Werktage

Pos.
024
MAKITA Kugellager 608VV | Ersatzteile für FS6300R | 210007-0
Hersteller: MAKITA
Artikelnummer: EMK-FS6300R-210007-0
Netto: 9,66 € zzgl. MwSt.
zzgl. 6,90 € Versand (brutto)
einmalig pro Bestellung

Lieferzeit: 5 Werktage

Pos.
025
MAKITA Ventilator 52 | Ersatzteile für FS6300R | 240083-0
Hersteller: MAKITA
Artikelnummer: EMK-FS6300R-240083-0
nur Informationsartikel
Nie mehr lieferbar
keine Alternativen
Pos.
026
MAKITA Ankerbaugruppe 240V | Ersatzteile für FS6300R | 515754-1
Hersteller: MAKITA
Artikelnummer: EMK-FS6300R-515754-1
Netto: 57,26 € zzgl. MwSt.
zzgl. 6,90 € Versand (brutto)
einmalig pro Bestellung

Lieferzeit: 5 Werktage

Pos.
027
MAKITA Isolierscheibe | Ersatzteile für FS6300R | 681636-0
Hersteller: MAKITA
Artikelnummer: EMK-FS6300R-681636-0
Netto: 4,24 € zzgl. MwSt.
zzgl. 6,90 € Versand (brutto)
einmalig pro Bestellung

Lieferzeit: 5 Werktage

Pos.
028
MAKITA Kugellager 607ZZ | Ersatzteile für FS6300R | 210062-2
Hersteller: MAKITA
Artikelnummer: EMK-FS6300R-210062-2
Netto: 3,86 € zzgl. MwSt.
zzgl. 6,90 € Versand (brutto)
einmalig pro Bestellung

Lieferzeit: 5 Werktage

Pos.
029
MAKITA Labyrinth-Gummiring 19 | Ersatzteile für FS6300R | 421868-5
Hersteller: MAKITA
Artikelnummer: EMK-FS6300R-421868-5
Netto: 5,48 € zzgl. MwSt.
zzgl. 6,90 € Versand (brutto)
einmalig pro Bestellung

Lieferzeit: 5 Werktage

Pos.
030
MAKITA Bindekopf-Blechschraube 4X50 | Ersatzteile für FS6300R | 266467-4
Hersteller: MAKITA
Artikelnummer: EMK-FS6300R-266467-4
Netto: 3,48 € zzgl. MwSt.
zzgl. 6,90 € Versand (brutto)
einmalig pro Bestellung

Lieferzeit: 5 Werktage

Pos.
031
MAKITA Prallplatte | Ersatzteile für FS6300R | 450880-8
Hersteller: MAKITA
Artikelnummer: EMK-FS6300R-450880-8
Netto: 3,48 € zzgl. MwSt.
zzgl. 6,90 € Versand (brutto)
einmalig pro Bestellung

Lieferzeit: 5 Werktage

Pos.
032
MAKITA Feld 220-240V | Ersatzteile für FS6300R | 633693-4
Hersteller: MAKITA
Artikelnummer: EMK-FS6300R-633693-4
Netto: 27,85 € zzgl. MwSt.
zzgl. 6,90 € Versand (brutto)
einmalig pro Bestellung

Lieferzeit: 5 Werktage

Pos.
035
MAKITA Typenschild FS6300R | Ersatzteile für FS6300R | 866561-8
Hersteller: MAKITA
Artikelnummer: EMK-FS6300R-866561-8
nur Informationsartikel
Nie mehr lieferbar
keine Alternativen
Pos.
036
MAKITA Hinweisaufkleber 6000RPM | Ersatzteile für FS6300R | 808576-9
Hersteller: MAKITA
Artikelnummer: EMK-FS6300R-808576-9
Netto: 3,48 € zzgl. MwSt.
zzgl. 6,90 € Versand (brutto)
einmalig pro Bestellung

Lieferzeit: 5 Werktage

Pos.
037
MAKITA Abstandshalter | Ersatzteile für FS6300R | 689111-0
Hersteller: MAKITA
Artikelnummer: EMK-FS6300R-689111-0
Netto: 3,48 € zzgl. MwSt.
zzgl. 6,90 € Versand (brutto)
einmalig pro Bestellung

Lieferzeit: 5 Werktage

Pos.
041
MAKITA Einlasshalter | Ersatzteile für FS6300R | 687129-5
Hersteller: MAKITA
Artikelnummer: EMK-FS6300R-687129-5
nur Informationsartikel
Nie mehr lieferbar
keine Alternativen
Pos.
042
MAKITA Schalter C3TA-2L | Ersatzteile für FS6300R | 650614-1
Hersteller: MAKITA
Artikelnummer: EMK-FS6300R-650614-1
Netto: 36,61 € zzgl. MwSt.
zzgl. 6,90 € Versand (brutto)
einmalig pro Bestellung

Lieferzeit: 5 Werktage

Pos.
043
MAKITA Handgriffabdeckung L komplett | Ersatzteile für FS6300R | 158878-6
Hersteller: MAKITA
Artikelnummer: EMK-FS6300R-158878-6
Netto: 22,04 € zzgl. MwSt.
zzgl. 6,90 € Versand (brutto)
einmalig pro Bestellung

Lieferzeit: 5 Werktage

Pos.
044
MAKITA Bindekopf-Blechschraube 4X25 | Ersatzteile für FS6300R | 266374-1
Hersteller: MAKITA
Artikelnummer: EMK-FS6300R-266374-1
Netto: 3,48 € zzgl. MwSt.
zzgl. 6,90 € Versand (brutto)
einmalig pro Bestellung

Lieferzeit: 5 Werktage

Pos.
046
MAKITA Led-baustein | Ersatzteile für FS6300R | 631939-2
Hersteller: MAKITA
Artikelnummer: EMK-FS6300R-631939-2
Netto: 9,66 € zzgl. MwSt.
zzgl. 6,90 € Versand (brutto)
einmalig pro Bestellung

Lieferzeit: 5 Werktage

Pos.
047
MAKITA Drosselspule | Ersatzteile für FS6300R | 646122-8
Hersteller: MAKITA
Artikelnummer: EMK-FS6300R-646122-8
Netto: 4,24 € zzgl. MwSt.
zzgl. 6,90 € Versand (brutto)
einmalig pro Bestellung

Lieferzeit: 5 Werktage

Pos.
050
MAKITA Einlass | Ersatzteile für FS6300R | 655413-6
Hersteller: MAKITA
Artikelnummer: EMK-FS6300R-655413-6
nur Informationsartikel
Nie mehr lieferbar
keine Alternativen
Pos.
051
MAKITA Stromversorgungskabeleinheit | Ersatzteile für FS6300R | 699023-9
Hersteller: MAKITA
Artikelnummer: EMK-FS6300R-699023-9
nur Informationsartikel
Nie mehr lieferbar
keine Alternativen
Pos.
052
MAKITA Schutzfolie | Ersatzteile für FS6300R | 819349-5
Hersteller: MAKITA
Artikelnummer: EMK-FS6300R-819349-5
Netto: 3,48 € zzgl. MwSt.
zzgl. 6,90 € Versand (brutto)
einmalig pro Bestellung

Lieferzeit: 5 Werktage

Pos.
053
MAKITA Gummiplatte | Ersatzteile für FS6300R | 423413-2
Hersteller: MAKITA
Artikelnummer: EMK-FS6300R-423413-2
Netto: 3,48 € zzgl. MwSt.
zzgl. 6,90 € Versand (brutto)
einmalig pro Bestellung

Lieferzeit: 5 Werktage

Angaben zur Produktsicherheit

Hersteller:
Makita-Werkzeug GmbH
Makita-Platz 1
40885 Ratingen

E-Mail:
info@makita.de