MAKITA Kennzahl | Ersatzteile für HM1400 | 331299-9

Artikelnummer: EMK-HM1400-331299-9

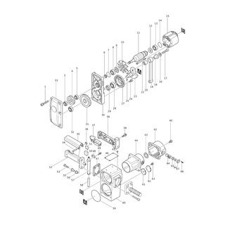
Position: 074-1

Marke: MAKITA


Bitte Kompatibilität prüfen!

Bitte prüfen Sie unbedingt die Typennummer Ihrer Maschine / Ihres Gerätes. Das Ersatzteil ist nur kompatibel, wenn Sie die Typennummer Ihrer Maschine in der unten stehenden Produktbeschreibung finden.

Bitte prüfen Sie ebenfalls detailliert die Explosionszeichnung mit Ihrem Artikelwunsch und der jeweiligen Pos-Nummer.

Alle Elemente, welche vom schwarzen Strich der Pos-Nummer ausgehend berührt / erfasst werden, gehören zu dieser Pos-Nummer und somit zu diesem Artikel. Jede Pos-Nummer ist ein eigenständiger Artikel, welchen Sie in der Auflistung finden.

Sie erhalten stets die aktuellste, neueste Produktversion zu der gewählten Pos-Nummer seitens des Herstellers. Es kann daher je nach Gerätealter vorkommen, dass Sie ggf. weitere, zugehörige Elemente, welche an diese Pos-Nummer grenzen, ebenfalls mittauschen müssen.

Nähere Informationen finden Sie unter dem Link
Hinweise zu Ihrer MAKITA Ersatzteilsuche

Preisübersicht

Einzelpreis: 45,74 €* (Brutto: 54,43 €)
Gesamtpreis: 45,74 €* 
Position:

Lieferzeit: 5 Werktage


Beschreibung

  • Kennzahl
  • Original MAKITA Zubehör / MAKITA Ersatzteil (331299-9)
  • im Gerät verbaut: 1
Dieses MAKITA Ersatzteil ist mit folgendem Gerät und Modell kompatibel:
  • MAKITA Gerätename: HM1400
  • MAKITA Explosionszeichnung: Position 292600
  • MAKITA Typennummer: HM1400
  • MAKITA Typennummer alternative Schreibweisen: HM-1400, HM 1400
    Bitte prüfen Sie diese Typennummer auf Ihrem Gerät um die Kompatibilität des MAKITA Ersatzteils zu gewährleisten.
Weitere MAKITA Ersatzteile des Gerätes HM1400 () mit der Typennummer HM1400 finden Sie in der nachfolgenden Darstellung und im Dropdown zu Ihrer Auswahl:

Pos.
001
MAKITA Innensechskantkopfschraube M8X50 W | Ersatzteile für HM1400 | 922471-0
Hersteller: MAKITA
Artikelnummer: EMK-HM1400-922471-0
nur Informationsartikel
Nie mehr lieferbar
keine Alternativen
Pos.
011C_
MAKITA Ankerbaugruppe 220V | Ersatzteile für HM1400 | 514843-9
Hersteller: MAKITA
Artikelnummer: EMK-HM1400-514843-9
Netto: 156,84 € zzgl. MwSt.
zzgl. 6,90 € Versand (brutto)
einmalig pro Bestellung

Lieferzeit: 5 Werktage

Pos.
012-1
MAKITA Isolierscheibe | Ersatzteile für HM1400 | 681635-2
Hersteller: MAKITA
Artikelnummer: EMK-HM1400-681635-2
Netto: 4,24 € zzgl. MwSt.
zzgl. 6,90 € Versand (brutto)
einmalig pro Bestellung

Lieferzeit: 5 Werktage

Pos.
015C_
MAKITA Feldeinheit 220V | Ersatzteile für HM1400 | 524793-0
Hersteller: MAKITA
Artikelnummer: EMK-HM1400-524793-0
Netto: 65,64 € zzgl. MwSt.
zzgl. 6,90 € Versand (brutto)
einmalig pro Bestellung

Lieferzeit: 5 Werktage

Pos.
022-1
MAKITA Sechskantschraube M5X80 | Ersatzteile für HM1400 | 265343-9
Hersteller: MAKITA
Artikelnummer: EMK-HM1400-265343-9
Netto: 4,81 € zzgl. MwSt.
zzgl. 6,90 € Versand (brutto)
einmalig pro Bestellung

Lieferzeit: 5 Werktage

Pos.
024-1
MAKITA Innensechskantkopfschraube M6X18 | Ersatzteile für HM1400 | 266009-4
Hersteller: MAKITA
Artikelnummer: EMK-HM1400-266009-4
Netto: 4,24 € zzgl. MwSt.
zzgl. 6,90 € Versand (brutto)
einmalig pro Bestellung

Lieferzeit: 5 Werktage

Pos.
035-1
MAKITA Schalthebel | Ersatzteile für HM1400 | 342531-6
Hersteller: MAKITA
Artikelnummer: EMK-HM1400-342531-6
Netto: 8,43 € zzgl. MwSt.
zzgl. 6,90 € Versand (brutto)
einmalig pro Bestellung

Lieferzeit: 5 Werktage

Pos.
037-1
MAKITA Schalter C3D-15MS | Ersatzteile für HM1400 | 651131-4
Hersteller: MAKITA
Artikelnummer: EMK-HM1400-651131-4
Netto: 33,37 € zzgl. MwSt.
zzgl. 6,90 € Versand (brutto)
einmalig pro Bestellung

Lieferzeit: 5 Werktage

Pos.
046-1
MAKITA Typenschild HM1400 | Ersatzteile für HM1400 | 858T10-9
Hersteller: MAKITA
Artikelnummer: EMK-HM1400-858T10-9
Netto: 8,43 € zzgl. MwSt.
zzgl. 6,90 € Versand (brutto)
einmalig pro Bestellung

Lieferzeit: 5 Werktage

Pos.
048D_
MAKITA Zugentlastung | Ersatzteile für HM1400 | 687031-2
Hersteller: MAKITA
Artikelnummer: EMK-HM1400-687031-2
nur Informationsartikel
Nie mehr lieferbar
keine Alternativen
Pos.
049-1
MAKITA Flachkopfschraube M4X18 WR | Ersatzteile für HM1400 | 911133-5
Hersteller: MAKITA
Artikelnummer: EMK-HM1400-911133-5
nur Informationsartikel
Nie mehr lieferbar
keine Alternativen
Pos.
050-1
MAKITA Schaumstoff | Ersatzteile für HM1400 | 685725-3
Hersteller: MAKITA
Artikelnummer: EMK-HM1400-685725-3
Netto: 4,05 € zzgl. MwSt.
zzgl. 6,90 € Versand (brutto)
einmalig pro Bestellung

Lieferzeit: 5 Werktage

Pos.
057C1
MAKITA Kabelschutz 10 | Ersatzteile für HM1400 | 682505-8
Hersteller: MAKITA
Artikelnummer: EMK-HM1400-682505-8
Netto: 4,81 € zzgl. MwSt.
zzgl. 6,90 € Versand (brutto)
einmalig pro Bestellung

Lieferzeit: 5 Werktage

Pos.
057C_
MAKITA Kabelschutz 9.3-90 | Ersatzteile für HM1400 | 682540-6
Hersteller: MAKITA
Artikelnummer: EMK-HM1400-682540-6
Netto: 4,14 € zzgl. MwSt.
zzgl. 6,90 € Versand (brutto)
einmalig pro Bestellung

Lieferzeit: 5 Werktage

Pos.
058H1
MAKITA Stromversorgungskabel 1.0-2-5.0 | Ersatzteile für HM1400 | 665883-1
Hersteller: MAKITA
Artikelnummer: EMK-HM1400-665883-1
Netto: 16,90 € zzgl. MwSt.
zzgl. 6,90 € Versand (brutto)
einmalig pro Bestellung

Lieferzeit: 5 Werktage

Pos.
067-1
MAKITA Halterkappenplatte | Ersatzteile für HM1400 | 343891-9
Hersteller: MAKITA
Artikelnummer: EMK-HM1400-343891-9
Netto: 4,81 € zzgl. MwSt.
zzgl. 6,90 € Versand (brutto)
einmalig pro Bestellung

Lieferzeit: 5 Werktage

Pos.
069-1
MAKITA Zylinder | Ersatzteile für HM1400 | 312G27-3
Hersteller: MAKITA
Artikelnummer: EMK-HM1400-312G27-3
nur Informationsartikel
Nie mehr lieferbar
keine Alternativen
Pos.
074-1
MAKITA Kennzahl | Ersatzteile für HM1400 | 331299-9
Hersteller: MAKITA
Artikelnummer: EMK-HM1400-331299-9
Netto: 45,74 € zzgl. MwSt.
zzgl. 6,90 € Versand (brutto)
einmalig pro Bestellung

Lieferzeit: 5 Werktage

Pos.
075-1
MAKITA Ringhalter | Ersatzteile für HM1400 | 322208-9
Hersteller: MAKITA
Artikelnummer: EMK-HM1400-322208-9
Netto: 27,85 € zzgl. MwSt.
zzgl. 6,90 € Versand (brutto)
einmalig pro Bestellung

Lieferzeit: 5 Werktage

Pos.
078-1
MAKITA X-Ring 40 | Ersatzteile für HM1400 | 213517-6
Hersteller: MAKITA
Artikelnummer: EMK-HM1400-213517-6
Netto: 33,37 € zzgl. MwSt.
zzgl. 6,90 € Versand (brutto)
einmalig pro Bestellung

Lieferzeit: 5 Werktage

Pos.
082-1
MAKITA Innensechskantkopfschraube M8X30 | Ersatzteile für HM1400 | 266010-9
Hersteller: MAKITA
Artikelnummer: EMK-HM1400-266010-9
nur Informationsartikel
Nie mehr lieferbar
keine Alternativen
Pos.
087-1
MAKITA Hammer | Ersatzteile für HM1400 | 322059-0
Hersteller: MAKITA
Artikelnummer: EMK-HM1400-322059-0
Netto: 156,84 € zzgl. MwSt.
zzgl. 6,90 € Versand (brutto)
einmalig pro Bestellung

Lieferzeit: 5 Werktage

Pos.
400-1
MAKITA Griff 40 | Ersatzteile für HM1400 | 273040-3
Hersteller: MAKITA
Artikelnummer: EMK-HM1400-273040-3
nur Informationsartikel
Nie mehr lieferbar
keine Alternativen
Pos.
405-1
MAKITA Spitzmeissel M30 400mm | Ersatzteile für HM1400 | D-15285
Hersteller: MAKITA
Artikelnummer: EMK-HM1400-D-15285
Netto: 20,88 € zzgl. MwSt.
zzgl. 6,90 € Versand (brutto)
einmalig pro Bestellung

Lieferzeit: 5 Werktage

Pos.
B01
MAKITA Hammer-Servicekit | Ersatzteile für HM1400 | 193399-1
Hersteller: MAKITA
Artikelnummer: EMK-HM1400-193399-1
nur Informationsartikel
Nie mehr lieferbar
keine Alternativen
Pos.
C10
MAKITA Griffabdeckung 33 | Ersatzteile für HM1400 | 273009-7
Hersteller: MAKITA
Artikelnummer: EMK-HM1400-273009-7
Netto: 7,86 € zzgl. MwSt.
zzgl. 6,90 € Versand (brutto)
einmalig pro Bestellung

Lieferzeit: 5 Werktage

Pos.
C10
MAKITA Warnaufkleber | Ersatzteile für HM1400 | 817833-4
Hersteller: MAKITA
Artikelnummer: EMK-HM1400-817833-4
nur Informationsartikel
Nie mehr lieferbar
keine Alternativen
Pos.
C11
MAKITA Anschlussfeder | Ersatzteile für HM1400 | 654084-6
Hersteller: MAKITA
Artikelnummer: EMK-HM1400-654084-6
Netto: 5,48 € zzgl. MwSt.
zzgl. 6,90 € Versand (brutto)
einmalig pro Bestellung

Lieferzeit: 5 Werktage

Pos.
C11
MAKITA Schmierfettsatz | Ersatzteile für HM1400 | 1914C5-7
Hersteller: MAKITA
Artikelnummer: EMK-HM1400-1914C5-7
nur Informationsartikel
Nie mehr lieferbar
keine Alternativen
Pos.
C21
MAKITA Nicht isolierter Spleiß P-5.5 | Ersatzteile für HM1400 | 654503-2
Hersteller: MAKITA
Artikelnummer: EMK-HM1400-654503-2
Netto: 3,67 € zzgl. MwSt.
zzgl. 6,90 € Versand (brutto)
einmalig pro Bestellung

Lieferzeit: 5 Werktage

Pos.
C30
MAKITA Fixierring | Ersatzteile für HM1400 | 414964-6
Hersteller: MAKITA
Artikelnummer: EMK-HM1400-414964-6
nur Informationsartikel
Nie mehr lieferbar
keine Alternativen
Pos.
C30
MAKITA Polyolefinrohr 5-20 | Ersatzteile für HM1400 | 684021-6
Hersteller: MAKITA
Artikelnummer: EMK-HM1400-684021-6
nur Informationsartikel
Nie mehr lieferbar
keine Alternativen
Pos.
F09
MAKITA Staubabsaugvorrichtung Set | Ersatzteile für HM1400 | 197148-8
Hersteller: MAKITA
Artikelnummer: EMK-HM1400-197148-8
Netto: 75,96 € zzgl. MwSt.
zzgl. 6,90 € Versand (brutto)
einmalig pro Bestellung

Lieferzeit: 5 Werktage

Pos.
F11
MAKITA Staubabsaugvorrichtung Set | Ersatzteile für HM1400 | 197168-2
Hersteller: MAKITA
Artikelnummer: EMK-HM1400-197168-2
nur Informationsartikel
Nie mehr lieferbar
keine Alternativen
Pos.
003
MAKITA Kugellager 6201 | Ersatzteile für HM1400 | 211109-5
Hersteller: MAKITA
Artikelnummer: EMK-HM1400-211109-5
Netto: 9,66 € zzgl. MwSt.
zzgl. 6,90 € Versand (brutto)
einmalig pro Bestellung

Lieferzeit: 5 Werktage

Pos.
006
MAKITA Schraubendichtung | Ersatzteile für HM1400 | 331212-7
Hersteller: MAKITA
Artikelnummer: EMK-HM1400-331212-7
Netto: 6,14 € zzgl. MwSt.
zzgl. 6,90 € Versand (brutto)
einmalig pro Bestellung

Lieferzeit: 5 Werktage

Pos.
007
MAKITA O-Ring 35 | Ersatzteile für HM1400 | 213460-9
Hersteller: MAKITA
Artikelnummer: EMK-HM1400-213460-9
Netto: 4,24 € zzgl. MwSt.
zzgl. 6,90 € Versand (brutto)
einmalig pro Bestellung

Lieferzeit: 5 Werktage

Pos.
008
MAKITA Kugellager 6202LLB | Ersatzteile für HM1400 | 211206-7
Hersteller: MAKITA
Artikelnummer: EMK-HM1400-211206-7
Netto: 10,24 € zzgl. MwSt.
zzgl. 6,90 € Versand (brutto)
einmalig pro Bestellung

Lieferzeit: 5 Werktage

Pos.
009
MAKITA Staubdichtung 15 | Ersatzteile für HM1400 | 213202-1
Hersteller: MAKITA
Artikelnummer: EMK-HM1400-213202-1
Netto: 4,81 € zzgl. MwSt.
zzgl. 6,90 € Versand (brutto)
einmalig pro Bestellung

Lieferzeit: 5 Werktage

Pos.
010
MAKITA Ventilator 104 | Ersatzteile für HM1400 | 241648-1
Hersteller: MAKITA
Artikelnummer: EMK-HM1400-241648-1
nur Informationsartikel
Nie mehr lieferbar
keine Alternativen
Pos.
012
MAKITA Isolierscheibe | Ersatzteile für HM1400 | 681624-7
Hersteller: MAKITA
Artikelnummer: EMK-HM1400-681624-7
nur Informationsartikel
Nie mehr lieferbar
keine Alternativen
Pos.
013
MAKITA Kugellager 6200LLB | Ersatzteile für HM1400 | 211066-7
Hersteller: MAKITA
Artikelnummer: EMK-HM1400-211066-7
Netto: 4,71 € zzgl. MwSt.
zzgl. 6,90 € Versand (brutto)
einmalig pro Bestellung

Lieferzeit: 5 Werktage

Pos.
014
MAKITA O-Ring 30 | Ersatzteile für HM1400 | 213406-5
Hersteller: MAKITA
Artikelnummer: EMK-HM1400-213406-5
Netto: 4,24 € zzgl. MwSt.
zzgl. 6,90 € Versand (brutto)
einmalig pro Bestellung

Lieferzeit: 5 Werktage

Pos.
016
MAKITA Federring 12 | Ersatzteile für HM1400 | 942301-9
Hersteller: MAKITA
Artikelnummer: EMK-HM1400-942301-9
Netto: 3,86 € zzgl. MwSt.
zzgl. 6,90 € Versand (brutto)
einmalig pro Bestellung

Lieferzeit: 5 Werktage

Pos.
017
MAKITA Innensechskantkopfschraube M12X45 | Ersatzteile für HM1400 | 922667-3
Hersteller: MAKITA
Artikelnummer: EMK-HM1400-922667-3
Netto: 4,52 € zzgl. MwSt.
zzgl. 6,90 € Versand (brutto)
einmalig pro Bestellung

Lieferzeit: 5 Werktage

Pos.
019
MAKITA Pleuelstange | Ersatzteile für HM1400 | 321557-1
Hersteller: MAKITA
Artikelnummer: EMK-HM1400-321557-1
Netto: 54,69 € zzgl. MwSt.
zzgl. 6,90 € Versand (brutto)
einmalig pro Bestellung

Lieferzeit: 5 Werktage

Pos.
020
MAKITA Nadellager 1820 | Ersatzteile für HM1400 | 212307-4
Hersteller: MAKITA
Artikelnummer: EMK-HM1400-212307-4
Netto: 22,04 € zzgl. MwSt.
zzgl. 6,90 € Versand (brutto)
einmalig pro Bestellung

Lieferzeit: 5 Werktage

Pos.
023
MAKITA Kurbelwelle | Ersatzteile für HM1400 | 321556-3
Hersteller: MAKITA
Artikelnummer: EMK-HM1400-321556-3
Netto: 69,07 € zzgl. MwSt.
zzgl. 6,90 € Versand (brutto)
einmalig pro Bestellung

Lieferzeit: 5 Werktage

Pos.
025
MAKITA Scheibenfeder 4 | Ersatzteile für HM1400 | 254001-2
Hersteller: MAKITA
Artikelnummer: EMK-HM1400-254001-2
Netto: 3,86 € zzgl. MwSt.
zzgl. 6,90 € Versand (brutto)
einmalig pro Bestellung

Lieferzeit: 5 Werktage

Pos.
028
MAKITA Kugellager 6205 | Ersatzteile für HM1400 | 211359-2
Hersteller: MAKITA
Artikelnummer: EMK-HM1400-211359-2
nur Informationsartikel
Nie mehr lieferbar
keine Alternativen
Pos.
032
MAKITA Kugellager 6302 | Ersatzteile für HM1400 | 211214-8
Hersteller: MAKITA
Artikelnummer: EMK-HM1400-211214-8
nur Informationsartikel
Nie mehr lieferbar
keine Alternativen
Pos.
034
MAKITA Schalthebelstift | Ersatzteile für HM1400 | 323147-6
Hersteller: MAKITA
Artikelnummer: EMK-HM1400-323147-6
Netto: 6,14 € zzgl. MwSt.
zzgl. 6,90 € Versand (brutto)
einmalig pro Bestellung

Lieferzeit: 5 Werktage

Pos.
036
MAKITA Anschlagring (EXT) E-4 | Ersatzteile für HM1400 | 961011-9
Hersteller: MAKITA
Artikelnummer: EMK-HM1400-961011-9
Netto: 3,86 € zzgl. MwSt.
zzgl. 6,90 € Versand (brutto)
einmalig pro Bestellung

Lieferzeit: 5 Werktage

Pos.
038
MAKITA Handgriffsatz | Ersatzteile für HM1400 | 181906-2
Hersteller: MAKITA
Artikelnummer: EMK-HM1400-181906-2
Netto: 30,42 € zzgl. MwSt.
zzgl. 6,90 € Versand (brutto)
einmalig pro Bestellung

Lieferzeit: 5 Werktage

Pos.
039
MAKITA Flachkopfschraube M5X30 WR | Ersatzteile für HM1400 | 911253-5
Hersteller: MAKITA
Artikelnummer: EMK-HM1400-911253-5
nur Informationsartikel
Nie mehr lieferbar
keine Alternativen
Pos.
040
MAKITA Innensechskantkopfschraube M6X35 W | Ersatzteile für HM1400 | 922356-0
Hersteller: MAKITA
Artikelnummer: EMK-HM1400-922356-0
Netto: 4,05 € zzgl. MwSt.
zzgl. 6,90 € Versand (brutto)
einmalig pro Bestellung

Lieferzeit: 5 Werktage

Pos.
043
MAKITA Unterlegscheibe 24 | Ersatzteile für HM1400 | 253751-6
Hersteller: MAKITA
Artikelnummer: EMK-HM1400-253751-6
Netto: 4,05 € zzgl. MwSt.
zzgl. 6,90 € Versand (brutto)
einmalig pro Bestellung

Lieferzeit: 5 Werktage

Pos.
045
MAKITA Niete 0-5 | Ersatzteile für HM1400 | 953106-2
Hersteller: MAKITA
Artikelnummer: EMK-HM1400-953106-2
Netto: 3,86 € zzgl. MwSt.
zzgl. 6,90 € Versand (brutto)
einmalig pro Bestellung

Lieferzeit: 5 Werktage

Pos.
046
MAKITA Typenschild HM1400 | Ersatzteile für HM1400 | 855573-6
Hersteller: MAKITA
Artikelnummer: EMK-HM1400-855573-6
nur Informationsartikel
Nie mehr lieferbar
keine Alternativen
Pos.
047
MAKITA Packung | Ersatzteile für HM1400 | 423137-0
Hersteller: MAKITA
Artikelnummer: EMK-HM1400-423137-0
Netto: 5,76 € zzgl. MwSt.
zzgl. 6,90 € Versand (brutto)
einmalig pro Bestellung

Lieferzeit: 5 Werktage

Pos.
053
MAKITA Innensechskantkopfschraube M8X40 W | Ersatzteile für HM1400 | 922461-3
Hersteller: MAKITA
Artikelnummer: EMK-HM1400-922461-3
Netto: 4,24 € zzgl. MwSt.
zzgl. 6,90 € Versand (brutto)
einmalig pro Bestellung

Lieferzeit: 5 Werktage

Pos.
059
MAKITA O-Ring 95 | Ersatzteile für HM1400 | 213855-6
Hersteller: MAKITA
Artikelnummer: EMK-HM1400-213855-6
Netto: 5,48 € zzgl. MwSt.
zzgl. 6,90 € Versand (brutto)
einmalig pro Bestellung

Lieferzeit: 5 Werktage

Pos.
061
MAKITA Packung 50 | Ersatzteile für HM1400 | 442009-0
Hersteller: MAKITA
Artikelnummer: EMK-HM1400-442009-0
Netto: 4,24 € zzgl. MwSt.
zzgl. 6,90 € Versand (brutto)
einmalig pro Bestellung

Lieferzeit: 5 Werktage

Pos.
062
MAKITA Platte 50 | Ersatzteile für HM1400 | 341397-1
Hersteller: MAKITA
Artikelnummer: EMK-HM1400-341397-1
nur Informationsartikel
Nie mehr lieferbar
keine Alternativen
Pos.
063
MAKITA Flachkopfschraube M5X12 W | Ersatzteile für HM1400 | 911211-1
Hersteller: MAKITA
Artikelnummer: EMK-HM1400-911211-1
nur Informationsartikel
Nie mehr lieferbar
keine Alternativen
Pos.
065
MAKITA Halterkappe 6.5-13.5 | Ersatzteile für HM1400 | 643650-4
Hersteller: MAKITA
Artikelnummer: EMK-HM1400-643650-4
Netto: 3,86 € zzgl. MwSt.
zzgl. 6,90 € Versand (brutto)
einmalig pro Bestellung

Lieferzeit: 5 Werktage

Pos.
066
MAKITA Flachkopfschraube M5X14 W | Ersatzteile für HM1400 | 911216-1
Hersteller: MAKITA
Artikelnummer: EMK-HM1400-911216-1
Netto: 3,86 € zzgl. MwSt.
zzgl. 6,90 € Versand (brutto)
einmalig pro Bestellung

Lieferzeit: 5 Werktage

Pos.
068
MAKITA O-Ring 75 | Ersatzteile für HM1400 | 213755-0
Hersteller: MAKITA
Artikelnummer: EMK-HM1400-213755-0
Netto: 5,19 € zzgl. MwSt.
zzgl. 6,90 € Versand (brutto)
einmalig pro Bestellung

Lieferzeit: 5 Werktage

Pos.
069
MAKITA Zylinder | Ersatzteile für HM1400 | 315524-6
Hersteller: MAKITA
Artikelnummer: EMK-HM1400-315524-6
Netto: 142,94 € zzgl. MwSt.
zzgl. 6,90 € Versand (brutto)
einmalig pro Bestellung

Lieferzeit: 5 Werktage

Pos.
072
MAKITA Nylonring 63 | Ersatzteile für HM1400 | 262034-3
Hersteller: MAKITA
Artikelnummer: EMK-HM1400-262034-3
Netto: 7,86 € zzgl. MwSt.
zzgl. 6,90 € Versand (brutto)
einmalig pro Bestellung

Lieferzeit: 5 Werktage

Pos.
073
MAKITA Unterlegscheibe 63 | Ersatzteile für HM1400 | 253861-9
Hersteller: MAKITA
Artikelnummer: EMK-HM1400-253861-9
Netto: 7,86 € zzgl. MwSt.
zzgl. 6,90 € Versand (brutto)
einmalig pro Bestellung

Lieferzeit: 5 Werktage

Pos.
076
MAKITA Schlagbolzen | Ersatzteile für HM1400 | 321563-6
Hersteller: MAKITA
Artikelnummer: EMK-HM1400-321563-6
Netto: 43,84 € zzgl. MwSt.
zzgl. 6,90 € Versand (brutto)
einmalig pro Bestellung

Lieferzeit: 5 Werktage

Pos.
077
MAKITA Nylonring 42 | Ersatzteile für HM1400 | 262039-3
Hersteller: MAKITA
Artikelnummer: EMK-HM1400-262039-3
Netto: 8,43 € zzgl. MwSt.
zzgl. 6,90 € Versand (brutto)
einmalig pro Bestellung

Lieferzeit: 5 Werktage

Pos.
079
MAKITA O-Ring 40 | Ersatzteile für HM1400 | 213504-5
Hersteller: MAKITA
Artikelnummer: EMK-HM1400-213504-5
Netto: 5,19 € zzgl. MwSt.
zzgl. 6,90 € Versand (brutto)
einmalig pro Bestellung

Lieferzeit: 5 Werktage

Pos.
080
MAKITA O-Ring 71 | Ersatzteile für HM1400 | 213754-2
Hersteller: MAKITA
Artikelnummer: EMK-HM1400-213754-2
Netto: 5,19 € zzgl. MwSt.
zzgl. 6,90 € Versand (brutto)
einmalig pro Bestellung

Lieferzeit: 5 Werktage

Pos.
083
MAKITA Werkzeugaufnahme | Ersatzteile für HM1400 | 321961-4
Hersteller: MAKITA
Artikelnummer: EMK-HM1400-321961-4
Netto: 207,68 € zzgl. MwSt.
zzgl. 6,90 € Versand (brutto)
einmalig pro Bestellung

Lieferzeit: 5 Werktage

Pos.
084
MAKITA Werkzeughalter | Ersatzteile für HM1400 | 321788-2
Hersteller: MAKITA
Artikelnummer: EMK-HM1400-321788-2
Netto: 41,94 € zzgl. MwSt.
zzgl. 6,90 € Versand (brutto)
einmalig pro Bestellung

Lieferzeit: 5 Werktage

Pos.
085
MAKITA Druckfeder 5 | Ersatzteile für HM1400 | 231032-8
Hersteller: MAKITA
Artikelnummer: EMK-HM1400-231032-8
Netto: 4,24 € zzgl. MwSt.
zzgl. 6,90 € Versand (brutto)
einmalig pro Bestellung

Lieferzeit: 5 Werktage

Pos.
086
MAKITA Stahlkugel 7.9 | Ersatzteile für HM1400 | 216004-4
Hersteller: MAKITA
Artikelnummer: EMK-HM1400-216004-4
Netto: 4,24 € zzgl. MwSt.
zzgl. 6,90 € Versand (brutto)
einmalig pro Bestellung

Lieferzeit: 5 Werktage

Pos.
088
MAKITA Kolbenring 50 | Ersatzteile für HM1400 | 412055-7
Hersteller: MAKITA
Artikelnummer: EMK-HM1400-412055-7
Netto: 29,08 € zzgl. MwSt.
zzgl. 6,90 € Versand (brutto)
einmalig pro Bestellung

Lieferzeit: 5 Werktage

Pos.
089
MAKITA Innenring 46 | Ersatzteile für HM1400 | 341993-5
Hersteller: MAKITA
Artikelnummer: EMK-HM1400-341993-5
Netto: 8,43 € zzgl. MwSt.
zzgl. 6,90 € Versand (brutto)
einmalig pro Bestellung

Lieferzeit: 5 Werktage

Pos.
092
MAKITA Kolben | Ersatzteile für HM1400 | 321562-8
Hersteller: MAKITA
Artikelnummer: EMK-HM1400-321562-8
Netto: 43,84 € zzgl. MwSt.
zzgl. 6,90 € Versand (brutto)
einmalig pro Bestellung

Lieferzeit: 5 Werktage

Pos.
093
MAKITA Stift 10 | Ersatzteile für HM1400 | 256128-4
Hersteller: MAKITA
Artikelnummer: EMK-HM1400-256128-4
Netto: 6,14 € zzgl. MwSt.
zzgl. 6,90 € Versand (brutto)
einmalig pro Bestellung

Lieferzeit: 5 Werktage

Pos.
094
MAKITA Gummiring 6 | Ersatzteile für HM1400 | 262003-4
Hersteller: MAKITA
Artikelnummer: EMK-HM1400-262003-4
Netto: 4,24 € zzgl. MwSt.
zzgl. 6,90 € Versand (brutto)
einmalig pro Bestellung

Lieferzeit: 5 Werktage

Pos.
400
MAKITA Griff 40 | Ersatzteile für HM1400 | 273423-7
Hersteller: MAKITA
Artikelnummer: EMK-HM1400-273423-7
nur Informationsartikel
Nie mehr lieferbar
keine Alternativen
Pos.
402
MAKITA Innensechskantkopfschraube M8X30 W | Ersatzteile für HM1400 | 922451-6
Hersteller: MAKITA
Artikelnummer: EMK-HM1400-922451-6
Netto: 4,24 € zzgl. MwSt.
zzgl. 6,90 € Versand (brutto)
einmalig pro Bestellung

Lieferzeit: 5 Werktage

Pos.
405
MAKITA Spitzmeißel 30-410 (1 stk.) | Ersatzteile für HM1400 | 798029-5
Hersteller: MAKITA
Artikelnummer: EMK-HM1400-798029-5
nur Informationsartikel
Nie mehr lieferbar
keine Alternativen

Angaben zur Produktsicherheit

Hersteller:
Makita-Werkzeug GmbH
Makita-Platz 1
40885 Ratingen

E-Mail:
info@makita.de